Например TDA7294

Форум РадиоКот • Просмотр темы - Доработка блокинг-генератора
Форум РадиоКот
Здесь можно немножко помяукать :)

Текущее время: Вс ноя 02, 2025 21:42:03

Часовой пояс: UTC + 3 часа


ПРЯМО СЕЙЧАС:



Начать новую тему Ответить на тему  [ Сообщений: 18 ] 
Автор Сообщение
Не в сети
 Заголовок сообщения: Доработка блокинг-генератора
СообщениеДобавлено: Сб авг 16, 2025 18:29:01 
Родился

Зарегистрирован: Пн май 04, 2020 14:42:51
Сообщений: 8
Рейтинг сообщения: 0
Собираем обычный блокинг-генератор на 5-15 вольт питания. Частота генератора 20 - 100 кГц. Катушка намотана на незамкнутом магнитопроводе. Включаем и нагружаем на нагрузку R1.
На втором таком же магнитопроводе мотаем дополнительную катушку. Вводим дополнительную катушку в магнитное поле блокинг-генератора. На дополнительной катушке (на осциллографе) наблюдаем 2 импульса. Первый от импульса намагничивания и второй обратная ЭДС от размагничиваания. Выходной сигнал при этом практически не изменился.
Нагружаем дополнительную катушку на нагрузку R2. Нагрузку подключаем через диод, таким образом что бы на нагрузку проходил только импульс обратной ЭДС
Теперь имеем 2 цепи нагрузки. От блокинг-генератора и вторая от дополнительной катушки. Причем эти две нагрузки независимы и могут дополнять друг-друга.
Выход дополнительной катушки (нагрузка R2) зависит только от степени магнитной связи основного и дополнительного магнитопроводов.


Вернуться наверх
 
Не в сети
 Заголовок сообщения: Re: Доработка блокинг-генератора
СообщениеДобавлено: Вс авг 17, 2025 11:21:08 
Мудрый кот
Аватар пользователя

Карма: 7
Рейтинг сообщений: 93
Зарегистрирован: Ср сен 07, 2011 21:40:30
Сообщений: 1801
Рейтинг сообщения: 0
Нейросетка?


Вернуться наверх
 
Не в сети
 Заголовок сообщения: Re: Доработка блокинг-генератора
СообщениеДобавлено: Вс авг 31, 2025 13:27:16 
Родился

Зарегистрирован: Пн май 04, 2020 14:42:51
Сообщений: 8
Рейтинг сообщения: 0
"Я понял, это намёк,
Я все ловлю налету,
Нр непонятно, что конкретно
Ты имел здесь в виду!"


Вернуться наверх
 
Не в сети
 Заголовок сообщения: Re: Доработка блокинг-генератора
СообщениеДобавлено: Сб окт 11, 2025 13:12:58 
Родился

Зарегистрирован: Пн май 04, 2020 14:42:51
Сообщений: 8
Рейтинг сообщения: 0
Для обнаружения переменного магнитного поля (ПМП) обычно применяют катушку с незамкнутым сердечником или без сердечника. Катушка нагружена на светодиод. По интенсивности свечения светодиода можно оценить не только наличие, но и косвенно оценить интенсивность ПМП.
Проведем простенький опыт. Для этого нам понадобится любой работающий блокинг генератор на незамкнутом сердечнике и датчик ПМП. Будем приближать датчик к катушке блокинг генератора. По мере приближения светодиод начинает светиться и его яркость становится максимальной при контакте с генераторной катушкой. Потребляемая генератором мощность при этом не только не увеличилась, но, в некоторых случаях, уменьшилась. Это объясняется тем, что силовые линии МП замыкаются теперь не через воздушное пространство, а через меньшее сопротивление сердечника датчика.
Получилось, что не затрачивая энергии от блока питания, мы получили дополнительную энергию на свечение светодиода.
Чем больше силовых линий МП будет замыкаться через наш датчик, тем больше яркость светодиода и тем больше будет дополнительная энергия.
Для решения этой задачи магнитопровод блокинг генератора следует выполнить в виде полукольца. Магнитопровод нашего датчика тоже выполнен на полукольце. Если теперь сближать полукольца (не допуская их соединения в единое целое), то практически все силовые линии МП от генератора замкнутся через полукольцо датчика. Магнитная связь будет близка к полной, а это значит, что в этом случае на датчике ПМП будет максимум дополнительной энергии.
Описанное выше было выполнено в реальной конструкции. Проведенные замеры показали, что с дополнительной катушки (датчика ПМП) можно снять значительный процент от мощности, снимаемой с основной катушки генератора. При этом важно, что мощность, потребляемая от источника питания не изменилась и осталась такой же, как и при отсутствии дополнительной катушки (датчика ПМП).


Вернуться наверх
 
Эиком - электронные компоненты и радиодетали
Не в сети
 Заголовок сообщения: Re: Доработка блокинг-генератора
СообщениеДобавлено: Сб окт 11, 2025 15:57:58 
Друг Кота
Аватар пользователя

Карма: 17
Рейтинг сообщений: 462
Зарегистрирован: Ср ноя 11, 2009 17:19:30
Сообщений: 5440
Откуда: Воронеж
Рейтинг сообщения: 0
Хоба, ты ли это?

_________________
"Привет!" - соврал он.


Вернуться наверх
 
Не в сети
 Заголовок сообщения: Re: Доработка блокинг-генератора
СообщениеДобавлено: Сб окт 11, 2025 16:34:00 
Это не хвост, это антенна
Аватар пользователя

Карма: 12
Рейтинг сообщений: 73
Зарегистрирован: Вт мар 28, 2023 21:17:15
Сообщений: 1350
Откуда: Universe
Рейтинг сообщения: 0
Что такое осень?
Это постЫ
ПостЫ про усякое такое...

:roll:

_________________
I have a dream...¯\_(ツ)_/¯


Вернуться наверх
 
Не в сети
 Заголовок сообщения: Re: Доработка блокинг-генератора
СообщениеДобавлено: Пн окт 13, 2025 01:45:04 
Мучитель микросхем
Аватар пользователя

Зарегистрирован: Чт мар 03, 2016 22:58:23
Сообщений: 455
Откуда: регион 37
Рейтинг сообщения: 0
"Получилось, что не затрачивая энергии от блока питания, мы получили дополнительную энергию на свечение светодиода."
Это что, очередной Б.Т.Г.?


Вернуться наверх
 
Не в сети
 Заголовок сообщения: Re: Доработка блокинг-генератора
СообщениеДобавлено: Вт окт 14, 2025 13:32:31 
Родился

Зарегистрирован: Пн май 04, 2020 14:42:51
Сообщений: 8
Рейтинг сообщения: 0
Это не БТГ!
Это рациональное использование батареек и аккумуляторов. Ичпользуя этот метод источник питания будет работать дольше.


Вернуться наверх
 
Не в сети
 Заголовок сообщения: Re: Доработка блокинг-генератора
СообщениеДобавлено: Вт окт 14, 2025 14:26:47 
Друг Кота
Аватар пользователя

Карма: 17
Рейтинг сообщений: 462
Зарегистрирован: Ср ноя 11, 2009 17:19:30
Сообщений: 5440
Откуда: Воронеж
Рейтинг сообщения: 0
Значит надо сделать как можно больше таких полуколец!

_________________
"Привет!" - соврал он.


Вернуться наверх
 
Не в сети
 Заголовок сообщения: Re: Доработка блокинг-генератора
СообщениеДобавлено: Вс окт 19, 2025 18:16:06 
Родился

Зарегистрирован: Пн май 04, 2020 14:42:51
Сообщений: 8
Рейтинг сообщения: 0
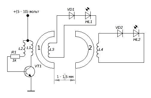
Публикую простую схему, которая позволяет получить на выходе дополнительную энергию.Схема состоит их двух частей. Левая часть представляет собой самый обычный блокинг генератор. Сердечник катушки выполнен на ферритовом полукольце. Правая часть — это дополнительная катушка. Дополнительная катушка намотана так же на ферритовом полукольце.
Изображение
Рассмотрим как работает эта схема. Очередной импульс, в виде магнитного поля, запасается в сердечнике «1». Магнитный поток от сердечника «1» наводит магнитное поле в сердечнике «2». При малом зазоре между сердечниками практически все МП 1-го сердечника замыкается через сердечник «2». То есть они намагничиваются примерно одинаково. По окончании импульса МП обоих сердечников пропадает. При этом в каждой обмотке каждого сердечника наводится свой обратный импульс. Поскольку намагниченность сердечников была примерно одинакова, то и обратные импульсы примерно равны. Для компенсации неизбежных потерь количество витков на сердечнике «2» больше на 10-15%, чем количество витков на выходной обмотке сердечника «1». При этом суммарная выходная мощность на 2-х нагрузках заметно превышает входную от блока питания.
Диоды VD1 и VD2 отсекают импульсы намагничивания от нагрузки. Намагничивание сердечников происходит на «холостом ходу», без появления противоЭДС. Обратные импульсы поступают каждый в свою нагрузку.
Обратные импульсы могут быть использованы на любой нагрузке. Светодиоды приведены просто как пример.
В схеме могут быть использованы и стержневые ферриты. Однако магнитная связь у них не превышает 50%, что резко снижает мощность, снимаемую со второго стержня.
Важное замечание. Соединение полу колец в одно кольцо превращает систему в обычный трансформатор с двумя параллельными выходными обмотками. Снимаемая с обмоток мощность меньше, чем «закаченная» от блока питания.


Вернуться наверх
 
Не в сети
 Заголовок сообщения: Re: Доработка блокинг-генератора
СообщениеДобавлено: Вс окт 19, 2025 18:28:57 
Держит паяльник хвостом

Карма: 5
Рейтинг сообщений: 136
Зарегистрирован: Пн май 01, 2017 20:01:45
Сообщений: 918
Рейтинг сообщения: 0
Я так понимаю, что в subj можно выпрямить выходное напряжение и вместо "светодиодов" подать на питание собственного генератора на VT1?
Из-за лавинообразного повышения мощности наверно стоит поставить какую-то специальную защиту по питанию, или достаточно обойтись TVS диодом и отправить лишнюю энергию в тепло?
Хотелись бы постотреть этот перпетум мобиле в действии.


Вернуться наверх
 
Не в сети
 Заголовок сообщения: Re: Доработка блокинг-генератора
СообщениеДобавлено: Вс окт 19, 2025 18:43:24 
Родился

Зарегистрирован: Пн май 04, 2020 14:42:51
Сообщений: 8
Рейтинг сообщения: 0
Там некоторая сложность. Пока её не решил. Попробуй, может получится.
Дело в том, что каждый выход меньше, чем надо для питания схемы. Как объединить выходы? Импульсы приходят одновременно.
Я остановился на этапе использования 2-х самостоятельных выходов.
Вообще, при самозапите, стабилизация входного питания необходима.


Вернуться наверх
 
Не в сети
 Заголовок сообщения: Re: Доработка блокинг-генератора
СообщениеДобавлено: Вс окт 19, 2025 18:47:01 
Держит паяльник хвостом

Карма: 5
Рейтинг сообщений: 136
Зарегистрирован: Пн май 01, 2017 20:01:45
Сообщений: 918
Рейтинг сообщения: 0
"Как объединить выходы? Импульсы приходят одновременно."
По каждому диодный мост, конденсатор. На выходе + и -.


Вернуться наверх
 
Не в сети
 Заголовок сообщения: Re: Доработка блокинг-генератора
СообщениеДобавлено: Сб ноя 01, 2025 18:44:26 
Родился

Зарегистрирован: Пн май 04, 2020 14:42:51
Сообщений: 8
Рейтинг сообщения: 0
В этой схеме используются импульсы одной полярности. Поэтому диодный мост не нужен. Достаточно одного диода, как и показано в схеме.
ВОПРОС. А чем не устраивает вариант с двумя независимыми нагрузками?
Мне кажется, что, пока, нет необходимости в самозапите. Мы просто получаем с блока питания (батареи) больше энергии.
Батарея работает дольше. Это уже радует. А совершенствовать можно и нужно потом!


Вернуться наверх
 
Не в сети
 Заголовок сообщения: Re: Доработка блокинг-генератора
СообщениеДобавлено: Сб ноя 01, 2025 19:08:11 
Друг Кота
Аватар пользователя

Карма: 17
Рейтинг сообщений: 462
Зарегистрирован: Ср ноя 11, 2009 17:19:30
Сообщений: 5440
Откуда: Воронеж
Рейтинг сообщения: 0
КПД за сотню уже перевалил?

_________________
"Привет!" - соврал он.


Вернуться наверх
 
Не в сети
 Заголовок сообщения: Re: Доработка блокинг-генератора
СообщениеДобавлено: Вс ноя 02, 2025 04:21:12 
Друг Кота
Аватар пользователя

Карма: 31
Рейтинг сообщений: 851
Зарегистрирован: Пт сен 10, 2021 15:19:36
Сообщений: 5926
Откуда: Протвино
Рейтинг сообщения: 0
если выкинуть VD1,VD2 то кпд поднимется еще на 20+% :music:
;)


Вернуться наверх
 
Не в сети
 Заголовок сообщения: Re: Доработка блокинг-генератора
СообщениеДобавлено: Вс ноя 02, 2025 08:37:11 
Друг Кота

Карма: 64
Рейтинг сообщений: 1017
Зарегистрирован: Пт мар 07, 2008 06:54:43
Сообщений: 4361
Откуда: Ижевск
Рейтинг сообщения: 0
Если не мотать L3, а то, что к ней подключалось, подключить к L2 вообщэ ипздецовый кпд будет. :solder: :facepalm:


Вернуться наверх
 
Не в сети
 Заголовок сообщения: Re: Доработка блокинг-генератора
СообщениеДобавлено: Вс ноя 02, 2025 18:34:06 
Родился

Зарегистрирован: Пн май 04, 2020 14:42:51
Сообщений: 8
Рейтинг сообщения: 0
Вложение:
БГ+1.gif [4.64 KiB]
Скачиваний: 5

Рассмотрим подробно работу схемы.
• Появляется электрический импульс. По катушке L1 течет ток. В сердечнике «1» наводится МП, в котором накоплена энергия электрического импульса.
• Сердечник «1» намагничивается.
• МП сердечника «1» намагничивает сердечник «2».
(Пример из жизни. Постоянным магнитом намагничиваем отвертку. У отвертки, после удаления магнита, остается намагниченность. Постоянный магнит при этом без изменений. По крайней мере изменение МП постоянного магнита приборами не фиксируется.)
• По окончании импульса МП сердечника «1» пропадает, наводя ЭДС в катушке L3.
• МП сердечника «2» также пропадает, наводя ЭДС в катушке L4.
• ЭДС катушки L3 поступает в нагрузку HL1.
• ЭДС катушки L4 поступает в нагрузку HL2.


Вернуться наверх
 
Показать сообщения за:  Сортировать по:  Вернуться наверх
Начать новую тему Ответить на тему  [ Сообщений: 18 ] 

Часовой пояс: UTC + 3 часа


Кто сейчас на форуме

Сейчас этот форум просматривают: AQ29 и гости: 24


Вы не можете начинать темы
Вы не можете отвечать на сообщения
Вы не можете редактировать свои сообщения
Вы не можете удалять свои сообщения
Вы не можете добавлять вложения

Найти:
Перейти:  


Powered by phpBB © 2000, 2002, 2005, 2007 phpBB Group
Русская поддержка phpBB
Extended by Karma MOD © 2007—2012 m157y
Extended by Topic Tags MOD © 2012 m157y