Например TDA7294

Форум РадиоКот • Просмотр темы - Усилитель мощности для портативной рации на 145 мгц
Форум РадиоКот
Здесь можно немножко помяукать :)

Текущее время: Вт дек 02, 2025 08:00:25

Часовой пояс: UTC + 3 часа


ПРЯМО СЕЙЧАС:



Начать новую тему Ответить на тему  [ Сообщений: 39 ]    , 2
Автор Сообщение
Не в сети
 Заголовок сообщения: Re: Усилитель мощности для портативной рации на 145 мгц
СообщениеДобавлено: Чт май 05, 2022 13:40:29 
Друг Кота

Карма: -1
Рейтинг сообщений: 77
Зарегистрирован: Вт мар 13, 2012 12:16:13
Сообщений: 8845
Откуда: .ru
Рейтинг сообщения: 0
Вложение:
Screenshot_1.jpg [46.48 KiB]
Скачиваний: 116

Вложение:
Screenshot_2.jpg [41.33 KiB]
Скачиваний: 98

Вложение:
Screenshot_3.jpg [53 KiB]
Скачиваний: 89

Вложение:
Screenshot_4.jpg [54.03 KiB]
Скачиваний: 87

Вложение:
Screenshot_5.jpg [23.09 KiB]
Скачиваний: 85

...
техника на грани фантастики ! )) :)))


Вернуться наверх
 
Не в сети
 Заголовок сообщения: Re: Усилитель мощности для портативной рации на 145 мгц
СообщениеДобавлено: Чт май 05, 2022 13:45:39 
Друг Кота

Карма: 49
Рейтинг сообщений: 547
Зарегистрирован: Чт фев 20, 2014 18:57:55
Сообщений: 19492
Рейтинг сообщения: 0
А как клацать будут пара таких... ууу )) Если ночью болтать соседи придут.

_________________
"Вся военная пропаганда, все крики, ложь и ненависть исходят от людей, которые на эту войну не пойдут !" / Джордж Оруэлл /
"Война - это,когда за интересы других,гибнут совершенно безвинные люди." / Уинстон Черчилль /


Вернуться наверх
 
Не в сети
 Заголовок сообщения: Re: Усилитель мощности для портативной рации на 145 мгц
СообщениеДобавлено: Чт май 05, 2022 14:01:41 
Друг Кота

Карма: -1
Рейтинг сообщений: 77
Зарегистрирован: Вт мар 13, 2012 12:16:13
Сообщений: 8845
Откуда: .ru
Рейтинг сообщения: 0
усилитель... реле РПВ2...
Вложение:
Screenshot_1.jpg [66.72 KiB]
Скачиваний: 69

я делал рацию 27 мгц на герконовых реле РЕС55
Вложение:
Screenshot_2.jpg [51.86 KiB]
Скачиваний: 86

просто у меня их... был целый ящик))

Добавлено after 3 minutes 29 seconds:
roman.com, я так понимаю , электронное реле - это с помощью транзисторных ключей?

https://radiokot.ru/circuit/analog/receiv_transmit/30/
Вложение:
1.gif [72.73 KiB]
Скачиваний: 86


Вернуться наверх
 
Не в сети
 Заголовок сообщения: Re: Усилитель мощности для портативной рации на 145 мгц
СообщениеДобавлено: Чт май 05, 2022 14:46:27 
Встал на лапы

Зарегистрирован: Пт апр 01, 2022 11:15:51
Сообщений: 117
Откуда: Санкт-Петербург
Рейтинг сообщения: 0
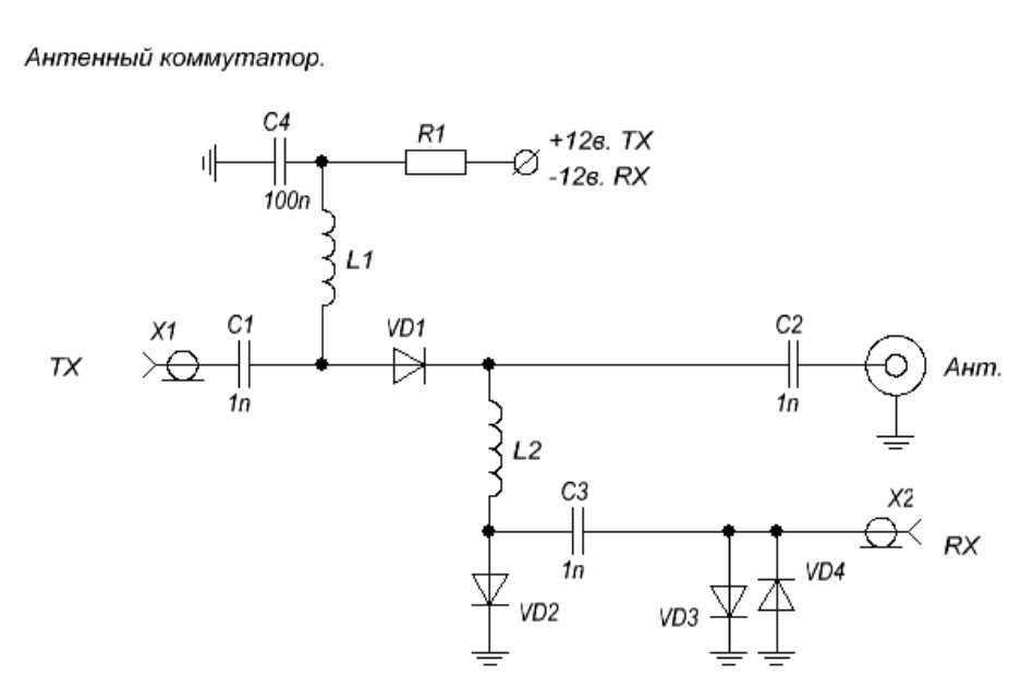
Эт не коммутатор, это защитные диоды чтобы чувствительный вход приемника не перегружать. Своего рода амплитудный ограничитель. Но можно и так, в принципе :)

_________________
Молчаливая галлюцинация.
Z


Вернуться наверх
 
Эиком - электронные компоненты и радиодетали
Не в сети
 Заголовок сообщения: Re: Усилитель мощности для портативной рации на 145 мгц
СообщениеДобавлено: Чт май 05, 2022 15:06:51 
Друг Кота

Карма: 49
Рейтинг сообщений: 547
Зарегистрирован: Чт фев 20, 2014 18:57:55
Сообщений: 19492
Рейтинг сообщения: 0
В случае двух черных ящиков - баофенга и усилка я что то подобный пазл не могу сложить, а так в рациях это обычное дело.

_________________
"Вся военная пропаганда, все крики, ложь и ненависть исходят от людей, которые на эту войну не пойдут !" / Джордж Оруэлл /
"Война - это,когда за интересы других,гибнут совершенно безвинные люди." / Уинстон Черчилль /


Вернуться наверх
 
Не в сети
 Заголовок сообщения: Re: Усилитель мощности для портативной рации на 145 мгц
СообщениеДобавлено: Чт май 05, 2022 15:23:26 
Друг Кота

Карма: -1
Рейтинг сообщений: 77
Зарегистрирован: Вт мар 13, 2012 12:16:13
Сообщений: 8845
Откуда: .ru
Рейтинг сообщения: 0
ГТ310 писал(а):
Своего рода амплитудный ограничитель.

Нет.
Простой амплитудный ограничитель это защитные диоды чтобы чувствительный вход приемника не перегружать.

А у меня не просто амплитудный ограничитель, а коммутатор)) Работает он по другому... Он переключает контура...
Вложение:
1.gif [79.37 KiB]
Скачиваний: 82

:tea:


Вернуться наверх
 
Не в сети
 Заголовок сообщения: Re: Усилитель мощности для портативной рации на 145 мгц
СообщениеДобавлено: Чт май 05, 2022 15:30:39 
Говорящий с текстолитом
Аватар пользователя

Зарегистрирован: Сб апр 17, 2021 12:24:15
Сообщений: 1521
Откуда: Украина
Рейтинг сообщения: 0
Цитата:
А у меня не просто амплитудный ограничитель, а коммутатор)) Работает он по другому... Он переключает контура...


Какие-то породистые диоды? :)))


Вернуться наверх
 
Не в сети
 Заголовок сообщения: Re: Усилитель мощности для портативной рации на 145 мгц
СообщениеДобавлено: Чт май 05, 2022 15:36:08 
Друг Кота

Карма: -1
Рейтинг сообщений: 77
Зарегистрирован: Вт мар 13, 2012 12:16:13
Сообщений: 8845
Откуда: .ru
Рейтинг сообщения: 0
Я подсмотрел идею у радиостанции Лён-В. ))
Там два коммутатора на диодах... Коммутаторы переключают контура...
Вложение:
Лён-В.jpg [109.02 KiB]
Скачиваний: 82

У меня работает немного по другому... Но суть та же - коммутатор на диодах переключает контура...
:tea:


Вернуться наверх
 
Не в сети
 Заголовок сообщения: Re: Усилитель мощности для портативной рации на 145 мгц
СообщениеДобавлено: Чт май 05, 2022 15:58:28 
Говорящий с текстолитом
Аватар пользователя

Зарегистрирован: Сб апр 17, 2021 12:24:15
Сообщений: 1521
Откуда: Украина
Рейтинг сообщения: 0
Цитата:
коммутатор на диодах переключает контура...


Это как?


Вернуться наверх
 
Не в сети
 Заголовок сообщения: Re: Усилитель мощности для портативной рации на 145 мгц
СообщениеДобавлено: Чт май 05, 2022 16:23:57 
Друг Кота

Карма: 49
Рейтинг сообщений: 547
Зарегистрирован: Чт фев 20, 2014 18:57:55
Сообщений: 19492
Рейтинг сообщения: 0
Подозрительные коммутаторы, тогда уж на pin диодах делать.

_________________
"Вся военная пропаганда, все крики, ложь и ненависть исходят от людей, которые на эту войну не пойдут !" / Джордж Оруэлл /
"Война - это,когда за интересы других,гибнут совершенно безвинные люди." / Уинстон Черчилль /


Вернуться наверх
 
Не в сети
 Заголовок сообщения: Re: Усилитель мощности для портативной рации на 145 мгц
СообщениеДобавлено: Чт май 05, 2022 16:28:02 
Друг Кота

Карма: 6
Рейтинг сообщений: 303
Зарегистрирован: Вт авг 26, 2008 14:36:02
Сообщений: 5248
Откуда: москва
Рейтинг сообщения: 0
В "гранитах" тоже на диодах было


Вернуться наверх
 
Не в сети
 Заголовок сообщения: Re: Усилитель мощности для портативной рации на 145 мгц
СообщениеДобавлено: Чт май 05, 2022 16:38:15 
Друг Кота

Карма: 49
Рейтинг сообщений: 547
Зарегистрирован: Чт фев 20, 2014 18:57:55
Сообщений: 19492
Рейтинг сообщения: 0
В моем понимании на диодах как то так
http://www.cqham.ru/forum/attachment.ph ... 1200468876

_________________
"Вся военная пропаганда, все крики, ложь и ненависть исходят от людей, которые на эту войну не пойдут !" / Джордж Оруэлл /
"Война - это,когда за интересы других,гибнут совершенно безвинные люди." / Уинстон Черчилль /


Вернуться наверх
 
Не в сети
 Заголовок сообщения: Re: Усилитель мощности для портативной рации на 145 мгц
СообщениеДобавлено: Чт май 05, 2022 16:52:33 
Друг Кота

Карма: -1
Рейтинг сообщений: 77
Зарегистрирован: Вт мар 13, 2012 12:16:13
Сообщений: 8845
Откуда: .ru
Рейтинг сообщения: 0
на pin диодах делали селекторы всякие... для телевизоров))
Вложение:
Screenshot_1.jpg [128.63 KiB]
Скачиваний: 69

на усилитель pin диоды не поставишь... там моща большая ! )) десятки ватт... pin диод сгорит нафиг))


Вернуться наверх
 
Не в сети
 Заголовок сообщения: Re: Усилитель мощности для портативной рации на 145 мгц
СообщениеДобавлено: Чт май 05, 2022 16:58:13 
Друг Кота

Карма: 49
Рейтинг сообщений: 547
Зарегистрирован: Чт фев 20, 2014 18:57:55
Сообщений: 19492
Рейтинг сообщения: 0
делают и мощные переключатели http://www.radiocomp.ru/joom/images/sto ... 2_2019.pdf

_________________
"Вся военная пропаганда, все крики, ложь и ненависть исходят от людей, которые на эту войну не пойдут !" / Джордж Оруэлл /
"Война - это,когда за интересы других,гибнут совершенно безвинные люди." / Уинстон Черчилль /


Вернуться наверх
 
Не в сети
 Заголовок сообщения: Re: Усилитель мощности для портативной рации на 145 мгц
СообщениеДобавлено: Чт май 05, 2022 16:59:20 
Друг Кота

Карма: -1
Рейтинг сообщений: 77
Зарегистрирован: Вт мар 13, 2012 12:16:13
Сообщений: 8845
Откуда: .ru
Рейтинг сообщения: 0
во первых 12 вольт мало...
у обычной УКВ рации 5 Ватт (стандарт) при отключенной антенне напряжение на выходе П-контура около 30 вольт и больше...
Вложение:
Screenshot_2.jpg [25.55 KiB]
Скачиваний: 67

во вторых лишние потери на диоде в режиме передачи...
в третьих катушка и конденсатор должны образовывать последовательный контур... чтоб не было реактивностей...
в четвёртых...
и т.д.))


Вернуться наверх
 
Не в сети
 Заголовок сообщения: Re: Усилитель мощности для портативной рации на 145 мгц
СообщениеДобавлено: Чт май 05, 2022 17:25:47 
Друг Кота

Карма: 49
Рейтинг сообщений: 547
Зарегистрирован: Чт фев 20, 2014 18:57:55
Сообщений: 19492
Рейтинг сообщения: 0
Ну в реле в любом случае потерь поменьше, а так в целом там все нормально, выше их критической частоты у них заряды не успевают рассасываться или как то так, в общем если через pin диод постоянный ток идет - он не закроется.

_________________
"Вся военная пропаганда, все крики, ложь и ненависть исходят от людей, которые на эту войну не пойдут !" / Джордж Оруэлл /
"Война - это,когда за интересы других,гибнут совершенно безвинные люди." / Уинстон Черчилль /


Вернуться наверх
 
Не в сети
 Заголовок сообщения: Re: Усилитель мощности для портативной рации на 145 мгц
СообщениеДобавлено: Чт май 05, 2022 17:48:13 
Друг Кота

Карма: -1
Рейтинг сообщений: 77
Зарегистрирован: Вт мар 13, 2012 12:16:13
Сообщений: 8845
Откуда: .ru
Рейтинг сообщения: 0
Вложение:
Screenshot_1.jpg [19.01 KiB]
Скачиваний: 70

Вложение:
Screenshot_2.jpg [48.97 KiB]
Скачиваний: 64

Вложение:
Screenshot_3.jpg [84.78 KiB]
Скачиваний: 72

))

Добавлено after 3 minutes 13 seconds:
а так в целом там все нормально...

Вложение:
5.gif [8 KiB]
Скачиваний: 72

теперь нормально))
:tea:

Добавлено after 3 minutes 50 seconds:
Цитата:
коммутатор на диодах переключает контура...


Это как?

это опять надо вспоминать как энергия втекает в контур... и вытекает из контура.... и перетекает между контурами...
Вложение:
Screenshot_4.jpg [66.86 KiB]
Скачиваний: 72

и как можно управлять перетоками энергии между контурами с помощью диодов...

опять надо вспоминать теорию... всё сначала... короче... это долго))

ты свою "трёх точку" уже спаял ? уже год паяешь))))
:tea:


Вернуться наверх
 
Не в сети
 Заголовок сообщения: Re: Усилитель мощности для портативной рации на 145 мгц
СообщениеДобавлено: Чт май 05, 2022 19:09:00 
Говорящий с текстолитом
Аватар пользователя

Зарегистрирован: Сб апр 17, 2021 12:24:15
Сообщений: 1521
Откуда: Украина
Рейтинг сообщения: 0
Цитата:
ты свою "трёх точку" уже спаял ? уже год паяешь))))


Спаял, спаял...

Вроде пробник светит, а на буфере ничего :dont_know:


Вернуться наверх
 
Не в сети
 Заголовок сообщения: Re: Усилитель мощности для портативной рации на 145 мгц
СообщениеДобавлено: Чт май 05, 2022 19:30:50 
Друг Кота

Карма: 49
Рейтинг сообщений: 547
Зарегистрирован: Чт фев 20, 2014 18:57:55
Сообщений: 19492
Рейтинг сообщения: 0
Ну еще год и буфер запоет )

Буфер по какой схеме хоть ?

_________________
"Вся военная пропаганда, все крики, ложь и ненависть исходят от людей, которые на эту войну не пойдут !" / Джордж Оруэлл /
"Война - это,когда за интересы других,гибнут совершенно безвинные люди." / Уинстон Черчилль /


Вернуться наверх
 
Показать сообщения за:  Сортировать по:  Вернуться наверх
Начать новую тему Ответить на тему  [ Сообщений: 39 ]    , 2

Часовой пояс: UTC + 3 часа


Кто сейчас на форуме

Сейчас этот форум просматривают: solomonmon и гости: 21


Вы не можете начинать темы
Вы не можете отвечать на сообщения
Вы не можете редактировать свои сообщения
Вы не можете удалять свои сообщения
Вы не можете добавлять вложения

Найти:
Перейти:  


Powered by phpBB © 2000, 2002, 2005, 2007 phpBB Group
Русская поддержка phpBB
Extended by Karma MOD © 2007—2012 m157y
Extended by Topic Tags MOD © 2012 m157y