Например TDA7294

Форум РадиоКот • Просмотр темы - Управление байпасом с одного пина
Форум РадиоКот
Здесь можно немножко помяукать :)

Текущее время: Ср ноя 12, 2025 16:07:15

Часовой пояс: UTC + 3 часа


ПРЯМО СЕЙЧАС:



Начать новую тему Ответить на тему  [ Сообщений: 50 ]    , 2,  
Автор Сообщение
Не в сети
 Заголовок сообщения: Re: Управление байпасом с одного пина
СообщениеДобавлено: Вс май 29, 2022 15:09:51 
Друг Кота

Карма: 67
Рейтинг сообщений: 1964
Зарегистрирован: Сб дек 18, 2021 19:25:32
Сообщений: 12867
Рейтинг сообщения: 0
а причём тут чьи-то чужие схемы? Вы же свою делаете. Да и нельзя же безоглядно верить всем и вся... Просмотрите даташит на 595, его полное управление может дать дополнительных идей по применению.


Вернуться наверх
 
Не в сети
 Заголовок сообщения: Re: Управление байпасом с одного пина
СообщениеДобавлено: Вс май 29, 2022 15:16:40 
Говорящий с текстолитом
Аватар пользователя

Карма: 18
Рейтинг сообщений: 233
Зарегистрирован: Пт дек 10, 2021 12:48:46
Сообщений: 1531
Откуда: Тюмень
Рейтинг сообщения: 0
можно ли как то убрать этот эффект не нужности
там кондёр какойнить или резистором притянуть куданить ?

Да можно… организуй сброс на выводе 10 регистре сдвига 595 в момент включения питания и твой регистр сдвига не будет выдавать лог 1 на выходах при подаче питания. С триггерами это всегда так… при подаче питания они выдают на выходе высокий уровень. А они внутри регистра присутствуют. Используй RC цепочку и проблема будет решена. :)


Вернуться наверх
 
Не в сети
 Заголовок сообщения: Re: Управление байпасом с одного пина
СообщениеДобавлено: Вт май 31, 2022 09:47:27 
Сверлит текстолит когтями
Аватар пользователя

Зарегистрирован: Пт авг 05, 2016 04:47:49
Сообщений: 1123
Рейтинг сообщения: 0
VNS,
с ресетом подразобрался програмно теперь не влияет можно сколько угодно перезагружать

а можно ли туда поставить электролитический допустим плюс на плюс а минус на ОЕ ?
а то даже в 1 мкф не помогает
при подаче питания они горят около секунды возможно 1,5 и гаснут потом

Изображение


Вернуться наверх
 
Не в сети
 Заголовок сообщения: Re: Управление байпасом с одного пина
СообщениеДобавлено: Вт май 31, 2022 10:15:09 
Говорящий с текстолитом
Аватар пользователя

Карма: 18
Рейтинг сообщений: 233
Зарегистрирован: Пт дек 10, 2021 12:48:46
Сообщений: 1531
Откуда: Тюмень
Рейтинг сообщения: 0
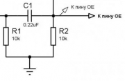
а можно ли туда поставить электролитический допустим плюс на плюс а минус на ОЕ ?

Вам незачем переводить выхода в Z состояние… я писал о сбросе регистров сдвига – это вывод 10 (MR). Вот попробуйте подключить вывод 10 по такой схеме…
Вложение:
MR.png [1.41 KiB]
Скачиваний: 69


Вернуться наверх
 
Эиком - электронные компоненты и радиодетали
Не в сети
 Заголовок сообщения: Re: Управление байпасом с одного пина
СообщениеДобавлено: Вт май 31, 2022 10:53:31 
Сверлит текстолит когтями
Аватар пользователя

Зарегистрирован: Пт авг 05, 2016 04:47:49
Сообщений: 1123
Рейтинг сообщения: 0
попробовал стало намного меньше длина импульса при подаче питания
но вспышка светодиодов на всех выводах присутствует (светодиоды пока для проверки нюансов)

у меня моторы в каждом по три скорости то есть фаза должна присутствовать только на одной обмотке для работы его
что будет если при таком воздействии на некоторое время подастся фаза на все три обмотки ?
управление через оптрон-симистор будет мотора то есть они успеют среагировать в любом случае

Добавлено after 7 minutes 35 seconds:
да и у вашего метода есть негативный момент
если после загрузки на одном пине должен быть единица то её нет пока не ресетнуть контролер


Вернуться наверх
 
Не в сети
 Заголовок сообщения: Re: Управление байпасом с одного пина
СообщениеДобавлено: Вт май 31, 2022 11:17:00 
Друг Кота

Карма: 67
Рейтинг сообщений: 1964
Зарегистрирован: Сб дек 18, 2021 19:25:32
Сообщений: 12867
Рейтинг сообщения: 0
что-то странно. Блокировочный конденсатор не забыли? Приведете полную схему того, что у Вас сейчас. У меня 595 не дают никаких импульсов при включении.


Вернуться наверх
 
Не в сети
 Заголовок сообщения: Re: Управление байпасом с одного пина
СообщениеДобавлено: Вт май 31, 2022 11:37:58 
Сверлит текстолит когтями
Аватар пользователя

Зарегистрирован: Пт авг 05, 2016 04:47:49
Сообщений: 1123
Рейтинг сообщения: 0
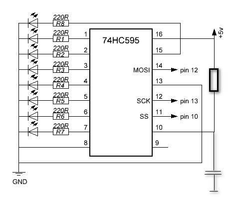
Изображение

типо того

Добавлено after 48 seconds:
тока питание 3,3в
от есп32


Вернуться наверх
 
Не в сети
 Заголовок сообщения: Re: Управление байпасом с одного пина
СообщениеДобавлено: Вт май 31, 2022 12:02:01 
Друг Кота

Карма: 67
Рейтинг сообщений: 1964
Зарегистрирован: Сб дек 18, 2021 19:25:32
Сообщений: 12867
Рейтинг сообщения: 0
отсутствует блокировочный конденсатор.
И я бы использовал именно ОЕ, так как это отключает выхода. Сброс - это операция, которая сбросит 1 в 0, но не помешает появиться 1 при начальном запуске.


Вернуться наверх
 
Не в сети
 Заголовок сообщения: Re: Управление байпасом с одного пина
СообщениеДобавлено: Вт май 31, 2022 16:36:58 
Говорящий с текстолитом
Аватар пользователя

Карма: 18
Рейтинг сообщений: 233
Зарегистрирован: Пт дек 10, 2021 12:48:46
Сообщений: 1531
Откуда: Тюмень
Рейтинг сообщения: 0
попробовал стало намного меньше длина импульса

Тогда притяни ещё и вывод 12 через резистор 4,3 кОм к GND. Он как раз осуществит запрет вывода значений пока триггера сбрасываются. Только RC не убирай. А потом когда триггеры будут сброшены, тогда уже МК сформирует нужный управляющий сигнал на вывод 12.


Вернуться наверх
 
Не в сети
 Заголовок сообщения: Re: Управление байпасом с одного пина
СообщениеДобавлено: Вт май 31, 2022 16:46:55 
Друг Кота

Карма: 67
Рейтинг сообщений: 1964
Зарегистрирован: Сб дек 18, 2021 19:25:32
Сообщений: 12867
Рейтинг сообщения: 0
ну да, оба варианта.
Ещё возможно, что это обстоятельство непреодолимо - производитель так реализовал. 595 не делает только ленивый, возможно, кто-то что-то сделал немного не так. И тогда единственный вариант - попробовать иного.


Вернуться наверх
 
Не в сети
 Заголовок сообщения: Re: Управление байпасом с одного пина
СообщениеДобавлено: Ср июн 01, 2022 09:11:40 
Сверлит текстолит когтями
Аватар пользователя

Зарегистрирован: Пт авг 05, 2016 04:47:49
Сообщений: 1123
Рейтинг сообщения: 0
не притяжка 12 не помогает
да и в моём варианте пробовал на ОЕ 100 мкф не помогает


Вернуться наверх
 
Не в сети
 Заголовок сообщения: Re: Управление байпасом с одного пина
СообщениеДобавлено: Ср июн 01, 2022 15:03:02 
Друг Кота

Карма: 67
Рейтинг сообщений: 1964
Зарегистрирован: Сб дек 18, 2021 19:25:32
Сообщений: 12867
Рейтинг сообщения: 0
Картинка показывает всплеск (синий график) на одном из выходов 74HC595 производства ST и купленного не на Али, а у официального дилера за 5 рублей. Притом, никаких цепей сброса-отключения не стояло, только голый регистр. Показан худший результат из нескольких включений. Включал методом присоединения руками проводка к аккумулятору 4.1 В, отсюда двойное вкл-выкл (жёлтый график).
Светодиоды бы не моргнули. Но я и светодиод подключил. Притом, без резистора. Не моргнул. На всякий случай перевернул и снова включил. Опять не моргнул.

Шумы на синем - потерял крокодил :(, масса берётся с другого щупа...

Изображение


Вернуться наверх
 
Не в сети
 Заголовок сообщения: Re: Управление байпасом с одного пина
СообщениеДобавлено: Ср июн 01, 2022 15:28:32 
Говорящий с текстолитом
Аватар пользователя

Карма: 18
Рейтинг сообщений: 233
Зарегистрирован: Пт дек 10, 2021 12:48:46
Сообщений: 1531
Откуда: Тюмень
Рейтинг сообщения: 0
не притяжка 12 не помогает

Нужно просто понять для чего предназначен тот или иной вывод микросхемы и как это работает… вывод ОЕ переводит все выходы регистра хранения (Q0 – Q7) в высокоимпедансное состояние (высокоомное состояние) не зависимо от того какие уровни в нём хранятся… таким образом, если не произвести сброс триггеров сдвигового регистра путём подачи лог 0 на вывод 10 или путём стандартной записи лог 0 во все 8 триггеров данного регистра, то при восстановлении состояния вывода ОЕ (отключение высокоомного состояния), на выводах регистра хранения появятся те состояния которые были ранее записаны, то есть те уровни которые присутствуют на выходе триггеров регистра сдвига…
Вывод 12 служит для разрешения записи значений триггеров регистра сдвига в регистр хранения.
Вывод 10 служит для сброса триггеров регистра сдвига. Так вот пока вывод 12 подтянут к земле, ничего в регистр хранения не попадёт, тем самым на выходах регистра хранения присутствуют лог 0. В это же время с помощью RC цепочки на выводе 10, необходимо организовать лог 0 для осуществления сброса триггеров регистра сдвига. И если это сделать правильно, то при появлении от МК на выводе 12 лог 1 произойдёт разрешение записи от регистра сдвига уровней в регистр хранения, который в свою очередь выдаст эти значения на выходы Q0 – Q7. Если же сброс не произвести корректно, то те состояния, которые были ранее в сдвиговом регистре будут записаны в регистр хранения.
Вывод такой: если при подаче питания с подтяжкой вывода 12 появляются высокие уровни на выходе, то значит, или необходимо уменьшить номинал резистора вывода 12, или сброса триггеров не происходит.
Вначале необходимо определить, а происходит ли сброс триггеров – правильно ли выбраны номиналы RC цепочки. Если сброс происходит, то затем уже пробовать понижать номинал резистора вывода 12, для установления необходимого уровня запрета.


Вернуться наверх
 
Не в сети
 Заголовок сообщения: Re: Управление байпасом с одного пина
СообщениеДобавлено: Ср июн 01, 2022 15:41:39 
Друг Кота

Карма: 67
Рейтинг сообщений: 1964
Зарегистрирован: Сб дек 18, 2021 19:25:32
Сообщений: 12867
Рейтинг сообщения: 0
Всё верно, но что-то у меня подозрения, что здесь иная причина. Поискав в гугле подобные случаи, обнаружил, что они встречаются, иногда. И методы решения примерно такие же, то это, то то... но не помогает.


Вернуться наверх
 
Не в сети
 Заголовок сообщения: Re: Управление байпасом с одного пина
СообщениеДобавлено: Ср июн 01, 2022 16:22:46 
Говорящий с текстолитом
Аватар пользователя

Карма: 18
Рейтинг сообщений: 233
Зарегистрирован: Пт дек 10, 2021 12:48:46
Сообщений: 1531
Откуда: Тюмень
Рейтинг сообщения: 0
Если не помогает всё то что я описал выше, то можно исправить это программно… естественно при наличии дополнительной свободной ноги МК. То есть, вывод 13 (ОЕ) подтянуть через резистор к положительной шине питания… в момент подачи питания будет осуществлено Z состояние выходов… после инициализации МК стандартным способом загружаем в регистр байт равный нулю и только после этого подтягиваем вывод 13 к земле с помощью вывода МК… тем самым отключая Z состояние и получаем требуемый результат. На всех выходах 0.


Вернуться наверх
 
Не в сети
 Заголовок сообщения: Re: Управление байпасом с одного пина
СообщениеДобавлено: Сб июн 04, 2022 09:57:41 
Сверлит текстолит когтями
Аватар пользователя

Зарегистрирован: Пт авг 05, 2016 04:47:49
Сообщений: 1123
Рейтинг сообщения: 0
Изображение


отдельным пином блочить очень бы не хотелось
будет 4 платы одна с мк и 3 с 595

резистор 10к
конденсатор 100мкф


Вернуться наверх
 
Не в сети
 Заголовок сообщения: Re: Управление байпасом с одного пина
СообщениеДобавлено: Сб июн 04, 2022 14:39:42 
Друг Кота

Карма: 67
Рейтинг сообщений: 1964
Зарегистрирован: Сб дек 18, 2021 19:25:32
Сообщений: 12867
Рейтинг сообщения: 0
Значительно проще приобрести регистры, где нет такой проблемы. А эти использовать там, где подобное поведение несущественно.


Вернуться наверх
 
Не в сети
 Заголовок сообщения: Re: Управление байпасом с одного пина
СообщениеДобавлено: Ср июн 08, 2022 10:28:13 
Сверлит текстолит когтями
Аватар пользователя

Зарегистрирован: Пт авг 05, 2016 04:47:49
Сообщений: 1123
Рейтинг сообщения: 0
да где я на али буду выбирать то их
купил 100шт разом

поставил кондёр на 1500 мкф никаких изменений думал ёмкости мало
подключил осцылограф на конденсатор и при подаче питания на конденсаторе 0 и в этот момент происходит вспышка на всех выходах
потом конденсатор заряжается примерно 70 сек
после подачи питания данные на выходах появляются примерно через 13 сек

Добавлено after 16 minutes 28 seconds:
может на стороне мк поставить транзистор в разрыв питания плюса или минуса 595 и отдать один пин который будет давать задержку транзистор на 5 сек ?

Добавлено after 26 minutes 7 seconds:
в общем заработало
вернулся к прежней схеме на ОЕ и поставил там 1500мкф
теперь при включении выхода начинают работать после 10 сек
видимо 100 мкф мало было


Вернуться наверх
 
Не в сети
 Заголовок сообщения: Re: Управление байпасом с одного пина
СообщениеДобавлено: Ср июн 08, 2022 13:29:59 
Друг Кота

Карма: 67
Рейтинг сообщений: 1964
Зарегистрирован: Сб дек 18, 2021 19:25:32
Сообщений: 12867
Рейтинг сообщения: 0
а я вот не покупаю на али. и не советовал выбирать на али. кроме али есть ещё магазины.
но да, можно иди и странным, 10-секундным путём... и кажется мне, что дело не в 595. Все переходные процессы - единицы в худшем случае, десятки миллисекунд.


Вернуться наверх
 
Не в сети
 Заголовок сообщения: Re: Управление байпасом с одного пина
СообщениеДобавлено: Ср июн 08, 2022 15:48:42 
Сверлит текстолит когтями
Аватар пользователя

Зарегистрирован: Пт авг 05, 2016 04:47:49
Сообщений: 1123
Рейтинг сообщения: 0
кстати вероятно да
я использовал 5 вывод как sck вроде на есп32 а он как помнится при загрузке выдаёт 1 на выходе кратковременно
завтра попробую поменять его


Вернуться наверх
 
Показать сообщения за:  Сортировать по:  Вернуться наверх
Начать новую тему Ответить на тему  [ Сообщений: 50 ]    , 2,  

Часовой пояс: UTC + 3 часа


Кто сейчас на форуме

Сейчас этот форум просматривают: нет зарегистрированных пользователей и гости: 16


Вы не можете начинать темы
Вы не можете отвечать на сообщения
Вы не можете редактировать свои сообщения
Вы не можете удалять свои сообщения
Вы не можете добавлять вложения

Найти:
Перейти:  


Powered by phpBB © 2000, 2002, 2005, 2007 phpBB Group
Русская поддержка phpBB
Extended by Karma MOD © 2007—2012 m157y
Extended by Topic Tags MOD © 2012 m157y