Например TDA7294

Форум РадиоКот • Просмотр темы - Терморегулятор на микроконтроллере PIC16F84 датчикe DS18B20
Форум РадиоКот
Здесь можно немножко помяукать :)

Текущее время: Чт ноя 27, 2025 18:37:21

Часовой пояс: UTC + 3 часа


ПРЯМО СЕЙЧАС:



Начать новую тему Ответить на тему  [ Сообщений: 1950 ]     ... , , , 43, , , ...  
Автор Сообщение
Не в сети
 Заголовок сообщения: Re: Терморегулятор на микроконтроллере PIC16F84 датчикe DS18
СообщениеДобавлено: Чт апр 14, 2011 17:02:03 
Друг Кота

Карма: 33
Рейтинг сообщений: 213
Зарегистрирован: Ср окт 14, 2009 10:37:49
Сообщений: 3956
Откуда: Украина
Рейтинг сообщения: 0
serg-serg писал(а):
Индикатор у меня 4 разряда.
Может это упростит задачу?

Ясно. Думал, что три, ведь за основу брался Termometr_v8.1_Cool_CC?
На 4-ый разряд выводить какой-нибудь символ? А под данные три знака? Если температура больше 99,9 или ниже -9,9 то индикация без десятых? Где-то в теме был и такой вариант.


Вернуться наверх
 
Не в сети
 Заголовок сообщения: Re: Терморегулятор на микроконтроллере PIC16F84 датчикe DS18
СообщениеДобавлено: Чт апр 14, 2011 18:10:12 
Родился

Зарегистрирован: Ср апр 13, 2011 23:02:48
Сообщений: 16
Рейтинг сообщения: 0
если можно задействовать 4сегмента и это не сложно, пусть будет с десятыми всегда

так возможно?:
при программировании выбираем кнпой МОДЕ по кругу

-PWM-гипертезисPWM-BLOCK-гипертезисBLOCK-ТЕКУЩАЯ t.-
выводить на 4 разряд символ не обязательно

вывод подошел бы такой(чтобы десятые были постоянно и всегда в 4-м сегменте, первые ноли выводить не нужно и подчеривания когда T<100c) :
__1,5
_37,9
117,4


Вернуться наверх
 
Не в сети
 Заголовок сообщения: Re: Терморегулятор на микроконтроллере PIC16F84 датчикe DS18
СообщениеДобавлено: Чт апр 14, 2011 18:28:13 
Друг Кота

Карма: 33
Рейтинг сообщений: 213
Зарегистрирован: Ср окт 14, 2009 10:37:49
Сообщений: 3956
Откуда: Украина
Рейтинг сообщения: 0
serg-serg писал(а):
...вывод подошел бы такой(чтобы десятые были постоянно и всегда в 4-м сегменте, первые ноли выводить не нужно и подчеривания когда T<100c) :
__1,5
_37,9
117,4

Не все понял с подчеркиванием. Ну да ладно, потом разберемся. Я че-то сваяю, а потом обсудим, что не так. Принципиальная схема меняться не будет. В том проекте, что я выкладывал пару постов назад дорисуйте 4-ый транзистор, на его базу сигнал будет поступать с вывода 2 МК.


Вернуться наверх
 
Не в сети
 Заголовок сообщения: Re: Терморегулятор на микроконтроллере PIC16F84 датчикe DS18
СообщениеДобавлено: Чт апр 14, 2011 18:40:07 
Родился

Зарегистрирован: Ср апр 13, 2011 23:02:48
Сообщений: 16
Рейтинг сообщения: 0
**5.9
*15.3
115.7

чтобы точка десятых всегда была в третьем сегменте
десятые в четвертом(там где * - это индикатор выключен, 0 отображать не нужно)

можно сделать так?:
при нажатии MODE
и устанвке PWM мигает точка первого сегмента
и устанвке ГИПЕРТЕЗИС_PWM мигает точка первого и 4 сегмента
и устанвке параметров BLOCK мигает точка второго сегмента
и устанвке ГИПЕРТЕЗИС_BLOCK мигает точка второго и 4 сегмента

если PWM лоическая 1: мигает точка первого разряда
если BLOCK лоическая 1: мигает точка ВТОРОГО разряда
если везде логический 0: точка первого и второго разряда не светится
если везде логическая 1: мигает точка и первого и второго разряда

С учетом вашего опыта вы можете посоветовать и свой вариант, если мой вариант вам кажется неоптимальным.


Вернуться наверх
 
Эиком - электронные компоненты и радиодетали
Не в сети
 Заголовок сообщения: Re: Терморегулятор на микроконтроллере PIC16F84 датчикe DS18
СообщениеДобавлено: Чт апр 14, 2011 20:24:38 
Друг Кота

Карма: 33
Рейтинг сообщений: 213
Зарегистрирован: Ср окт 14, 2009 10:37:49
Сообщений: 3956
Откуда: Украина
Рейтинг сообщения: 0
serg-serg писал(а):
...можно сделать так?... вы можете посоветовать и свой вариант, если мой вариант вам кажется неоптимальным.

Начнем делать - посмотрим. Что касается прошивки, всегда можно поправить.
Что касается железа, если Вы еще не начали паять или рисовать печатку, предлагаю некоторые изменения в схему. Собственно изменить назначение выводов МК. Так, как разрядов стало четыре, я переназначил выводы. С точки зрения прошивки это абсолютно все равно. Так эстетичней и только. Практически же, назначение выводов можно изменить для удобства разводки печатной платы. Только скажите как Вам удобнее.


Вложения:
Termo.zip [17.94 KiB]
Скачиваний: 373
Вернуться наверх
 
Не в сети
 Заголовок сообщения: Re: Терморегулятор на микроконтроллере PIC16F84 датчикe DS18
СообщениеДобавлено: Чт апр 14, 2011 20:43:27 
Родился

Зарегистрирован: Ср апр 13, 2011 23:02:48
Сообщений: 16
Рейтинг сообщения: 0
Печатки пока нет. На макетке делаю. По этому пусть будет так как вы нарисовали в предидущем сообщении.


Вернуться наверх
 
Не в сети
 Заголовок сообщения: Re: Терморегулятор на микроконтроллере PIC16F84 датчикe DS18
СообщениеДобавлено: Чт апр 14, 2011 22:17:30 
Друг Кота

Карма: 33
Рейтинг сообщений: 213
Зарегистрирован: Ср окт 14, 2009 10:37:49
Сообщений: 3956
Откуда: Украина
Рейтинг сообщения: 0
Вот первый вариант. Проверьте, все ли я правильно понял по логике работы устройства. Изменил названия PWM на OUT_1, а BLOCK на OUT_2, так как старые названия не отражали сущности. Но это чистая косметика.
По индикации сделал как Вы описывали. Попробуйте, насколько это удобно.
И погоняйте во всех режимах, у меня не хватило терпения, может где ошибся.


Вложения:
Termometr_v8.3_Cool_CC.zip [21.01 KiB]
Скачиваний: 368
Вернуться наверх
 
Не в сети
 Заголовок сообщения: Re: Терморегулятор на микроконтроллере PIC16F84 датчикe DS18
СообщениеДобавлено: Чт апр 14, 2011 22:34:09 
Родился

Зарегистрирован: Ср апр 13, 2011 23:02:48
Сообщений: 16
Рейтинг сообщения: 0
Предварительно поганял. Все вроде ok. Эту прошивку в PIC можно пробовать залить и тестировать на макете?

пожелание только :

если OUT1 лоическая 1: мигает точка первого разряда
если OUT2 лоическая 1: мигает точка ВТОРОГО разряда
если везде логический 0: точка первого и второго разряда не светится
если везде логическая 1: мигает точка и первого и второго разряда


Вернуться наверх
 
Не в сети
 Заголовок сообщения: Re: Терморегулятор на микроконтроллере PIC16F84 датчикe DS18
СообщениеДобавлено: Пт апр 15, 2011 05:07:52 
Электрический кот
Аватар пользователя

Карма: 10
Рейтинг сообщений: 22
Зарегистрирован: Чт ноя 25, 2010 16:58:42
Сообщений: 1056
Откуда: Средний Урал
Рейтинг сообщения: 0
to serg-serg: пока работаешь на макетке, предлагаю изменить схему подключения катодов индикатора на другую, без резисторов и на прямых транзисторах. Инвертирование выходов МК не требуется.


Вложения:
Безымянный.png [4.08 KiB]
Скачиваний: 611
Вернуться наверх
 
Не в сети
 Заголовок сообщения: Re: Терморегулятор на микроконтроллере PIC16F84 датчикe DS18
СообщениеДобавлено: Пт апр 15, 2011 06:20:20 
Друг Кота

Карма: 33
Рейтинг сообщений: 213
Зарегистрирован: Ср окт 14, 2009 10:37:49
Сообщений: 3956
Откуда: Украина
Рейтинг сообщения: 0
serg-serg писал(а):
Эту прошивку в PIC можно пробовать залить и тестировать на макете?

Да.
serg-serg писал(а):
пожелание только...

Этот момент я как-то упустил. Во вложении новая прошивка. Мигание точек, как я понял, должно быть только в режиме отображения текущей температуры? В режиме установки свои мигалки.
nvz писал(а):
...предлагаю изменить схему подключения катодов индикатора на другую, без резисторов и на прямых транзисторах...

Лично мне это не нравится...


Вложения:
Termometr.zip [2.93 KiB]
Скачиваний: 325
Вернуться наверх
 
Не в сети
 Заголовок сообщения: Re: Терморегулятор на микроконтроллере PIC16F84 датчикe DS18
СообщениеДобавлено: Пт апр 15, 2011 08:34:43 
Электрический кот
Аватар пользователя

Карма: 10
Рейтинг сообщений: 22
Зарегистрирован: Чт ноя 25, 2010 16:58:42
Сообщений: 1056
Откуда: Средний Урал
Рейтинг сообщения: 0
Soir писал(а):
Лично мне это не нравится...

На вкус и на цвет... У меня такая схема уже в 6 конструкциях, проблем никаких...
А с другой стороны - моё дело предложить, его дело отказаться, хозяин-барин.


Вернуться наверх
 
Не в сети
 Заголовок сообщения: Re: Терморегулятор на микроконтроллере PIC16F84 датчикe DS18
СообщениеДобавлено: Пт апр 15, 2011 08:49:22 
Родился

Зарегистрирован: Ср апр 13, 2011 23:02:48
Сообщений: 16
Рейтинг сообщения: 0
Soir писал(а):
Мигание точек, как я понял, должно быть только в режиме отображения текущей температуры? В режиме установки свои мигалки.

Да. В режиме настройки температуры мигалки должны показывать точками как и раньше какой имнно параметр меняем в данный момент.

Если в прошивке выводы уже инвертированы - то смысла менять на прямые транзисторы ведь нет? Смысл был раньше до того как инверсию сделали. Была бы универсальная прошивка и под резистор и под ключ на транзисторе. Верно? Но для меня не проблема 4транзистора поставить. Тем более это для pic только лучше. А инверсия насколько я понимаю не требует полной переделки пошивки. Это достаточно не сложно реалезуемая в прошивке процедура.
Тестирую последнюю прошивку сейчас на компе. Потом попробую на макете. Спасибо за быструю помощь.


Вернуться наверх
 
Не в сети
 Заголовок сообщения: Re: Терморегулятор на микроконтроллере PIC16F84 датчикe DS18
СообщениеДобавлено: Пт апр 15, 2011 09:10:09 
Электрический кот
Аватар пользователя

Карма: 10
Рейтинг сообщений: 22
Зарегистрирован: Чт ноя 25, 2010 16:58:42
Сообщений: 1056
Откуда: Средний Урал
Рейтинг сообщения: 0
serg-serg писал(а):
Если в прошивке выводы уже инвертированы - то смысла менять на прямые транзисторы ведь нет? Смысл был раньше до того как инверсию сделали.

Воистину глаголешь :)) , ставь обратные с резисторами.


Вернуться наверх
 
Не в сети
 Заголовок сообщения: Re: Терморегулятор на микроконтроллере PIC16F84 датчикe DS18
СообщениеДобавлено: Пт апр 15, 2011 10:00:37 
Друг Кота

Карма: 33
Рейтинг сообщений: 213
Зарегистрирован: Ср окт 14, 2009 10:37:49
Сообщений: 3956
Откуда: Украина
Рейтинг сообщения: 0
serg-serg писал(а):
...Если в прошивке выводы уже инвертированы - то смысла менять на прямые транзисторы ведь нет?...

Во-первых, давайте перейдем на технические термины. Под "прямыми", я так понимаю, подразумеваются транзисторы p-n-p. В прошивке выходы сделаны под транзисторы n-p-n именно в таком включении, как на схеме (Схема включения с общим эмиттером. Такой каскад является инвертирующим. Усиливает и ток, и напряжение). Вариант включения, который предлагает nvz - эмиттерные повторители (Схема с общим коллектором. Сигнал подвергается усилению только по току, без инверсии.), для них надо менять сигналы с МК. Процедура инвертирования в программе действительно простая, изменить две строчки кода. Если надо, я сделаю.


Вернуться наверх
 
Не в сети
 Заголовок сообщения: Re: Терморегулятор на микроконтроллере PIC16F84 датчикe DS18
СообщениеДобавлено: Пт апр 15, 2011 10:56:53 
Электрический кот
Аватар пользователя

Карма: 10
Рейтинг сообщений: 22
Зарегистрирован: Чт ноя 25, 2010 16:58:42
Сообщений: 1056
Откуда: Средний Урал
Рейтинг сообщения: 0
Правильно, давайте разберёмся. В нормальной схеме с индикаторами с общим коллектором на общий вывод индикатора подаётся минус с выхода МК при прямом включении. При установке обратных транзисторов выходы МК необходимо инвертировать, т.к. транзисторы n-p-n открываются плюсом. В моей схеме инвертировать выхода МК не надо (по отношению к прямому включению).


Кажись мы говорим об одном и том-же...

Одним словом, если с МК на индикатор подаются единички и нолики (активные) - выход прямой, если только единички или нолики - значит есть инверсия.


Последний раз редактировалось nvz Пт апр 15, 2011 11:17:54, всего редактировалось 1 раз.

Вернуться наверх
 
Не в сети
 Заголовок сообщения: Re: Терморегулятор на микроконтроллере PIC16F84 датчикe DS18
СообщениеДобавлено: Пт апр 15, 2011 11:17:30 
Родился

Зарегистрирован: Ср апр 13, 2011 23:02:48
Сообщений: 16
Рейтинг сообщения: 0
По схеме пока все понятно. Под эту прошивку ставлю NPN с с резистором 1к между базой и контроллером.

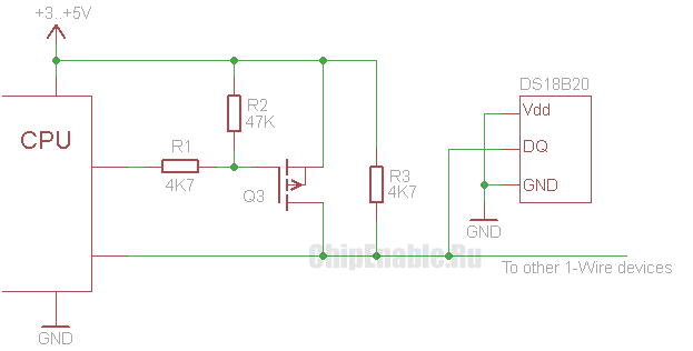
К датчику проложен 2-х проводный кабель. Хочу поменять подключение датчика по схеме в аттаче. Контроллеру всеравно по 2-м или по 3-м подключен датчик?

На 80% данный вариант прошивки удовлетворяет. Основные функции уже должны работать хорошо.

Управляет 2 вентиляторами.

Есть еще вопрос: У контороллера я так понял уже управляющие выводы аналогичные по функциям 15,16 уже все заняты?
Можно ли сделать вывод еще OUT3 для индикации аварийных ситуаций. Если температура выше XX градусов на выход подать логческую еденицу(сделать такой же вариант программирования как OUT1 OUT2). (я бы сделал там звуковую индикацию перегрева). Можно вывод 4pic под такое задействовать? (А включение OUT1 тогда я бы реализовал аппаратно)

Есть конечно желание иметь ШИМ вместо On-OFF на OUT1 хотябы. Но это я так понимаю сложная задача. Или есть какието стандартные ШИМ готовые?


Вложения:
2-podkluchenie-ds18b20-ds18s20.png [5.33 KiB]
Скачиваний: 613


Последний раз редактировалось serg-serg Пт апр 15, 2011 11:36:09, всего редактировалось 2 раз(а).
Вернуться наверх
 
Не в сети
 Заголовок сообщения: Re: Терморегулятор на микроконтроллере PIC16F84 датчикe DS18
СообщениеДобавлено: Пт апр 15, 2011 11:19:22 
Держит паяльник хвостом
Аватар пользователя

Карма: 19
Рейтинг сообщений: 152
Зарегистрирован: Ср мар 03, 2010 11:48:00
Сообщений: 999
Откуда: Уфа
Рейтинг сообщения: 0
nvz писал(а):
Правильно, давайте разберёмся.
...Одним словом, если с МК на индикатор подаются единички и нолики - выход прямой, если только единички или нолики - значит есть инверсия.

:))) Мне это нравится!


Вернуться наверх
 
Не в сети
 Заголовок сообщения: Re: Терморегулятор на микроконтроллере PIC16F84 датчикe DS18
СообщениеДобавлено: Пт апр 15, 2011 11:27:34 
Электрический кот
Аватар пользователя

Карма: 10
Рейтинг сообщений: 22
Зарегистрирован: Чт ноя 25, 2010 16:58:42
Сообщений: 1056
Откуда: Средний Урал
Рейтинг сообщения: 0
По двум проводам: крайние ножки датчика соединяешь вместе и на минус, средний оставляешь как есть, возможно придётся скорректировать резистор с плюса на вход.
Вентиляторы постоянного напряжения? ШИМ - здесь только управление выходным силовым транзистором.
Q3 для чего?


Вернуться наверх
 
Не в сети
 Заголовок сообщения: Re: Терморегулятор на микроконтроллере PIC16F84 датчикe DS18
СообщениеДобавлено: Пт апр 15, 2011 11:34:57 
Электрический кот
Аватар пользователя

Карма: 10
Рейтинг сообщений: 22
Зарегистрирован: Чт ноя 25, 2010 16:58:42
Сообщений: 1056
Откуда: Средний Урал
Рейтинг сообщения: 0
to Хатуль_мадан:
а вот попробуй проще объяснить! :)))
Кстати, сделал ШИМ на вентилятор? Я у себя соорудил - нравится до не могу! Поставил 90-87 градусов, ещё на полную мощность не включался....


Вернуться наверх
 
Не в сети
 Заголовок сообщения: Re: Терморегулятор на микроконтроллере PIC16F84 датчикe DS18
СообщениеДобавлено: Пт апр 15, 2011 11:40:53 
Родился

Зарегистрирован: Ср апр 13, 2011 23:02:48
Сообщений: 16
Рейтинг сообщения: 0
nvz писал(а):
По двум проводам: крайние ножки датчика соединяешь вместе и на минус, средний оставляешь как есть, возможно придётся скорректировать резистор с плюса на вход.

можно без полевика делать и должно работать? Резистор скорее всего в сторону уменьшения корректировать если будут проблемы?

Два вентилятора. Питание постоянное 12вольт. Можно было бы полевой транзистор на выход поставить если шим возможно реализовать.


Вернуться наверх
 
Показать сообщения за:  Сортировать по:  Вернуться наверх
Начать новую тему Ответить на тему  [ Сообщений: 1950 ]     ... , , , 43, , , ...  

Часовой пояс: UTC + 3 часа


Кто сейчас на форуме

Сейчас этот форум просматривают: нет зарегистрированных пользователей и гости: 11


Вы не можете начинать темы
Вы не можете отвечать на сообщения
Вы не можете редактировать свои сообщения
Вы не можете удалять свои сообщения
Вы не можете добавлять вложения

Найти:
Перейти:  


Powered by phpBB © 2000, 2002, 2005, 2007 phpBB Group
Русская поддержка phpBB
Extended by Karma MOD © 2007—2012 m157y
Extended by Topic Tags MOD © 2012 m157y