Велокомпьютер
Велокомпьютер
Велокомпьютер.
На Атмеге128-16 AU, экран от Нокии3410 (с самодельной подсветкой), потребление 10мА(1,5 в выключенном(спит...)).
Собирается в корпус от мобильника Нокии5300.
Замер скорости, частоты вращения педалей, времени наезда, расстояния, температуры, напряжения, запись скорости и вывод в виде графика на 35мин, опредление и индикация положения переключателей, часы - будильник(для контроля времени заряжания), спорт режимы(запись результата - 25 шт.), журнал поездок(по дням) на 1 год, одометр...
Исходник (начальный) на Си - prototyps.с .
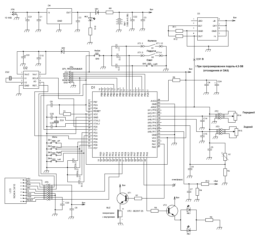
Принцип. схема, прошивка, описание, паспор, инструкция... - http://slil.ru/26641405
Начальная программа(на Cи и прошивка), выводит скорость и каденс, температуру, напряжение. Дана как базовая под эту принцип. схему (там же).
Тех доки и вспомог. литература - http://slil.ru/25648824
При прошивке (в Понипрог, например) галочка только на разрешение последовательного програмирование ( обязательно!).
Посмотрите, почитайте, может где чего попутал или забыл.
Я ещё допишу, кой чего попозже...
))))
Затраты и расходы.
-Атмега 128 - 16 ау - 150руб (Микроника, С-Пб)
-ДС1302 -60руб (Мегаэлектроника, С-Пб)
-ЖКИ 3410 - 140руб (SLK - Service, С-Пб)
- Аккумулятор ~200руб.
- корпус - 200руб(рынок "Юнона", С-Пб)
Всё остальное ~250руб.
Затраты... ну... пару дней точно...))
На Атмеге128-16 AU, экран от Нокии3410 (с самодельной подсветкой), потребление 10мА(1,5 в выключенном(спит...)).
Собирается в корпус от мобильника Нокии5300.
Замер скорости, частоты вращения педалей, времени наезда, расстояния, температуры, напряжения, запись скорости и вывод в виде графика на 35мин, опредление и индикация положения переключателей, часы - будильник(для контроля времени заряжания), спорт режимы(запись результата - 25 шт.), журнал поездок(по дням) на 1 год, одометр...
Исходник (начальный) на Си - prototyps.с .
Принцип. схема, прошивка, описание, паспор, инструкция... - http://slil.ru/26641405
Начальная программа(на Cи и прошивка), выводит скорость и каденс, температуру, напряжение. Дана как базовая под эту принцип. схему (там же).
Тех доки и вспомог. литература - http://slil.ru/25648824
При прошивке (в Понипрог, например) галочка только на разрешение последовательного програмирование ( обязательно!).
Посмотрите, почитайте, может где чего попутал или забыл.
Я ещё допишу, кой чего попозже...
))))
Затраты и расходы.
-Атмега 128 - 16 ау - 150руб (Микроника, С-Пб)
-ДС1302 -60руб (Мегаэлектроника, С-Пб)
-ЖКИ 3410 - 140руб (SLK - Service, С-Пб)
- Аккумулятор ~200руб.
- корпус - 200руб(рынок "Юнона", С-Пб)
Всё остальное ~250руб.
Затраты... ну... пару дней точно...))
- Вложения
-
- BicyComp.jpg
- (20.86 КБ) 2572 скачивания
Последний раз редактировалось MetEl Пт фев 13, 2009 16:03:09, всего редактировалось 5 раз.
- Реклама
moLCHec писал(а):нахрена мега 128 все вышеперечисленное на м8 можно зделать, на крайняк м16
Почему, можно.
Только без журнала поездок (на год), без 35 минутной записи (для норматива).
И когда 3-и прерывания по 10 мСек и + одно по 1мСек, и ещё два прерывания по колесу и педалям, требуется производительность (производная от быстродействя) возможная на частоте не менее 10МГц.
И непольшое количество "ПЗУ" не позволит осуществить многообразие режимов и удобность(пользования) менюшек.
Используя приложенную образцовую програмку (на Си) можно. Только как спидометр ну часы ещё...
Да.. ещё четыре канала АЦП... время онимают.
- Реклама
- mr.Kirill
- Мучитель микросхем
- Сообщения: 438
- Зарегистрирован: Вт сен 25, 2007 19:40:26
- Откуда: Челябинск
Мне то что переживать?moLCHec писал(а):mr.Kirill
НЕ переживай нада будет сделаю и с нуля, и с еденицы.
Я и не такое делал.
Просто не понимаю, человек сделал устройство, выложил на обзор, а на него начинаются "нападки", какая Вам то разница на чем он сделал?
Если хочется критиковать, так давайте уж более конструктивную критику.
Re: Велокомпьютер
[quote="MetEl"]Велокомпьютер.
Посмотрите, почитайте, может где чего попутал или забыл.
Я ещё допишу, кой чего попозже...
quote]
Солидная разработка. Молодец! Извини за наглость, но не поделишься рисунком печатной платы?
Посмотрите, почитайте, может где чего попутал или забыл.
Я ещё допишу, кой чего попозже...
quote]
Солидная разработка. Молодец! Извини за наглость, но не поделишься рисунком печатной платы?
- Krazy_killer
- Мучитель микросхем
- Сообщения: 415
- Зарегистрирован: Сб апр 22, 2006 15:22:31
- Откуда: Киренск[38] / Воронеж[36]
- Контактная информация:
- Krazy_killer
- Мучитель микросхем
- Сообщения: 415
- Зарегистрирован: Сб апр 22, 2006 15:22:31
- Откуда: Киренск[38] / Воронеж[36]
- Контактная информация:
на счет алгоритма спасибо, обязательно учту. сейчас пойду детали заказывать, а то с СМД микрухами в городе туговато.
попробую базовый вариант собрать потом уже апгрейдить начну.
уже придумал конструктив куда и как крепить, осталось тока по деталям пересчитать габариты
на питание буду использовать акб CASIL 6в 4.5Ач
если динамоаппарат найду то будет и зарядка к АКБ у меня.
попробую базовый вариант собрать потом уже апгрейдить начну.
уже придумал конструктив куда и как крепить, осталось тока по деталям пересчитать габариты
на питание буду использовать акб CASIL 6в 4.5Ач
если динамоаппарат найду то будет и зарядка к АКБ у меня.
- Krazy_killer
- Мучитель микросхем
- Сообщения: 415
- Зарегистрирован: Сб апр 22, 2006 15:22:31
- Откуда: Киренск[38] / Воронеж[36]
- Контактная информация:
- Krazy_killer
- Мучитель микросхем
- Сообщения: 415
- Зарегистрирован: Сб апр 22, 2006 15:22:31
- Откуда: Киренск[38] / Воронеж[36]
- Контактная информация:
не как не пойму назначение MAX884CSA, для чего тако дорогой (160р)регулятор тут? только ради запитки потенциометров положения переключателей скоростей?(может тогда выгоднее от 5в через пару диодов в послед запитать?)
- Вложения
-
- BC_by_atMega128.gif
- (33.28 КБ) 1339 скачиваний
ПОЗВОЛЬТЕ!
Где написано - МAX884CSA.
За 160 р. да яб не применял такую!!! Вы что! 15-20руб!
MAХ884 или любой аналогичный линейный регулятор напряжения.
Прямой и постоянный ток выделенный красным цветом, создаёт постоянное потребление энергии. И так большое энергопотребление - 10мА заставляет заряжать ВК раз в неделю. А хотелось бы по реже.
Номинал перем. резисторов выбирался таким, чтоб качественно(ну в смысле , чтоб ошибки и погрешность были наименьшими) измерять положение переключателей и не расходовать, пропуская при этом через себя, большой ток( и не закоротить на массу в крайнем положении...). Ведь даже в режиме сна, перем. рез. все равно потребляют!
Всё остальное рассписано в описании.
Где написано - МAX884CSA.
За 160 р. да яб не применял такую!!! Вы что! 15-20руб!
MAХ884 или любой аналогичный линейный регулятор напряжения.
Прямой и постоянный ток выделенный красным цветом, создаёт постоянное потребление энергии. И так большое энергопотребление - 10мА заставляет заряжать ВК раз в неделю. А хотелось бы по реже.
Номинал перем. резисторов выбирался таким, чтоб качественно(ну в смысле , чтоб ошибки и погрешность были наименьшими) измерять положение переключателей и не расходовать, пропуская при этом через себя, большой ток( и не закоротить на массу в крайнем положении...). Ведь даже в режиме сна, перем. рез. все равно потребляют!
Всё остальное рассписано в описании.
- Вложения
-
- Пречень.jpg
- на 5В вариант.
- (33.75 КБ) 1081 скачивание
-
- протекание-тока.jpg
- (20.85 КБ) 1068 скачиваний
Последний раз редактировалось MetEl Ср май 28, 2008 13:51:49, всего редактировалось 1 раз.
Если вам не нужно замерять Uпит. Можете создавать Uопорное простым делителем.
D3 нет, R11 и R12 по 10КОм. Один на Uпит, другой на массу(общ.) их соединение на AREF(ножка62) D1.
При изменениях Uпит, в процессе эксплуатации, на вход МК будет всегда, подаваться половина напряжения (величина которого входит в допустимый диапазаон МК) как опроное пля АЦП. А значит и замеры и индикация знчений всех входов АЦП будет постояннам и правильным.
Т.е. положения переключателей и температура, но индикация напряжение будет всё время одно и тоже.
D3 нет, R11 и R12 по 10КОм. Один на Uпит, другой на массу(общ.) их соединение на AREF(ножка62) D1.
При изменениях Uпит, в процессе эксплуатации, на вход МК будет всегда, подаваться половина напряжения (величина которого входит в допустимый диапазаон МК) как опроное пля АЦП. А значит и замеры и индикация знчений всех входов АЦП будет постояннам и правильным.
Т.е. положения переключателей и температура, но индикация напряжение будет всё время одно и тоже.



