Как ввести регулировку по току?
- norman63
- Открыл глаза
- Сообщения: 67
- Зарегистрирован: Вс мар 29, 2009 09:32:52
- Откуда: Москва, Ясенево
Как ввести регулировку по току?
Подскажите как ввести регулировку по току в схему регулируемого импульсного стабилизатора из набора Екит.
Если это вообще возможно.
Вот схема:
http://s48.radikal.ru/i121/0904/71/e56da5e2bf89.gif
Ссылка на модуль на сайте производителя:
http://ekits.ru/cgi-bin/index.pl?kit=0122
Если это вообще возможно.
Вот схема:
http://s48.radikal.ru/i121/0904/71/e56da5e2bf89.gif
Ссылка на модуль на сайте производителя:
http://ekits.ru/cgi-bin/index.pl?kit=0122
Последний раз редактировалось norman63 Ср апр 08, 2009 09:28:13, всего редактировалось 1 раз.
- Borodach
- Модератор
- Сообщения: 22896
- Зарегистрирован: Пн дек 08, 2008 19:28:04
- Откуда: 10км от Москвы на Север
Re: Как ввести регулировку по току?
norman63 писал(а):Подскажите как ввести регулировку по току в схему регулируемого импульсного стабилизатора из набора Екит.
Если это вообще возможно.
Вот схема:
http://ekits.ru/cgi-bin/index.pl?kit=123&sub=1[/img]
Что-то схема не открывается... .
А можно её отдельно выложить...?
- Сэр Мурр
- Модератор
- Сообщения: 11169
- Зарегистрирован: Чт окт 27, 2005 18:50:07
- Откуда: из мест не столь отдалённых
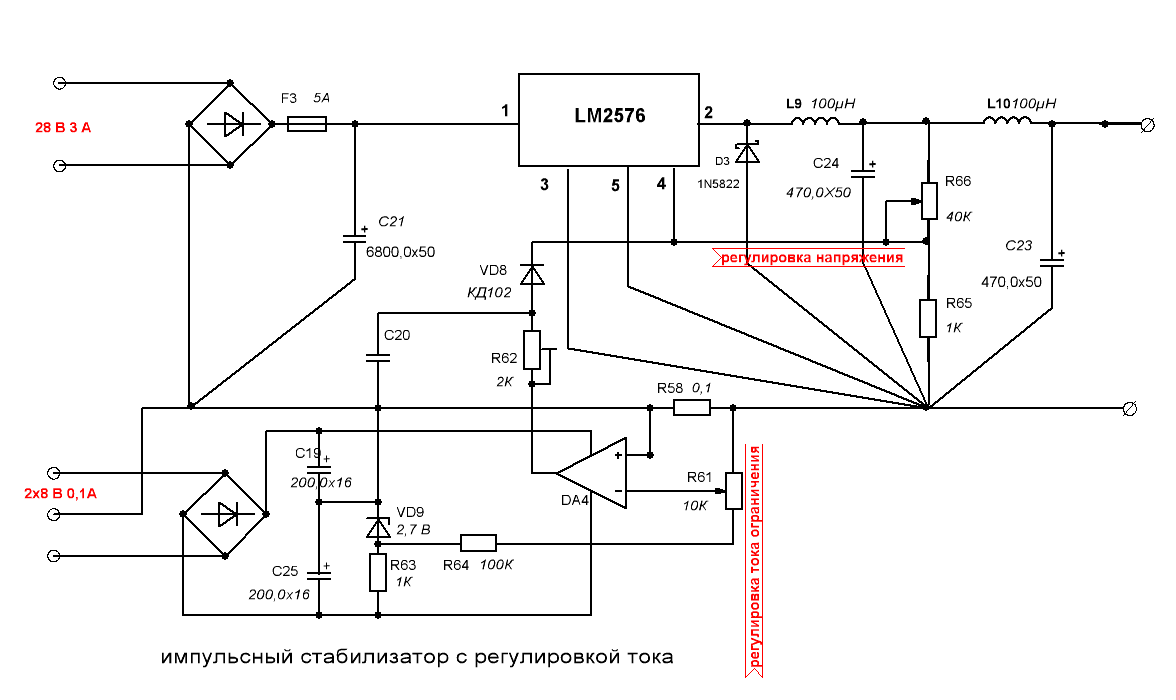
Вот, выкладываю схему с предполагаемой регулирвкой тока.
Давайте будем доводить её совместно.
Давайте будем доводить её совместно.
- Вложения
-
- рег.GIF
- схема в GIF, что б её могли смотреть без устанвки Splan6
- (24.02 КБ) 1875 скачиваний
- norman63
- Открыл глаза
- Сообщения: 67
- Зарегистрирован: Вс мар 29, 2009 09:32:52
- Откуда: Москва, Ясенево
Re: Как ввести регулировку по току?
Borodach писал(а):Что-то схема не открывается... .
А можно её отдельно выложить...?
Вот схема:
http://s48.radikal.ru/i121/0904/71/e56da5e2bf89.gif
Ссылка на модуль на сайте производителя:
http://ekits.ru/cgi-bin/index.pl?kit=0122
В топике тоже исправлено.
- norman63
- Открыл глаза
- Сообщения: 67
- Зарегистрирован: Вс мар 29, 2009 09:32:52
- Откуда: Москва, Ясенево
Да. Нужна плавная регулировка.
Вообще идея такова:
Создать в теме описание модуля плавной регулировки ограничения по току, который сможет изготовить в любительских условиях начинающий.
Модуль должен дополнять промышленный, екитовский EK-2596Module:
http://ekits.ru/cgi-bin/index.pl?kit=0122
по возможности без внесения в EK-2596Module изменений.
P.S. К фирме Екит я не имею совершенно никакого отношения.
Просто хочу собрать более или менее приличный двухканальный стабилизированный регулируемый БП до 40В и 3А с минимальными материальными и трудовыми затратами.
Аналогичные двухканальные готовые блоки, имеющиеся в продаже стоят порядка 6-8 тыс.руб., что, для меня например, дорого.
В схемотехнике я не особо силен. Если будет предложена хорошая простая работоспособная схемка, я разведу платку и выложу.
В результате совместных усилий, думаю, получиться полезный продукт. Который будет интересен многим.
Форумчан прошу поддержать!
Вообще идея такова:
Создать в теме описание модуля плавной регулировки ограничения по току, который сможет изготовить в любительских условиях начинающий.
Модуль должен дополнять промышленный, екитовский EK-2596Module:
http://ekits.ru/cgi-bin/index.pl?kit=0122
по возможности без внесения в EK-2596Module изменений.
P.S. К фирме Екит я не имею совершенно никакого отношения.
Просто хочу собрать более или менее приличный двухканальный стабилизированный регулируемый БП до 40В и 3А с минимальными материальными и трудовыми затратами.
Аналогичные двухканальные готовые блоки, имеющиеся в продаже стоят порядка 6-8 тыс.руб., что, для меня например, дорого.
В схемотехнике я не особо силен. Если будет предложена хорошая простая работоспособная схемка, я разведу платку и выложу.
В результате совместных усилий, думаю, получиться полезный продукт. Который будет интересен многим.
Форумчан прошу поддержать!
Чем могу, помогу...
- Илья79
- Мучитель микросхем
- Сообщения: 429
- Зарегистрирован: Вс июн 29, 2008 13:53:03
- Контактная информация:
так тут же есть стабилизатор тока http://ekits.ru/cgi-bin/index.pl?kit=122&sub=4 только надо до ума довести (сделать плавную регулеровку)
Там на схеме однерка потерялася
Там на схеме однерка потерялася
- norman63
- Открыл глаза
- Сообщения: 67
- Зарегистрирован: Вс мар 29, 2009 09:32:52
- Откуда: Москва, Ясенево
Илья79 писал(а):так тут же есть стабилизатор тока http://ekits.ru/cgi-bin/index.pl?kit=122&sub=4
Имеется в виду на переменном резисторе Р1 50кОм?
Тогда как грамотно скомпоновать с модулем EK-2596Module?
Чем могу, помогу...
- Илья79
- Мучитель микросхем
- Сообщения: 429
- Зарегистрирован: Вс июн 29, 2008 13:53:03
- Контактная информация:
Вот например можно взять за основу вот эту схему имеющюю плавную регулировку по напряжению и току
поменяв стабилизатор на импульсный, получаем просто крассный КПД за малую цену
поменяв стабилизатор на импульсный, получаем просто крассный КПД за малую цену
- Вложения
-
- 5-100.gif
- (13.25 КБ) 1409 скачиваний
- norman63
- Открыл глаза
- Сообщения: 67
- Зарегистрирован: Вс мар 29, 2009 09:32:52
- Откуда: Москва, Ясенево
Егерь писал(а):А как с помехами у этого БП?
Да кто его знает?
Может спецы из даташита какую инфу по помехам могут извлечь и оценить?
http://www.national.com/ds/LM/LM2596.pdf
Или кто делал откликнится.
Вообще пригодна ли эта микросхема для домашнего радиотворчества?
Вроде сейчас импульсники и в усилители встраивают.
Чем могу, помогу...
