![]() |
![]() |
|||||||||||||||
Пошаговое руководство для отпугивания собак
Автор: govv7
Пошаговое руководство для отпугивания собак «оживления» дачи-гаража-старой четвёрки. Всем доброе время суток. Сразу хочу предупредить: профессионалы в этой статье ничего нового для себя не найдут. Целевая аудитория - новички, которые только-только взяли в руки паяльник и хотят сделать чуть большее, чем горящий светодиодик. Поэтому писать буду подробно. Теперь домой к паяльнику, разбираем магнитолу и приступаем к нашим переделкам. Для тех, кто не хочет сильно заморачиваться с переделками или у кого магнитола без RCA - поясню чуть ниже отдельно. Итак, этап первый, самый важный: ищем ценные детали.
Этап второй: выкинуть всё лишнее.
5) Возвращаемся к микросхеме усилителя. Двигаемся вдоль дорожек с мультиметром, начиная от всех четырёх входов микросхемы усилителя. Внимательно присматриваемся к деталям на дорожках. Наша цель - ближайший ко входу конденсатор. Он может быть как первым, так и вторым по счёту. Нашли? Гуд! Сразу же за ним перерезаем дорожку. Внимание, кусок дорожки от конденсатора до входа обязательно должен остаться целым. Не перепутайте где резать! В моём случае, я просто отпаял следующие детали. См. красный круг на рисунке в п.1. 6) Смотрим в описание микросхемы усилителя и ищем на плате ножки под названиями MUTE и ST_BY. Перерезаем ведущие к ним дорожки. Я же нашёл где эти дорожки выходят на верхнюю часть платы и снял резисторы, которые были в этой цепи. Туда и буду припаиваться. Этап третий: подготовка передней панели.
8) Если вы купили кнопку с подсветкой как у меня (или аналогичную) - на ней будет 4 контакта: 2 подписанных и 2 неподписанных. Неподписанные - это силовые, подписанные - это от подсветки. Необходимо припаять резистор 1кОм от одного из неподписанных контактов к контакту, подписанному как "+". После этого кнопку можно ставить на панель. После успешной сборки - по капельке суперклея в каждое резьбовое соединение. Что бы не раскрутилось :) Этап четвёртый: поиск нужных напряжений, подговка платы к сборке.
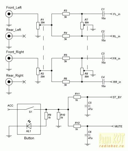
10) Смотрим внимательно на плату, на описание микросхемы, на наш разъём и пытаемся выяснить: какой из входов усилителя за какой динамик будет отвечать? На этом этапе, главное - внимательность. От него будет зависеть, как у нас будет работать стерео, но даже если перепутаете что-то - я поясню как проверить и как это исправить. Пример моих заметок того, что должно получиться в результате:
Тут всё, продолжаем... 11) Приложите плату магнитолы на её родное место и посмотрите внимательно: все-ли нужные нам точки находятся на верхней стороне? На всякий случай, вот список точек: контакты центров RCA-разъёмов (нам понадобятся любые 2 из них, пусть это будут с меткой FRONT), точка ACC (красный провод в пункте 9), ножки ST_BY и MUTE, конденсаторы входов in1..in4. Если что-то из перечисленного находится снизу платы - припаивайте монтажный провод и прокладывайте так, что бы после прикручивания платы он не был пережат. Рекомендую около места пайки закрепить провод к плате при помощи суперклея. Так же рекомендую найти на верхней стороны платы точки «массы». Они мультиметром должны звониться накоротко с чёрным проводом в колодке или на корпус магнитолы. Как только все провода окажутся на верхней стороне платы - смело прикручивайте плату. С подготовкой платы всё. Этап пятый: изготовление платы регулировки громкости и баланса.
Этап шестой: сборка воедино. Если переменные резисторы закрепили как у меня на фото — то паяйте смело по инструкции, если нет — ничего сложного нет, просто мысленно поверните резистор и паяйте. Пусть для определённости дальняя группа контактов на переменнике будет по правому каналу. По левому каналу всё аналогично будет.
17) Плата готова, осталось дело за малым: правильно вывести звук на усилитель. Соединяйте точку 1 платы регулировки с входом усилителя, отвечающим за передний правый динамик (см. результаты пункта 10), точку 2 — со входом, отвечающим за задний правый динамик. 3- передний левый, 4 — задний левый. Если всё сделано без ошибок, то поворот регулятора балансировки влево до упора переведёт звук на задние динамики, а вправо до упора — на передние. Получится примерно так: Этап седьмой: безопасность.
19) Излишки проводов, что бы не болтались внутри магнитолы, рекомендую приклеить скотчем к плате магнитолы и в местах прилегания их к плате капнуть по капельке суперклея на случай, если скотч со временем отклеится. Так же необходимо капнуть по капельке около мест припаивания к плате. Это необходимо что бы уменьшить нагрузку от вибрации на место пайки. 20) Ну вот и всё. Можно захлопывать крышку, гуглить на тему "как включить компьютерный блок питания" и тащить всё в гараж или на дачу... Результат будет выглядеть примерно так: Теперь для тех, у кого магнитола без RCA: необходимо перерезать удлинитель пополам (или кому как удобнее) и использовать половину c RCA-мама. Прозвоните какие из проводов являются центральными жилами и сажайте их в те же точки, куда приходили центральные жилы с разъёмов в п.13. То, что идёт на внешний контакт — это на массу магнитолы. По цветам, обычно разъём правого канала маркируется красным, а левого — белым цветом. Но уж какой купите... В остальном инструкция такая же. Про переменный резистор: в случае переменного резистора 20 кОм на небольшой громкости наблюдается достаточно сильное изменение громкости (процентов 20-30 по амплитуде) при крайних положениях балансировки. Выглядит это примерно так: когда переводим баланс из среднего положения на передние динамики, то сначала плавно притухают задние, а в самом конце немного притухают и передние. Связано это с резистивной делёжкой, которую образует верхнее плечо переменника громкости и малое сопротивление переменника балансировки, заглушающее задний канал. Поэтому рекомендую брать на громкость переменный резистор около 1 кОм. Как проверить ошибки в схеме или как выяснить какой выход на какой динамик пустить? Ответ в вопросе: любым динамиком. Подключайте питание, подключайте только один канал на вход, выкручивайте балансировку в крайнее положение и тыкайтесь по очереди в выходы с магнитолы. Если звук пошёл — легче подписать его и учесть это при прокладывании проводов к динамикам в месте прослушивания. Ну и напоследок, как и обещал, схема того, что сделали. PS пункт 3 может вызвать много споров, но его лучше выполнить, потому что неизвестно кто автор донорской магнитолы и как она себя поведёт и сколько будет потреблять при «любимом» варианте подключения горе-электриков: скрутить красный и жёлтый провода.
Все вопросы в Форум.
|
|
|||||||||||||||
![]() |
![]() |


![]() |
||||
|
|
||||













