![]() |
![]() |
||||||||||||
Устройство защиты сети от перенапряжений на УЗО
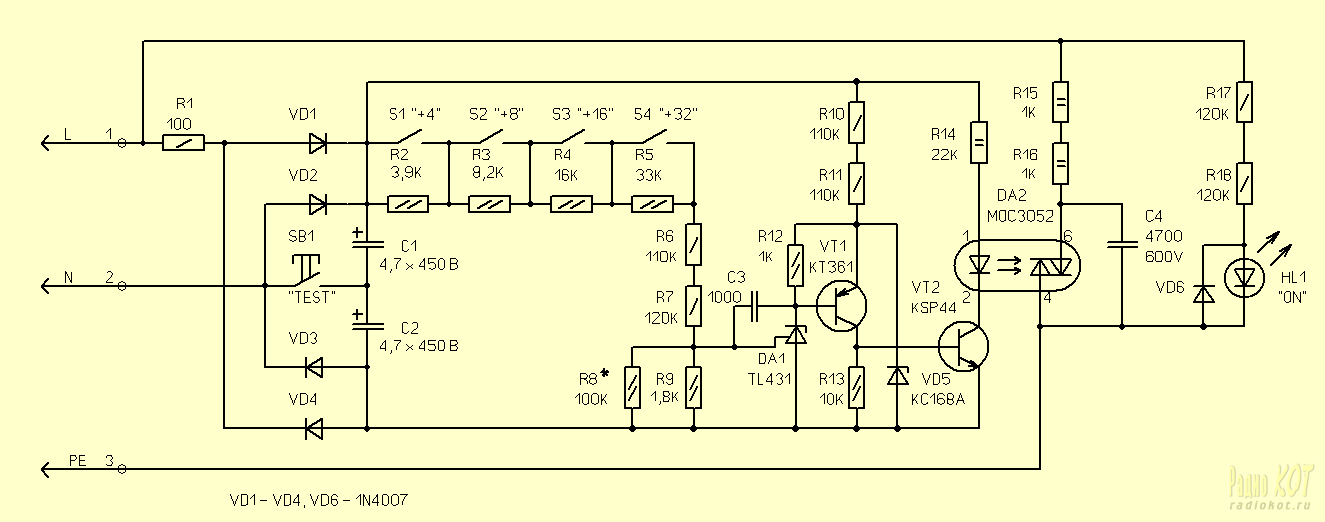
Автор: Барсик Типа, подарочек Коту на день рождения. Каким боком может выйти ему этот подарочек, написано ниже. Введение. Устройство защиты представляет собой датчик превышения напряжения (ДПН), который используется совместно с устройством защитного отключения (УЗО). УЗО, также называемое дифференциальным выключателем, отключает нагрузку, если ток, втекающий в нагрузку, отличается на некоторую величину от тока, вытекающего из нагрузки. Т.е. если где-то в цепи нагрузки имеется утечка тока. Неважно из-за чего произошла эта утечка. Из-за плохой изоляции проводов или через тело человека, который попал под напряжение. Если утечка превысит номинально значение дифференциального тока, то напряжение будет отключено. ДПН, при превышении сетевым напряжением некоторого порога, искусственно создаёт утечку тока в цепи нагрузки, вызывающую срабатывание УЗО, которое и отключает потребителей. 1. Если УЗО уже штатно установлено в квартирном (лестничном) щитке, то не требуется лезьть в этот самый щиток. ДПН просто включается в квартирную розетку. Если УЗО нет, то никто не может Вам запретить вызвать электрика и штатно установить УЗО в щиток. 2. Цепь измерения напряжения и цепь, создающая утечку тока, отделены друг от друга, и могут быть даже гальванически не связаны между собой. Это позволяет измерять напряжение между фазой и нейтралью, а утечку создавать между любыми другими проводами. Предупреждение. Warning, типа. В устройстве присутствует напряжение, опасное для жизни! Не пытайтесь повторить это дома! Во всяком случае, соблюдайте предельную осторожность и правила техники безопасности! Отмазка. Disclaimer, типа. Аффтар не несёт ответственности за возможные последсвия применения данного устройства. Аффтар также не несёт ответственности за травмы и моральные потрясения, полученные в результате действия данного устройства, когда Вы, в полной темноте, будете пробираться к щитку на лестничной площадке, натыкаясь на мебель, и споткнётесь о любимого кота. Описание работы схемы. Измеряемое напряжение между фазой (L) и нейтралью (N), подаётся на выводы L и N, выпрямляется диодами VD1 - VD4 и сглаживается конденсаторами C1 и C2. Резистор R1 и конденсаторы C1 и C2 сглаживают импульсные помехи. Сглаженное напряжение, примерно 320 вольт, подаётся на делитель напряжения, состоящий из резисторов R2 - R9. Ток через этот делитель, при котором срабатывает защита, выбран равным 1,41 мА. При таком токе, суммарное сопротивление резисторов R2 - R7 в килоомах, примерно, численно равно напряжению срабатывания защиты в вольтах действующего значения. С выхода делителя, напряжение подаётся на вход микросхемы DA1. При напряжении на входе DA1, меньшем, чем 2,5 вольта, ток через микросхему минимален, и транзистор VT1 закрыт. Стабилитрон VD5 ограничивает напряжение на транзисторе VT1 до безопасного уровня. Транзистор VT2 также закрыт, и ток через светодиод оптрона DA2 не течёт. Симистор оптрона DA2 закрыт, и тока утечки между фазой (L) и защитным заземлением (PE) нет. Точнее, есть небольшой ток через светодиод HL1 и резисторы R17 и R18. Этот ток вызывает свечение светодиода HL1. Свечение светодиода HL1 говорит о том, что устройство подключено в правильной полярности и готово к работе. Цепочка R17, R18, VD6 и свехъяркий светодиод HL1 служат для индикации наличия напряжения между фазой и землёй. Если светодиод не светится, то значит напряжения нет, и защита работать не будет. Диод VD6 защищает светодиод HL1 от обратного напряжения. Конденсатор C4 защищает симистор оптрона DA2 от ложного включения из-за импульсных помех. При увеличении входного напряжения больше допустимого, напряжение на входе DA1 превысит 2,5 вольта. Ток через микросхему DA1 Кнопка SB1 "TEST" предназначена для проверки работоспособности устройства при нормальном напряжении в сети. После замыкания контактов кнопки, выпрямитель на диодах VD1 - VD4 и конденсаторах C1, C2 начинает работать с удвоением напряжения, имитируя повышение напряжения в сети, и защита должна сработать. Следует учитывать, что измеритель напряжения реагирует на амплитудное значение напряжения в сети. Хорошо это или плохо, вопрос спорный. Для устройств, где используются обычные выпрямители со сглаживающими конденсаторами - хорошо, потому как там конденсаторы заряжаются именно до амплитудного значения. А для лампочек накаливания и двигателей - не очень. Если форма напряжения в сети искажена, то действующее (и среднее выпрямленное тоже) напряжение, при котором срабатывает устройство, будет меняться в зависимости от степени этих искажений. В частности, если вершины синусоиды завалены (а это сейчас сплошь и рядом), то мультиметр, в момент срабатывания защиты, будет показывать завышенное напряжение. Конструкция и детали. ДПН работал совместно с УЗО "ИЭК" "Выключатель дифференциального тока (УЗО) ВД1-63" УХЛ4, ГОСТ Р 51326.1-99. С номинальным дифференциальным током 30 мА. Симисторный оптрон должен быть БЕЗ фиксации перехода напряжения через ноль. У него в даташите должно быть написано что-то вроде "non zero crossing" или "random phase". Транзистор VT2 должен иметь допустимое напряжение эмиттер-коллектор не меньше 400 вольт. Светодиод HL1 должен быть сверхъярким. Можно заменить его неоновой лампочкой, тогда диод VD6 не нужен. Диоды VD1 - VD4 должны иметь обратное напряжение не менее 1000 вольт. Конденсатор C4 - керамический, высоковольтный, от сетевого фильтра. Остальные детали каких-либо особенностей не имеют. При монтаже следует оставлять зазоры достаточной величины между деталями, находящимися под повышенным напряжением. Настройка. Для настройки напряжения срабатывания защиты, следует подобрать резистор R8 так, чтобы общее сопротивление резисторов R8 и R9 составило 1,77 кОм. Сделать это можно с помощью мультиметра ещё до того, как паять эти резисторы на плату. Точно также подобрать резисторы R6 и R7, чтобы их суммарное сопротивление было 230 кОм. Если в качестве R6 - R9 использовать резисторы с допуском 1%, то ничего подбирать не надо. Более точный подбор резисторов не имеет смысла из-за возможных искажений формы напряжения в сети. Схемы подключения. Если на вводе в квартиру уже установлено УЗО и проводка в квартире выполнена по нормальной трёхпроводной схеме, то ДПН просто включается в любую розетку. Включать ДПН в розетку надо так, чтобы светодиод HL1 светился. Проверить работу кнопкой "TEST". Если УЗО установлено в щитке, а сеть двухпроводная, то можно включить ДПН в розетку и использовать самодельное заземление. Это, вообще то, нехорошо, но требования к самодельному заземлению невысокие. Ему не надо обеспечивать большой ток. Для срабатывания УЗО требуется ток около 30 мА. Вполне подойдёт водопроводная труба или труба отопления. Если где-то стоят пластиковые трубы , то возможно, вашего соседа убъёт не насмерть, когда защита сработает. Результаты испытаний. ДПН испытывался совместно с УЗО "ИЭК" "Выключатель дифференциального тока (УЗО) ВД1-63" УХЛ4, ГОСТ Р 51326.1-99. Схема испытательного стенда представлена на рисунке. Осциллограммы приведены на рисунках. Жёлтым цветом обозначено входное напряжение, синим - выходное. Из осциллограмм видно, что время срабатывания защиты составляет около 10 миллисекунд. Момент, когда испытательный стенд переключатся на повышенное напряжение, виден на осциллограмах как ступенька около нуля напряжения или провал на вершине синусоиды. Защита стоит на страже квартиры уже больше года. Поначалу, иногда были ложные срабатывания в момент включения в розетку вилки какого-нибудь устройства, даже выключенного.Возможно, из-за ёмкости его кабеля. После установки конденсатора C4, ложные срабатывания прекратились.
Все вопросы в Форум.
|
|
||||||||||||
![]() |
![]() |


![]() |
||||
|
|
||||





