![]() |
![]() |
|||||||||||||||
Электрозажигалка для газовой плиты
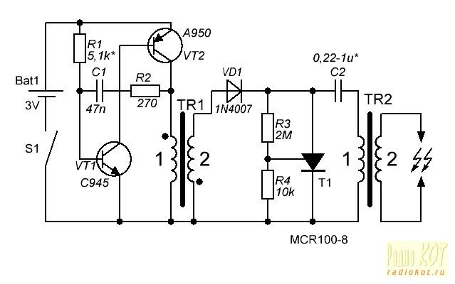
Автор: AcousticManiac Доброго здравия всем читателям, а Кота с прошедшей днюхой, да не опустеет его миска, а лоток пребудет чистым! Сегодня я расскажу о постройке одной полезной в быту вещицы-электрозажигалки для газовой плиты, да не простой, а портативной, работающей от батареек (таковое устройство от сети 220в., ИМХО, жесть, из пушки по воробьям). Конечно, нельзя не отметить, что гораздо проще не мучиться с намоткой всяких там дросселей и трансформаторов, а взять и купить готовую в хозмаге, она недорогая, но меня давно, будто мышь, грызла навязчивая идея сотворить это самостоятельно. И вот, в один день я все же раскопал в запасах кучку катушек-мотушек и ферритов и полез в мировую паутину в поисках подходящей схемки. И таки нашел, и даже несколько статеек к ней с описанием. Но, к превеликой досаде, нигде не было полноценного описания дросселя блокинг-генератора. Калибр провода, сколько витков.. Обратившись на пару форумов, также не добрался до сути. Однако, толковую подсказку мне таки дали, указав на журнальчик Радио за Сентябрь 1985 года, с.25, автор Трофимов. В оригинальном виде оно мне было не надо: транзюки-германцы, какая-то лампа в разрядной части.. Почесав левой задней лапой за правым ухом, было решено скрестить слона с удавом-генератор взять из Радио, а разрядную часть из первой схемы. Вышло вот что: Собственно, принцип работы нехитрый. Сначала блокинг-генератор на VT1 и VT2 через трансформатор TR1 повышает напряжение примерно до 40-50 вольт (пардон, нет осла для точных наблюдений), потом импульсы через выпрямительный диод VD1 заряжают конденсатор С2, когда напряжение на нем достаточно вырастает, через делитель R3R4 на управляющем электроде тиристора VS1 создается достаточный потенциал для его открытия, и он разряжает С2 через первичку TR2, затем цикл повторяется. О детальках: в генераторе можно применить очень многие маломощные транзисторы, но лучше с напряжением К-Э не ниже 25 вольт и током коллектора от 0,5А. Тиристор также особо без разницы, 600в. 0,6А или мощнее. Я взял первое попавшееся по этим характеристикам, и все заработало. Подбором резистора R1 устанавливается потребляемый ток, у меня с литиевым элементом 18650 и R2=10кОм вышло потребление чуть более 0,2А, на дальнейший подбор забил, и так сойдет (с.), вы можете понизить его по своему усмотрению, лишь бы была искра. От емкости С2 зависит частота разрядов, больше-реже. Выключатель S1-любая маленькая кнопка без фиксации. Прилагаю плату, но не забудьте ее при нужде подредактировать под размеры и особенно ЦОКОЛЕВКУ ваших конкретных деталек. Трансформатором TR1 у меня послужила ферритовая гантелька с четырьмя ногами, отпаянная откуда-то из телевизора или монитора (вверху на первом фото в центре кадра). Диаметр сердечника 4мм., доступная длина намотки 7мм, шляпка 8мм. Сначала мотается первичка, 30 витков провода калибром 0,15-0,2мм., поверх нее вторичка 550 витков 0,1мм (стоит отметить, в покупной зажигалке TR1 весьма намного меньше, наверняка там другие данные, но я сделал вот так). Невозможно в точности мотать виток к витку на глаз вручную таким волоском, но все же постарайтесь быть аккуратнее, не спешите, тем более, что самое “сладкое” впереди. На десерт трансформатор TR2, наиболее муторный в приготовлении и заковыристый в эксплуатации элемент конструкции. Для него я взял секционированный каркас на круглом ферритовом стержне от радиоприемника (также присутствует на верхнем фото) Первичка содержит 25 витков провода 0,3мм., намотанные прямо на феррит, вторичка должна содержать не меньше 2400-2500 витков провода 0,05-0,1мм. Критически обязательно мотать вторичку на каркас, разбитый на секции, иначе межслойный пробой гарантирован. После намотки требуется принять серьезные меры изоляции-искупать транс в парафине, и в случае прокладки провода от начала вторички к разряднику прямо по трансформатору использовать проводок в толстой изоляции или на обычный надеть дополнительную (как это пришлось делать мне), иначе пробивает. Каркас лучше поискать более глубокий, а то провод может не влезть, да и удалить намотку от внешних проводов также не помешает. Количество секций-не меньше 5, лучше 6 и более. Мой каркас оказался несколько маловат, чтобы вместить столько витков провода 0,1мм. (тоньше не было), вторичка получилась едва ли около 2000 витков (ох и замучился я ювелирно махать руками, наматывая ее пару часов), поэтому для удлинения искры мне пришлось повысить коэффициент трансформации, смотав первичку до 15 витков. Результат на фото, также приложу видео. АХТУНГ!!! Напряжение на вторичке TR2 не менее 4 тысяч вольт!!! Едва ли это опасно для жизни, так как ток очень слабый, но уверяю, не стоит во включенном состоянии браться двумя руками за два конца разрядника, пуская ток через все тело, потому как жахнет вас весьма здорово, я, пока пытался устранить пробои в трансформаторе, крутя его в руках, трижды случайно замыкал снятое питание и получал заряд непередаваемой бодрости от вторички. Если же просто ткнуть себя разрядником, искра ощутимо колется и кусается, может максимум дрыгаться мышца, но эффекта шокера нет, так что для защиты от маньяков в темном переулке это так себе инструмент. Корпусом для всего устройства мне послужил подвернувшийся на глаза в хозмаге футляр для зубощетки, в него в точности, правда, местами со скрипом вместились все органы: высоковольтный трансформатор, плата, ущербный элемент 18650 реальной емкостью 1000мАч, и небезызвестный модуль заряда на TP4056 с защитой. Напоследок вкратце опишу возможную модификацю, почерпнутую из изученных материалов. Если таки взять генератор в исходном виде на германии, а вторичку TR1 намотать пожирнее, то штуковина должна заработать и от одной пальчиковой батарейки (в статье из Радио TR1 мотается на кольце 2000НН 10х6х5мм. 30 на 800 витков указанных ранее калибров, подбором R1 устанавливается ток потребления 0,1А). Возможно даже, что при 1,5 вольтах можно как-то обойтись и без германия современными транзюками путем изменения схемы и намотки, не вникал, без надобности, я давно уже не пользуюсь невыгодными одноразовыми батарейками, чего и вам советую. Засим откланиваюсь, удачи в повторении. Пойду, что ли, чайку поставлю..)
Файлы: Все вопросы в Форум.
|
|
|||||||||||||||
![]() |
![]() |


![]() |
||||
|
|
||||










