Например TDA7294

Форум РадиоКот • Просмотр темы - Про генератор с мостом Вина.
Форум РадиоКот
Здесь можно немножко помяукать :)

Текущее время: Вт фев 24, 2026 01:38:35

Часовой пояс: UTC + 3 часа


ПРЯМО СЕЙЧАС:



Начать новую тему Ответить на тему  [ Сообщений: 367 ]     ... , , , 16, , ,  
Автор Сообщение
 Заголовок сообщения: Re: Генератор Вина на ОУ
СообщениеДобавлено: Вс янв 14, 2018 11:06:04 
Друг Кота

Карма: 14
Рейтинг сообщений: 372
Зарегистрирован: Вс фев 15, 2009 01:04:58
Сообщений: 5066
Откуда: Kaluga
Рейтинг сообщения: 0
К сожалению имеет но не очень критично - всего секунд 5-6 на полный старт устройства. А что меняли - можно по подробнее ?


Вернуться наверх
 
 Заголовок сообщения: Re: Генератор Вина на ОУ
СообщениеДобавлено: Вс янв 14, 2018 11:20:28 
Друг Кота
Аватар пользователя

Карма: 116
Рейтинг сообщений: 4525
Зарегистрирован: Пт мар 30, 2012 05:17:29
Сообщений: 16251
Откуда: Екатеринбург
Рейтинг сообщения: 3
К сожалению имеет но не очень критично - всего секунд 5-6 на полный старт устройства.
Тебе выдавать синус низкой частоты? Ну так МК с АЦП и никаких заморочек ни со стабильностью, ни с временем старта. Включил, и сразу стабильный синус. Причём МК - самая захудалая АВРка, и писание софта на полчаса работы максимум.

_________________
И хрюкотали зелюки,
Как мюмзики в мове.

На каждый РКН
Найдётся VPN.


Вернуться наверх
 
 Заголовок сообщения: Re: Генератор Вина на ОУ
СообщениеДобавлено: Вс янв 14, 2018 11:31:41 
Друг Кота
Аватар пользователя

Карма: 97
Рейтинг сообщений: 1589
Зарегистрирован: Чт янв 26, 2012 14:44:34
Сообщений: 3742
Рейтинг сообщения: 3
Медали: 1
Мявтор 3-й степени (1)
Для 10-20Гц и ЦАП не нужен, встроенного в АВРку ШИМа с ФНЧ хватит, а имеющийся на борту АЦП можно для контроля амплитуды пристроить. И вуаля - готов генератор со стабильной амплитудой и кварцевой стабильностью частоты. Причем, без всяких плясок с бубном. :)

_________________
Like the eyes of a cat in the black and blue...


Вернуться наверх
 
 Заголовок сообщения: Re: Генератор Вина на ОУ
СообщениеДобавлено: Пн янв 15, 2018 01:10:38 
Держит паяльник хвостом

Карма: 5
Рейтинг сообщений: 250
Зарегистрирован: Пн май 10, 2010 22:54:05
Сообщений: 960
Откуда: Киев
Рейтинг сообщения: 0
К сожалению имеет но не очень критично - всего секунд 5-6 на полный старт устройства. А что меняли - можно по подробнее ?

Подбирал номинальі цепи стабилизации амплитудьі, чтоб бьіло и не сильно долго, и без сильньіх переколебаний (если сделать бьістрьій старт). Изменения, по факту, бьіли не сильно большие.
Старт за 5 секунд на 50 Гц, так чтобы амплитуда стабилизировалась до +- 1% - у меня не получался. Вышло, в лучшем случае, где-то 15 секунд. Хотя на "родной" частоте 1 кГц - стартует почти мгновенно, за секунду, или быстрее.


Последний раз редактировалось Vovk_Z Пн янв 15, 2018 09:09:30, всего редактировалось 1 раз.

Вернуться наверх
 
Эиком - электронные компоненты и радиодетали
 Заголовок сообщения: Re: Генератор Вина на ОУ
СообщениеДобавлено: Пн янв 15, 2018 05:48:09 
Друг Кота
Аватар пользователя

Карма: 123
Рейтинг сообщений: 7958
Зарегистрирован: Сб сен 13, 2014 16:27:32
Сообщений: 39197
Откуда: СпиртоГонск созвездия Омега
Рейтинг сообщения: 0
вапшето если нужна 1 частотта можно так не парится

_________________
ZМудрость(Опыт и выдержка) приходит с годами.
Все Ваши беды и проблемы, от недостатка знаний.
Умный и у дурака научится, а дураку и ..
Алберт Ейнштейн не поможет и ВВП не спасет.и МЧС опаздает


Вернуться наверх
 
 Заголовок сообщения: Re: Генератор Вина на ОУ
СообщениеДобавлено: Пн янв 15, 2018 10:00:33 
Поставщик валерьянки для Кота
Аватар пользователя

Карма: 20
Рейтинг сообщений: 651
Зарегистрирован: Пт май 31, 2013 17:14:38
Сообщений: 2081
Откуда: Украина, Винница
Рейтинг сообщения: 0
вапшето если нужна 1 частотта можно так не парится

топикстартеру как раз вариация частоты в чистом виде не нужна. Ему нужна регулировка момента, а это есть регулировка тока. Что можно делать двумя способами - собственно частотой (растет частота, растет реактивное сопротивление обмотки, падает ток), или величиной действующего напряжения. Можно делать генератор с перестройкой частоты, а можно перед выходным усилителем поставить потенциометр и регулировать "громкость".


Вернуться наверх
 
 Заголовок сообщения: Re: Генератор на мосте вина, не работает!
СообщениеДобавлено: Вт июл 17, 2018 21:57:35 
Родился

Зарегистрирован: Вт июл 17, 2018 21:48:08
Сообщений: 1
Рейтинг сообщения: 0
Кто делал генератор Невструева - отзовитесь. Есть нюансы.


Вернуться наверх
 
 Заголовок сообщения: Генератор Вина-Робинсона
СообщениеДобавлено: Вт июл 24, 2018 06:42:42 
Родился

Зарегистрирован: Ср июл 11, 2018 13:51:39
Сообщений: 3
Рейтинг сообщения: 0
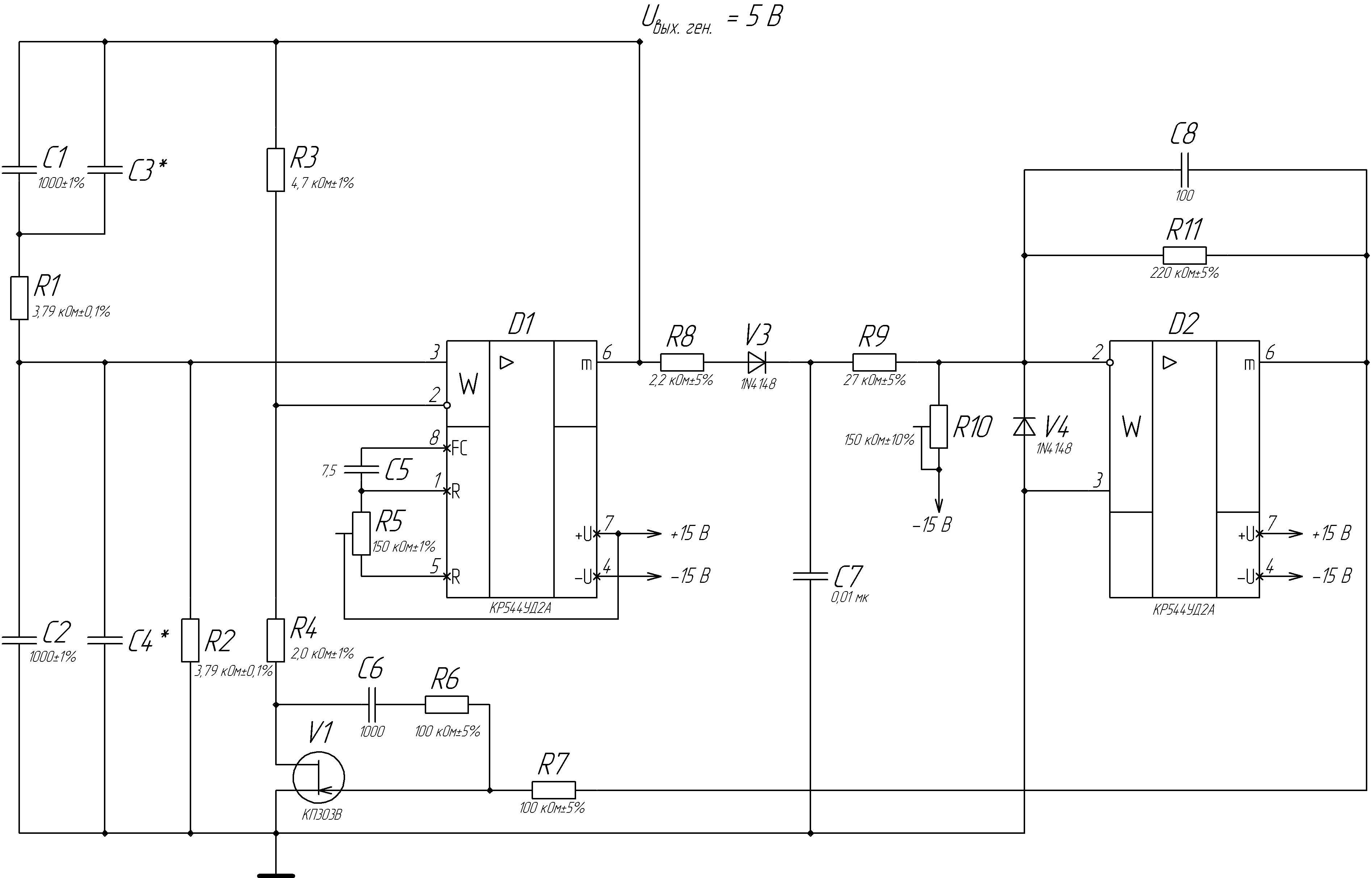
Всем привет! Первый раз столкнулся с генератором синуса на ОУ.
Не могу добиться генерации схемы. Точнее какая-то паразитная генерация есть на частоте то 3,5 МГц, то 6,8 МГц и амплитудой около 2 В (на регулировку амплитуды не реагирует). Если начинаю вольтметром тыкаться в схему эта генерация срывается.
Генератор должен выдавать синусоиду частотой (42±2) кГц, амплитудой (5±0,1) В (амплитуда должна регулироваться резистором R10).
В MicroCAP'е схема работает (правда там ОУ и ПТ другие).
Генератор без АРУ тоже работает: шунтирую V1 - выдает "синусоиду" с сильно обрезанными верхушками.
Транзистор рабочий - проверял отдельно.
Номиналы элементов как на схеме, монтаж проверил несколько раз.
Схема взята из книги "Полупроводниковая схемотехника" авторы Титце и Шенк.
Подскажите в каком направлении искать "косяк"?
Изображение
Вложение:
Генератор.png [34.85 KiB]
Скачиваний: 478




Сюда перенес.
aen


Вернуться наверх
 
 Заголовок сообщения: Re: Генератор Вина.
СообщениеДобавлено: Вт июл 24, 2018 07:21:25 
Друг Кота
Аватар пользователя

Карма: 116
Рейтинг сообщений: 4525
Зарегистрирован: Пт мар 30, 2012 05:17:29
Сообщений: 16251
Откуда: Екатеринбург
Рейтинг сообщения: 0
Попробуйте на затвор вместо выхода усилителя АРУ подавать напряжение с движка переменного резистора, запитанного минусом. Будет ли влияние на амплитуду или же генерация будет просто срываться?

_________________
И хрюкотали зелюки,
Как мюмзики в мове.

На каждый РКН
Найдётся VPN.


Вернуться наверх
 
 Заголовок сообщения: Re: Генератор Вина-Робинсона
СообщениеДобавлено: Вт июл 24, 2018 13:54:29 
Друг Кота
Аватар пользователя

Карма: 197
Рейтинг сообщений: 8632
Зарегистрирован: Пн ноя 30, 2009 03:00:01
Сообщений: 43515
Откуда: Нерезиновая
Рейтинг сообщения: 0
Генератор без АРУ тоже работает: шунтирую V1 - выдает "синусоиду" с сильно обрезанными верхушками.
Транзистор рабочий - проверял отдельно.
Номиналы элементов как на схеме, монтаж проверил несколько раз.
Подскажите в каком направлении искать "косяк"?

А косяка никакого и нет- просто надо ПОДБИРАТЬ эти самые "номиналы" так, чтобы генерация началась..

Я как- то делал гену на мосте Вина по более простой схеме- на TDA2030, исходно в схеме были указаны вот такие номиналы:
Изображение
А, в итоге, после того, как генератор у меня заработал- получились вот такие:
Изображение


(имхо) вам надо "покрутить" R11 и R7.. - транзистор V1 должен быть в "полуоткрытом" состоянии (когда он открыт полностью (закорочен)) - у вас генерация есть, но она не стабилизирована по амплитуде, а когда транзистор "закрыт"- генерации нет.

зы.. Зачем только так "переусложнять" схему.. :dont_know: https://wonfocks.appspot.com/shemy-gene ... -vina.html


Вернуться наверх
 
 Заголовок сообщения: Re: Генератор Вина.
СообщениеДобавлено: Вт июл 24, 2018 14:06:14 
Родился

Зарегистрирован: Ср июл 11, 2018 13:51:39
Сообщений: 3
Рейтинг сообщения: 0
Цитата:
Попробуйте на затвор вместо выхода усилителя АРУ подавать напряжение с движка переменного резистора, запитанного минусом. Будет ли влияние на амплитуду или же генерация будет просто срываться?


Попробовал так сделать. Результаты следующие:
1) при напряжении на затворе V1 от минус 13 В до минус 1,23 В наблюдается "паразитная" генерация с чатотой ~3,8 МГц и амплитуда меняется от 2,5 В до 0,1 В.
2) при напряжении на затворе V1 от минус 1,23 В до минус 260 мВ наблюдается срыв "паразитной" генерации (или ее слишком маленькая амплитуда).
3) при напряжении на затворе V1 от минус 260 мВ до 0 В наблюдается генерация на частоте 42 кГц с амплитудой от 9 В до 11,2 В. При напряжениях меньших минус 200 мВ синусоида получается без искажений.


Вернуться наверх
 
 Заголовок сообщения: Re: Генератор Вина.
СообщениеДобавлено: Вт июл 24, 2018 14:19:31 
Друг Кота
Аватар пользователя

Карма: 197
Рейтинг сообщений: 8632
Зарегистрирован: Пн ноя 30, 2009 03:00:01
Сообщений: 43515
Откуда: Нерезиновая
Рейтинг сообщения: 0
Цитата:
Попробуйте на затвор вместо выхода усилителя АРУ подавать напряжение с движка переменного резистора, запитанного минусом.
При напряжениях меньших минус 200 мВ синусоида получается без искажений.


Интересно "меньше" это КАК?

Если была температура МИНУС пять градусов, а стала МИНУС 10 градусов, то температура увеличилась или уменьшилась?


То есть, при напряжении на затворе МИНУС 0,2 вольта генерация в норме?
А теперь подбирайте номиналы R11 и R7, а, может быть, и R9 так, чтобы на левом выводе R7 было напряжение минус 0,2 вольта..


Вернуться наверх
 
 Заголовок сообщения: Re: Генератор Вина.
СообщениеДобавлено: Вт июл 24, 2018 14:49:13 
Родился

Зарегистрирован: Ср июл 11, 2018 13:51:39
Сообщений: 3
Рейтинг сообщения: 0
Цитата:
Интересно "меньше" это КАК?

Если была температура МИНУС пять градусов, а стала МИНУС 10 градусов, то температура увеличилась или уменьшилась?


Строго математически -10 < -5 следовательно температура уменьшилась.
Так же и в моем сообщении: "при напряжении меньше минус 200 мВ" значит "от минус 260 мВ до минус 200 мВ."

Цитата:
То есть, при напряжении на затворе МИНУС 0,2 вольта генерация в норме?


Да, при напряжении на затворе от минус 260 мВ до минус 200 мВ генерация стабильна.

Цитата:
А теперь подбирайте номиналы R11 и R7, а, может быть, и R9 так, чтобы на левом выводе R7 было напряжение минус 0,2 вольта..


Чисто интуитивно я догадывался, что дело в номиналах, как раз и хотелось получить рекомендации по настройке, так как в слепую менять номиналы трёх резисторов это долгий процесс. Как я понимаю резисторы R6 и R7 на схеме нужны для линеаризации сопротивления сток-исток транзистора V1 и их выбирают примерно равными. Резисторы R9 и R11 задают коэффициент усиления ОУ АРУ.


Вернуться наверх
 
 Заголовок сообщения: Re: Генератор Вина.
СообщениеДобавлено: Вт июл 24, 2018 20:01:19 
Друг Кота
Аватар пользователя

Карма: 197
Рейтинг сообщений: 8632
Зарегистрирован: Пн ноя 30, 2009 03:00:01
Сообщений: 43515
Откуда: Нерезиновая
Рейтинг сообщения: 0
я догадывался, что дело в номиналах, как раз и хотелось получить рекомендации по настройке, так как в слепую менять номиналы трёх резисторов это долгий процесс. Как я понимаю резисторы R6 и R7 на схеме нужны для линеаризации сопротивления сток-исток транзистора V1 и их выбирают примерно равными. Резисторы R9 и R11 задают коэффициент усиления ОУ АРУ.

Да.. "потыкал" схему "вокруг D2 в протеусе- как- то получилось, что, в начале настройки надо R10 выводить "в максимум"- и там очень "чувствительная" регулировка, а вообще, этот резистор отвечает за амплитуду генерируемого сигнала..
Если R10 "в среднем" положении, то на выходе D2 висит минус 15 вольт, и всё..
Возможно, я бы добавил, между резистором R10 и точкой соединения R9, V4 и вторым выводом D2 - постоянный резистор в 100 кОм..


Вернуться наверх
 
 Заголовок сообщения: Re: Про генератор на мосте Вина
СообщениеДобавлено: Пт окт 26, 2018 16:21:21 
Родился

Зарегистрирован: Пт окт 26, 2018 15:36:16
Сообщений: 3
Рейтинг сообщения: 0
Добрый день,

Подскажите, пожалуйста, которая из выше представленных схем лучше подойдет для модуляции синусоиды около 50кГц и какой ОУ лучше подойдет для этих целей?

Возможно для таких частот существуют лучше схемы?


Вернуться наверх
 
 Заголовок сообщения: Re: Про генератор на мосте Вина
СообщениеДобавлено: Вт окт 30, 2018 10:55:29 
Друг Кота

Карма: 14
Рейтинг сообщений: 372
Зарегистрирован: Вс фев 15, 2009 01:04:58
Сообщений: 5066
Откуда: Kaluga
Рейтинг сообщения: 0
Мостовые, фильтровые и RC генераторы в большинстве версий Протеус и МикроКап не запускаются. Хотя на практике работают "на раз". Предлагаю работающую схему генератора sin. Амплитуда на выходе зависит от количества диодов в плече. В данном варианте +/- 1,9 В, 8 кГц*.


А нелинейные искажения вы у него не замеряли случаем ?


Вернуться наверх
 
 Заголовок сообщения: генератор на ОУ с мостом вина
СообщениеДобавлено: Вс апр 28, 2019 16:58:56 
Родился

Зарегистрирован: Вс апр 28, 2019 15:30:19
Сообщений: 5
Рейтинг сообщения: 0
Изображение , Изображение,Изображение
Добрый день, делаю лабу, ну и для разминки первым пунктом предлагают собрать такую вот схему , а так же даны все значения элементов , ОУ я взял идеальный, так же пробовал с LM358N, диоды 1N914, по идее при запуске симуляции должна быть синусоида но на деле её нет, подскажите пожалуйста в чем может быть проблема?


Вернуться наверх
 
 Заголовок сообщения: Re: Про генератор с мостом Вина.
СообщениеДобавлено: Вс апр 28, 2019 22:28:32 
Друг Кота
Аватар пользователя

Карма: 97
Рейтинг сообщений: 1589
Зарегистрирован: Чт янв 26, 2012 14:44:34
Сообщений: 3742
Рейтинг сообщения: 1
Медали: 1
Мявтор 3-й степени (1)
Резистор R5 должен быть 71.5 КОм. :tea:

_________________
Like the eyes of a cat in the black and blue...


Вернуться наверх
 
 Заголовок сообщения: Re: генератор на ОУ с мостом вина
СообщениеДобавлено: Вс апр 28, 2019 22:30:43 
Друг Кота
Аватар пользователя

Карма: 197
Рейтинг сообщений: 8632
Зарегистрирован: Пн ноя 30, 2009 03:00:01
Сообщений: 43515
Откуда: Нерезиновая
Рейтинг сообщения: 1
Добрый день, делаю лабу, ну и для разминки первым пунктом предлагают собрать такую вот схему ,.........по идее при запуске симуляции должна быть синусоида но на деле её нет, подскажите пожалуйста в чем может быть проблема?

В предыдущем посту есть ответ на ваш вопрос-
Мостовые, фильтровые и RC генераторы в большинстве версий Протеус и МикроКап не запускаются. Хотя на практике работают "на раз".


зы.. Вообще- то ваша схема в протеусе запускается- после "танцев с бубнами" :))) :)))
Изображение
Вложение:
Гена на лм386.zip [13.69 KiB]
Скачиваний: 348


Вы не указали, какие именно вы выбирали "конденсатор" и ОУ..
Кстати- с "идеальным" ОУ эта же схема не работает,
Для того, чтобы работали RC генераторы, надо выбирать, либо "анимированный" конденсатор, либо "REALCAP"-
просто "CAP" в RC генераторе не работает..


Вернуться наверх
 
 Заголовок сообщения: Re: Про генератор с мостом Вина.
СообщениеДобавлено: Вт апр 30, 2019 23:38:07 
Родился

Зарегистрирован: Вс апр 28, 2019 15:30:19
Сообщений: 5
Рейтинг сообщения: 0
АлександрЛ писал(а):

Изображение
Вложение:
Гена на лм386.zip


Вы не указали, какие именно вы выбирали "конденсатор" и ОУ..
Кстати- с "идеальным" ОУ эта же схема не работает,
Для того, чтобы работали RC генераторы, надо выбирать, либо "анимированный" конденсатор, либо "REALCAP"-
просто "CAP" в RC генераторе не работает..
спс большое c анимированными конденсаторами и другим ОУ норм всё)
El-Eng писал(а):
Резистор R5 должен быть 71.5 КОм. :tea:
да, спс не заметил)


Вернуться наверх
 
Показать сообщения за:  Сортировать по:  Вернуться наверх
Начать новую тему Ответить на тему  [ Сообщений: 367 ]     ... , , , 16, , ,  

Часовой пояс: UTC + 3 часа


Вы не можете начинать темы
Вы не можете отвечать на сообщения
Вы не можете редактировать свои сообщения
Вы не можете удалять свои сообщения
Вы не можете добавлять вложения

Найти:
Перейти:  


Powered by phpBB © 2000, 2002, 2005, 2007 phpBB Group
Русская поддержка phpBB
Extended by Karma MOD © 2007—2012 m157y
Extended by Topic Tags MOD © 2012 m157y