Например TDA7294

Форум РадиоКот • Просмотр темы - блок индикации 2.746.013
Форум РадиоКот
Здесь можно немножко помяукать :)

Текущее время: Пт фев 27, 2026 11:42:20

Часовой пояс: UTC + 3 часа


ПРЯМО СЕЙЧАС:



Начать новую тему Ответить на тему  [ Сообщений: 61 ]    , , 3,  
Автор Сообщение
 Заголовок сообщения: Re: блок индикации 2.746.013
СообщениеДобавлено: Ср окт 28, 2020 19:46:35 
Друг Кота
Аватар пользователя

Карма: 123
Рейтинг сообщений: 7958
Зарегистрирован: Сб сен 13, 2014 16:27:32
Сообщений: 39197
Откуда: СпиртоГонск созвездия Омега
Рейтинг сообщения: 0
ТАК Я И НЕ ПОНЯЛ....

Добавлено after 18 minutes 29 seconds:
а что с родным индикатором?

С родным все в порядке, просто этот не такой как все другие.
.
У меня на штатном блоке стояла м85. Дымнул стаб и она улетела. Видимо потому что балластные резюки были не на 390 а на 180 оМ.
кс515 заменил, резюки тоже поставил как положено на 390 ом, вместо м85 установил пп1. Индикатор завелся, но штатная схема стабилизации у меня не внушает доверия.


ТАК Я ПОНЯЛ ЧТО ВАШ ИНДЮК СГОРЕЛ НО ВЫЕГО ПОЧИНИЛИ ТУПО ПОМЕНЯФ ЦИПКУ??

_________________
ZМудрость(Опыт и выдержка) приходит с годами.
Все Ваши беды и проблемы, от недостатка знаний.
Умный и у дурака научится, а дураку и ..
Алберт Ейнштейн не поможет и ВВП не спасет.и МЧС опаздает


Последний раз редактировалось musor Ср окт 28, 2020 19:59:41, всего редактировалось 1 раз.

Вернуться наверх
 
 Заголовок сообщения: Re: блок индикации 2.746.013
СообщениеДобавлено: Ср окт 28, 2020 19:49:18 
Открыл глаза

Зарегистрирован: Пн окт 26, 2020 17:53:19
Сообщений: 45
Рейтинг сообщения: 0
Так это и есть. Мой блок на видео и на фото сверху на первой странице это тоже мой ЭТОТ ЖЕ БЛОК.
На этой странице АлександрЛ привел тех документацию:
http://ic-info.ru/upload/iblock/9e9/КР1534ПП3_4.pdf
которая свидетельствует о том что наоборот пп4 не умеют работать с пиками. ПП4 это отбракованные ПП3.
Блоков у меня не туева хуча :) , а этот и от Юпитера мк 106.
(Штатный от радиотехники не считаю), а разговор идет о поиске схемы, модернизации стабилизации питания и сборке нового блока индикации с пиками для установки в усилитель радиотехника у 101 , без разницы на какой пп (лишь бы не пп3 т.к. их уже давно нет в продаже.)
Ваша схема кстати тоже от блока магнитофона Юпитера мк 106
Именно такой же мой второй блок и выглядит он вот так:
Изображение
Его вообще ни как не вкорячишь на радиотехнику без переделки платы.
Да он на ПП4, но его я еще не пробовал подлючать. Не знаю есть на нем пики или нет.
На днях думаю дойдут и до него руки и если он окажется тоже с пиками, то соберу новый блок по его схеме на новой печатной плате.


Вернуться наверх
 
 Заголовок сообщения: Re: блок индикации 2.746.013
СообщениеДобавлено: Ср окт 28, 2020 19:50:16 
Друг Кота
Аватар пользователя

Карма: 123
Рейтинг сообщений: 7958
Зарегистрирован: Сб сен 13, 2014 16:27:32
Сообщений: 39197
Откуда: СпиртоГонск созвездия Омега
Рейтинг сообщения: 0
Б

_________________
ZМудрость(Опыт и выдержка) приходит с годами.
Все Ваши беды и проблемы, от недостатка знаний.
Умный и у дурака научится, а дураку и ..
Алберт Ейнштейн не поможет и ВВП не спасет.и МЧС опаздает


Последний раз редактировалось musor Ср окт 28, 2020 19:59:14, всего редактировалось 1 раз.

Вернуться наверх
 
 Заголовок сообщения: Re: блок индикации 2.746.013
СообщениеДобавлено: Ср окт 28, 2020 19:55:03 
Открыл глаза

Зарегистрирован: Пн окт 26, 2020 17:53:19
Сообщений: 45
Рейтинг сообщения: 0
Родной с усилка вылечил поменяв стаб, полевик КП 303 и установил новую кр1534пп1 вместо м85, но он без пиков, а теперь хочу родной снять а вместо него собрать новый блок с пиками, на новой плате и установить в усилитель вместо штатного. Выше обсуждаемый блок с пиками туда не лезет.


Вернуться наверх
 
Эиком - электронные компоненты и радиодетали
 Заголовок сообщения: Re: блок индикации 2.746.013
СообщениеДобавлено: Ср окт 28, 2020 20:32:43 
Друг Кота
Аватар пользователя

Карма: 123
Рейтинг сообщений: 7958
Зарегистрирован: Сб сен 13, 2014 16:27:32
Сообщений: 39197
Откуда: СпиртоГонск созвездия Омега
Рейтинг сообщения: 0
ЯСНО решений 2 либо на вашу плату поставить кр1534пп2(м85а)
и на махогнькой платке добавить косnыль 2йной оу(например lm358) и 2 детктора пикоф и генератор тока на полевике
и подключить к ногам 2829 ваызолы пикоф и к 25 генератор тока пикоф
можно попробовать проделать этоис пп1-которая по идее тупа выбракофка пп2 но резултат неизвестен
2 вариант полная переделка/переразводка платы с 0 в размере родной но на чипах пп2 или пп3(полных-с пиками) собраф боле компактно

_________________
ZМудрость(Опыт и выдержка) приходит с годами.
Все Ваши беды и проблемы, от недостатка знаний.
Умный и у дурака научится, а дураку и ..
Алберт Ейнштейн не поможет и ВВП не спасет.и МЧС опаздает


Вернуться наверх
 
 Заголовок сообщения: Re: блок индикации 2.746.013
СообщениеДобавлено: Ср окт 28, 2020 20:40:49 
Открыл глаза

Зарегистрирован: Пн окт 26, 2020 17:53:19
Сообщений: 45
Рейтинг сообщения: 0
Второй вариант более устраивает.
Это и хотел сделать. ПП2 думаю что еще можно найти.
Схемы нет по второму варианту?
Ну или хотя бы носом ткните в нужном направлении.


Вернуться наверх
 
 Заголовок сообщения: Re: блок индикации 2.746.013
СообщениеДобавлено: Чт окт 29, 2020 12:53:10 
Друг Кота
Аватар пользователя

Карма: 123
Рейтинг сообщений: 7958
Зарегистрирован: Сб сен 13, 2014 16:27:32
Сообщений: 39197
Откуда: СпиртоГонск созвездия Омега
Рейтинг сообщения: 0
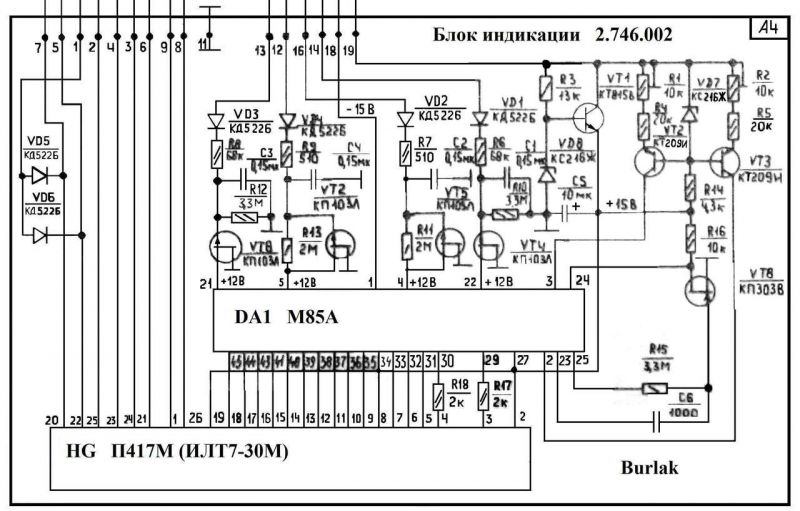
схему от маяка с кодом *.002 давал выше там м85а стояла(она в золото-керамике шла) у 1534 другие корпуса но суть таже генератор тока можно собрать и на кт209 ка там таки на полевике ка варианте от радиотехники

_________________
ZМудрость(Опыт и выдержка) приходит с годами.
Все Ваши беды и проблемы, от недостатка знаний.
Умный и у дурака научится, а дураку и ..
Алберт Ейнштейн не поможет и ВВП не спасет.и МЧС опаздает


Вернуться наверх
 
 Заголовок сообщения: Re: блок индикации 2.746.013
СообщениеДобавлено: Сб окт 31, 2020 18:44:10 
Открыл глаза

Зарегистрирован: Пн окт 26, 2020 17:53:19
Сообщений: 45
Рейтинг сообщения: 0
схему от маяка с кодом *.002 давал выше там м85а стояла(она в золото-керамике шла) у 1534 другие корпуса но суть таже генератор тока можно собрать и на кт209 ка там таки на полевике ка варианте от радиотехники

Чета не видел выше схему. А есть готовые в смысле штатные схемы блоко индикации с пиками на ПП2?
Если нет, то можно готовую схемку на пп2 заточенную на работу с пиками?
Со всеми этими детекторами и генераторами мало знаком, но думаю что с изготовлением по схеме печатной платы справлюсь.
Кр1534пп2 уже нашел 2 штуки.


Вернуться наверх
 
 Заголовок сообщения: Re: блок индикации 2.746.013
СообщениеДобавлено: Вт дек 22, 2020 17:55:28 
Открыл глаза

Зарегистрирован: Пн окт 26, 2020 17:53:19
Сообщений: 45
Рейтинг сообщения: 0
Приветствую всех! Так пока и не дошли руки до изготовления блока с пиками, но вместо него был изготовлен самодельный блок для у 101 на индикаторе илт1-15м по схеме от МП радиотехника.
Все бы ничего, но без проблем не обошлось. У блока работает только один канал, но странность в том что если пальцем дотронутся до 48-й ноги кр1534пп1, то канал переключается на другой.
Плиз подскажите почему и куда копать? Схему прилагаю, лишнее на ней зачеркнул.
Выложил видео работу на ютуб:
https://www.youtube.com/watch?v=BOJdE-jzV_M
Изображение Изображение Изображение


Вернуться наверх
 
 Заголовок сообщения: Re: блок индикации 2.746.013
СообщениеДобавлено: Вт дек 22, 2020 18:12:34 
Друг Кота
Аватар пользователя

Карма: 123
Рейтинг сообщений: 7958
Зарегистрирован: Сб сен 13, 2014 16:27:32
Сообщений: 39197
Откуда: СпиртоГонск созвездия Омега
Рейтинг сообщения: 0
вполне очевидно что у вас почемуто не завелся тактовый генератор возможно утечки в этих цепях от флюса ошибка в монтаже неисправная обвязка или неудачный экземпляр чипа кстати вариант генератора с полевиком был получше в этом... на край можно подать счгнал 1кгц от внешнего генератора туда

_________________
ZМудрость(Опыт и выдержка) приходит с годами.
Все Ваши беды и проблемы, от недостатка знаний.
Умный и у дурака научится, а дураку и ..
Алберт Ейнштейн не поможет и ВВП не спасет.и МЧС опаздает


Вернуться наверх
 
 Заголовок сообщения: Re: блок индикации 2.746.013
СообщениеДобавлено: Вт дек 22, 2020 18:49:07 
Открыл глаза

Зарегистрирован: Пн окт 26, 2020 17:53:19
Сообщений: 45
Рейтинг сообщения: 0
А кондюк с 10 мог пострадать при перепайке? Я его запаял, а емкость забыл проверить.
Все детали не новые, а просто были перекинуты с рабочего блока от МП радиотехника.
Флюс не отмывал.


Вернуться наверх
 
 Заголовок сообщения: Re: блок индикации 2.746.013
СообщениеДобавлено: Ср дек 23, 2020 10:07:45 
Друг Кота

Карма: 27
Рейтинг сообщений: 1283
Зарегистрирован: Ср фев 11, 2009 20:35:58
Сообщений: 7853
Рейтинг сообщения: 0
Цитата:
емкость забыл проверить....Флюс не отмывал.....

Ждёшь команды от форума? Сам не забыл умыться ?


Вернуться наверх
 
 Заголовок сообщения: Re: блок индикации 2.746.013
СообщениеДобавлено: Ср дек 23, 2020 13:15:27 
Открыл глаза

Зарегистрирован: Пн окт 26, 2020 17:53:19
Сообщений: 45
Рейтинг сообщения: 0
Цитата:
емкость забыл проверить....Флюс не отмывал.....

Ждёшь команды от форума? Сам не забыл умыться ?

Оценил твое остроумие! :))
Наверное по делу просто не знаешь что сказать и решил типа с умничать.


Вернуться наверх
 
 Заголовок сообщения: Re: блок индикации 2.746.013
СообщениеДобавлено: Ср дек 23, 2020 13:50:32 
Друг Кота

Карма: 27
Рейтинг сообщений: 1283
Зарегистрирован: Ср фев 11, 2009 20:35:58
Сообщений: 7853
Рейтинг сообщения: 0
Так ты по делу не знаешь что спросить, вот и тупишь.


Вернуться наверх
 
 Заголовок сообщения: Re: блок индикации 2.746.013
СообщениеДобавлено: Ср дек 23, 2020 17:46:33 
Открыл глаза

Зарегистрирован: Пн окт 26, 2020 17:53:19
Сообщений: 45
Рейтинг сообщения: 0
Был бы спец, то не спрашивал бы.
А ты сюда на всех повыпендриваться заходишь или тебе именно моя рожа не понравилась?
Я здесь писАл чтоб получить помощь и советы, а не тратить время на таких умников.
Так что давай по делу.
Если есть что стоящее, то я тебя внимательно слушаю, если нет то """проходи не задерживайся!""")))

Добавлено after 3 hours 37 minutes 40 seconds:
вполне очевидно что у вас почемуто не завелся тактовый генератор возможно утечки в этих цепях от флюса ошибка в монтаже неисправная обвязка или неудачный экземпляр чипа кстати вариант генератора с полевиком был получше в этом... на край можно подать счгнал 1кгц от внешнего генератора туда

Спасибо за дельный совет о том что нужно копать в обвязке тактового генератора. :beer:
Снял ПП1, хотел уже ставить другую. Прозвонил обвязку и причина нашлась.
Плату делал ЛУТом, при лужении не разглядел микро трещинку дорожки в обвязке тактового генератора.
Еще раз СПС!
И всех с наступающим!!!


Вернуться наверх
 
 Заголовок сообщения: Re: блок индикации 2.746.013
СообщениеДобавлено: Сб дек 26, 2020 22:07:58 
Мудрый кот

Карма: 10
Рейтинг сообщений: 278
Зарегистрирован: Пт мар 26, 2010 17:16:52
Сообщений: 1807
Откуда: Kazan
Рейтинг сообщения: 0
Aleks6404, Так не зачем рычать.
Человек правильно говорит, сначала сделай нормально, а потом уже проси совета, если не получается.
А так получается как у юмориста - "здесь играем, а здесь селёдку заворачивали" :))


Вернуться наверх
 
 Заголовок сообщения: Re: блок индикации 2.746.013
СообщениеДобавлено: Сб дек 26, 2020 22:20:41 
Открыл глаза

Зарегистрирован: Пн окт 26, 2020 17:53:19
Сообщений: 45
Рейтинг сообщения: 0
Вот Вы сейчас нормально все объяснили, а этот умник сходу выпендриваться стал.
Спасибо, учту.


Вернуться наверх
 
 Заголовок сообщения: Re: блок индикации 2.746.013
СообщениеДобавлено: Вт дек 29, 2020 21:59:09 
Друг Кота

Карма: -8
Рейтинг сообщений: 15
Зарегистрирован: Вс июл 24, 2011 11:38:09
Сообщений: 7638
Рейтинг сообщения: 0
Блоки эти ставились в дофига какие магнитофоны и не только, список огромный, но видимо никто и не писал. А вот с той картинки интересно что экранчик нижний. Предположу или светодиоды или не наш.

С микрой там реально анекдот, и она вверх ногами и по схеме вверх ногами и того 2 раза. Помню хотел на ней другую плату, долго пытался срисовать, да интерес пропал, задолбало. Ниодна схема с платой не совпадает.
Кажется маркировка на самой плате вверх ногами и чтото типа такого в схеме, то есть схема с даташитной точно не совпадает, но и с платой тоже.
Гдетот срисовывал схему, но чёт не нахожу.

В общем микра это розовый кусок керамики к которому приделаны ножки по типу ЖК или ВЛИ стекла, и всё это сделано под каплей. Дичайшее извращение. Маркировка полная как и положено на обратной стороне.

Мне кажется надо создавать проект на этих козявках, или поискамть готовый, мне кажется чтото было. Чтоб была понятная схема и как её ставить. Ну и в других корпусах посмотреть. Вещь вроде известная, а кроме как ставить блок целиком, никто и не занимался.

И кстати какого фига тема 20 года, я же помню было уже подобное.

Как я понял народ всё пытается по заводской схеме собирать, кароче схем всё так же нет


Вернуться наверх
 
 Заголовок сообщения: Re: блок индикации 2.746.013
СообщениеДобавлено: Вт дек 29, 2020 22:17:15 
Друг Кота
Аватар пользователя

Карма: 123
Рейтинг сообщений: 7958
Зарегистрирован: Сб сен 13, 2014 16:27:32
Сообщений: 39197
Откуда: СпиртоГонск созвездия Омега
Рейтинг сообщения: 0
все там есть и все работает действително микросхемы разных лет имели разную маркировку и корпуса нынежняя серия кр1534пп относително прототипа М85(а) имет перевернутую конструкцию и пинаут сввязано с удешевлением технологии их производства на производстве кооторое тогда УЖЕ начало разваливаться
уменя естьи 85 и 85-1а и старые 161пп1/2 новые 1534пп2 с учетом коректировки монтажажа они абсолютно взаимозаменяемы
конекчно установка вместо строй м85(а) сери 1534 может вызвать некотрорые трудности но и они легко решаемы при индивидуалном ремонте (не сотню тыщ же делаете)

Добавлено after 4 minutes 28 seconds:
при масовом произваодстве(если хотите наладить) плату следунт сделать 2 стороней и развести под оба типа пинаутоф чипоф/корпусоф -так щас поступают и китаеза разводка под неске корпучоф -ставят что есть в наличии на свою площадку...

_________________
ZМудрость(Опыт и выдержка) приходит с годами.
Все Ваши беды и проблемы, от недостатка знаний.
Умный и у дурака научится, а дураку и ..
Алберт Ейнштейн не поможет и ВВП не спасет.и МЧС опаздает


Вернуться наверх
 
 Заголовок сообщения: Re: блок индикации 2.746.013
СообщениеДобавлено: Ср дек 30, 2020 19:45:49 
Открыл глаза

Зарегистрирован: Пн окт 26, 2020 17:53:19
Сообщений: 45
Рейтинг сообщения: 0
все там есть и все работает действително микросхемы разных лет имели разную маркировку и корпуса нынежняя серия кр1534пп относително прототипа М85(а) имет перевернутую конструкцию и пинаут сввязано с удешевлением технологии их производства на производстве кооторое тогда УЖЕ начало разваливаться
уменя естьи 85 и 85-1а и старые 161пп1/2 новые 1534пп2 с учетом коректировки монтажажа они абсолютно взаимозаменяемы
конекчно установка вместо строй м85(а) сери 1534 может вызвать некотрорые трудности но и они легко решаемы при индивидуалном ремонте (не сотню тыщ же делаете)

Добавлено after 4 minutes 28 seconds:
при масовом произваодстве(если хотите наладить) плату следунт сделать 2 стороней и развести под оба типа пинаутоф чипоф/корпусоф -так щас поступают и китаеза разводка под неске корпучоф -ставят что есть в наличии на свою площадку...

А есть ли где тема с описанием различий распиновок м85 и пп2?
Все думаю как пп2 в этом корпусе:
Изображение
установить на эту схему:
Изображение


Вернуться наверх
 
Показать сообщения за:  Сортировать по:  Вернуться наверх
Начать новую тему Ответить на тему  [ Сообщений: 61 ]    , , 3,  

Часовой пояс: UTC + 3 часа


Вы не можете начинать темы
Вы не можете отвечать на сообщения
Вы не можете редактировать свои сообщения
Вы не можете удалять свои сообщения
Вы не можете добавлять вложения

Найти:
Перейти:  


Powered by phpBB © 2000, 2002, 2005, 2007 phpBB Group
Русская поддержка phpBB
Extended by Karma MOD © 2007—2012 m157y
Extended by Topic Tags MOD © 2012 m157y