Например TDA7294

Форум РадиоКот • Просмотр темы - Нужно сделать мигалку на 555
Форум РадиоКот
Здесь можно немножко помяукать :)

Текущее время: Сб янв 24, 2026 04:46:21

Часовой пояс: UTC + 3 часа


ПРЯМО СЕЙЧАС:



Начать новую тему Ответить на тему  [ Сообщений: 99 ]    , , 3, ,  
Автор Сообщение
Не в сети
 Заголовок сообщения: Re: Нужно сделать мигалку на 555
СообщениеДобавлено: Вс дек 28, 2025 18:12:12 
Друг Кота
Аватар пользователя

Карма: 197
Рейтинг сообщений: 8617
Зарегистрирован: Пн ноя 30, 2009 03:00:01
Сообщений: 43308
Откуда: Нерезиновая
Рейтинг сообщения: 0
мигающие светодиоды и подходящие резисторы

Пробовал.
Они все тусклые, 20-30мкд. А надо что-то на 1000. Ну минимум на 600. Иначе слой пластика не пробивает. Индикаор должен видеться через верхний слой матового пластика.
Если сделать постоянно горящим, то плохо видно днём и не видно при солнечной погоде.
Мигающие видно.

Понятно.. Тогда вам (имхо) лучше сделать мультивибратор на паре транзисторов - в отличии от генератора на 555 таймере, у вас не будет заморочки с питанием (у 555 таймера это 18 вольт максимум)
А у мультивибратора на транзисторах напряжение питания определяется параметрами применённых транзисторов.

зы..
BL-L522UWC (9500K), Светодиод белый холодный 15° d=5мм 15000мКд (Ultra White)
https://www.chipdip.ru/product/bl-l522u ... 9000306584 26р
Изображение
BL-L542PGC, Светодиод цилиндрический зеленый 90° d=5мм 2000мКд 525нМ (Ultra Pure Green)
https://www.chipdip.ru/product/bl-l542p ... 9000101708 36р
Изображение
BL-L542UBC, Светодиод цилиндрический синий 90° d=5мм 1800мКд 470нМ (Ultra Blue)
https://www.chipdip.ru/product/bl-l542u ... 9000101706 22р

зызы.. General_Blackbird, Вы можете продолжать дисскутировать, а ваши собеседники- продолжать "накидывать идеи", а я хочу просто смакетировать вот эту схемку:
http://m-elek.h1n.ru/elektronic/teorie/ ... brator.png
Как часто должен мигать светодиод? от 1 до 3 вспышек в секунду- пойдёт?


Вернуться наверх
 
Не в сети
 Заголовок сообщения: Re: Нужно сделать мигалку на 555
СообщениеДобавлено: Вс дек 28, 2025 18:37:52 
Первый раз сказал Мяу!
Аватар пользователя

Зарегистрирован: Чт мар 31, 2022 22:31:57
Сообщений: 31
Откуда: УЛВФ
Рейтинг сообщения: 0
Как часто должен мигать светодиод? от 1 до 3 вспышек в секунду- пойдёт?

полагаю, для глаза лучше 1 в секунду. Днём пойдёт и 3, а ночью пожалуй лучше 1.

_________________
Какие странные моторы - вода, огонь и ветер втроем. Дым над полосой, ни огонька, но наше небо выпускает шасси.


Вернуться наверх
 
Не в сети
 Заголовок сообщения: Re: Нужно сделать мигалку на 555
СообщениеДобавлено: Вс дек 28, 2025 19:01:22 
Сверлит текстолит когтями
Аватар пользователя

Карма: 6
Рейтинг сообщений: 220
Зарегистрирован: Пн ноя 08, 2021 13:12:57
Сообщений: 1193
Откуда: 58С 58В
Рейтинг сообщения: 0
General_Blackbird, ---Немигающий светдиод просто горит. Мигающий мигает а немигающий горит. Чуууть-чуть еле заметно меняет яркость но и всё. Ток в петле 12-14мА---

Параллельно немигающему резистор 900-500 Ом. :dont_know:

_________________
Свежий взгляд из прошлого тысячелетия.


Вернуться наверх
 
Не в сети
 Заголовок сообщения: Re: Нужно сделать мигалку на 555
СообщениеДобавлено: Вс дек 28, 2025 19:19:09 
Друг Кота

Карма: 20
Рейтинг сообщений: 820
Зарегистрирован: Пт ноя 02, 2018 16:14:36
Сообщений: 3142
Рейтинг сообщения: 0
AlexS4 писал(а):
или заменить все 3 транзистора 1 динистором с напряжением срабатывания на несколько вольт ниже минимального питания
Давно не видел динисторов, кроме DB4, тех, что в диммерах, даже не знал, что они ешё где-то есть. Третий транзистор можно заменить стабилитроном.

_________________
Нет ничего практичнее хорошей теории


Вернуться наверх
 
Эиком - электронные компоненты и радиодетали
Не в сети
 Заголовок сообщения: Re: Нужно сделать мигалку на 555
СообщениеДобавлено: Вс дек 28, 2025 19:33:04 
Держит паяльник хвостом

Карма: 2
Рейтинг сообщений: 116
Зарегистрирован: Пт ноя 22, 2024 14:08:43
Сообщений: 930
Рейтинг сообщения: 3
схема AlexS4 не будет мигать, надо Б-Э шунтировать для закрытия Q


Вернуться наверх
 
Не в сети
 Заголовок сообщения: Re: Нужно сделать мигалку на 555
СообщениеДобавлено: Вс дек 28, 2025 20:30:24 
Мудрый кот

Карма: 25
Рейтинг сообщений: 498
Зарегистрирован: Сб май 05, 2012 20:24:52
Сообщений: 1858
Откуда: KN34PC, Болгария
Рейтинг сообщения: 0
Нарисовал схему. Если это довольно сложная схема ...
На монете поместится больше двух .

Изображение


Вернуться наверх
 
Не в сети
 Заголовок сообщения: Re: Нужно сделать мигалку на 555
СообщениеДобавлено: Вс дек 28, 2025 20:45:47 
Первый раз сказал Мяу!
Аватар пользователя

Зарегистрирован: Чт мар 31, 2022 22:31:57
Сообщений: 31
Откуда: УЛВФ
Рейтинг сообщения: 0
Нарисовал

О, это просто и понятно

_________________
Какие странные моторы - вода, огонь и ветер втроем. Дым над полосой, ни огонька, но наше небо выпускает шасси.


Вернуться наверх
 
Не в сети
 Заголовок сообщения: Re: Нужно сделать мигалку на 555
СообщениеДобавлено: Вс дек 28, 2025 21:02:40 
Мудрый кот

Карма: 25
Рейтинг сообщений: 498
Зарегистрирован: Сб май 05, 2012 20:24:52
Сообщений: 1858
Откуда: KN34PC, Болгария
Рейтинг сообщения: 0
Можно и так ее видеть :))).
(признаюсь: это моя первая так нарисованная схема :write: ).

Изображение


Вернуться наверх
 
Не в сети
 Заголовок сообщения: Re: Нужно сделать мигалку на 555
СообщениеДобавлено: Пн дек 29, 2025 05:13:03 
Друг Кота
Аватар пользователя

Карма: 31
Рейтинг сообщений: 917
Зарегистрирован: Пт сен 10, 2021 15:19:36
Сообщений: 6288
Откуда: Протвино
Рейтинг сообщения: 0
имхо стабилитрон на нужное напряжение параллельно мигающему и через балластный резистором 510..1k запитать от 28V - будет уместнее чем линейник с конденсаторами...


схема AlexS4 не будет мигать, надо Б-Э шунтировать для закрытия Q

да, спасибо! забыл про ток через R1, он будет удерживать от запирания динистор или его аналог.

чтоб увеличить ток удержания выше чем через R1 необходим резистор параллельно эмиттерному переходу одного из транзисторов Q1,Q2 напр 100..330R можно (с точки помехозащищенности лучше на Q1).


и R1 надо ограничить по минимуму исходя из этого тока. и по максимуму у него будет ограничение связанное с чувствительностью динистора.
(это же касается любого тиристора/динистора/diac, только в случае когда он собран на транзисторах можно синтезировать почти любой ток удержания, а иначе он будет задан свойствами экземпляра)

... уже ясно что на пару компонентов проще подругому сделать, например так:
Изображение
последовательно с Rн = 1k включить светодиод и в эмиттер VT1 тож резистор 1k желателен. итого 6 компанентов, на 2 лучше чем классический мультивибратор на одинаковых транзисторах 8)


Вернуться наверх
 
Не в сети
 Заголовок сообщения: Re: Нужно сделать мигалку на 555
СообщениеДобавлено: Пн дек 29, 2025 05:56:25 
Друг Кота
Аватар пользователя

Карма: 197
Рейтинг сообщений: 8617
Зарегистрирован: Пн ноя 30, 2009 03:00:01
Сообщений: 43308
Откуда: Нерезиновая
Рейтинг сообщения: 0
AlexS4 писал(а):
... уже ясно что на пару компонентов проще подругому сделать, например так:
Изображение

Мда.. Попробовал я сделать "в железе" эту схему..
В общем- если вы её сделаете, заставите работать от 24-х вольт, и, при этом, максимальный ток (именно максимальный, а не "средний" как китайцы считают) через светодиод будет равен 20 мА, то, я снимаю перед вами шляпу.. :facepalm: :beer:

Так же я попробовал сделать подобную, но, чуть видоизменённую схему-
Изображение
заменив резистор 22 Ома на 100 Ом. Эта схема, хотя бы "завелась", но- попробовав измерить ток через светодиод, стало понятно, что это в районе 150 мА "короткими импульсами", то есть "средний" ток, наверное, как-то укладывается в допустимый, но пик- 150 мА, долго прожить светодиоду не даст.

зы.. "классический" мультивибратор на двух NPN транзисторах- никаких проблем не вызвал, прикидка платы под него- 18х23 мм (как раз с двухрублёвую монету)
А три "лишние" детали- небольшая плата за повторяемость и надёжность.


Вернуться наверх
 
Не в сети
 Заголовок сообщения: Re: Нужно сделать мигалку на 555
СообщениеДобавлено: Пн дек 29, 2025 06:30:28 
Держит паяльник хвостом

Карма: 2
Рейтинг сообщений: 116
Зарегистрирован: Пт ноя 22, 2024 14:08:43
Сообщений: 930
Рейтинг сообщения: 0
и такой вариант (от 24 конкретно не пробовал)


Вложения:
Mig tr 24.jpg [11.07 KiB]
Скачиваний: 33
Вернуться наверх
 
Не в сети
 Заголовок сообщения: Re: Нужно сделать мигалку на 555
СообщениеДобавлено: Пн дек 29, 2025 07:53:56 
Друг Кота
Аватар пользователя

Карма: 197
Рейтинг сообщений: 8617
Зарегистрирован: Пн ноя 30, 2009 03:00:01
Сообщений: 43308
Откуда: Нерезиновая
Рейтинг сообщения: 0
и такой вариант

Ну, это уже перебор- 11 деталей вместо 8.. :dont_know:


Вернуться наверх
 
Не в сети
 Заголовок сообщения: Re: Нужно сделать мигалку на 555
СообщениеДобавлено: Пн дек 29, 2025 08:42:27 
Мудрый кот

Карма: 25
Рейтинг сообщений: 498
Зарегистрирован: Сб май 05, 2012 20:24:52
Сообщений: 1858
Откуда: KN34PC, Болгария
Рейтинг сообщения: 0
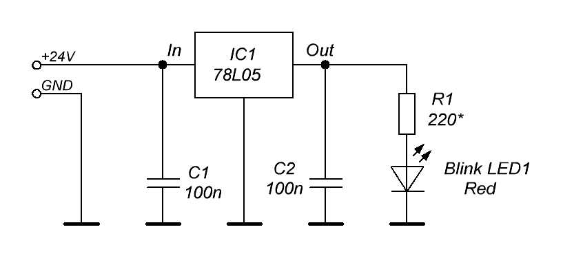
Бы сделал с два ATtiny10 (не могу найти им применение :) ) - два MK, два 78L05, два светодиода, два резистора и 4 конденсатора, на меньшей площади, по той же цене, 1 Hz, 3 Hz, x Hz ... Но ... это для другой темы. (сигурно вопросов ТС будет гораздо больше ;) ).


Вернуться наверх
 
Не в сети
 Заголовок сообщения: Re: Нужно сделать мигалку на 555
СообщениеДобавлено: Пн дек 29, 2025 10:45:31 
Друг Кота
Аватар пользователя

Карма: 197
Рейтинг сообщений: 8617
Зарегистрирован: Пн ноя 30, 2009 03:00:01
Сообщений: 43308
Откуда: Нерезиновая
Рейтинг сообщения: 4
В общем, вот результат, который, как я думаю, вполне доступен для повторения General_Blackbird- ом:
СпойлерИзображение
Вложение:
WIN_20251229_10_29_02_Pro.jpg [81.31 KiB]
Скачиваний: 157

Изображение
Вложение:
WIN_20251229_10_31_37_Pro.jpg [75 KiB]
Скачиваний: 158

Изображение
Вложение:
WIN_20251229_10_29_28_Pro.jpg [83.84 KiB]
Скачиваний: 155

Видео работы- 3 секунды в ZIP:
Вложение:
WIN_20251229_10_27_46_Pro.zip [180.47 KiB]
Скачиваний: 21

И, собственно, сама схема:
СпойлерИзображение
Вложение:
Мультивибратор.PNG [32.44 KiB]
Скачиваний: 330


"Бухгалтерия"- цены из чипдипа!
https://www.chipdip.ru/product/ecap-k50 ... itors-3743
ECAP (К50-35 мини), 10мкФ, 25В, 4х7мм, 7 руб штука
https://www.chipdip.ru/product/ecap-k50 ... tors-19188
ECAP (К50-35 мини), 47мкФ, 35В, 6х7мм, 7 руб штука
https://www.chipdip.ru/product/r1-173-0 ... 9002007473
Р1-173-0,25-47кОм ±5% -5, Резистор углеродистый 20 руб за 5 штук
https://www.chipdip.ru/product/r1-173-0 ... 9002007442
Р1-173-0,25-2,4кОм ±5% -1, Резистор углеродистый 20 руб за 5 штук
https://www.chipdip.ru/product/r1-173-0 ... 9002007435
Р1-173-0,25-1,2кОм ±5% -1, Резистор углеродистый 20 руб за 5 штук
Транзисторов можно выбрать туеву хучу, по цене 4 руб за штуку:
https://www.chipdip.ru/product/bc237a-t ... 9001656041
https://www.chipdip.ru/product/bc337-25 ... 9001656063
https://www.chipdip.ru/product/bc548a-t ... 9001656075
https://www.chipdip.ru/product/mpsa06-t ... -426343577
светодиод яркий: от 9 до .... 15 руб за штуку-
https://www.chipdip.ru/product/bl-l101u ... 9000306534
https://www.chipdip.ru/product/bl-l524u ... 9000061739
https://www.chipdip.ru/product/fyl-3014 ... 9000032548
https://www.chipdip.ru/product/gnl-3014 ... 9000423008
https://www.chipdip.ru/product/gnl-3014 ... 9000423005
https://www.chipdip.ru/product/bl-l522u ... 9000061735
https://www.chipdip.ru/product/fyl-3014 ... -805853533
https://www.chipdip.ru/product/gnl-5013 ... 9000423027
Итого- получилось 97 рублей, и набор резисторов ещё на 4 таких схемки (если 47 кОм купить 10 штук)
Сама макетка, на которой это всё можно собрать (хватит на 3 таких схемы) -
https://www.chipdip.ru/product/plata-ma ... 9000938628
Плата макетная односторонняя 20 х 80 мм На одной штуке можно собрать 3 схемки, - 80 руб.
https://www.chipdip.ru/product/plata-ma ... 9000939139
Плата макетная односторонняя 30 х 70 мм На одной штуке можно собрать 3 схемки, - 90 руб.
https://www.chipdip.ru/product/plata-ma ... 9000164294
Плата макетная двухсторонняя 20 х 80 мм На одной штуке можно собрать 3 схемки, - 210 руб.

Итого- ~325 рублей деталек за одну схемку, если побольше- то каждая платка отдельно будет дешевле.


Последний раз редактировалось АлександрЛ Пн дек 29, 2025 11:25:26, всего редактировалось 1 раз.

Вернуться наверх
 
Не в сети
 Заголовок сообщения: Re: Нужно сделать мигалку на 555
СообщениеДобавлено: Пн дек 29, 2025 10:55:17 
Электрический кот

Карма: 5
Рейтинг сообщений: 178
Зарегистрирован: Пн май 01, 2017 20:01:45
Сообщений: 1094
Рейтинг сообщения: 0
Пора раздавать "The Magic Blue Smoke Award". 24 вольта на Vebo - это несомненно приз.


Вернуться наверх
 
Не в сети
 Заголовок сообщения: Re: Нужно сделать мигалку на 555
СообщениеДобавлено: Пн дек 29, 2025 11:08:58 
Друг Кота
Аватар пользователя

Карма: 182
Рейтинг сообщений: 8335
Зарегистрирован: Пт фев 04, 2011 17:57:51
Сообщений: 20074
Откуда: Рыбинск
Рейтинг сообщения: 0
Медали: 1
Лучший человек Форума 2017 (1)
:o Как же эта схема много десятков лет работала то?


Вернуться наверх
 
Не в сети
 Заголовок сообщения: Re: Нужно сделать мигалку на 555
СообщениеДобавлено: Пн дек 29, 2025 11:11:01 
Электрический кот

Карма: 5
Рейтинг сообщений: 178
Зарегистрирован: Пн май 01, 2017 20:01:45
Сообщений: 1094
Рейтинг сообщения: 0
Наверно так-же, как светодиод с резистором как индикатор в 220В.


Вернуться наверх
 
Не в сети
 Заголовок сообщения: Re: Нужно сделать мигалку на 555
СообщениеДобавлено: Пн дек 29, 2025 11:50:07 
Мудрый кот

Карма: 25
Рейтинг сообщений: 498
Зарегистрирован: Сб май 05, 2012 20:24:52
Сообщений: 1858
Откуда: KN34PC, Болгария
Рейтинг сообщения: 0
... Ограничение по размерам существенно меньше, около 2рублевой монеты.

АлександрЛ, давайте соберем схему из SMD-компонентов, генератори должно быть два :).
(Можем организовать конкурс: наименьшее количество компонентов, наименьший объем, наименьшую стоимость, самая быстрая сборка ... ;) )


Вернуться наверх
 
Не в сети
 Заголовок сообщения: Re: Нужно сделать мигалку на 555
СообщениеДобавлено: Пн дек 29, 2025 12:09:17 
Друг Кота
Аватар пользователя

Карма: 197
Рейтинг сообщений: 8617
Зарегистрирован: Пн ноя 30, 2009 03:00:01
Сообщений: 43308
Откуда: Нерезиновая
Рейтинг сообщения: 0
Не хочу.
К тому же, вы хотите ещё General_Blackbird- а, заставить собирать эту схему на СМД компонентах, используя печатную плату и целую кучу паяльного оборудования, которого у него, как я понял, нет?
Проблема в том, что я могу только спаять "это это и это" по нарисованной вами схеме с номиналами, имея в виду принцип действия, но не будучи способным создать схему опираясь на него.

Я предложил простейший вариант, который можно собрать "на коленке", из недорогих компонентов и на легко доставаемой макетной платке, просто пользуясь предоставленными фотографиями, без всяческих "хитровые...вывертов"

мигает на столе уже часа 4, наверное. Впрочем, уже есть "замечание"- резисторы R1 и R3 нужно бы увеличить, ну, раза в 2 - до 4,7 кОм и 2,4 кОм. Заодно это снизит потребляемый схемой ток.


Вернуться наверх
 
Не в сети
 Заголовок сообщения: Re: Нужно сделать мигалку на 555
СообщениеДобавлено: Пн дек 29, 2025 12:12:58 
Мудрый кот

Карма: 25
Рейтинг сообщений: 498
Зарегистрирован: Сб май 05, 2012 20:24:52
Сообщений: 1858
Откуда: KN34PC, Болгария
Рейтинг сообщения: 0
Да, с вами согласен: от простого к сложному. В предыдущей теме предлагал также мультивибратор, можно собрать "на коленке", на "объемной монтаж"... Даже в окружающем нас хламе можно найти комплектующие: неисправный монитор, неисправный блок питания для PC и многое другое.
Хотя, вероятно, мультивибратор на два транзистора - это тоже сложно ...


Вернуться наверх
 
Показать сообщения за:  Сортировать по:  Вернуться наверх
Начать новую тему Ответить на тему  [ Сообщений: 99 ]    , , 3, ,  

Часовой пояс: UTC + 3 часа


Кто сейчас на форуме

Сейчас этот форум просматривают: нет зарегистрированных пользователей и гости: 16


Вы не можете начинать темы
Вы не можете отвечать на сообщения
Вы не можете редактировать свои сообщения
Вы не можете удалять свои сообщения
Вы не можете добавлять вложения

Найти:
Перейти:  


Powered by phpBB © 2000, 2002, 2005, 2007 phpBB Group
Русская поддержка phpBB
Extended by Karma MOD © 2007—2012 m157y
Extended by Topic Tags MOD © 2012 m157y