Например TDA7294

Форум РадиоКот • Просмотр темы - Устройство для модуляции голоса
Форум РадиоКот
Здесь можно немножко помяукать :)

Текущее время: Вт фев 24, 2026 18:22:56

Часовой пояс: UTC + 3 часа


ПРЯМО СЕЙЧАС:



Начать новую тему Ответить на тему  [ Сообщений: 127 ]    , , , , 5, ,  
Автор Сообщение
 Заголовок сообщения: Re: Устройство для модуляции голоса
СообщениеДобавлено: Чт мар 16, 2023 19:14:42 
Нашел транзистор. Понюхал.
Аватар пользователя

Карма: 4
Рейтинг сообщений: 1
Зарегистрирован: Пт мар 09, 2012 00:06:10
Сообщений: 183
Откуда: Ярославль
Рейтинг сообщения: 0
Вернусь домой - поощу побольше информации по ней, если что, отпишусь)

_________________
Одна голова - хорошо, а две +3dB
https://t.me/damagesound


Вернуться наверх
 
 Заголовок сообщения: Re: Устройство для модуляции голоса
СообщениеДобавлено: Чт мар 16, 2023 21:27:49 
Друг Кота
Аватар пользователя

Карма: -34
Рейтинг сообщений: 556
Зарегистрирован: Пт июл 25, 2014 12:25:27
Сообщений: 6214
Откуда: Свердловская обл.
Рейтинг сообщения: 0
Martel- писал(а):
RTS0072. Она фиксированно повышает, понижает тон.

Хотя, я может быть выразился не точно. Уже забыл подробности. Схема спаяна три года назад наверное.

Вот некоторые важные подробности (в конце текста таблицы упомянуто про возможность плавного изменения тона):

RTS0072B – специализированная микросхема фирмы "Realtek" известная как «Voice Changer». Это цифровая микросхема содержащая модуль АЦП, модуль цифровой обработки и модуль ЦАП. В зависимости от установок DIP – переключателя в D2 происходит смещение спектра входного голосового сигнала или искажение его до «голоса робота». DIP переключатель – предназначен для установки режима синтеза (изменения) голоса: S1,S2 – комбинация этих переключателей повышает или понижает голос согласно таблице:
Изображение

_________________
Гуглить умею, но гораздо более ценю живые мнения+личный опыт.
http://www.youtube.com/watch?v=NUysiCX- ... r_embedded


Вернуться наверх
 
 Заголовок сообщения: Re: Устройство для модуляции голоса
СообщениеДобавлено: Чт мар 16, 2023 21:32:10 
Вымогатель припоя
Аватар пользователя

Карма: 12
Рейтинг сообщений: 46
Зарегистрирован: Сб сен 01, 2007 15:57:22
Сообщений: 531
Откуда: Н.Новгород
Рейтинг сообщения: 0
Как я упоминал чуть ранее, генераторы планирую сделать на синтезаторе "si5351", размах выходного напряжения которого равно 3,3 В. Хватит ли такого напряжения или нужно ставить усилительный каскад? В оригинале схемы этих показателей нет, только осциллограммы.
Я точно не помню сколько было в моём первом варианте, но что то не очень много по моему даже меньше 1,5 вольт.
Как я упоминал чуть ранее, генераторы планирую сделать на синтезаторе "si5351", размах выходного напряжения которого равно 3,3 В. Хватит ли такого напряжения или нужно ставить усилительный каскад? В оригинале схемы этих показателей нет, только осциллограммы. Но надеюсь, что применение готового блока синтеза относительно упростит монтаж и схемотехнику.
Я хочу применить STM32F401, 12 битный ЦАП, думаю вполне справится с поставленной задачей, а если поставить LC фильтр, то вообще будет идеально. Можно и 411 у него 16 битный цап, но я думаю это уже будет пижонство. А в демодуляторе использую генератор на ДДС. А если на модуле, то к нему ещё и адруину необходимо.
У меня фильтры с буквой "С", как мы обсуждали ранее, это значит, что частоту опорного генератора нужно сдвигать на половину диапазона, то есть на 8,5 кГц. А в каком направлении? Если в схеме применены фильтры с буквой "В", а как я понимаю, это значит, что 500кГц - это верхняя граница диапазона, то значит, что мне нужно установить частоту суммарную, то есть, 508,5кГц? Просто, на первой странице мы пришли к выводу, что нужно вычитать, а сейчас я подумал, не закралась ли ошибка. :)
Нет ни какой ошибки. В SSB обе полосы равнозначны, что верхняя, что нижняя. Просто у меня имелся кварц для того чтобы использовать нижнюю полосу. Кетнерс использовал В, да потому что наборы в те времена продавались в котором был фильтр с В и кварц на 500 кГц, другие варианты были крайне редки и чаще всего преследовались уголовным кодексом, не забывайте, что в те благословенные времена; "не каждый вор был радиолюбителем, но каждый радиолюбитель вором". А для получения нужной полосы измените частоту в демодуляторе в соответствующую сторону.
И если не секрет, про стерео вариант по подробнее, мне такая мысль в голову не приходила, и я "её не думал".

_________________
Желаю счастья в личной жизни ПУХ!


Вернуться наверх
 
 Заголовок сообщения: Re: Устройство для модуляции голоса
СообщениеДобавлено: Пт мар 17, 2023 00:11:54 
Нашел транзистор. Понюхал.
Аватар пользователя

Карма: 4
Рейтинг сообщений: 1
Зарегистрирован: Пт мар 09, 2012 00:06:10
Сообщений: 183
Откуда: Ярославль
Рейтинг сообщения: 0
И если не секрет, про стерео вариант по подробнее, мне такая мысль в голову не приходила, и я "её не думал".

Принял, спасибо)
По поводу стерео - всё просто. Конструировать буду изначально два одинаковых тракта, но без генераторов частот. У модуля "SI" три независимо программируемых синтезатора частот. Один из них я программирую на фиксированную несущую частоту, скажем, 500кГц, через буферный каскад(наверное?) и сплиттер дублирую линию и подключаю к тракту вместо задающего генератора, который на оригинальной схеме сверху слева. Оставшиеся два канала синтезатора подключаю к трактам вместо перестраиваемых генераторов частот, которые на схеме сверху справа.
Как Вы верно догадались, для управления буду использовать ардуинку или атмегу, дисплей, отображающий сдвиг частоты в Герцах на каждом генераторе и пару энкодеров для управления. А отдельная кнопка "Link" будет присваивать перестраиваемому генератору второго канала установленное значение генератора первого канала. Энкодер второго канала будет игнорироваться. Надеюсь, не перемудрил в объяснении :)))

_________________
Одна голова - хорошо, а две +3dB
https://t.me/damagesound


Вернуться наверх
 
Эиком - электронные компоненты и радиодетали
 Заголовок сообщения: Re: Устройство для модуляции голоса
СообщениеДобавлено: Пт мар 17, 2023 09:02:57 
Друг Кота
Аватар пользователя

Карма: -34
Рейтинг сообщений: 556
Зарегистрирован: Пт июл 25, 2014 12:25:27
Сообщений: 6214
Откуда: Свердловская обл.
Рейтинг сообщения: 0
На всякий случай выскажусь по:

ко мне едет три ЭМФДП 500с-17,.


По типам ЭМФ тут было категорически заявлено, что компактные квадратные имеют характеристики гораздо худшие, чем привычный , круглый, большой ЭМФ, для этой схемы и её АЧХ особенностей.
Вам случайно не такие идут? - Изображение

Тогда как надо вот такие - Изображение
Я про размеры, которые определяют некоторые важные параметры фильтра (как тут было сказано одним из спецов).
Вас это не смущает?

_________________
Гуглить умею, но гораздо более ценю живые мнения+личный опыт.
http://www.youtube.com/watch?v=NUysiCX- ... r_embedded


Вернуться наверх
 
 Заголовок сообщения: Re: Устройство для модуляции голоса
СообщениеДобавлено: Пт мар 17, 2023 14:50:39 
Нашел транзистор. Понюхал.
Аватар пользователя

Карма: 4
Рейтинг сообщений: 1
Зарегистрирован: Пт мар 09, 2012 00:06:10
Сообщений: 183
Откуда: Ярославль
Рейтинг сообщения: 0
На всякий случай выскажусь по:

ко мне едет три ЭМФДП 500с-17,.


По типам ЭМФ тут было категорически заявлено, что компактные квадратные имеют характеристики гораздо худшие, чем привычный , круглый, большой ЭМФ, для этой схемы и её АЧХ особенностей.
Вам случайно не такие идут? - Изображение

Тогда как надо вот такие - Изображение
Я про размеры, которые определяют некоторые важные параметры фильтра (как тут было сказано одним из спецов).
Вас это не смущает?


Вы не совсем правильно поняли спеца :) в Вашем случае речь шла не про размеры фильтра, а про обозначение, там маленький фильтр имел меньшую полосу пропускания. То есть, в обозначении фильтра ЭМФ 500-3,5 последнее число - это полоса пропускания в килогерцах. В моём случае - это цифра 17, то есть, у меня полоса пропускания 17кГц, чего вполне достаточно для звукового диапазона. А отличия квадратных и круглых фильтров, по сути, только в расположении выводов.

_________________
Одна голова - хорошо, а две +3dB
https://t.me/damagesound


Вернуться наверх
 
 Заголовок сообщения: Re: Устройство для модуляции голоса
СообщениеДобавлено: Пт мар 17, 2023 15:59:17 
Друг Кота
Аватар пользователя

Карма: -34
Рейтинг сообщений: 556
Зарегистрирован: Пт июл 25, 2014 12:25:27
Сообщений: 6214
Откуда: Свердловская обл.
Рейтинг сообщения: 0
Arsenix писал(а):
отличия квадратных и круглых фильтров, по сути, только в расположении выводов.

А я подумал что размер отчасти определяет полосу пропускания.
Что это взаимосвязано.
Тогда надо ещё раз свои пересмотреть и вернуться к высказыванию спеца, перечитать.

_________________
Гуглить умею, но гораздо более ценю живые мнения+личный опыт.
http://www.youtube.com/watch?v=NUysiCX- ... r_embedded


Вернуться наверх
 
 Заголовок сообщения: Re: Устройство для модуляции голоса
СообщениеДобавлено: Пт мар 17, 2023 17:23:24 
Друг Кота
Аватар пользователя

Карма: 11
Рейтинг сообщений: 43
Зарегистрирован: Чт июл 03, 2014 21:06:30
Сообщений: 3413
Рейтинг сообщения: 0
as265 писал(а):
в аудасити данный эффект делается.

Вы всерьёз сравниваете компьютерную обработку с аналоговой схемой?

Может ещё с магнитофоном сравните? В котором скорость регулируется? С виниловой пластинкой? Которую можно пальцем подкрутить, или подтормозить?
Мне кажется это дичь, вообще вспоминать ТУТ (!!) про комп-обработки.

Ну что касается разных DSP, там частота генератора может управляться сигналом, то есть потенциометром, приделанным к входу АЦП

adau1701, что самое дешевое, в чипидипе стоит 1400 рублей, найти только, чем зашить i2c eepom, и всё

_________________
умная подпись такая с умным изречением, как у умных умников, на умном языке


Вернуться наверх
 
 Заголовок сообщения: Re: Устройство для модуляции голоса
СообщениеДобавлено: Пт мар 17, 2023 20:16:02 
Друг Кота
Аватар пользователя

Карма: -34
Рейтинг сообщений: 556
Зарегистрирован: Пт июл 25, 2014 12:25:27
Сообщений: 6214
Откуда: Свердловская обл.
Рейтинг сообщения: 0
as265 писал(а):
Ну что касается разных DSP, там частота генератора может управляться сигналом, то есть потенциометром, приделанным к входу АЦП


Я был не прав.

Ведь теперь компьютер, это и маленькая плата и, значит, в большом компьютере какая -то программа, это и легкий вариант, с маленьким компьютером-платой.
Извините, был не прав.

_________________
Гуглить умею, но гораздо более ценю живые мнения+личный опыт.
http://www.youtube.com/watch?v=NUysiCX- ... r_embedded


Вернуться наверх
 
 Заголовок сообщения: Re: Устройство для модуляции голоса
СообщениеДобавлено: Пт мар 17, 2023 20:17:55 
Нашел транзистор. Понюхал.
Аватар пользователя

Карма: 4
Рейтинг сообщений: 1
Зарегистрирован: Пт мар 09, 2012 00:06:10
Сообщений: 183
Откуда: Ярославль
Рейтинг сообщения: 0
найти только, чем зашить i2c eepom, и всё

В том же чипидипе есть сигмалинк, которым можно не только зашить флешку, но и менять параметры на лету)

_________________
Одна голова - хорошо, а две +3dB
https://t.me/damagesound


Вернуться наверх
 
 Заголовок сообщения: Re: Устройство для модуляции голоса
СообщениеДобавлено: Пт мар 17, 2023 21:03:10 
Друг Кота
Аватар пользователя

Карма: 11
Рейтинг сообщений: 43
Зарегистрирован: Чт июл 03, 2014 21:06:30
Сообщений: 3413
Рейтинг сообщения: 0
найти только, чем зашить i2c eepom, и всё

В том же чипидипе есть сигмалинк, которым можно не только зашить флешку, но и менять параметры на лету)

они ногу selfboot запаяли железно, ее отпаивать/поднимать приходилось, иначе на адау 1701 не работал usbi интерфейс

usbi на базе перепрошитой синей платки на сy7c68013a с али

Добавлено after 3 minutes 47 seconds:
as265 писал(а):
Ну что касается разных DSP, там частота генератора может управляться сигналом, то есть потенциометром, приделанным к входу АЦП


Я был не прав.

Ведь теперь компьютер, это и маленькая плата и, значит, в большом компьютере какая -то программа, это и легкий вариант, с маленьким компьютером-платой.
Извините, был не прав.

Нет, ну вдруг потребуется какое-то любительское радио сделать, а дспшка имеет максимум частоту дискретизации 192 килогерца, соответственно, полоса сигнала с ЦАП до 96 кГц... я просто пока не могу сказать, удобна ли промежуточная частота 80 кГц, к примеру, для того, чтобы передатчик сделать

не зря же эти фильтры рассчитаны на частоты вроде 500 кГц

_________________
умная подпись такая с умным изречением, как у умных умников, на умном языке


Вернуться наверх
 
 Заголовок сообщения: Re: Устройство для модуляции голоса
СообщениеДобавлено: Пт мар 17, 2023 21:15:10 
Нашел транзистор. Понюхал.
Аватар пользователя

Карма: 4
Рейтинг сообщений: 1
Зарегистрирован: Пт мар 09, 2012 00:06:10
Сообщений: 183
Откуда: Ярославль
Рейтинг сообщения: 0
они ногу selfboot запаяли железно, ее отпаивать/поднимать приходилось, иначе на адау 1701 не работал usbi интерфейс

Пардон, вынужден не согласиться, у меня чипдиповская RDC на 1701 работает прекрасно и с usbi и с ардуинкой, даже прошивку с неё читает :)

_________________
Одна голова - хорошо, а две +3dB
https://t.me/damagesound


Вернуться наверх
 
 Заголовок сообщения: Re: Устройство для модуляции голоса
СообщениеДобавлено: Пт мар 17, 2023 21:17:18 
Друг Кота
Аватар пользователя

Карма: 11
Рейтинг сообщений: 43
Зарегистрирован: Чт июл 03, 2014 21:06:30
Сообщений: 3413
Рейтинг сообщения: 0
Значит, я что-то не учел, но у меня оно никак не хотело

_________________
умная подпись такая с умным изречением, как у умных умников, на умном языке


Вернуться наверх
 
 Заголовок сообщения: Re: Устройство для модуляции голоса
СообщениеДобавлено: Сб мар 18, 2023 00:05:38 
Вымогатель припоя
Аватар пользователя

Карма: 12
Рейтинг сообщений: 46
Зарегистрирован: Сб сен 01, 2007 15:57:22
Сообщений: 531
Откуда: Н.Новгород
Рейтинг сообщения: 0
А я подумал что размер отчасти определяет полосу пропускания.
Что это взаимосвязано. Тогда надо ещё раз свои пересмотреть .
Martel Статья о параметрах ЭМФ на 500кГц, так будет проще самому ориентироваться. Только помните она не затрагивает другие типы фильтров на отличные от 500кГц частоты.

_________________
Желаю счастья в личной жизни ПУХ!


Вернуться наверх
 
 Заголовок сообщения: Re: Устройство для модуляции голоса
СообщениеДобавлено: Сб мар 18, 2023 09:01:05 
Друг Кота
Аватар пользователя

Карма: -34
Рейтинг сообщений: 556
Зарегистрирован: Пт июл 25, 2014 12:25:27
Сообщений: 6214
Откуда: Свердловская обл.
Рейтинг сообщения: 0
ПУХ писал(а):
Martel Статья о параметрах ЭМФ на 500кГц, так будет проще самому ориентироваться.


Спасибо. Попытался найти там свои, но не нашёл (те свои, которые покомпактнее чем главный, круглый, который точно подойдёт, если исправный).

Вот какие у меня:

Изображение

_________________
Гуглить умею, но гораздо более ценю живые мнения+личный опыт.
http://www.youtube.com/watch?v=NUysiCX- ... r_embedded


Вернуться наверх
 
 Заголовок сообщения: Re: Устройство для модуляции голоса
СообщениеДобавлено: Пн мар 20, 2023 13:19:41 
Нашел транзистор. Понюхал.
Аватар пользователя

Карма: 4
Рейтинг сообщений: 1
Зарегистрирован: Пт мар 09, 2012 00:06:10
Сообщений: 183
Откуда: Ярославль
Рейтинг сообщения: 0
Вот какие у меня:

Изображение

Ну, в таком случае, у двух нижних фильтров полоса пропускания даже лучше, чем у круглого фильтра, про который Вы говорили ранее. Незначительно, правда, всего на 100Гц, но тем не менее.)

_________________
Одна голова - хорошо, а две +3dB
https://t.me/damagesound


Вернуться наверх
 
 Заголовок сообщения: Re: Устройство для модуляции голоса
СообщениеДобавлено: Пн мар 20, 2023 22:37:10 
Друг Кота
Аватар пользователя

Карма: -34
Рейтинг сообщений: 556
Зарегистрирован: Пт июл 25, 2014 12:25:27
Сообщений: 6214
Откуда: Свердловская обл.
Рейтинг сообщения: 0
Arsenix писал(а):
в таком случае, у двух нижних фильтров полоса пропускания даже лучше, чем у круглого фильтра, про который Вы говорили ранее. Незначительно, правда, всего на 100Гц, но тем не менее


Спасибо.

Вот пост, в котором про полосу пропускания, который я наверное до сих пор не понял. Но это моя проблема.

ЭМФДП-500В-2,35 полоса пропускания 2,35кГц, ЭМФ-500-3В-9Д с полосой 3 кГц. Поэтому решайте под свою задачу. 2,35кГц, человеческую речь сможет пропустить, на уровне разборчивости и не больше(он же предназначен для связной аппаратуры, а там это актуально), а вот музыку сомнительно.
У меня ЭМФДП-500С-18.
.


----------
Если и правда вот этот большой, круглый (ЭМФ-9Д-500-3В) не лучше чем два нижних квадратных (ЭМФДП-500Н-3,1), выше на фото, то для моей платы , такой квадратный (он компактнее), будет идеально для умещения элементов .

Изображение
Этот 9-ти дисковый.
----------
А этот, прямоугольный - ЭМФДП-500Н-3,1 вроде как 11 дисков. Ну тогда значит его и поставлю.
СпойлерИзображение

_________________
Гуглить умею, но гораздо более ценю живые мнения+личный опыт.
http://www.youtube.com/watch?v=NUysiCX- ... r_embedded


Вернуться наверх
 
 Заголовок сообщения: Re: Устройство для модуляции голоса
СообщениеДобавлено: Вт мар 21, 2023 17:40:20 
Вымогатель припоя
Аватар пользователя

Карма: 12
Рейтинг сообщений: 46
Зарегистрирован: Сб сен 01, 2007 15:57:22
Сообщений: 531
Откуда: Н.Новгород
Рейтинг сообщения: 0
Martel- , по-моему остался у меня от предыдущего проекта ЭМФ с полосой 7,5 кГц, завтра поищу, если найду. Он несомненно значительно лучше чем Ваши. В связи с переездом в другое помещение такой бардак.

_________________
Желаю счастья в личной жизни ПУХ!


Вернуться наверх
 
 Заголовок сообщения: Re: Устройство для модуляции голоса
СообщениеДобавлено: Вт мар 21, 2023 20:19:18 
Друг Кота
Аватар пользователя

Карма: -34
Рейтинг сообщений: 556
Зарегистрирован: Пт июл 25, 2014 12:25:27
Сообщений: 6214
Откуда: Свердловская обл.
Рейтинг сообщения: 0
ПУХ писал(а):
у меня от предыдущего проекта ЭМФ с полосой 7,5 кГц, завтра поищу, если найду. Он несомненно значительно лучше чем Ваши.

Спасибо за участие и щедрость.
Но если мы живем в разных регионах России, то наверное это хлопотно и отнимет Ваше время.
Далеко от Урала?)
В общем, ещё обсудим.

_________________
Гуглить умею, но гораздо более ценю живые мнения+личный опыт.
http://www.youtube.com/watch?v=NUysiCX- ... r_embedded


Вернуться наверх
 
 Заголовок сообщения: Re: Устройство для модуляции голоса
СообщениеДобавлено: Пн мар 27, 2023 02:17:22 
Нашел транзистор. Понюхал.
Аватар пользователя

Карма: 4
Рейтинг сообщений: 1
Зарегистрирован: Пт мар 09, 2012 00:06:10
Сообщений: 183
Откуда: Ярославль
Рейтинг сообщения: 0
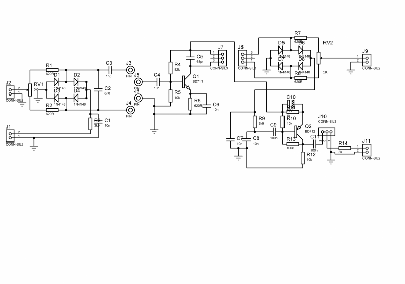
Итак. Я добрался до протеуса и набросал схему по быстрому. То есть выбросил за борт "всё лишнее", а именно генераторы несущей и перестраиваемой, а также LFO для вибрато. В сухом остатке получилось совсем немного. отдельными платами будут входной буфер, генераторы и плата управления.
На схеме некоторые названия не соответствуют действительности, брал их только ради корпусов. Вот что получилось в итоге, "тапок не боюсь, а критику люблю" Старался всё делать плотнее. За схему заранее пардон, делал её по сути только ради CAD.
Изображение Изображение Изображение
трёхпиновые разъёмы J7 J8 - место распайки ЭМФ, пины J3 J4 J5 J6 - место распайки катушек L3 L4

_________________
Одна голова - хорошо, а две +3dB
https://t.me/damagesound


Вернуться наверх
 
Показать сообщения за:  Сортировать по:  Вернуться наверх
Начать новую тему Ответить на тему  [ Сообщений: 127 ]    , , , , 5, ,  

Часовой пояс: UTC + 3 часа


Вы не можете начинать темы
Вы не можете отвечать на сообщения
Вы не можете редактировать свои сообщения
Вы не можете удалять свои сообщения
Вы не можете добавлять вложения

Найти:
Перейти:  


Powered by phpBB © 2000, 2002, 2005, 2007 phpBB Group
Русская поддержка phpBB
Extended by Karma MOD © 2007—2012 m157y
Extended by Topic Tags MOD © 2012 m157y