Например TDA7294

Форум РадиоКот • Просмотр темы - Ультразвуковой течеискатель на К157УД2 и TDA 2822M
Форум РадиоКот
Здесь можно немножко помяукать :)

Текущее время: Вт фев 24, 2026 09:05:09

Часовой пояс: UTC + 3 часа


ПРЯМО СЕЙЧАС:



Начать новую тему Ответить на тему  [ Сообщений: 10 ] 
Автор Сообщение
 Заголовок сообщения: Ультразвуковой течеискатель на К157УД2 и TDA 2822M
СообщениеДобавлено: Пн авг 08, 2022 00:16:10 
Родился

Зарегистрирован: Вт авг 02, 2022 23:57:54
Сообщений: 5
Рейтинг сообщения: 0
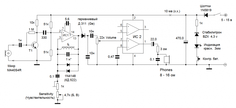
Доброго времени суток. Собрал устройство по данной схеме, работающее по принципу резонансного усилителя на LC-контуре
Изображение
Микрофон - MA40S4R, ультразвуковой пьезо-микрофон, резонансная частота 40 кГц, собственная ёмкость 2550 пф.
ИС1 -К157УД2, сдвоенный ОУ (стерео, малошумный), корпус DIP 14, используется только один канал.
ИС2 - TDA 2822M, маломощный низковольтный стерео усилитель, корпус DIP 8, используется один канал.
Т1 - транзистор КТ 3102Е, малошумящий
Катушка индуктивности L1, В чашечном (броневом) сердечнике Ф 11х 6,5мм, М2000 НМ1-16 Ч 11, L1 = 14 мГн, 120 вит. провод ПЭЛ - 0,1мм.
http://samlib.ru/m/makeew_l_a/1621.shtml
Но с кое какими изменениями, а именно: изготовить такую индуктивность самому оказалось задачей нетривиальной, поэтому пришлось искать наиболее близкие готовые решения, выбор пал на 13.3мГн(с маркировкой 15мГн) Q=70 или 14,7мГн(с той же маркировкой 15мГн) Q=50. На данный момент стоит 13.3мГн тк имеет большую добротность. Также конденсатор 5.6мкФ в моем случае состоит из 4.7+1мкФ. Еще пропущена цепь индикации питания, но это к делу не относится.
ТК генератором синуса не располагаю, настраивать собирался на слух, источником колебаний выбрал баллончик с сжатым воздухом и зажигалку, что должно имитировать течи разной интенсивности. Расчетная емкость для 40кГц=1.19нФ. Использовал разнообразные комбинации из 820, 150, 56, 47пФ +кпе 20...60пФ. В общей сложности прошел диапазон от 1100 до 1200пФ.
Проблема в том, что дробный шум в наушниках звучит все время, не зависимо от изменения емкости LC и внешних источников типа той же зажигалки. Вероятно схема находится в режиме самовозбуждения постоянно. На изменения переменного резистора 4.7кОм практически не реагирует, на малой громкости при увеличении чувствительности слегка усиливает шум, на большой и средней разница не ощутима. Также ситуацию осложняет, что схема очень чувствительна к помехам, регулировать кпе то еще удовольствие, локоть приходится держать как можно дальше контура, просто прикосновения к переменникам громкости и чувствительности тоже усиливает помехи. При питании от 9в шум режуще-резкий, от 6в помягче.
Зато если выкрутить громкость в ноль, ловит радио :) , вроде европа+ 103.6фм, но это не точно, слишком тихо.
ЗЫ нашел почти идентичную схему, с другими номиналами и без диодов
СпойлерИзображение


Вложения:
1621-2 (1).png [30.24 KiB]
Скачиваний: 156
Вернуться наверх
 
 Заголовок сообщения: Re: Ультразвуковой течеискатель на К157УД2 и TDA 2822M
СообщениеДобавлено: Пн авг 08, 2022 07:39:22 
Открыл глаза

Карма: -10
Рейтинг сообщений: 0
Зарегистрирован: Вс авг 07, 2022 16:27:38
Сообщений: 62
Рейтинг сообщения: 0
5,6 - это пикофарады...Детектор - так себе, работает за счёт обратного тока германиевого диода (такое уже лет 50 не используют)

_________________
просьба не банить больше, чем на 3 дня, а то надоела бессмысленная перерегистрация...)))))
все неумные участники тем из раздела МЯУ приглашаются минусовать мне карму
Список прилагается : asvhmao, EreminIV77, FAKIR, HariusHek


Вернуться наверх
 
 Заголовок сообщения: Re: Ультразвуковой течеискатель на К157УД2 и TDA 2822M
СообщениеДобавлено: Пн авг 08, 2022 08:20:47 
Родился

Зарегистрирован: Вт авг 02, 2022 23:57:54
Сообщений: 5
Рейтинг сообщения: 0
22Cаtоk, я подозревал такое, но выбрал мкФ тк значение с запятой, поменяю и попробую настроить. Что детектор не лучшего качества понимаю, но соблазнила относительная простота сборки и возможность настройки "на слух". Вечером отпишусь, что получилось.


Вернуться наверх
 
 Заголовок сообщения: Re: Ультразвуковой течеискатель на К157УД2 и TDA 2822M
СообщениеДобавлено: Пн авг 08, 2022 19:49:47 
Сверлит текстолит когтями
Аватар пользователя

Карма: 6
Рейтинг сообщений: 231
Зарегистрирован: Пн ноя 08, 2021 13:12:57
Сообщений: 1214
Откуда: 58С 58В
Рейтинг сообщения: 0
xupypr.92, ---Что детектор не лучшего качества понимаю---
Вроде диод лучше параллельно регулятору громкости. (-1 конденсатор).

_________________
Свежий взгляд из прошлого тысячелетия.


Вернуться наверх
 
Эиком - электронные компоненты и радиодетали
 Заголовок сообщения: Re: Ультразвуковой течеискатель на К157УД2 и TDA 2822M
СообщениеДобавлено: Вт авг 09, 2022 00:31:03 
Родился

Зарегистрирован: Вт авг 02, 2022 23:57:54
Сообщений: 5
Рейтинг сообщения: 0
22Cаtоk, убрал конденсаторы между 5 и 9 пинами К157, проверил - без изменений, поставил последовательно 2 конденсатора 10пФ, тоже не помогло. Для верности выпаял микрофон, заодно замерил емкость - вместе с 1м кабеля около 1350пФ.
Динозавр, я понимаю так
СпойлерИзображение

Весь вечер боролся с фоном, перепаивал выхода на наушники и микро, даже сделал экранированную коробку, пока без толку. Завтра опробую Ваше предложение с диодом. Вообще участок с потенциометром громкости вызывает подозрения, стоит поднести к нему руку - треск усиливается, а от касаний так зашкаливает.


Вернуться наверх
 
 Заголовок сообщения: Re: Ультразвуковой течеискатель на К157УД2 и TDA 2822M
СообщениеДобавлено: Вт авг 09, 2022 08:40:52 
Открыл глаза

Карма: -10
Рейтинг сообщений: 0
Зарегистрирован: Вс авг 07, 2022 16:27:38
Сообщений: 62
Рейтинг сообщения: 0
новое - хорошо забытое старое (Радио 1969-10)
Изображение

_________________
просьба не банить больше, чем на 3 дня, а то надоела бессмысленная перерегистрация...)))))
все неумные участники тем из раздела МЯУ приглашаются минусовать мне карму
Список прилагается : asvhmao, EreminIV77, FAKIR, HariusHek


Вернуться наверх
 
 Заголовок сообщения: Re: Ультразвуковой течеискатель на К157УД2 и TDA 2822M
СообщениеДобавлено: Вт авг 09, 2022 13:09:38 
Родился

Зарегистрирован: Вт авг 02, 2022 23:57:54
Сообщений: 5
Рейтинг сообщения: 0
22Cаtоk, читал эту статью перед сборкой, сам удивился, насколько давно придумали такое устройство. Схема конечно посложнее, микрух не штамповали еще, да и без осциллографа с генератором синуса там делать нечего. Мой случай осложняется тем же самым, таким оборудованием не располагаю, посмотреть что происходит в контуре нечем :(
Как насчет самовозбуждения? Может добавить сопротивления к sensitivity? Хотя врядли, возбуждение идет и без микрофона. В схеме из "Радио" подбирали резистор R5, только сопоставить его не знаю с чем. В звуковых и частотных системах я :facepalm: до этого занимался больше по силовой части.


Вернуться наверх
 
 Заголовок сообщения: Re: Ультразвуковой течеискатель на К157УД2 и TDA 2822M
СообщениеДобавлено: Вт авг 09, 2022 16:55:13 
Друг Кота
Аватар пользователя

Карма: 59
Рейтинг сообщений: 703
Зарегистрирован: Вт сен 25, 2012 23:13:41
Сообщений: 5782
Откуда: г.Дзержинск Нижегородской обл.
Рейтинг сообщения: 0
Если посмотреть на работу схемы усилителя на ОУ в симуляторе, то отчетливо видно, что усилитель переходит в режим автогенератора после нескольких миллисекунд после старта. Если через небольшой промежуток времени после старта разомкнуть выключатель, то генерация продолжается на резонансной частоте. Побороть в данной схеме этот эффект очень непросто. В этом недостаток подобных схем.

Добавлено after 16 minutes 52 seconds:
Расчетная емкость для 40кГц=1.19нФ.
Что детектор не лучшего качества понимаю, но соблазнила относительная простота сборки и возможность настройки "на слух".

А Вы реально слышите 40 кГц? ;)

_________________
Спасение утопающих дело рук самих утопающих.


Вернуться наверх
 
 Заголовок сообщения: Re: Ультразвуковой течеискатель на К157УД2 и TDA 2822M
СообщениеДобавлено: Вт авг 09, 2022 20:02:32 
Сверлит текстолит когтями
Аватар пользователя

Карма: 6
Рейтинг сообщений: 231
Зарегистрирован: Пн ноя 08, 2021 13:12:57
Сообщений: 1214
Откуда: 58С 58В
Рейтинг сообщения: 0
xupypr.92, --- я понимаю так---
Не так. Параллельно конкретно регулятору громкости. Анод правее конденсатора.

_________________
Свежий взгляд из прошлого тысячелетия.


Вернуться наверх
 
 Заголовок сообщения: Re: Ультразвуковой течеискатель на К157УД2 и TDA 2822M
СообщениеДобавлено: Вт авг 09, 2022 23:49:08 
Родился

Зарегистрирован: Вт авг 02, 2022 23:57:54
Сообщений: 5
Рейтинг сообщения: 0
Николай_С, Спасибо за симуляцию! Теперь можно поиграться с параметрами наглядно. 40кГц я конечно не слышу, "на слух" как я себе представлял, услышу преобразованный сигнал когда подберу нужную емкость при помощи подстроечного конденсатора, я думал усилитель до этого будет молчать. Хотел просто шипеть сжатым воздухом и крутить кпе до характерного звука.


Вернуться наверх
 
Показать сообщения за:  Сортировать по:  Вернуться наверх
Начать новую тему Ответить на тему  [ Сообщений: 10 ] 

Часовой пояс: UTC + 3 часа


Вы не можете начинать темы
Вы не можете отвечать на сообщения
Вы не можете редактировать свои сообщения
Вы не можете удалять свои сообщения
Вы не можете добавлять вложения

Найти:
Перейти:  


Powered by phpBB © 2000, 2002, 2005, 2007 phpBB Group
Русская поддержка phpBB
Extended by Karma MOD © 2007—2012 m157y
Extended by Topic Tags MOD © 2012 m157y