Например TDA7294

Форум РадиоКот • Просмотр темы - Генератор сигналов ЗЧ из журнала Радио 1989 №5 перевозбуд
Форум РадиоКот
Здесь можно немножко помяукать :)

Текущее время: Ср янв 21, 2026 14:17:33

Часовой пояс: UTC + 3 часа


ПРЯМО СЕЙЧАС:



Начать новую тему Ответить на тему  [ Сообщений: 9 ] 
Автор Сообщение
Не в сети
 Заголовок сообщения: Генератор сигналов ЗЧ из журнала Радио 1989 №5 перевозбуд
СообщениеДобавлено: Вт июл 08, 2025 22:56:04 
Родился

Зарегистрирован: Вт июл 08, 2025 19:34:32
Сообщений: 9
Рейтинг сообщения: 0
сем привет!
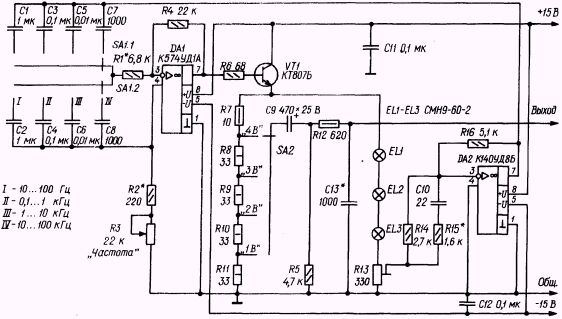
Собрал Генератор сигналов ЗЧ из журнала Радио 1989 №5. Понимаю что старьё и лучше что то на ардухе сделать. Но дело было давно и работало хотя и с глюками. Тут интерес спортивный и чувствую что ерунда мешает это доделать!
А сейчас достал и решил доделать. (про резистор R11 знаю включён к -15 вольт)
Проблема в следующем:
При схеме из журнала не работал вообще а генерировал не пойми что около 1...3 мгц.
Методом тыка в разные места подобрал конденсатор около 2...8 нф. меду входами операционника DA2 (в DA1 я тоже пробовал) :))
В итоге вроде заработало и по частотам ногм и синусоида красивая. Но иногда берёт и срывается в какой то перевозбуд с амплитудой около вольта и частотой мегагерца 3. Причеьм срыв происходит обычно в момент включения или резкого переключения диапазона.

3 диапазона 10-100, 100-1000, 1000-10000 Гц. работают отлично. Амплитуда 5 вольт (в журнале пишут что надо 4 но у меня на высоких не работает).
Но при переключении на диапазон 10000-100000гц. Амплитуда падает на 10 кгц до 3 вольт а на 100000 растёт где то до 6.

При втором усилителе к140уд8 я вообще не смог поднять частоту выше 40 кгц. В итоге оставил оба к574уд1.

P.S. Обидно что добился того что вроде работает но иногда срывается в какой то возбуд а если например дорожки пальцем коснёшся то опять в нормальный режим возвращается.

Может кто подскажет что ещё можно попробовать или хотя бы куда копать?


Вложения:
R11 на -15 вольт (там ошибка).jpg [40.31 KiB]
Скачиваний: 237
Вернуться наверх
 
Не в сети
 Заголовок сообщения: Re: Генератор сигналов ЗЧ из журнала Радио 1990 №5 перевозбу
СообщениеДобавлено: Ср июл 09, 2025 18:08:25 
Друг Кота
Аватар пользователя

Карма: 116
Рейтинг сообщений: 4518
Зарегистрирован: Пт мар 30, 2012 05:17:29
Сообщений: 16154
Откуда: Екатеринбург
Рейтинг сообщения: 0
В 80-е годы был популярен усилитель А. Агеева, описанный в восьмом номере Радио 1982-го года. Где я тогда работал, собрали несколько штук таких усилителей мелкой серией, меня попросили помочь с наладкой. Там ОУ был тоже К140УД8, так в одном экземпляре он возбуждался. Проблема была решена заменой ОУ. Но причиной проблемы может быть и что-то другое: неудачный монтаж, отсутствие блокировки по обоим питаниям или неправильная установка оной, да мало ли...

_________________
И хрюкотали зелюки,
Как мюмзики в мове.


Вернуться наверх
 
Не в сети
 Заголовок сообщения: Re: Генератор сигналов ЗЧ из журнала Радио 1990 №5 перевозбу
СообщениеДобавлено: Ср июл 09, 2025 18:29:20 
Держит паяльник хвостом

Карма: 2
Рейтинг сообщений: 116
Зарегистрирован: Пт ноя 22, 2024 14:08:43
Сообщений: 924
Рейтинг сообщения: 0
о возбуждении немного написано в консультации Радио 1991-10


Последний раз редактировалось Krismi70 Ср июл 09, 2025 19:55:03, всего редактировалось 1 раз.

Вернуться наверх
 
Не в сети
 Заголовок сообщения: Re: Генератор сигналов ЗЧ из журнала Радио 1990 №5 перевозбу
СообщениеДобавлено: Ср июл 09, 2025 18:46:44 
Держит паяльник хвостом
Аватар пользователя

Карма: 16
Рейтинг сообщений: 209
Зарегистрирован: Вс дек 02, 2012 16:58:33
Сообщений: 939
Откуда: от туда
Рейтинг сообщения: 0
Добрый вечер.
Судя по даташиту, для К574УД1 нужен корректирующий конденсатор между выводами 7 и 6 ёмкостью 6-30пФ.
И схема с двумя ОУ с предельной частотой 10МГц имеет большой сдвиг фазы при частоте 100кГц, и, собственно, низкую устойчивость. Лучше схема с мостом Вина на одном ОУ, или на импортных быстродействующих.


Вернуться наверх
 
Эиком - электронные компоненты и радиодетали
Не в сети
 Заголовок сообщения: Re: Генератор сигналов ЗЧ из журнала Радио 1990 №5 перевозбу
СообщениеДобавлено: Ср июл 09, 2025 21:55:34 
Родился

Зарегистрирован: Вт июл 08, 2025 19:34:32
Сообщений: 9
Рейтинг сообщения: 0
Добавлено after 1 minute 55 seconds:
В 80-е годы был популярен усилитель А. Агеева, описанный в восьмом номере Радио 1982-го года. Где я тогда работал, собрали несколько штук таких усилителей мелкой серией, меня попросили помочь с наладкой. Там ОУ был тоже К140УД8, так в одном экземпляре он возбуждался. Проблема была решена заменой ОУ.

Вот этого и боюсь! :) что или выбросить или оставить как есть (на нижних нормально работает).

Добавлено after 4 minutes 12 seconds:
Добрый вечер.
Судя по даташиту, для К574УД1 нужен корректирующий конденсатор между выводами 7 и 6 ёмкостью 6-30пФ.
И схема с двумя ОУ с предельной частотой 10МГц имеет большой сдвиг фазы при частоте 100кГц, и, собственно, низкую устойчивость. Лучше схема с мостом Вина на одном ОУ, или на импортных быстродействующих.

Пробовал. Но частота тогда не достигает 100 кгц (((

Добавлено after 20 minutes 13 seconds:
о возбуждении немного написано в консультации Радио 1991-10

Спасибо. Пробовал. Не помогло(((


Вернуться наверх
 
Не в сети
 Заголовок сообщения: Re: Генератор сигналов ЗЧ из журнала Радио 1989 №5 перевозбу
СообщениеДобавлено: Ср июл 09, 2025 22:27:03 
Друг Кота
Аватар пользователя

Карма: 26
Рейтинг сообщений: 831
Зарегистрирован: Сб янв 28, 2006 22:47:24
Сообщений: 5831
Рейтинг сообщения: 0
Лампочки надо подбирать. Из полного ведерка как раз 3 штуки подходящих обнаружатся. И операционниики чтобы с ВП, не из ведерка в изоляторе брака. Автор схемы просто забыл об этом написать. Или не забыл, но редакция подредактировала.

_________________
Астролябия-сама меряет, было бы что мерять!!!


Вернуться наверх
 
Не в сети
 Заголовок сообщения: Re: Генератор сигналов ЗЧ из журнала Радио 1989 №5 перевозбу
СообщениеДобавлено: Ср июл 09, 2025 22:53:50 
Родился

Зарегистрирован: Вт июл 08, 2025 19:34:32
Сообщений: 9
Рейтинг сообщения: 0
Лампочки надо подбирать. Из полного ведерка как раз 3 штуки подходящих обнаружатся. И операционниики чтобы с ВП, не из ведерка в изоляторе брака. Автор схемы просто забыл об этом написать. Или не забыл, но редакция подредактировала.

Я операционники в "военных" корпусах с "золотыми ножками" как раз и поставил. Лампочки в итоге вместо 3 оставил 2...
(одну закоротил иначе не работало).


Вернуться наверх
 
Не в сети
 Заголовок сообщения: Re: Генератор сигналов ЗЧ из журнала Радио 1989 №5 перевозбу
СообщениеДобавлено: Ср июл 09, 2025 23:25:07 
Друг Кота
Аватар пользователя

Карма: 26
Рейтинг сообщений: 831
Зарегистрирован: Сб янв 28, 2006 22:47:24
Сообщений: 5831
Рейтинг сообщения: 0
ИМХО, правильная работа (как обещал автор) этой схемы есть дело случая и везения. Лично мне не нравится включение VT1 эмиттерным повторителем. Да, в базе у него резистор, но я бы ему еще в коллектор воткнул ом на 5-10.

_________________
Астролябия-сама меряет, было бы что мерять!!!


Вернуться наверх
 
Не в сети
 Заголовок сообщения: Re: Генератор сигналов ЗЧ из журнала Радио 1989 №5 перевозбу
СообщениеДобавлено: Сб июл 26, 2025 01:34:34 
Друг Кота
Аватар пользователя

Карма: 24
Рейтинг сообщений: 207
Зарегистрирован: Ср мар 06, 2019 12:23:29
Сообщений: 9652
Рейтинг сообщения: 0
Собрал Генератор сигналов ЗЧ из журнала Радио 1989 №5. Понимаю что старьё и лучше что то на ардухе сделать.

Тогда может надо было ещё старее, из Радио № 4 за 1988 г.
Генератор сигналов А.Худошина
Тоже на 574 и УД8

Зы.
Но там тоже была в схеме ошибка:
R6 - 560, а должно 560 кОм.

_________________
Койот (Canis latrans) – это не Кот, а известен как американский шакал, является видом псовых...
____________

"Кто хочет, тот ищет возможности, кто не хочет —ищет причины."


Вернуться наверх
 
Показать сообщения за:  Сортировать по:  Вернуться наверх
Начать новую тему Ответить на тему  [ Сообщений: 9 ] 

Часовой пояс: UTC + 3 часа


Кто сейчас на форуме

Сейчас этот форум просматривают: нет зарегистрированных пользователей и гости: 24


Вы не можете начинать темы
Вы не можете отвечать на сообщения
Вы не можете редактировать свои сообщения
Вы не можете удалять свои сообщения
Вы не можете добавлять вложения

Найти:
Перейти:  


Powered by phpBB © 2000, 2002, 2005, 2007 phpBB Group
Русская поддержка phpBB
Extended by Karma MOD © 2007—2012 m157y
Extended by Topic Tags MOD © 2012 m157y