Например TDA7294

Форум РадиоКот • Просмотр темы - Нужно сделать мигалку на 555
Форум РадиоКот
Здесь можно немножко помяукать :)

Текущее время: Вс янв 25, 2026 13:23:11

Часовой пояс: UTC + 3 часа


ПРЯМО СЕЙЧАС:



Начать новую тему Ответить на тему  [ Сообщений: 99 ]  1, , , ,  
Автор Сообщение
Не в сети
 Заголовок сообщения: Нужно сделать мигалку на 555
СообщениеДобавлено: Пн дек 19, 2011 14:12:31 
Это не хвост, это антенна
Аватар пользователя

Карма: 4
Рейтинг сообщений: 16
Зарегистрирован: Вс сен 20, 2009 00:23:17
Сообщений: 1391
Откуда: Жидостан
Рейтинг сообщения: 0
Схемка вроде есть:
Изображение
Но если мне нужно подключить вместо каждого светодиода на этой схеме по 5 белых светодиодов, то есть ток на каждую из 2х веток должен быть по 100ма (20ма х 5) , то как нужно изменить эту схему?

_________________
Существует миф, о том, что дырявые вечно суют свой нос не в свое дело, ввиду необоснованного ЧСВ. Не правда! Это не миф! )))


Вернуться наверх
 
Не в сети
 Заголовок сообщения: Re: Нужно сделать мигалку на 555
СообщениеДобавлено: Пн дек 19, 2011 14:18:48 
Друг Кота
Аватар пользователя

Карма: 31
Рейтинг сообщений: 129
Зарегистрирован: Вт мар 02, 2010 17:05:19
Сообщений: 4446
Откуда: Белоруссия, Минск
Рейтинг сообщения: 0
На выходе два ключа PNP и NPN.
А вообще вариантов много.

_________________
Всё можно наладить,если вертеть в руках достаточно долго!


Вернуться наверх
 
Не в сети
 Заголовок сообщения: Re: Нужно сделать мигалку на 555
СообщениеДобавлено: Пн дек 19, 2011 14:21:56 
Модератор
Аватар пользователя

Карма: 14
Рейтинг сообщений: 37
Зарегистрирован: Чт дек 11, 2008 14:52:26
Сообщений: 11492
Откуда: град Нижний
Рейтинг сообщения: 0
Мяу, REB.. :beer:

REB писал(а):
(20ма х 5) , то как нужно изменить эту схему?
Вместо каждого светодиода на этой схеме включи последовательно 5 твоих белых светодиодов..
R3 и R4 - замени 27 Ом..
И запитай схему от 18-ти вольт, потреблять будет чуть больше 20мА..

ublhjnt писал(а):
На выходе два ключа PNP и NPN.
Зачем ключи, у 555-й выход 200мА..

_________________
ИзображениеМежду людьми возникает напряжение, если у них разный потенциал...


Вернуться наверх
 
Не в сети
 Заголовок сообщения: Re: Нужно сделать мигалку на 555
СообщениеДобавлено: Пн дек 19, 2011 14:38:38 
Это не хвост, это антенна
Аватар пользователя

Карма: 4
Рейтинг сообщений: 16
Зарегистрирован: Вс сен 20, 2009 00:23:17
Сообщений: 1391
Откуда: Жидостан
Рейтинг сообщения: 0
ublhjnt: есть под рукой N2N2907A + 2N2222A , BD140-10 + BD139-10, 2N2219 + 2n2905A. Что ставить? Конкретно схемку можешь подправить?=)
ТакиМяу, МитяРа :beer:
Свободного на все новогодние празники БП 18вольт у меня нету, только до 12.

_________________
Существует миф, о том, что дырявые вечно суют свой нос не в свое дело, ввиду необоснованного ЧСВ. Не правда! Это не миф! )))


Вернуться наверх
 
Эиком - электронные компоненты и радиодетали
Не в сети
 Заголовок сообщения: Re: Нужно сделать мигалку на 555
СообщениеДобавлено: Пн дек 19, 2011 14:53:40 
Модератор
Аватар пользователя

Карма: 14
Рейтинг сообщений: 37
Зарегистрирован: Чт дек 11, 2008 14:52:26
Сообщений: 11492
Откуда: град Нижний
Рейтинг сообщения: 0
REB писал(а):
нету, только до 12.
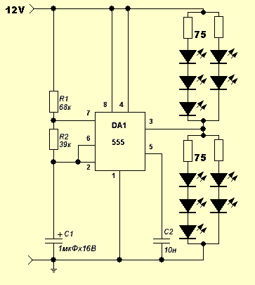
Тогда вместо каждого светодиода на схеме соедини параллельно по две цепочки из 3-х светодиодов и по тезистору на 75 Ом к каждой цепочке и запитай от 12 вольт..

_________________
ИзображениеМежду людьми возникает напряжение, если у них разный потенциал...


Вернуться наверх
 
Не в сети
 Заголовок сообщения: Re: Нужно сделать мигалку на 555
СообщениеДобавлено: Пн дек 19, 2011 15:36:45 
Это не хвост, это антенна
Аватар пользователя

Карма: 4
Рейтинг сообщений: 16
Зарегистрирован: Вс сен 20, 2009 00:23:17
Сообщений: 1391
Откуда: Жидостан
Рейтинг сообщения: 0
МитяРа: всё правильно понял?
Изображение
Ток какой должен быть у БП при таком раскладе?

_________________
Существует миф, о том, что дырявые вечно суют свой нос не в свое дело, ввиду необоснованного ЧСВ. Не правда! Это не миф! )))


Вернуться наверх
 
Не в сети
 Заголовок сообщения: Re: Нужно сделать мигалку на 555
СообщениеДобавлено: Пн дек 19, 2011 15:52:07 
Модератор
Аватар пользователя

Карма: 14
Рейтинг сообщений: 37
Зарегистрирован: Чт дек 11, 2008 14:52:26
Сообщений: 11492
Откуда: град Нижний
Рейтинг сообщения: 0
Картинку не могу посмотреть, а ток будет 20мА на каждую цепочку, заменяющую один светодиод в исходной схеме..

_________________
ИзображениеМежду людьми возникает напряжение, если у них разный потенциал...


Вернуться наверх
 
Не в сети
 Заголовок сообщения: Re: Нужно сделать мигалку на 555
СообщениеДобавлено: Пн дек 19, 2011 16:04:52 
Это не хвост, это антенна
Аватар пользователя

Карма: 4
Рейтинг сообщений: 16
Зарегистрирован: Вс сен 20, 2009 00:23:17
Сообщений: 1391
Откуда: Жидостан
Рейтинг сообщения: 0
МитяРа: вот так можешь?


Вложения:
555_test.GIF [5.63 KiB]
Скачиваний: 1185

_________________
Существует миф, о том, что дырявые вечно суют свой нос не в свое дело, ввиду необоснованного ЧСВ. Не правда! Это не миф! )))
Вернуться наверх
 
Не в сети
 Заголовок сообщения: Re: Нужно сделать мигалку на 555
СообщениеДобавлено: Пн дек 19, 2011 16:11:11 
Модератор
Аватар пользователя

Карма: 14
Рейтинг сообщений: 37
Зарегистрирован: Чт дек 11, 2008 14:52:26
Сообщений: 11492
Откуда: град Нижний
Рейтинг сообщения: 0
Теперь вижу..
Сопротивления в цепочках, где 2 светодиода - по 350-360 Ом..
Потребление будет в районе 40мА..

_________________
ИзображениеМежду людьми возникает напряжение, если у них разный потенциал...


Вернуться наверх
 
Не в сети
 Заголовок сообщения: Re: Нужно сделать мигалку на 555
СообщениеДобавлено: Пн дек 19, 2011 18:00:57 
Это не хвост, это антенна
Аватар пользователя

Карма: 4
Рейтинг сообщений: 16
Зарегистрирован: Вс сен 20, 2009 00:23:17
Сообщений: 1391
Откуда: Жидостан
Рейтинг сообщения: 0
МитяРа: благодарю, соберу - отпишу что получилось

_________________
Существует миф, о том, что дырявые вечно суют свой нос не в свое дело, ввиду необоснованного ЧСВ. Не правда! Это не миф! )))


Вернуться наверх
 
Не в сети
 Заголовок сообщения: Re: Нужно сделать мигалку на 555
СообщениеДобавлено: Пн дек 19, 2011 18:08:57 
Модератор
Аватар пользователя

Карма: 14
Рейтинг сообщений: 37
Зарегистрирован: Чт дек 11, 2008 14:52:26
Сообщений: 11492
Откуда: град Нижний
Рейтинг сообщения: 0
Давай.. и с наступающим тя.. :beer:

_________________
ИзображениеМежду людьми возникает напряжение, если у них разный потенциал...


Вернуться наверх
 
Не в сети
 Заголовок сообщения: Re: Нужно сделать мигалку на 555
СообщениеДобавлено: Сб дек 24, 2011 17:57:53 
Это не хвост, это антенна
Аватар пользователя

Карма: 4
Рейтинг сообщений: 16
Зарегистрирован: Вс сен 20, 2009 00:23:17
Сообщений: 1391
Откуда: Жидостан
Рейтинг сообщения: 0
МитяРа: Получилоь но как-то слишком шустро... Вот это вот:
Код:
днако есть два нюанса, которые показаны на графике пунктирными линиями.
Первый - если после окончания заряда конденсатора на входе сохраняется низкий уровень напряжения - в таком случае выход остается активным - на нем сохраняется высокий уровень до тех пор, пока на входе не появится высокий уровень. Второй - если мы активируем вход Сброс напряжением низкого уровня. В этом случае выход сразу же выключится, не смотря на то, что конденсатор все еще заряжается.
Так, лирическую часть закончили - перейдем к суровым цифрам и расчетам. Как же нам определить время, на которое будет включаться таймер и номиналы RC цепочки, необходимые для задания этого времени? Время, за которое конденсатор заряжается до 63,2% (2/3) напряжения питания называется временной константой, обозначим её буковкой t. Вычисляется это время потрясающей по своей сложности формулой. Вот она: t = R*C, где R - сопротивление резистора в МегаОм-ах, С - емкость конденсатора в микроФарад-ах. Время получается в секундах.

Касается всё той же схемы? Если да, то какой резистор и какой конденсатор имеются ввиду?

_________________
Существует миф, о том, что дырявые вечно суют свой нос не в свое дело, ввиду необоснованного ЧСВ. Не правда! Это не миф! )))


Вернуться наверх
 
В сети
 Заголовок сообщения: Re: Нужно сделать мигалку на 555
СообщениеДобавлено: Вс дек 25, 2011 19:31:09 
Друг Кота
Аватар пользователя

Карма: 48
Рейтинг сообщений: 96
Зарегистрирован: Пн мар 22, 2010 11:01:14
Сообщений: 7490
Откуда: СССР, г. Москва.
Рейтинг сообщения: 0
REB писал(а):
Касается всё той же схемы? Если да, то какой резистор и какой конденсатор имеются ввиду?

Какой схемы? Если ссылаются на схему, то хотя бы выставляют её в студию :dont_know:
68к, 39к и 1мкф - вот эти элементы задают частоту и что-то ещё. Тупо методом подбора поменять номиналы. Хоть те же резисторы перекинуть местами.

_________________
Я рожден при социализме, и я этим горжусь!


Вернуться наверх
 
Не в сети
 Заголовок сообщения: Re: Нужно сделать мигалку на 555
СообщениеДобавлено: Вс дек 25, 2011 21:26:21 
Грызет канифоль
Аватар пользователя

Зарегистрирован: Пт апр 09, 2010 21:16:30
Сообщений: 270
Откуда: Barnaul
Рейтинг сообщения: 0
Может, не в тему, но вот еще пару интересная схема на 555 таймере - фонарик светодиодный: http://radiogid.ucoz.ru/publ/skhemy/rad ... /5-1-0-993


Вернуться наверх
 
Не в сети
 Заголовок сообщения: Re: Нужно сделать мигалку на 555
СообщениеДобавлено: Вт дек 27, 2011 00:29:43 
Это не хвост, это антенна
Аватар пользователя

Карма: 4
Рейтинг сообщений: 16
Зарегистрирован: Вс сен 20, 2009 00:23:17
Сообщений: 1391
Откуда: Жидостан
Рейтинг сообщения: 0
Соник: зачем мне повторяться? Топикстартер - я, схемку привёл в первом сообщении, как бы другая тут и не обсуждалась...

По поводу метода научного тыка - спасибо, попробовал помогло (С1- 10мкф, С2-100нф)

Maxim1441: даже под угрозой конвоирования меня на концерт Филипа Киркорова, я не пойму накой поц, для питания 3 светодиодов от 9 вольт, нужна какая либо схема, если их можно просто подключить цепочкой... Они ведь не мигают никак, да и питание отнюдь не 1.5в ...... Зачем оно надо то?=)

_________________
Существует миф, о том, что дырявые вечно суют свой нос не в свое дело, ввиду необоснованного ЧСВ. Не правда! Это не миф! )))


Вернуться наверх
 
В сети
 Заголовок сообщения: Re: Нужно сделать мигалку на 555
СообщениеДобавлено: Вт дек 27, 2011 10:09:40 
Друг Кота
Аватар пользователя

Карма: 48
Рейтинг сообщений: 96
Зарегистрирован: Пн мар 22, 2010 11:01:14
Сообщений: 7490
Откуда: СССР, г. Москва.
Рейтинг сообщения: 0
С2 по-моему менять не надо.
По той схеме: светодиоды как раз мигают. Про ШИМ читал? :) Смысл вот в чём: подключаем светодиод к источнику питания - светодиод горит. Наши глаза видят его свечение. Теперь берём ШИМ, подключаем к нему светодиод - последний моргает с частотой в килогерцы. Что видят наши глаза? То же самое свечение светодиода, но потребление тока в этом случае меньше :)

_________________
Я рожден при социализме, и я этим горжусь!


Вернуться наверх
 
Не в сети
 Заголовок сообщения: Re: Нужно сделать мигалку на 555
СообщениеДобавлено: Ср дек 28, 2011 14:02:44 
Это не хвост, это антенна
Аватар пользователя

Карма: 4
Рейтинг сообщений: 16
Зарегистрирован: Вс сен 20, 2009 00:23:17
Сообщений: 1391
Откуда: Жидостан
Рейтинг сообщения: 0
Соник, при этом сама схема тоже что-то кушает.

_________________
Существует миф, о том, что дырявые вечно суют свой нос не в свое дело, ввиду необоснованного ЧСВ. Не правда! Это не миф! )))


Вернуться наверх
 
Не в сети
 Заголовок сообщения: Re: Нужно сделать мигалку на 555
СообщениеДобавлено: Вс дек 28, 2025 01:52:52 
Первый раз сказал Мяу!
Аватар пользователя

Зарегистрирован: Чт мар 31, 2022 22:31:57
Сообщений: 31
Откуда: УЛВФ
Рейтинг сообщения: 0
А можно эту схемку как-то адаптировать на 24 вольта? Чтобы не городить ещё и преобразователи?
И если нужно 2 независимых мигалки, нужно ли две одинаковые схемы?
Есть у меня цепи 24 вольта которые включают реле. Нужна сигнализация (мигающйи яркий диод) что реле включено.

_________________
Какие странные моторы - вода, огонь и ветер втроем. Дым над полосой, ни огонька, но наше небо выпускает шасси.


Вернуться наверх
 
Не в сети
 Заголовок сообщения: Re: Нужно сделать мигалку на 555
СообщениеДобавлено: Вс дек 28, 2025 02:42:27 
Друг Кота
Аватар пользователя

Карма: 197
Рейтинг сообщений: 8617
Зарегистрирован: Пн ноя 30, 2009 03:00:01
Сообщений: 43318
Откуда: Нерезиновая
Рейтинг сообщения: 0
General_Blackbird писал(а):
А можно эту схемку как-то адаптировать на 24 вольта? Чтобы не городить ещё и преобразователи?
Есть у меня цепи 24 вольта которые включают реле. Нужна сигнализация (мигающйи яркий диод) что реле включено.

А вообще зачем огород городить? Заходите на тот же озон:
https://www.ozon.ru/search/?text=%D1%81 ... lobal=true
или на алишку:
https://aliexpress.ru/wholesale?SearchT ... sr5LRflSM4
покупаете мигающие светодиоды и подходящие резисторы.. Всего 2 детальки, и все довольны!


Вернуться наверх
 
Не в сети
 Заголовок сообщения: Re: Нужно сделать мигалку на 555
СообщениеДобавлено: Вс дек 28, 2025 03:40:04 
Электрический кот

Карма: 5
Рейтинг сообщений: 178
Зарегистрирован: Пн май 01, 2017 20:01:45
Сообщений: 1094
Рейтинг сообщения: 0
Мигающие светодиоды на 12В.


Вернуться наверх
 
Показать сообщения за:  Сортировать по:  Вернуться наверх
Начать новую тему Ответить на тему  [ Сообщений: 99 ]  1, , , ,  

Часовой пояс: UTC + 3 часа


Кто сейчас на форуме

Сейчас этот форум просматривают: нет зарегистрированных пользователей и гости: 24


Вы не можете начинать темы
Вы не можете отвечать на сообщения
Вы не можете редактировать свои сообщения
Вы не можете удалять свои сообщения
Вы не можете добавлять вложения

Найти:
Перейти:  


Powered by phpBB © 2000, 2002, 2005, 2007 phpBB Group
Русская поддержка phpBB
Extended by Karma MOD © 2007—2012 m157y
Extended by Topic Tags MOD © 2012 m157y