Например TDA7294

Форум РадиоКот • Просмотр темы - устройство для счета наносекундных имп. тока у фэу, помогите
Форум РадиоКот
Здесь можно немножко помяукать :)

Текущее время: Вт мар 24, 2026 04:37:32

Часовой пояс: UTC + 3 часа


ПРЯМО СЕЙЧАС:



Начать новую тему Ответить на тему  [ Сообщений: 3 ] 
Автор Сообщение
 Заголовок сообщения: устройство для счета наносекундных имп. тока у фэу, помогите
СообщениеДобавлено: Пт апр 22, 2011 19:56:27 
Первый раз сказал Мяу!

Зарегистрирован: Ср мар 23, 2011 20:06:46
Сообщений: 34
Рейтинг сообщения: 0
В предыдущей теме мне один хороший специалист рекомендовал ряд хороших микрух для этой вещицы.
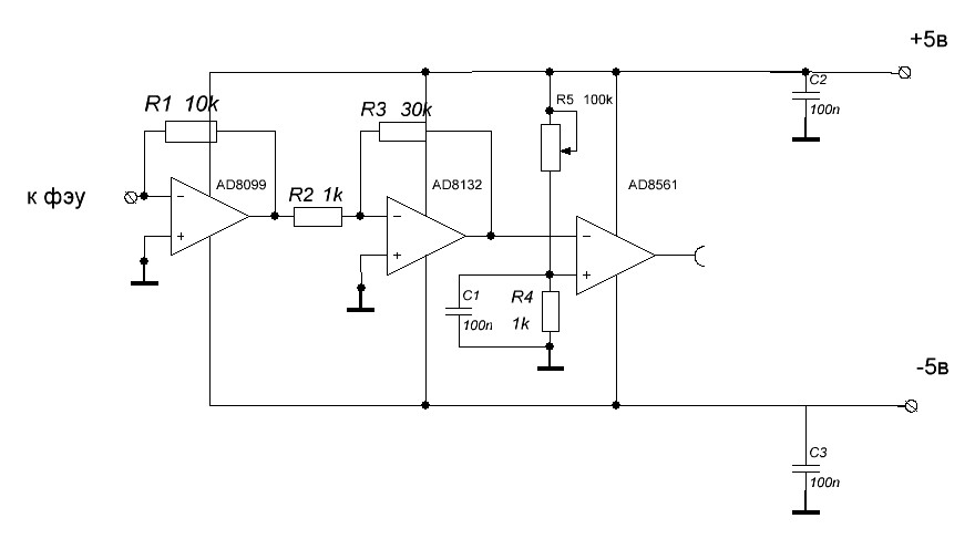
Вообщем задача - считать импульсы тока с фотоумножителя - средняя длительность примерно 10нс могут идти с частотой до 100мгц.

Из рекомендованых микрух набросал схемку - преобразователь i/U - предусилитель - компаратор:
Вложение:
счетччик.JPG [35.98 KiB]
Скачиваний: 391


токовое сопротивление взято таким малым(10ком) для того чтобы импульсы тока не интегрировались на проходной емкости первого операционика, далее стоит предусилок на 30дб примерно - чтобы компаратор нормально откликался, ну и собствено сам компаратор нужен, чтобы малые по амплитуде темновые импульсы отсекать.

проверте схемку пожайлуста - может где емкостную развязку поставить надо, цепь дифферинцирующую включить, диодный ограничитель поставить или еще чтонить добавить...........


Последний раз редактировалось частыйпаяльщик Пт апр 29, 2011 09:32:15, всего редактировалось 2 раз(а).

Вернуться наверх
 
 Заголовок сообщения: Re: преобразователь для счета наносекундных импульсов тока у
СообщениеДобавлено: Пт апр 29, 2011 09:20:40 
Первый раз сказал Мяу!

Зарегистрирован: Ср мар 23, 2011 20:06:46
Сообщений: 34
Рейтинг сообщения: 0
Товарищи!- не бросайте тему....

тут ничего особенного нету - просто надо правильно усилить импульсы малой длительности и малой амплитудой (10мв примерно)


Вернуться наверх
 
 Заголовок сообщения: Re: устройство для счета наносекундных имп. тока у фэу, помо
СообщениеДобавлено: Пт апр 29, 2011 09:38:48 
Модератор
Аватар пользователя

Карма: 46
Рейтинг сообщений: 236
Зарегистрирован: Чт окт 27, 2005 18:50:07
Сообщений: 11169
Откуда: из мест не столь отдалённых
Рейтинг сообщения: 0
Медали: 2
Получил миской по аватаре (1) Мявтор 3-й степени (1)
Мне кажется, что для частоты 100МГц надо использовать сопротивления гораздо более меньшего номинала- для избежания эффекта интегрирования. И конечно- правильный монтаж СВЧ-устройства.


Вернуться наверх
 
Показать сообщения за:  Сортировать по:  Вернуться наверх
Начать новую тему Ответить на тему  [ Сообщений: 3 ] 

Часовой пояс: UTC + 3 часа


Вы не можете начинать темы
Вы не можете отвечать на сообщения
Вы не можете редактировать свои сообщения
Вы не можете удалять свои сообщения
Вы не можете добавлять вложения

Найти:
Перейти:  


Powered by phpBB © 2000, 2002, 2005, 2007 phpBB Group
Русская поддержка phpBB
Extended by Karma MOD © 2007—2012 m157y
Extended by Topic Tags MOD © 2012 m157y