Например TDA7294

Форум РадиоКот • Просмотр темы - Схема цветомузыки
Форум РадиоКот
Здесь можно немножко помяукать :)

Текущее время: Пт фев 06, 2026 21:34:37

Часовой пояс: UTC + 3 часа


ПРЯМО СЕЙЧАС:



Начать новую тему Ответить на тему  [ Сообщений: 28 ]  1,  
Автор Сообщение
Не в сети
 Заголовок сообщения: Схема цветомузыки
СообщениеДобавлено: Пн авг 13, 2012 05:28:09 
Родился

Зарегистрирован: Пн авг 13, 2012 05:19:24
Сообщений: 11
Рейтинг сообщения: 0
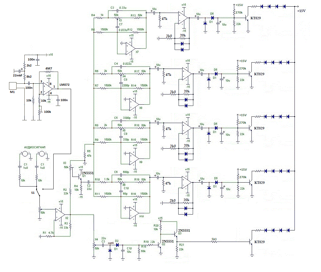
Вот схема цветомузыки созданная из нескольких брендов форума. Добавлен компрессор, пятый канал подсветки ... Нужно проверить работоспасобность устройства теоретически. И установить отключающийся микрофон.


Вложения:
ЦМУ.gif [93.81 KiB]
Скачиваний: 4617
Вернуться наверх
 
Не в сети
 Заголовок сообщения: Re: Схема цветомузыки
СообщениеДобавлено: Пн авг 13, 2012 07:49:31 
Друг Кота
Аватар пользователя

Карма: 23
Рейтинг сообщений: 402
Зарегистрирован: Вс окт 24, 2010 16:02:46
Сообщений: 3506
Откуда: Ижевск
Рейтинг сообщения: 0
УжОс какой :shock:
Выкиньте её.


Вернуться наверх
 
Не в сети
 Заголовок сообщения: Re: Схема цветомузыки
СообщениеДобавлено: Пн авг 13, 2012 09:39:27 
Говорящий с текстолитом
Аватар пользователя

Карма: 12
Рейтинг сообщений: 81
Зарегистрирован: Чт май 07, 2009 18:23:00
Сообщений: 1668
Откуда: Польша, Бытом.
Рейтинг сообщения: 0
почему ужос?
у меня гораздо ужасней
Изображение
собранна когда не было компа так что печатка разводилась в ручном режиме, вот это внатуре ужос был.

_________________
Мой канал на ТыТрубе


Вернуться наверх
 
Не в сети
 Заголовок сообщения: Re: Схема цветомузыки
СообщениеДобавлено: Пн авг 13, 2012 11:24:53 
Родился

Зарегистрирован: Пн авг 13, 2012 05:19:24
Сообщений: 11
Рейтинг сообщения: 0
Я просил конкретных советов по работе блоков цветомузыки , а не критики схемы.


Вернуться наверх
 
Эиком - электронные компоненты и радиодетали
Не в сети
 Заголовок сообщения: Re: Схема цветомузыки
СообщениеДобавлено: Пн авг 13, 2012 12:29:49 
Друг Кота
Аватар пользователя

Карма: 127
Рейтинг сообщений: 6124
Зарегистрирован: Вс дек 25, 2011 18:43:00
Сообщений: 24323
Откуда: г.Москва
Рейтинг сообщения: 0
yurii80 писал(а):
... Нужно проверить работоспасобность устройства теоретически. И установить отключающийся микрофон.

Да легко :) То, что вы называете компрессором на самом деле есть логарифмический усилитель, передаточная характеристика которого определяется диодами, включенными в цепь ООС ОУ.Реальная же задача комрессора применительно к ЦМУ-согласование динамического диапазона входного сигнала с динамическим диапазоном выходного оптического устройства.Ответьте себе на вопрос-справляется этот компрессор с поставленной задачей, или нет.Ну а все остальное-фильтры, оптронная развязка и прочая требуют хотя бы моделирования в аппаратных симуляторах, другими словами-времени, которого и так мало....


Вернуться наверх
 
Не в сети
 Заголовок сообщения: Re: Схема цветомузыки
СообщениеДобавлено: Пн авг 13, 2012 14:40:53 
Родился

Зарегистрирован: Пн авг 13, 2012 05:19:24
Сообщений: 11
Рейтинг сообщения: 0
Тогда конкретно помогите со схемой компрессора


Вернуться наверх
 
Не в сети
 Заголовок сообщения: Re: Схема цветомузыки
СообщениеДобавлено: Пн авг 13, 2012 15:31:49 
Друг Кота
Аватар пользователя

Карма: 43
Рейтинг сообщений: 167
Зарегистрирован: Вс янв 25, 2009 21:16:04
Сообщений: 35639
Откуда: Москва
Рейтинг сообщения: 0
yurii80 писал(а):
Я просил конкретных советов по работе блоков цветомузыки , а не критики схемы.

Совет номер 1: сжимают сигнал для того, чтобы увязать динамический диапазон звукового сигнала с диапазоном боле0менее внятного свечения лампы НАКАЛИВАНИЯ. Для светодиода уомпрессор - как корове седло.
Совет номер 2: для ЦМУ достаточно(вполне) 3 цвета(красный - НЧ; зеленый - СЧ и синий - частоты выше 7 кГц). и последний совет: всякая установка ЦМУ становится интересной и привлекательной именно от конструктивного исполнения светового излучателя. А всякие там крутые схемы не добавляют ничего интересного.
Поверьте: я в молодости всяких ЦМУ собрал более десятка, все раздал друзьям или просто выбросил, а любовался лишь одной: схема примитивная - на 6 транзюках с простейшими фильтрами, но светоизлучатель: молочный шар с 12 лампочками на 12 вольт (по 4 лампы на канал. 3 канала). Надо понимать: себе...любимому...я оставил самую удачную ЦМУ установку. для созерцания РОК, джаз и Блюз. Так вот: 3 основных цвета смешивались во всю цветовую палитру, согласно приходящим частотам с магнитофона, пульсируя снизу кроваво красными всплесками.

_________________
А поболтать?


Вернуться наверх
 
Не в сети
 Заголовок сообщения: Re: Схема цветомузыки
СообщениеДобавлено: Пн авг 13, 2012 16:38:35 
Родился

Зарегистрирован: Пн авг 13, 2012 05:19:24
Сообщений: 11
Рейтинг сообщения: 0
Brigadir - Спасибо за советы, а конкретные схемы цветомузыки есть.


Вернуться наверх
 
Не в сети
 Заголовок сообщения: Re: Схема цветомузыки
СообщениеДобавлено: Пн авг 13, 2012 17:08:08 
Друг Кота
Аватар пользователя

Карма: 23
Рейтинг сообщений: 402
Зарегистрирован: Вс окт 24, 2010 16:02:46
Сообщений: 3506
Откуда: Ижевск
Рейтинг сообщения: 0
В схеме есть грубые ошибки! В блоке питания, полярность выпрямителя перепутана, после выпрямителя нет сглаживающих конденсаторов, после стабилизаторов большие ёмкости не нужны, их нужно поставить перед стабилизаторами.
Самый верхний на схеме канал не сможет работать, базу транзистора необходимо через сопротивление на несколько килоом соединить с массой.


Вернуться наверх
 
Не в сети
 Заголовок сообщения: Re: Схема цветомузыки
СообщениеДобавлено: Пн авг 13, 2012 18:11:12 
Родился

Зарегистрирован: Пн авг 13, 2012 05:19:24
Сообщений: 11
Рейтинг сообщения: 0
sstvov - Со схемой стабилизации согласен, просто не заметил - исправлено


Вложения:
ЦМУ.gif [94.69 KiB]
Скачиваний: 1995
Вернуться наверх
 
Не в сети
 Заголовок сообщения: Re: Схема цветомузыки
СообщениеДобавлено: Пн авг 13, 2012 18:16:22 
Друг Кота
Аватар пользователя

Карма: 43
Рейтинг сообщений: 167
Зарегистрирован: Вс янв 25, 2009 21:16:04
Сообщений: 35639
Откуда: Москва
Рейтинг сообщения: 0
yurii80 писал(а):
Brigadir - Спасибо за советы, а конкретные схемы цветомузыки есть.

У меня дикий старческий склероз, ибо последнюю установку ЦМУ я сделал примерно 85 году прошлого века. А в Инете схем предостаточно.
А вот, как оформить шар, это я помню и даже как то рисовал на РадиоКоте. А схему я бы (если мне надо было) сделал бы на микросхемах LM3914(15), получив таким образом весь диапазон силы освещения с помощью десятка светодиодов в каждом канале, которые включаются сразу на полную яркость каждый, но в сумме могут иметь 1, 2,3,5,10 х N ЛМ яркости. И никакого компрессора. Всего лишь три LMки и простейшие 3 фильтра на их вход с выпрямителем на паре диодов. (подобная схема тоже где то в Инете наблюдалась).

_________________
А поболтать?


Вернуться наверх
 
Не в сети
 Заголовок сообщения: Re: Схема цветомузыки
СообщениеДобавлено: Пн авг 13, 2012 18:26:33 
Друг Кота
Аватар пользователя

Карма: 1
Рейтинг сообщений: 5
Зарегистрирован: Пт апр 03, 2009 22:12:58
Сообщений: 3641
Откуда: Из Украины, Кировоградская облась,
Рейтинг сообщения: 0
смотрю я на компрессор, и вижу овердрайв гитарный))



Бригадир, интересная идея) Возьму на заметку себе) Спасибо.

_________________
Мотание тороидов- вышивание по мужски.


Вернуться наверх
 
Не в сети
 Заголовок сообщения: Re: Схема цветомузыки
СообщениеДобавлено: Пн авг 13, 2012 18:32:54 
Родился

Зарегистрирован: Пн авг 13, 2012 05:19:24
Сообщений: 11
Рейтинг сообщения: 0
Brigadir - Спасибо. Знаю эту схему на LM3914(15) собирал - работает.
Но мне нужна схема для 12В лампочек с компрессором на входе и отключающимся микрофоном,
по этому и вынес тему на обсуждение. Теория у меня немного хромает. Прозьба помочь.


Вернуться наверх
 
Не в сети
 Заголовок сообщения: Re: Схема цветомузыки
СообщениеДобавлено: Пн авг 13, 2012 21:18:04 
Друг Кота
Аватар пользователя

Карма: 43
Рейтинг сообщений: 167
Зарегистрирован: Вс янв 25, 2009 21:16:04
Сообщений: 35639
Откуда: Москва
Рейтинг сообщения: 0
Юра, я бы Вам не советовал связываться с лампами накаливания. Причины тут две: 1 - очень маленький диапазон яркости в зависимости от подаваемого напряжения на лампу.(потому и используют компрессию входного сигнала). Но это не смертельно. Вторая причина более серьезная: синий канал. Как известно лишь при максимальной яркости(максимального нагрева нита лампы) она способна излучать световую волну близкую к синему спектру. Любой недокал нити лежит в красном диапазоне свечения, а красный через синий светофильтр выглядит НИКАК. (можете попробовать). Кстати: с зеленым светофильтром та же проблема, но менее выражена. Так что отбросьте идею с лампами или (как некоторые делали) используйте шторочный затвор, управляемый от Вашей установки. При этом можно использовать одну сверхяркую галогенку и три фильтра с затворами. (механика, если сможете осилить).
Зря Вы не хотите использовать светодиоды. Если их смонтировать с умом(собрать в одну кучу, через матовое стекло смешать свет и выдать на экран) , то у Вас выйдет вполне приличная игрушка.
Хотя, каждый конструктор по своему видит конечный дизайн своего детища!

_________________
А поболтать?


Вернуться наверх
 
Не в сети
 Заголовок сообщения: Re: Схема цветомузыки
СообщениеДобавлено: Вт авг 14, 2012 04:19:56 
Родился

Зарегистрирован: Пн авг 13, 2012 05:19:24
Сообщений: 11
Рейтинг сообщения: 0
Вложение:
ЦМУ.gif [89.95 KiB]
Скачиваний: 1187
Brigadir - Спасибо очень убедительно, но мне нужно 4 основных канала + подсветка. Если использовать светодиоды я выбрасываю компрессор(этой схемы) будет работать при подключении к ПК ?
Вот сноска по основному блоку этой схемы.
http://cxema.at.ua/publ/svetomuzyka_4_kanala/1-1-0-51
И ещё одна.
http://lightportal.at.ua/publ/cvetomuzy ... u/3-1-0-16


Вернуться наверх
 
Не в сети
 Заголовок сообщения: Re: Схема цветомузыки
СообщениеДобавлено: Вт авг 14, 2012 15:25:39 
Опытный кот
Аватар пользователя

Карма: 4
Рейтинг сообщений: 38
Зарегистрирован: Ср сен 27, 2006 11:20:51
Сообщений: 700
Откуда: Moskau
Рейтинг сообщения: 0
Предыдущий оратор 100% прав о схемах и лампах накаливания.
Рекомендую от себя светодиоды или ифк.
А вариантов схем может быть превеликое множество , лично мне нравиться вот эта
Изображение
Описание
http://www.constructor.bg/mk/Color.htm
Общи приказки
http://forum.eshop.bg/viewtopic.php?t=36269
Видео
http://youtube.com/watch?v=OGo2o6aJ0io
http://www.youtube.com/watch?v=7JjZzG7Z2zY

_________________
Когда у общества нет цветовой дифференциации штанов — то нет цели! А когда нет цели …Изображение... плохо кончится дядя Вова


Вернуться наверх
 
Не в сети
 Заголовок сообщения: Re: Схема цветомузыки
СообщениеДобавлено: Вт авг 14, 2012 21:16:10 
Потрогал лапой паяльник

Карма: -2
Рейтинг сообщений: 25
Зарегистрирован: Вт мар 20, 2012 23:38:38
Сообщений: 347
Откуда: Klaipėda
Рейтинг сообщения: 0
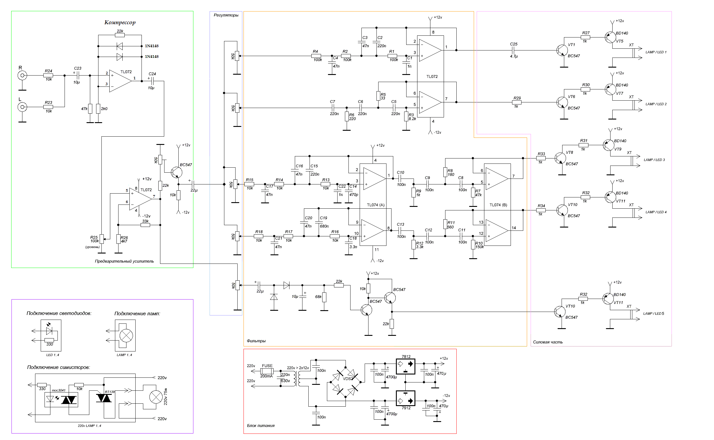
В юности тоже увлекался ЦМУ. Из сделанного больше всего понравилась цветомузыка по схеме из "В помощь радиолюбителю" №52 под названием "Ялкын" (использовал только электронную часть) http://www.radiolamp.ru/library/v_pomohja_radioljubitelju_nomer52/v_pomohja_radioljubitelju_nomer52.djvu. Делал 2 варианта: с плоским экраном из гофрированного ввиде сот плексигласа для себя и с шарообразным экраном (как и у Brigadir-а) для брата. Оба варианта смотрелись изумительно, думаю, что дело в удачной схеме компрессора.


Вернуться наверх
 
Не в сети
 Заголовок сообщения: Re: Схема цветомузыки
СообщениеДобавлено: Ср авг 15, 2012 05:21:39 
Родился

Зарегистрирован: Пн авг 13, 2012 05:19:24
Сообщений: 11
Рейтинг сообщения: 0
Конечно всем огромное спасибо, что проявляете какой то интерес к этой теме. Но надо обсуждать конкретную схему. Например : Компрессор не работоспасобен нужно добавить тото-тото и конкретно что. Далее - Усилитель .... Фильтры .... Подсветка .... Ключи ....и т.д. Жду конкретных предложений.


Вернуться наверх
 
Не в сети
 Заголовок сообщения: Re: Схема цветомузыки
СообщениеДобавлено: Чт авг 16, 2012 16:54:53 
Родился

Зарегистрирован: Пн авг 13, 2012 05:19:24
Сообщений: 11
Рейтинг сообщения: 0
А как вам вот эта схема.


Вложения:
ЦМУ 2.gif [90.38 KiB]
Скачиваний: 2465


Последний раз редактировалось yurii80 Чт авг 16, 2012 17:01:34, всего редактировалось 1 раз.
Вернуться наверх
 
Не в сети
 Заголовок сообщения: Re: Схема цветомузыки
СообщениеДобавлено: Чт авг 16, 2012 16:59:31 
Говорящий с текстолитом
Аватар пользователя

Карма: 12
Рейтинг сообщений: 81
Зарегистрирован: Чт май 07, 2009 18:23:00
Сообщений: 1668
Откуда: Польша, Бытом.
Рейтинг сообщения: 0
а где?

_________________
Мой канал на ТыТрубе


Вернуться наверх
 
Показать сообщения за:  Сортировать по:  Вернуться наверх
Начать новую тему Ответить на тему  [ Сообщений: 28 ]  1,  

Часовой пояс: UTC + 3 часа


Кто сейчас на форуме

Сейчас этот форум просматривают: нет зарегистрированных пользователей и гости: 46


Вы не можете начинать темы
Вы не можете отвечать на сообщения
Вы не можете редактировать свои сообщения
Вы не можете удалять свои сообщения
Вы не можете добавлять вложения

Найти:
Перейти:  


Powered by phpBB © 2000, 2002, 2005, 2007 phpBB Group
Русская поддержка phpBB
Extended by Karma MOD © 2007—2012 m157y
Extended by Topic Tags MOD © 2012 m157y