Например TDA7294

Форум РадиоКот • Просмотр темы - Помогите с расчётом кроссовера.
Форум РадиоКот
Здесь можно немножко помяукать :)

Текущее время: Ср мар 11, 2026 19:55:01

Часовой пояс: UTC + 3 часа


ПРЯМО СЕЙЧАС:



Начать новую тему Ответить на тему  [ Сообщений: 59 ]  1, ,  
Автор Сообщение
 Заголовок сообщения: Помогите с расчётом кроссовера.
СообщениеДобавлено: Сб сен 07, 2013 13:28:40 
Грызет канифоль

Карма: 2
Рейтинг сообщений: 21
Зарегистрирован: Сб фев 06, 2010 20:39:59
Сообщений: 286
Рейтинг сообщения: 0
Здравствуйте коты! Решил сделать себе нормальные колонки для усилителя. Но столкнулся с проблемой. Я не знаю с чего начинать! Просмотрел множество ресурсов и форумов, но так и не понял основных принципов. Пожалуйста, просветите меня!!! (можно даже насквозь) :)
Вопросы которые возникли сразу.
1) Я планирую сделать 2-х полостную полочную акустику. В связи с этим для начало я просмотрел готовые варианты. Практически у всех производителей стоит один динамик нч и вч, а второй-вч. Вопрос: как выбирать эти динамики? (ведь скорее всего они как-то должны сочетаться друг с другом)
2) Кроссовер. Как его рассчитывать и как его коммутировать? Я к тому что в основном импеданс динамика либо 4ом либо 8ом. А скажем колонку я рассчитываю на 8 ом? И самое главное!!!!! Как рассчитать частоту среза данных динамиков!!!
3) Как рассчитать корпус?
Это основные вопросы. В принципе у меня есть колонки от музыкального центра которые не имеют кроссовера и каждый динамик подключается напрямую к центру. Для начало, я хочу «потренироваться» на этих колонках.
Цель: Сделать кроссовер для колонок! :solder:
Я даже нашел кое какие характеристики этих колонок!
Изображение
Изображение
Пожалуйста помоги мне разобраться или указать путь в котором не следует двигаться!


Вернуться наверх
 
 Заголовок сообщения: Re: Помогите с расчётом кроссовера.
СообщениеДобавлено: Сб сен 07, 2013 14:39:42 
Родился

Зарегистрирован: Вс май 12, 2013 19:41:10
Сообщений: 14
Рейтинг сообщения: 0
Для начала просто попробовать подключить высокочастотный через конденсатор. Чем меньше емкость, тем больше сопротивление низким частотам (емкостное сопротивление). Попробуй начать с 1 мкф. На кроссовер нужны индуктивноти, а их не очень легко раздобыть... Для рассчета корпуса подойдет jbl speakershop. Правда, я не пользовался. динамики можно использовать автомобильные. Как ВЧ идут твитеры. Как вч и сч самый обычный. А можно взять только широкополосник.


Вернуться наверх
 
 Заголовок сообщения: Re: Помогите с расчётом кроссовера.
СообщениеДобавлено: Сб сен 07, 2013 14:56:03 
Грызет канифоль

Карма: 2
Рейтинг сообщений: 21
Зарегистрирован: Сб фев 06, 2010 20:39:59
Сообщений: 286
Рейтинг сообщения: 0
В заводском исполнении вч так и был подключен через электролитический конденсатор.
Другими словами от центра к колонкам шло 2 кабеля. Один на нч, второй на сч + на вч через конденсатор. Сейчас я центр хочу заменить на усилитель. Из этого следует, что мне надо заменить эти 2 провода на один и нормально сделать кроссовер! Колонки в конструктивном исполнении менять я не планировал.
Желательный импеданс для усилителя 8 ом. Но можно и 6 ом.
По поводу индуктивностей. Я мотать трансформаторы не умею. И как раз в этом небольшом проекте хотел бы попробовать.


Вернуться наверх
 
 Заголовок сообщения: Re: Помогите с расчётом кроссовера.
СообщениеДобавлено: Сб сен 07, 2013 19:52:40 
Грызет канифоль

Карма: 2
Рейтинг сообщений: 21
Зарегистрирован: Сб фев 06, 2010 20:39:59
Сообщений: 286
Рейтинг сообщения: 0
Если я правильно понимаю.
Из характеристик которые я выкладывал выше. Cross over frequency 3.5kHz, 10kHz
То есть срез для нч 3.5kHz, а для вч 10kHz?
Я вбил эти данные в программу и вот что получилось. Правильно ли я всё понял?
Изображение
А также я не понимаю почему здесь другие характеристики? :shock:
Изображение


Вернуться наверх
 
Эиком - электронные компоненты и радиодетали
 Заголовок сообщения: Re: Помогите с расчётом кроссовера.
СообщениеДобавлено: Вс сен 08, 2013 14:00:49 
Грызет канифоль

Карма: 2
Рейтинг сообщений: 21
Зарегистрирован: Сб фев 06, 2010 20:39:59
Сообщений: 286
Рейтинг сообщения: 0
Что так никто и не знает, как это всё работает?


Вернуться наверх
 
 Заголовок сообщения: Re: Помогите с расчётом кроссовера.
СообщениеДобавлено: Чт мар 29, 2018 19:10:06 
Друг Кота

Карма: -8
Рейтинг сообщений: 15
Зарегистрирован: Вс июл 24, 2011 11:38:09
Сообщений: 7639
Рейтинг сообщения: 0
Решил поднять тему раз она есть. Как я понял самое простое собрать ещё 3 усилка и поставить активным кросовером.
Более сложный вариант намотать пассивный фильтр как и автор темы.

С этим то и проблема. Долгие чтения показывают что сопротивление фильтра равно сопротивлению динамику и любое количество последовательных фильтров мешать не должно.
Но тут выходит вторая не решаемая задача, ёмкость конденсатора всегда будет нестандартной и посчитать индуктивность под готовую ёмкость невозможно. В общем инженеры физики не способны коротко ничего объяснить как это делают инженеры блогеры.

Но почемуто готовые фильтры продают и они даже както работают и это очень даже заметно.
Но автолюбители не видят очевидной вещи чего им не хватает(как не видят фотографы почему плёночное фото лучше цифры)
Не хватает им ровной АЧХ и они компенсирую нехватку участков повышением общей громкости. Но в их случае это решается кучей денег и экспериментами пока не получится.

Берём такую схему
Изображение
Мне надо чтоб низ был 160гц, допустим так и напишу.
Сопротивление выше этой частоты 4.1, я его пишу в оба окна потомучто не знаю зачем они и думаю на 90гц сопротивление в 40ом тут явно лишнее.
Выбираю какогото физика.
И получаю 121, 171, 139, 242 мкф, кароче всякую хрень. Так где мне взять формулу чтоб это подогнать по стандартное.
Тут пишут что подогнать както можно, но я эту китайскую грязь прочитать не могу. Да и емкостя тут в 40мкв явно ничего общего не имеют

Что так никто и не знает, как это всё работает?
могу гарантировать что без измерительного микрофона это всё точно не работает, но активный кросовер стоит вдвое дешевле. Вот именно поэтому никто акустикой всерьёз не занимается кроме крупных компаний.
Что делать любителям непонятно, но последнее время советую любую технику покупать готовой, даже если она в разы хуже и дороже чем можно собрать прямо тамже


Вернуться наверх
 
 Заголовок сообщения: Re: Помогите с расчётом кроссовера.
СообщениеДобавлено: Сб окт 03, 2020 02:30:08 
Друг Кота
Аватар пользователя

Карма: 57
Рейтинг сообщений: 371
Зарегистрирован: Ср май 04, 2016 23:18:38
Сообщений: 6032
Рейтинг сообщения: 0
Тоже вопрос про кроссовер.
Есть, значит, колонки "Комета" 15 АС-225
Катастрофически не хватает высоких частот.
Прочитал, что их дорабатывают, но менять динамики не буду.

Вот родной кроссовер
СпойлерИзображение
Вложение:
15ас225-ldsound_ru-1.png [23.2 KiB]
Скачиваний: 1125

Пишут, что ФВЧ 3-го порядка подогнали под АЧХ НЧ-динамика, на фильтре которого сэкономили.

Задача: сделать нормальную схему, хотя бы 1 порядка на этой же катушке :)))

Собственно, вопрос:
Вот эти вот фильтры Баттерворта, Чебышева и прочие...
Я правильно понял, что они различаются просто номиналами элементов, а не схемой?

_________________
Ваше открытие опровергает науку? Нет, это наука опровергает ваш бред.
Истина никогда не бывает посередине. Ведь середина на стороне того, кто больше лжёт.
Не стыдно писать в МЯЯЯУ! - стыдно вести себя не как порядочный Радио Кот. :)


Вернуться наверх
 
 Заголовок сообщения: Re: Помогите с расчётом кроссовера.
СообщениеДобавлено: Сб окт 03, 2020 06:20:32 
Модератор
Аватар пользователя

Карма: 159
Рейтинг сообщений: 4081
Зарегистрирован: Пт янв 23, 2009 19:20:05
Сообщений: 45776
Рейтинг сообщения: 0
Медали: 1
Получил миской по аватаре (1)
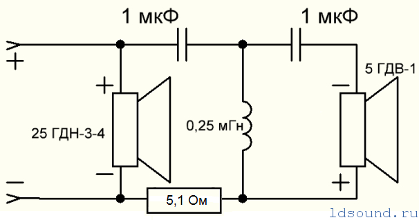
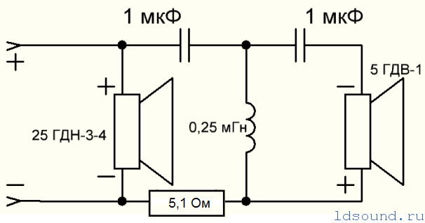
А я вот взял - и поменял ВЧ! :))) На поздний аналог 1ГД-50, с понижением частоты раздела примерно до 500 герц. Схема фильтра та же, что у Шорова, только номиналы ВЧ фильтра пришлось пересчитать, т.к. динамики имеют 4-омную катушку...
(кстати, при наличии измерителя индуктивности делать катушки для фильтра легко и приятно, а собрать измеритель-приставку к компьютеру можно за пять минут, там схема-то два разъёма, один резистор и несколько проводков! :))) )

Вот ссылка на статью: http://donex-ua.narod.ru/indexphp/as-us ... e6mas4.htm
Там всё просто, у меня заняло два дня, с учетом крайней ленивости... :)))


Вернуться наверх
 
 Заголовок сообщения: Re: Помогите с расчётом кроссовера.
СообщениеДобавлено: Сб окт 03, 2020 19:44:32 
Друг Кота
Аватар пользователя

Карма: 57
Рейтинг сообщений: 371
Зарегистрирован: Ср май 04, 2016 23:18:38
Сообщений: 6032
Рейтинг сообщения: 0
Но вопрос насчёт фильтров остался.
Разные типы фильтров для одной частоты отличаются только соотношением номиналов?

Добавлено after 1 minute 30 seconds:
Кстати я тут вычитал, мол, фильтры первого порядка дают самую хорошую характеристику фазовую и частотную.

_________________
Ваше открытие опровергает науку? Нет, это наука опровергает ваш бред.
Истина никогда не бывает посередине. Ведь середина на стороне того, кто больше лжёт.
Не стыдно писать в МЯЯЯУ! - стыдно вести себя не как порядочный Радио Кот. :)


Вернуться наверх
 
 Заголовок сообщения: Re: Помогите с расчётом кроссовера.
СообщениеДобавлено: Сб окт 03, 2020 20:51:06 
Модератор
Аватар пользователя

Карма: 159
Рейтинг сообщений: 4081
Зарегистрирован: Пт янв 23, 2009 19:20:05
Сообщений: 45776
Рейтинг сообщения: 0
Медали: 1
Получил миской по аватаре (1)
Фильтры высоких порядков применяются не от хорошей жизни - это требуется для применённых динамиков, чтоб скрыть их недостатки, сохранив достоинства... :) Чем лучше динамики - тем проще фильтры...


Вернуться наверх
 
 Заголовок сообщения: Re: Помогите с расчётом кроссовера.
СообщениеДобавлено: Сб окт 03, 2020 21:52:58 
Друг Кота
Аватар пользователя

Карма: 57
Рейтинг сообщений: 371
Зарегистрирован: Ср май 04, 2016 23:18:38
Сообщений: 6032
Рейтинг сообщения: 0
Имхо один динамик (любой) мог бы звучать лучше, чем звучит всё это в сборе.
Вот так вот всё запущено.
Попробую первый порядок...

_________________
Ваше открытие опровергает науку? Нет, это наука опровергает ваш бред.
Истина никогда не бывает посередине. Ведь середина на стороне того, кто больше лжёт.
Не стыдно писать в МЯЯЯУ! - стыдно вести себя не как порядочный Радио Кот. :)


Вернуться наверх
 
 Заголовок сообщения: Re: Помогите с расчётом кроссовера.
СообщениеДобавлено: Сб окт 03, 2020 23:02:36 
Модератор
Аватар пользователя

Карма: 159
Рейтинг сообщений: 4081
Зарегистрирован: Пт янв 23, 2009 19:20:05
Сообщений: 45776
Рейтинг сообщения: 0
Медали: 1
Получил миской по аватаре (1)
Версия кометовской АС с фильтром первого порядка звучит чуть лучше - но имеет мощность всего 10 ватт!
(у меня такая была...)


Вернуться наверх
 
 Заголовок сообщения: Re: Помогите с расчётом кроссовера.
СообщениеДобавлено: Сб окт 03, 2020 23:35:43 
Друг Кота
Аватар пользователя

Карма: 57
Рейтинг сообщений: 371
Зарегистрирован: Ср май 04, 2016 23:18:38
Сообщений: 6032
Рейтинг сообщения: 0
Да мне много не надо...
То есть, они решили выжать мощь из НЧ динамика - и поэтому задавили ВЧ динамик?
Фиговое решение.

Добавлено after 2 minutes 14 seconds:
Я уже нашёл инфу, что 250 мГн с НЧ динамиком 4 Ом даст частоту среза 2500 Гц
И что, ВЧ динамику 8 Ом надо 8 мкФ для той же частоты.

_________________
Ваше открытие опровергает науку? Нет, это наука опровергает ваш бред.
Истина никогда не бывает посередине. Ведь середина на стороне того, кто больше лжёт.
Не стыдно писать в МЯЯЯУ! - стыдно вести себя не как порядочный Радио Кот. :)


Вернуться наверх
 
 Заголовок сообщения: Re: Помогите с расчётом кроссовера.
СообщениеДобавлено: Вс окт 04, 2020 07:27:30 
Модератор
Аватар пользователя

Карма: 159
Рейтинг сообщений: 4081
Зарегистрирован: Пт янв 23, 2009 19:20:05
Сообщений: 45776
Рейтинг сообщения: 0
Медали: 1
Получил миской по аватаре (1)
8 - много, опять же, для выравнивания чувствительности последовательно с 3ГД-31 нужен резистор в 5,1 ома... Из-за особенности АЧХ НЧ-динамика частота среза фильтра окажется выше, поэтому и для ВЧ нужно выбирать более высокую частоту среза, попробуйте для начала пару микрофарад...


Вернуться наверх
 
 Заголовок сообщения: Re: Помогите с расчётом кроссовера.
СообщениеДобавлено: Вс окт 04, 2020 11:05:24 
Друг Кота
Аватар пользователя

Карма: 57
Рейтинг сообщений: 371
Зарегистрирован: Ср май 04, 2016 23:18:38
Сообщений: 6032
Рейтинг сообщения: 0
Резистор там есть "родной", пара микрофарад тоже присутствует. Просто спаять по-другому.
Как проверить АЧХ без измерительных приборов? Если измерительного микрофона с заведомо хорошей АЧХ нету...
Всё по-аудиофильски: на слух!

_________________
Ваше открытие опровергает науку? Нет, это наука опровергает ваш бред.
Истина никогда не бывает посередине. Ведь середина на стороне того, кто больше лжёт.
Не стыдно писать в МЯЯЯУ! - стыдно вести себя не как порядочный Радио Кот. :)


Вернуться наверх
 
 Заголовок сообщения: Re: Помогите с расчётом кроссовера.
СообщениеДобавлено: Вс окт 04, 2020 12:40:19 
Друг Кота

Карма: 20
Рейтинг сообщений: 826
Зарегистрирован: Пт ноя 02, 2018 16:14:36
Сообщений: 3182
Рейтинг сообщения: 0
Для радиогубительских аудиоизмерений за измерительный сойдёт почти любой микрофон. На сайте первого попавшегося магазина (Ебургская Промэлектроника) смотрю первый попавшийся дешёвый электретный микрофон (по 18 руб), в даташите на него есть красивая картинка, похожая на многие другие. Картинка почти правдивая, проверено на нескольких дешёвых микрофонах.
СпойлерИзображение

_________________
Нет ничего практичнее хорошей теории


Вернуться наверх
 
 Заголовок сообщения: Re: Помогите с расчётом кроссовера.
СообщениеДобавлено: Вс окт 04, 2020 15:16:33 
Модератор
Аватар пользователя

Карма: 159
Рейтинг сообщений: 4081
Зарегистрирован: Пт янв 23, 2009 19:20:05
Сообщений: 45776
Рейтинг сообщения: 0
Медали: 1
Получил миской по аватаре (1)
...И всё же, "родной" 3ГД-31 не способен компенсировать недостатки 25ГДН-3-4 на СЧ... Сегодня слушал переделанные 15АС-225 на улице (для исключения влияния комнаты...) - никакого сравнения с тем, что было... :) Хорошая середина - то, что нужно этим колонкам. И ведь переделка не такая уж сложная, дефицитных или дорогих деталей - не нужно... Надо бы сделать измерения и поточнее свести полосы, ну, да пока и так сойдет... :)


Вернуться наверх
 
 Заголовок сообщения: Re: Помогите с расчётом кроссовера.
СообщениеДобавлено: Вт окт 06, 2020 02:53:07 
Друг Кота
Аватар пользователя

Карма: 57
Рейтинг сообщений: 371
Зарегистрирован: Ср май 04, 2016 23:18:38
Сообщений: 6032
Рейтинг сообщения: 0
Попробовал сделать фильтры первого порядка (2 мкФ показалось мало, поставил 4).
На НЧ динамик - родную катушку последовательно.
В результате получилось заметно больше самых высоких частот, но меньше средних.
Общий тембр так и остался гулковато-басовитым.
При сравнении до и после быстрым переключением колонок изначальный вариант звучит всё-таки лучше: полнее, середина лучше.
Видать, и вправду в этих колонках возможности низкочастотного динамика по максимуму, а высокочастотному дали остаток диапазона.
25ГДН-3-4 (он же 15 ГД-14) - и тут маркетинг.

_________________
Ваше открытие опровергает науку? Нет, это наука опровергает ваш бред.
Истина никогда не бывает посередине. Ведь середина на стороне того, кто больше лжёт.
Не стыдно писать в МЯЯЯУ! - стыдно вести себя не как порядочный Радио Кот. :)


Вернуться наверх
 
 Заголовок сообщения: Re: Помогите с расчётом кроссовера.
СообщениеДобавлено: Вт окт 06, 2020 06:59:03 
Модератор
Аватар пользователя

Карма: 159
Рейтинг сообщений: 4081
Зарегистрирован: Пт янв 23, 2009 19:20:05
Сообщений: 45776
Рейтинг сообщения: 0
Медали: 1
Получил миской по аватаре (1)
Я выше давал ссылку на статью по переделке, она неразрушающая, т.е. если не понравится - можно всё вернуть, "как было"... Затраты - копеечные, динамик распространённый, от приемника или подобной старой техники. Колпак я делал из корпуса настольной лампы, китайской, на прищепке - объём и форма близки к требуемым... Катушку мотал на половинке сердечника от ТВС, её удобно крепить за штатные "уши", конденсаторы набрал из мелких, разкрепив термоклеем на задней стенке...


Вернуться наверх
 
 Заголовок сообщения: Re: Помогите с расчётом кроссовера.
СообщениеДобавлено: Сб окт 10, 2020 02:34:56 
Друг Кота
Аватар пользователя

Карма: 57
Рейтинг сообщений: 371
Зарегистрирован: Ср май 04, 2016 23:18:38
Сообщений: 6032
Рейтинг сообщения: 0
Для радиогубительских аудиоизмерений за измерительный сойдёт почти любой микрофон
Ой, я намерил такое...
Взял колонку, взял микрофон, замеряю АЧХ по подсказке с "Хабра" (розовый шум и программа)
Намерил завал начиная с 1 кГц, а на частоте 10 кГц завал все 10 децибел.
Подкрутил эквалайзер, включаю музыку, высокие наконец-то есть, может многовато, а может с непривычки.
Поставил микрофон по-другому, померил. АЧХ ровнее, перенастроил эквалайзер, звук более-менее...
Почитал, оказывается мерят (мериют) на оси твиттера с метра.
С метра будет много шума (фона), но на 15 сантиметров можно... на оси ВЧ динамика я померил.
АЧХ ещё ровнее, эквалайзер особо не нужен, звук фигня...

_________________
Ваше открытие опровергает науку? Нет, это наука опровергает ваш бред.
Истина никогда не бывает посередине. Ведь середина на стороне того, кто больше лжёт.
Не стыдно писать в МЯЯЯУ! - стыдно вести себя не как порядочный Радио Кот. :)


Вернуться наверх
 
Показать сообщения за:  Сортировать по:  Вернуться наверх
Начать новую тему Ответить на тему  [ Сообщений: 59 ]  1, ,  

Часовой пояс: UTC + 3 часа


Вы не можете начинать темы
Вы не можете отвечать на сообщения
Вы не можете редактировать свои сообщения
Вы не можете удалять свои сообщения
Вы не можете добавлять вложения

Найти:
Перейти:  


Powered by phpBB © 2000, 2002, 2005, 2007 phpBB Group
Русская поддержка phpBB
Extended by Karma MOD © 2007—2012 m157y
Extended by Topic Tags MOD © 2012 m157y