Чтобы закрыть гештальт (а заодно и и эту тему), выкладываю обещанные файлы проекта миниатюрной версии калибратора:
https://drive.google.com/drive/folders/ ... drive_link
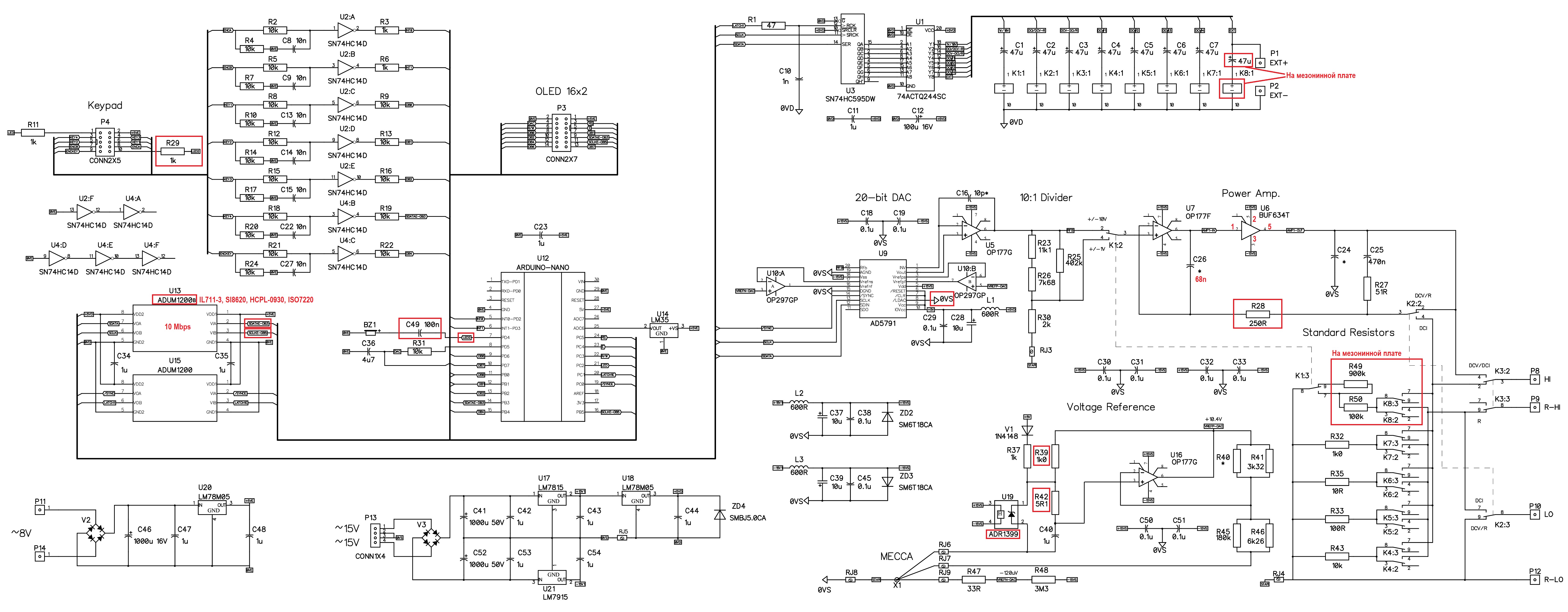
Поскольку принципиальных изменений в аппаратной части, в сравнении с опубликованной двумя страницами ранее версией, оказалось совсем немного, я не разводил новую печатную плату, а лишь немного доработал старую: перерезал три дорожки, бросил три проводка, заменил цифровой изолятор на более быстрый, добавил мезонинную плату с реле и 2-мя высокоомными прецизионными резисторами, поменял номиналы нескольких пассивных компонентов.
Обе версии лежат в архиве, красным выделил изменения. Что резать на п/п тоже отметил.
Прошивка была переработана капитально, в основном для поддержки ACV режима в диапазоне частот от 10 до 1000 Гц, более простого и дружественного интерфейса и возможности более гибкого программирования, в том числе автоматической калибровки (настройки) по эталонному мультиметру в ЦСМ.

Для расширения диапазона силы постоянного и воспроизведения переменного тока был изготовлен простенький ИТУН на 3 А. Поскольку основная беда сильноточных ИТУНов - это саморазогрев шунта, проблемы сей не избежал и мой вариант. Для компенсации температурного дрейфа сопротивления шунта использован медный терморезистор.
Высоковольтный усилитель до 1 кВ в таком же унифицированном корпусе тоже был запланирован, но увы, так и остался лишь на бумаге, да в виде кучки деталей.
НЧ ACV режим порадовал исключительной временной и температурной стабильностью амплитуды (хотя гармоник и джиттера там немало). Его основная фишка - отсутствие необходимости отдельной регулировки при ТО прибора, т.к. параметры сигнала завязаны на калибровочные константы DCV пределов.

По постоянному току тоже неплохо. По истечении 10000 часов наработки дрейф встроенной меры напряжения ADR1399 + масштабного усилителя составил +2,4 ppm/sqrt(kHr). Изменений в параметрах ЦАП (DNL, INL) за это время не обнаружено.
В целом конструкцией я вполне доволен (да-да, прошло всего-то 10 лет с момента появления "DC-Cal Lite" в 2015 г., за это время изготовлено, испытано и с негодованием отброшено более 20 различных исполнений DC калибраторов).