Например TDA7294

Форум РадиоКот • Просмотр темы - ремонт осциллографа С1-101
Форум РадиоКот
Здесь можно немножко помяукать :)

Текущее время: Ср мар 11, 2026 22:40:23

Часовой пояс: UTC + 3 часа


ПРЯМО СЕЙЧАС:



Начать новую тему Ответить на тему  [ Сообщений: 22 ]  1,  
Автор Сообщение
 Заголовок сообщения: ремонт осциллографа С1-101
СообщениеДобавлено: Вс мар 12, 2017 18:44:16 
Родился

Зарегистрирован: Вс мар 12, 2017 17:47:39
Сообщений: 9
Рейтинг сообщения: 0
Доброго времени суток!
Итак, есть осциллограф С1-101, который имеет очень малую яркость луча. Показания по шкале Y неверные, показывает большее напряжение, чем на самом деле. Видать, из-за снижения высоких напряжений повысилась чувствительность трубки. Замер напряжений выявил, что все в норме, кроме -700, +2000 померить нечем. Вместо -700 всего -180 -200 вольт. Как потом выяснилось - обрыв в высоковольтном трансформаторе - обмотка 1-2 звонится, но 2-3 - нет. Остальные обмотки в норме.Есть ТО с намоточными данными, есть подходящие ферритовые кольца, но вот обмоточного провода нужных диаметров нет. По ТО - 0.1, 0.23, 0.41. Купить не получилось - и диаметры не все есть, да и продают только на килограммы, а тут немного надо. В моих запасах 0.41 нет, а есть, к примеру, 0.5 - если им намотать, какие грабли ожидают? Или надо пересчитыввать? По какой методе считают трансы для высокочастотных преобразователей, как в с1-101?Вообще, кто что посоветует? всем спасибо

Схема С1-101


Вернуться наверх
 
 Заголовок сообщения: Re: ремонт осциллографа С1-101
СообщениеДобавлено: Вс мар 12, 2017 21:08:16 
Вымогатель припоя
Аватар пользователя

Карма: 67
Рейтинг сообщений: 514
Зарегистрирован: Вс июл 21, 2013 16:24:58
Сообщений: 631
Откуда: Юг Руси.
Рейтинг сообщения: 0
Диаметр провода не сильно критичен,лишь бы не сильно меньше.Немного меньше заявленного можно в этом трансформаторе,
пересчитывать ничего не надо.Если диаметр провода больше,главное,чтоб этот объём провода влез в окно сердечника,
или в отверстие кольца.И ещё,в таких трансах очень важна межслойная и межобмоточная изоляция,которая тоже занимает
место,и немалое,в окне сердечника.Высокие вольты,всё таки.


Вернуться наверх
 
 Заголовок сообщения: Re: ремонт осциллографа С1-101
СообщениеДобавлено: Вс мар 12, 2017 21:16:45 
Родился

Зарегистрирован: Вс мар 12, 2017 17:47:39
Сообщений: 9
Рейтинг сообщения: 0
а как правильно мотать? сначала первичку или вторичку? равномерно по всему кольцу или нет? виток к витку или внавал? Про импульсники книжку Семенова когда-то читал, здесь все тонкости как в ИИП, или нет? И вот еще что - этот транс намотан на двух кольцах - их надо склеивать? или просто сложить можно?


Вернуться наверх
 
 Заголовок сообщения: Re: ремонт осциллографа С1-101
СообщениеДобавлено: Вс мар 12, 2017 21:37:44 
Поставщик валерьянки для Кота
Аватар пользователя

Карма: 18
Рейтинг сообщений: 461
Зарегистрирован: Чт ноя 15, 2012 20:47:59
Сообщений: 2259
Откуда: Крымск
Рейтинг сообщения: 0
cellospb писал(а):
В моих запасах 0.41 нет, а есть, к примеру, 0.5 - если им намотать, какие грабли ожидают?

Грабли ожидают такие: при отсутствии должного опыта в намотке трансформаторов
на кольцах, даже при использовании нужного диаметра провода, может получиться
что обмотка не влезет на кольцо! :?
Отчаиваться не надо, я по первах по несколько раз перематывал пока наловчился! :)


Вернуться наверх
 
Эиком - электронные компоненты и радиодетали
 Заголовок сообщения: Re: ремонт осциллографа С1-101
СообщениеДобавлено: Вс мар 12, 2017 22:07:21 
Вымогатель припоя
Аватар пользователя

Карма: 67
Рейтинг сообщений: 514
Зарегистрирован: Вс июл 21, 2013 16:24:58
Сообщений: 631
Откуда: Юг Руси.
Рейтинг сообщения: 0
Мотать равномерно по всему кольцу,стараться витк к витку,между слоями изоляция,особенно в высоковольтной обмотке.
Её мотать последней,чтоб она была сверху.Я применяю лавсановую (полиэтилентерфталат)плёнку для изоляции.
Можно полиимидную (такая желтоватая),эта ещё лучше. Кольца склеивать не обязательно,всё равно сердечник
надо изолировать перед намоткой.А можно и склеить,без разницы.
Кстати,в этом трансе некоторые обмотки (почему-то не все,странно)намотаны проводом ПЭТВ.У этого провода изоляция,
по сравнению с ПЭВ,гораздо гораздее.Наверное,для надёжности (чтоб не прострелило) намотали именно таким.
И провод должен быть новый,если хотите,что бы надёжно работал транс,БУ,смотанный откуда нибудь,или 30-летей давности,
который валялся, где ни попадя - не пойдёт.Это особенно относится к высоковольтным обмоткам,в низковольтных
требования к проводу не такие строгие.Изолировать только хорошо надо.


Вернуться наверх
 
 Заголовок сообщения: Re: ремонт осциллографа С1-101
СообщениеДобавлено: Вс мар 12, 2017 22:43:28 
Родился

Зарегистрирован: Вс мар 12, 2017 17:47:39
Сообщений: 9
Рейтинг сообщения: 0
Спасибо. Сейчас разобрал этот транс - судя по диаметру провода первичка намотана поверх остальных, последней. Такое может быть или путаю?


Вернуться наверх
 
 Заголовок сообщения: Re: ремонт осциллографа С1-101
СообщениеДобавлено: Пн мар 13, 2017 00:18:11 
Сверлит текстолит когтями

Карма: 28
Рейтинг сообщений: 436
Зарегистрирован: Пн окт 07, 2013 10:03:09
Сообщений: 1102
Откуда: Адлер
Рейтинг сообщения: 4
обычно не только обрыв, но и замыкание вв обмотки - доп нагрев транзисторов преобразователя, снижение остальных напруг .
вручную перематывать на кольце тысячи витков - труд адский. без станка - ни намотать нормально, ни изолировать. можно, конечно, расколоть кольцо, но лучше примените ш-образный и, весьма желательно, секционированный-дополнительная изоляция.
сугубо имхо: повыдирать в отечественных осликах эти платы преобразователей-стабилизаторов на рассыпухе, сотворить на 1211еу1(ir2153,fan7621 итд) пуш-пул/ полумост на 15-20кгц, применить отдельный трансформатор для питания низковольтной части схемы, отдельный трансформатор на высокие напруги. можно заменить полигоны в десятки см2 плат одной компактной, избавится от традиционных писков на частотах в десяток кгц. токи потребления в осликах по низким напругам, за редким исключением, небольшие(порядка 100ма), стабы на рассыпухе можно заменить современным интегральными стабилизаторами(речь даже не о 78-79 серии(хотя можно обойтись и ей) у себя, в с1-93, стабы +-6 и +-12 сделал на m5230l, вв-lr8n3, tl783) с улучшением параметров(стабильность питания, в первую очередь, влияет на дрейф луча). при желании можно пойти ещё дальше-стабилизировать и анодное ;)
готовый преобразователь желательно поместить в экран.

пысы:
в 101 труба мелкая, можно применить готовые трансформаторы ламп подсветки мониторов, сканеров - они аккурат на 700-800в ~
пыпысы: действующую накальную напругу произвольной формы тока проще измерить лампой в 12-36в + фотодиод+измерительная головка.


Вернуться наверх
 
 Заголовок сообщения: Re: ремонт осциллографа С1-101
СообщениеДобавлено: Пн мар 13, 2017 10:59:06 
Вымогатель припоя
Аватар пользователя

Карма: 67
Рейтинг сообщений: 514
Зарегистрирован: Вс июл 21, 2013 16:24:58
Сообщений: 631
Откуда: Юг Руси.
Рейтинг сообщения: 0
Для ТС - разницы нет,в какой последовательности мотать обмотки.Из опыта - если высоковольтная обмотка будет
спрятана внутри,среди других обмоток,вероятность ее пробоя увеличится,поэтому я бы её мотал сверху.
manovar - топикстартёру нужно отремонтировать прибор,а не проводить глубокую модернизацию.Судя по его вопросам,
опыта у него маловато для этого.Тем более,С1-101 прибор махонький,развернуться с модернизацией там особо негде,
всё битком.Что-то изменить там,даже более опытному радиолюбителю будет очень трудно.
ПС.Ещё раз напоминаю о хорошей изоляции обмоток.Кстати выводы обмоток тоже надо изолировать - например,одеть на
них кусочки фторопластовой трубки,а если провод тонкий,вывод обмотки сделать проводом МГТФ.


Вернуться наверх
 
 Заголовок сообщения: Re: ремонт осциллографа С1-101
СообщениеДобавлено: Пн мар 13, 2017 11:34:24 
Родился

Зарегистрирован: Вс мар 12, 2017 17:47:39
Сообщений: 9
Рейтинг сообщения: 0
Спасибо за ответы.
Да, совершенно верно, опыта в ремонте не просто мало, а очень мало. Раньше занимался исключительно низковольтными схемами, и то, как хобби.
Модернизировать смысла не вижу - как правильно уже написали, в С1-101 места для доп. элементов просто нет, совсем нет. Да и нерентабельно в него деньги вкладывать, есть другой - С1-94.
Витков не тысячи - суммарно во всех обмотках 666 .... однако число какое :shock:


Вернуться наверх
 
 Заголовок сообщения: Re: ремонт осциллографа С1-101
СообщениеДобавлено: Пн мар 13, 2017 18:40:42 
Сверлит текстолит когтями

Карма: 28
Рейтинг сообщений: 436
Зарегистрирован: Пн окт 07, 2013 10:03:09
Сообщений: 1102
Откуда: Адлер
Рейтинг сообщения: 0
тогда трансик от подсветки монитора в помощь.
дело только за первичкой


Вернуться наверх
 
 Заголовок сообщения: Re: ремонт осциллографа С1-101
СообщениеДобавлено: Пт фев 17, 2023 17:56:55 
Родился

Зарегистрирован: Пн янв 30, 2012 22:52:55
Сообщений: 12
Откуда: Украина, г. Ровно
Рейтинг сообщения: 0
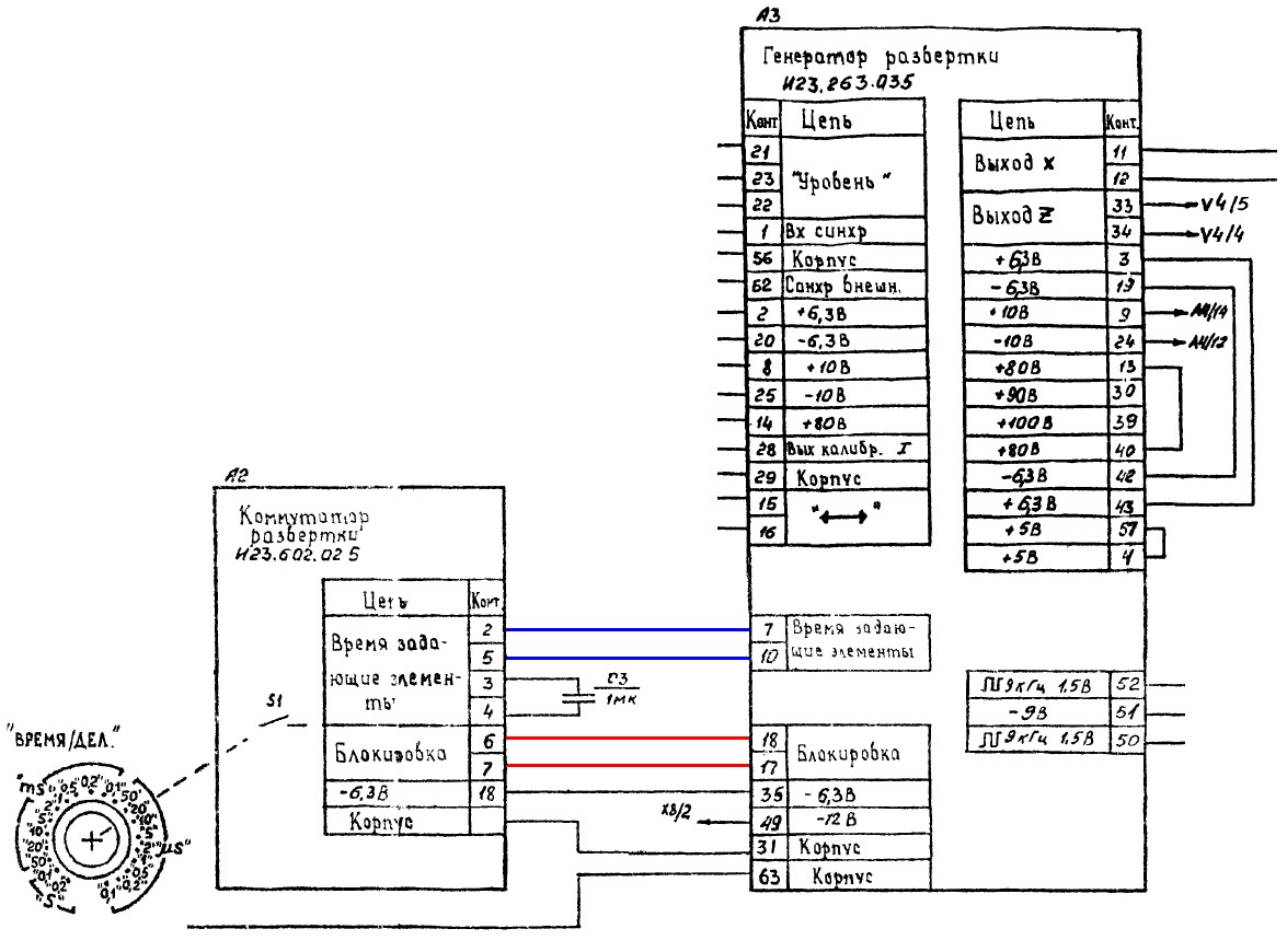
Был не пропай в А4-1 (седьмая нога) в генераторе развертки и23 263 035 э3, запустился, проверил все напряжения питания в норме, также уровень пульсаций в норме (нету смысла менять электролиты), оставил родные. Но заметил особенность на положениях переключателя развертки 0,1 0,2 0,5 uS и при вращении ручки <-> против часовой стрелки, развертка как бы растягивается...В всех других положения переключателя все в норме..В чем может быть причина, добавил видео..

https://www.youtube.com/watch?v=N2HtMBCKSPM


Вернуться наверх
 
 Заголовок сообщения: Re: ремонт осциллографа С1-101
СообщениеДобавлено: Сб фев 18, 2023 01:08:57 
Держит паяльник хвостом

Карма: 9
Рейтинг сообщений: 98
Зарегистрирован: Сб фев 13, 2010 23:50:42
Сообщений: 937
Откуда: Kazan
Рейтинг сообщения: 0
Судя по схеме, приведенной вначале темы, в этих положениях развертки работают группы контактов 2,5 переключателя S2.Вероятно, где то нет контакта,где он должен быть или есть там, где его быть не должно )


Вернуться наверх
 
 Заголовок сообщения: Re: ремонт осциллографа С1-101
СообщениеДобавлено: Сб фев 18, 2023 09:48:27 
Родился

Зарегистрирован: Пн янв 30, 2012 22:52:55
Сообщений: 12
Откуда: Украина, г. Ровно
Рейтинг сообщения: 0
Контакты проверены, все в порядке. При вращении вышеупомянутой ручки, с эмиттера сборки А4-2 (12 нога) пила в норме, без изменений.
Но пила практически исчезает при вращении ручки против часовой стрелки на коллекторах выходных транзисторов V4 V5


Вернуться наверх
 
 Заголовок сообщения: Re: ремонт осциллографа С1-101
СообщениеДобавлено: Сб фев 18, 2023 20:37:02 
Держит паяльник хвостом

Карма: 9
Рейтинг сообщений: 98
Зарегистрирован: Сб фев 13, 2010 23:50:42
Сообщений: 937
Откуда: Kazan
Рейтинг сообщения: 0
Надо смотреть, как меняются сигналы выв 5,15 платы и23 263 035 на разных диапазонах развертки...
Возможно, владельцы этого девайса чтото подскажут ..


Вернуться наверх
 
 Заголовок сообщения: Re: ремонт осциллографа С1-101
СообщениеДобавлено: Вт фев 21, 2023 14:43:17 
Родился

Зарегистрирован: Пн янв 30, 2012 22:52:55
Сообщений: 12
Откуда: Украина, г. Ровно
Рейтинг сообщения: 0
У кого есть такой же осциллограф, у всех также, или нужно ремонтировать?


Вернуться наверх
 
 Заголовок сообщения: Re: ремонт осциллографа С1-101
СообщениеДобавлено: Вт фев 21, 2023 21:39:21 
Друг Кота
Аватар пользователя

Карма: 50
Рейтинг сообщений: 769
Зарегистрирован: Чт дек 29, 2005 00:18:30
Сообщений: 6611
Откуда: Москва
Рейтинг сообщения: 0
Лежит такой, новый. Попробую в выходные проверить, всё равно из коробки доставать... Если что в ЛС пните числа 25...26 если не проверю раньше.

_________________
Ничто так не укрепляет взаимное доверие, как 100% предоплата! Дмитрий, ex-RK3AOR.


Вернуться наверх
 
 Заголовок сообщения: Re: ремонт осциллографа С1-101
СообщениеДобавлено: Пт июл 21, 2023 16:21:44 
Родился

Зарегистрирован: Пн янв 30, 2012 22:52:55
Сообщений: 12
Откуда: Украина, г. Ровно
Рейтинг сообщения: 0
Проблема осталась..хелп


Вернуться наверх
 
 Заголовок сообщения: Re: ремонт осциллографа С1-101
СообщениеДобавлено: Вт июл 25, 2023 09:53:28 
Прорезались зубы

Карма: 3
Рейтинг сообщений: 78
Зарегистрирован: Вс апр 24, 2011 10:40:38
Сообщений: 220
Рейтинг сообщения: 0
Если я правильно понял, речь идет о переключателе длительности развертки S1, а не о S2. В положениях 0,1, 0,2, 0,5 мкс переключателя S1 согласно таблице коммутации замыкаются контакты S1.12 и S.16. И если подключиться мультиметром к точкам 2 и 5 (вложение 01), то при переключении в указанные положения при замкнутых контактах S1.12 мультиметр должен показать емкость конденсаторов C7 и C8. Аналогично проверяем замыкание S.16, но подключаемся к точкам 6 и 7, а емкость конденсатора - С12. Если все нормально – двигаемся дальше, на плату генератора развертки.


Вложения:
04.jpg [173.24 KiB]
Скачиваний: 160
03.JPG [154.97 KiB]
Скачиваний: 119
02.jpg [178.62 KiB]
Скачиваний: 117
01.JPG [140.67 KiB]
Скачиваний: 120
Вернуться наверх
 
 Заголовок сообщения: Re: ремонт осциллографа С1-101
СообщениеДобавлено: Чт дек 14, 2023 20:39:45 
Первый раз сказал Мяу!

Карма: 3
Рейтинг сообщений: 3
Зарегистрирован: Вс фев 24, 2008 17:06:35
Сообщений: 39
Рейтинг сообщения: 0
Здравствуйте!
Спрошу здесь, чтобы не плодить темы.
В С1-101 стоит трубка 6ло3и. Возможно ли её заменить на 6ло1и?
Последняя цифра - номер разработки, но есть ли отличие в габаритах, цоколевке и характеристиках?

Добавлено after 13 minutes 26 seconds:
Упс.... сорри, не подходит :((( Лежит на местной барахолке новая в упаковке, за смешные деньги 2 долл...


Вернуться наверх
 
 Заголовок сообщения: Re: ремонт осциллографа С1-101
СообщениеДобавлено: Вт дек 23, 2025 07:28:25 
Нашел транзистор. Понюхал.

Зарегистрирован: Сб сен 01, 2018 06:23:58
Сообщений: 184
Рейтинг сообщения: 0
Господа, кто нибудь подскажет, почему осциллограф стал показывать вот такую картинку со всех генераторов. Куда залезть, посмотреть. То ли это развертка, то ли вертикальный усилитель. Может напряжения?


Вложения:
IMG_20251222_195359.jpg [180.81 KiB]
Скачиваний: 63
Вернуться наверх
 
Показать сообщения за:  Сортировать по:  Вернуться наверх
Начать новую тему Ответить на тему  [ Сообщений: 22 ]  1,  

Часовой пояс: UTC + 3 часа


Вы не можете начинать темы
Вы не можете отвечать на сообщения
Вы не можете редактировать свои сообщения
Вы не можете удалять свои сообщения
Вы не можете добавлять вложения

Найти:
Перейти:  


Powered by phpBB © 2000, 2002, 2005, 2007 phpBB Group
Русская поддержка phpBB
Extended by Karma MOD © 2007—2012 m157y
Extended by Topic Tags MOD © 2012 m157y