Например TDA7294

Форум РадиоКот • Просмотр темы - Простой логический анализатор
Форум РадиоКот
Здесь можно немножко помяукать :)

Текущее время: Вс янв 11, 2026 11:05:17

Часовой пояс: UTC + 3 часа


ПРЯМО СЕЙЧАС:



Начать новую тему Ответить на тему  [ Сообщений: 36 ]  1,  
Автор Сообщение
Не в сети
 Заголовок сообщения: Простой логический анализатор
СообщениеДобавлено: Пн май 30, 2011 20:39:37 
Мучитель микросхем
Аватар пользователя

Карма: -2
Рейтинг сообщений: 0
Зарегистрирован: Вт июн 01, 2010 22:12:07
Сообщений: 474
Откуда: Тольятти
Рейтинг сообщения: 0
Ищется схема простого логического анализатора - приставки к ПК.
Главное требование: отсутствие дорогостоящих и дефицитных деталек.
Выдающихся скоростных характеристик тоже не требуется.

Понравилась вот такая конструкция от немецких товарищей.

Может собирал кто-нибудь, или слышал что про нее....

Или может есть другие, проверенные конструкции...

_________________
Изображение


Вернуться наверх
 
Не в сети
 Заголовок сообщения: Re: Простой логический анализатор
СообщениеДобавлено: Пн май 30, 2011 21:16:36 
Друг Кота
Аватар пользователя

Карма: 49
Рейтинг сообщений: 392
Зарегистрирован: Вс июл 12, 2009 19:15:29
Сообщений: 7014
Откуда: Ижевск
Рейтинг сообщения: 0
Если мне не отшибает память, то Кислый с этим связан.

_________________
Docendo discimus


Вернуться наверх
 
Не в сети
 Заголовок сообщения: Re: Простой логический анализатор
СообщениеДобавлено: Вт май 31, 2011 00:17:31 
Поставщик валерьянки для Кота
Аватар пользователя

Карма: 2
Рейтинг сообщений: 23
Зарегистрирован: Чт апр 08, 2010 18:50:01
Сообщений: 2095
Откуда: Краснодар
Рейтинг сообщения: 0
действительно простая интуитивно понятная схема.. но у меня пока лежит в коробке, без памяти.. ждет своего часа. тк достать 12нс проблематично, да и времени паять пока нету.. то учеба, то командировки :(
печатку разводил в кикаде, да кажется похоронил вместе с винтом.
хотя в середине июня думаю доделать. да и софт придется переписывать. он слишком беден по функциям. фактически можно только смотреть на дерганье ног.

_________________
RETI ;рети-рети интеррапт, через шины данных тракт, через память, через порт, возвращайся в главный код
@hobbyelectronics


Вернуться наверх
 
Не в сети
 Заголовок сообщения: Re: Простой логический анализатор
СообщениеДобавлено: Вт май 31, 2011 09:40:30 
Мучитель микросхем
Аватар пользователя

Карма: -2
Рейтинг сообщений: 0
Зарегистрирован: Вт июн 01, 2010 22:12:07
Сообщений: 474
Откуда: Тольятти
Рейтинг сообщения: 0
Вы какую версию начали собирать?

Я, наверное, для начала первую рискну собрать.

Тем паче во второй, как мне кажется, есть ошибки в обозначениях в блоке памяти. Но это только так, на вскидку.

_________________
Изображение


Вернуться наверх
 
Эиком - электронные компоненты и радиодетали
Не в сети
 Заголовок сообщения: Re: Простой логический анализатор
СообщениеДобавлено: Вт май 31, 2011 14:38:22 
Поставщик валерьянки для Кота
Аватар пользователя

Карма: 2
Рейтинг сообщений: 23
Зарегистрирован: Чт апр 08, 2010 18:50:01
Сообщений: 2095
Откуда: Краснодар
Рейтинг сообщения: 0
я начал делать версию на 16 меге просто потому, что она у меня была :) в схеме есть ошибки, но они заметные.

_________________
RETI ;рети-рети интеррапт, через шины данных тракт, через память, через порт, возвращайся в главный код
@hobbyelectronics


Вернуться наверх
 
Не в сети
 Заголовок сообщения: Re: Простой логический анализатор
СообщениеДобавлено: Вт май 31, 2011 15:03:56 
Мучитель микросхем
Аватар пользователя

Карма: -2
Рейтинг сообщений: 0
Зарегистрирован: Вт июн 01, 2010 22:12:07
Сообщений: 474
Откуда: Тольятти
Рейтинг сообщения: 0
Кислый писал(а):
в схеме есть ошибки, но они заметные.

Кроме неверных(перепутанных) надписЕй я пока ничего серьезней не нашел.

Детальки уже заказал, пока начинаю потихоньку плату разводить.

З.Ы. Память(32x8), даже у злостных барыг из ЧипаДипа, стоит около 60 руб.

_________________
Изображение


Вернуться наверх
 
Не в сети
 Заголовок сообщения: Re: Простой логический анализатор
СообщениеДобавлено: Вт май 31, 2011 16:58:07 
Поставщик валерьянки для Кота
Аватар пользователя

Карма: 2
Рейтинг сообщений: 23
Зарегистрирован: Чт апр 08, 2010 18:50:01
Сообщений: 2095
Откуда: Краснодар
Рейтинг сообщения: 0
с чип-дипом я связываюсь только в крайнем случае :) а рядом 12нс sram не нашел :(

_________________
RETI ;рети-рети интеррапт, через шины данных тракт, через память, через порт, возвращайся в главный код
@hobbyelectronics


Вернуться наверх
 
Не в сети
 Заголовок сообщения: Re: Простой логический анализатор
СообщениеДобавлено: Вт май 31, 2011 18:47:48 
Друг Кота
Аватар пользователя

Карма: 9
Рейтинг сообщений: 96
Зарегистрирован: Пн июл 13, 2009 14:37:39
Сообщений: 3961
Откуда: Московская область, наукоград.....
Рейтинг сообщения: 0
Кислый писал(а):
а рядом 12нс sram не нашел :(

Может попробуете связаться с террой, хоть от вас и подальше будет
Изображение


Вложения:
sram.JPG [128.93 KiB]
Скачиваний: 2593

_________________
Загружая на вход компьютера "мусор", на выходе получим "мусор^32".
PS. Не работаю с: Proteus, Multisim, EWB, Micro-Cap... не спрашивайте даже
Вернуться наверх
 
Не в сети
 Заголовок сообщения: Re: Простой логический анализатор
СообщениеДобавлено: Пн июн 06, 2011 22:40:11 
Мучитель микросхем
Аватар пользователя

Карма: -2
Рейтинг сообщений: 0
Зарегистрирован: Вт июн 01, 2010 22:12:07
Сообщений: 474
Откуда: Тольятти
Рейтинг сообщения: 0
Потихоньку накидал печатку:
Изображение
Постарался сделать как можно более простую.
Получилось БЕЗ переходных дырок, проводников между ножек МС и SMD мелочевки.
Все дороги 0.4, кроме дорог рядом с FTшкой, там 0.3.

На днях выложу подправленную принципиалку, по которой рисовал.
Если что подправьте.

_________________
Изображение


Вернуться наверх
 
Не в сети
 Заголовок сообщения: Re: Простой логический анализатор
СообщениеДобавлено: Пт июн 10, 2011 16:30:57 
Поставщик валерьянки для Кота
Аватар пользователя

Карма: 2
Рейтинг сообщений: 23
Зарегистрирован: Чт апр 08, 2010 18:50:01
Сообщений: 2095
Откуда: Краснодар
Рейтинг сообщения: 0
похвально

_________________
RETI ;рети-рети интеррапт, через шины данных тракт, через память, через порт, возвращайся в главный код
@hobbyelectronics


Вернуться наверх
 
Не в сети
 Заголовок сообщения: Re: Простой логический анализатор
СообщениеДобавлено: Сб июл 16, 2011 23:44:54 
Открыл глаза
Аватар пользователя

Зарегистрирован: Пт окт 01, 2010 22:51:54
Сообщений: 59
Откуда: Украина/Умань
Рейтинг сообщения: 0
Хороший монтаж :love: , а как там дела обстоят с самим устройством ? работает-ли ? тоже интересна данная тема.


Вернуться наверх
 
Не в сети
 Заголовок сообщения: Re: Простой логический анализатор
СообщениеДобавлено: Вс июл 17, 2011 10:08:24 
Мучитель микросхем
Аватар пользователя

Карма: -2
Рейтинг сообщений: 0
Зарегистрирован: Вт июн 01, 2010 22:12:07
Сообщений: 474
Откуда: Тольятти
Рейтинг сообщения: 0
Лето - жаркая пора. Сейчас много других срочных проектов.

Хотел его собрать для одного текущего проекта, но пока ждал комплектуху, отладил проект и так.

Так что скорее всего, проект будет продолжен в осенне-зимний период.

_________________
Изображение


Вернуться наверх
 
Не в сети
 Заголовок сообщения: Re: Простой логический анализатор
СообщениеДобавлено: Вс июл 17, 2011 11:27:56 
Мучитель микросхем

Карма: 4
Рейтинг сообщений: 9
Зарегистрирован: Пт июн 12, 2009 19:17:35
Сообщений: 487
Рейтинг сообщения: 0
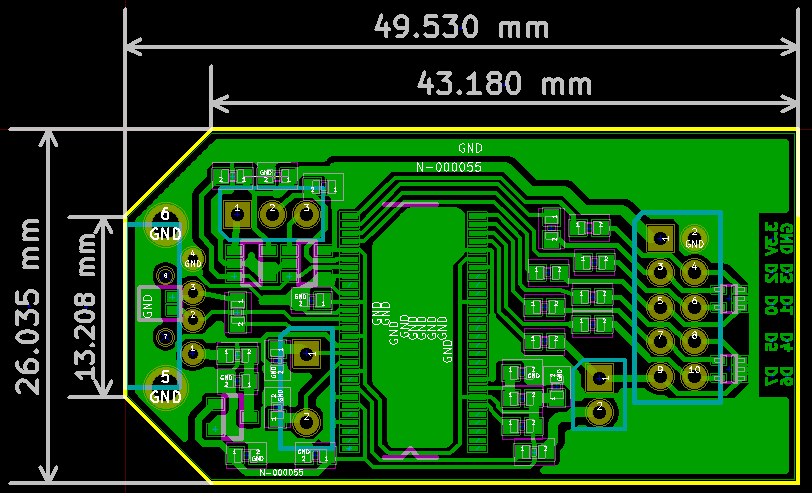
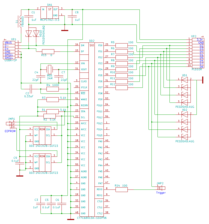
собрал клон USBee/Saleae, деталек немного - на 8$, 8 каналов, частота поменьше - 24МГц, но буфер в памяти - хоть гигабайт.
еще вот этот гляньте: http://dangerousprototypes.com/bus-pirate-manual/


Вложения:
pcb-kicad.png [25.03 KiB]
Скачиваний: 520
sch.ps.png [21.15 KiB]
Скачиваний: 859
Вернуться наверх
 
Не в сети
 Заголовок сообщения: Re: Простой логический анализатор
СообщениеДобавлено: Вс июл 17, 2011 15:58:35 
Мучитель микросхем
Аватар пользователя

Карма: -2
Рейтинг сообщений: 0
Зарегистрирован: Вт июн 01, 2010 22:12:07
Сообщений: 474
Откуда: Тольятти
Рейтинг сообщения: 0
qwerky писал(а):
собрал клон USBee/Saleae, деталек немного - на 8$, 8 каналов, частота поменьше - 24МГц, но буфер в памяти - хоть гигабайт.

А софт под него какой?

Лучше даже ссылку на источник.

_________________
Изображение


Вернуться наверх
 
Не в сети
 Заголовок сообщения: Re: Простой логический анализатор
СообщениеДобавлено: Вс июл 17, 2011 16:54:21 
Мучитель микросхем

Карма: 4
Рейтинг сообщений: 9
Зарегистрирован: Пт июн 12, 2009 19:17:35
Сообщений: 487
Рейтинг сообщения: 0
Цитата:
А софт под него какой?
USBee AX: http://www.usbee.com/download.htm
Saleae Logic: http://www.saleae.com/downloads/
еще вот такое есть, пока пробовал: http://sigrok.org/wiki/Main_Page

Цитата:
Лучше даже ссылку на источник.
http://electrotormentor.blogspot.com/2011/06/cy7c68013a-logic-analyzer.html, односторонний монтаж, делал фоторезистом


Вернуться наверх
 
Не в сети
 Заголовок сообщения: Re: Простой логический анализатор
СообщениеДобавлено: Вс июл 17, 2011 17:53:00 
Поставщик валерьянки для Кота
Аватар пользователя

Карма: 2
Рейтинг сообщений: 23
Зарегистрирован: Чт апр 08, 2010 18:50:01
Сообщений: 2095
Откуда: Краснодар
Рейтинг сообщения: 0
хмм.. fifo c usb :roll: что-то в этом есть. Хотя.. ну есть у вас в памяти 1 000 000 000 точек, с частотой дискр. 24 MHz представили ? И что вы с ними будете делать ? курить долгими зимними вечерами :kill: ?

За минимализм 5, а отсутствие мотивации - 3.

прибор господ германцев прост, и легко подвергается модернизации, а ваш ?

_________________
RETI ;рети-рети интеррапт, через шины данных тракт, через память, через порт, возвращайся в главный код
@hobbyelectronics


Вернуться наверх
 
Не в сети
 Заголовок сообщения: Re: Простой логический анализатор
СообщениеДобавлено: Вс июл 17, 2011 18:29:16 
Мучитель микросхем

Карма: 4
Рейтинг сообщений: 9
Зарегистрирован: Пт июн 12, 2009 19:17:35
Сообщений: 487
Рейтинг сообщения: 0
Цитата:
И что вы с ними будете делать ? курить долгими зимними вечерами :kill: ?
поройтесь глубже на указанных сайтах - найдете и описания, и скриншоты, многие вопросы отпадут
Цитата:
прибор господ германцев прост, и легко подвергается модернизации
ну-ну, вперед на баррикады. Покажите через месяц-два результаты своей "модернизации", родите что-нибудь подобное - можно ставить памятник, нет - посмеемся вместе...


Вернуться наверх
 
Не в сети
 Заголовок сообщения: Re: Простой логический анализатор
СообщениеДобавлено: Вс июл 17, 2011 22:15:12 
Мучитель микросхем
Аватар пользователя

Карма: -2
Рейтинг сообщений: 0
Зарегистрирован: Вт июн 01, 2010 22:12:07
Сообщений: 474
Откуда: Тольятти
Рейтинг сообщения: 0
Я тоже считаю, что лучше иметь инструмент который знаешь досконально.
А если и поучавствуешь в его создании.....

Немецкая разработка проста как пять копеек, и написать под него софт не составит никакого труда.

_________________
Изображение


Вернуться наверх
 
Не в сети
 Заголовок сообщения: Re: Простой логический анализатор
СообщениеДобавлено: Пн июл 18, 2011 11:29:34 
Мучитель микросхем

Карма: 4
Рейтинг сообщений: 9
Зарегистрирован: Пт июн 12, 2009 19:17:35
Сообщений: 487
Рейтинг сообщения: 0
Цитата:
ну есть у вас в памяти 1 000 000 000 точек
ну-ну, попробуйте снять реальный протокол какой-нибудь шины с буфером всего 8К отсчетов... такой объем вряд-ли подходит для действительно полезного лог.анализатора


Вернуться наверх
 
Не в сети
 Заголовок сообщения: Re: Простой логический анализатор
СообщениеДобавлено: Ср июл 20, 2011 09:31:47 
Поставщик валерьянки для Кота
Аватар пользователя

Карма: 2
Рейтинг сообщений: 23
Зарегистрирован: Чт апр 08, 2010 18:50:01
Сообщений: 2095
Откуда: Краснодар
Рейтинг сообщения: 0
Заменить память и упр. Логитку не проблема.. Равно как и добавить кол-во каналов.
Давайте так.. Я через месяц приеду с Сочей, и продолжить дисскуссию подкрепляя ее какими-то фактами.. С телефона неудобно :(

_________________
RETI ;рети-рети интеррапт, через шины данных тракт, через память, через порт, возвращайся в главный код
@hobbyelectronics


Вернуться наверх
 
Показать сообщения за:  Сортировать по:  Вернуться наверх
Начать новую тему Ответить на тему  [ Сообщений: 36 ]  1,  

Часовой пояс: UTC + 3 часа


Кто сейчас на форуме

Сейчас этот форум просматривают: нет зарегистрированных пользователей и гости: 32


Вы не можете начинать темы
Вы не можете отвечать на сообщения
Вы не можете редактировать свои сообщения
Вы не можете удалять свои сообщения
Вы не можете добавлять вложения

Найти:
Перейти:  


Powered by phpBB © 2000, 2002, 2005, 2007 phpBB Group
Русская поддержка phpBB
Extended by Karma MOD © 2007—2012 m157y
Extended by Topic Tags MOD © 2012 m157y