Например TDA7294

Форум РадиоКот • Просмотр темы - Понижайка с48-80в в 12в до 1.5а посоветуйте микруху
Форум РадиоКот
Здесь можно немножко помяукать :)

Текущее время: Сб мар 07, 2026 07:35:59

Часовой пояс: UTC + 3 часа


ПРЯМО СЕЙЧАС:



Начать новую тему Ответить на тему  [ Сообщений: 45 ]    , 2,  
Автор Сообщение
 Заголовок сообщения: Re: Понижайка с48-80в в 12в до 1.5а посоветуйте микруху
СообщениеДобавлено: Чт фев 12, 2026 20:56:26 
Друг Кота
Аватар пользователя

Карма: 59
Рейтинг сообщений: 704
Зарегистрирован: Вт сен 25, 2012 23:13:41
Сообщений: 5865
Откуда: г.Дзержинск Нижегородской обл.
Рейтинг сообщения: 0
А почему у меня от ноутбука питальник в вагонах ржд от постоянки работал?
Так это же Ваш "питальник", Вам и искать ответ. :)

Добавлено after 4 minutes 52 seconds:
Да открой любой даташит на микросхему APFC , Коля . :facepalm:
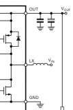
Вот "любая" схема, которая построена немного иначе:
Изображение

Что теперь скажете? :tea:

_________________
Спасение утопающих дело рук самих утопающих.


Вернуться наверх
 
 Заголовок сообщения: Re: Понижайка с48-80в в 12в до 1.5а посоветуйте микруху
СообщениеДобавлено: Чт фев 12, 2026 21:03:10 
Друг Кота
Аватар пользователя

Карма: 4
Рейтинг сообщений: 342
Зарегистрирован: Ср мар 31, 2010 09:33:22
Сообщений: 4922
Откуда: Владивосток
Рейтинг сообщения: 0
Перед тем как согласится с ИИ , я смотрел такой даташит , Коля :)))
И отличется от классического бустера только двумя ногами . Тоесть это и есть бустер .
1 . нога 5 отслеживает ноль синуса
2 нога 3 отслеживает напряжение синуса после моста ( нижняя половина поднята )

Вот и все . Все как сказал ИИ.

Я все более и более начинаю доверять ИИ . Нежели всяким спорщикам , вроде тебя 8)

_________________
«Когда у общества нет цветовой дифференциации штанов, то нет цели!»

- Позвольте-с вас спросить, почему от вас так отвратительно пахнет?
- Ну, что ж, пахнет... известно. По специальности. Вчера котов душили, душили. (с)


Вернуться наверх
 
 Заголовок сообщения: Re: Понижайка с48-80в в 12в до 1.5а посоветуйте микруху
СообщениеДобавлено: Чт фев 12, 2026 21:14:26 
Друг Кота
Аватар пользователя

Карма: 59
Рейтинг сообщений: 704
Зарегистрирован: Вт сен 25, 2012 23:13:41
Сообщений: 5865
Откуда: г.Дзержинск Нижегородской обл.
Рейтинг сообщения: 0
Я все более и более начинаю доверять ИИ . Нежели всяким спорщикам , вроде тебя 8)
Это выбор каждого кому(чему) доверять, а кому не стоит. Лично я не доверяю такой системе, которая ещё совсем недавно рисовала по 6 пальцев на руке. Да и теперь её художества не лишены косяков.
А потом, я и не собирался спорить. Я просто показал, что существуют другие схемы корректоров и бустеров, которые совершенно не похожи на типовые решения.

_________________
Спасение утопающих дело рук самих утопающих.


Последний раз редактировалось Николай_С Чт фев 12, 2026 21:31:57, всего редактировалось 1 раз.

Вернуться наверх
 
 Заголовок сообщения: Re: Понижайка с48-80в в 12в до 1.5а посоветуйте микруху
СообщениеДобавлено: Чт фев 12, 2026 21:30:44 
Друг Кота
Аватар пользователя

Карма: 59
Рейтинг сообщений: 2253
Зарегистрирован: Чт янв 26, 2012 16:44:29
Сообщений: 20023
Откуда: Таксимо
Рейтинг сообщения: 0
L6562 3 нога контролирует выпрямленное пульсирующее напряжение. И при снижении ниже порога уменьшается частота генерации, при еще ниже вообще перестает. Если будет постоянка на входе ей пофиг будет, будет постоянку повышать и все. Отговорите меня что я неправ или я вот прям недавно все устройства какие есть для эксперимента запитаю от постоянки. Телеки приставки, ноутбуки, компы

_________________
Мои поставщики запчастей с отличной репутацией
texnomag.ru
radioremont.com
pl-1.org
4ip.info
elitan.ru


Вернуться наверх
 
Эиком - электронные компоненты и радиодетали
 Заголовок сообщения: Re: Понижайка с48-80в в 12в до 1.5а посоветуйте микруху
СообщениеДобавлено: Чт фев 12, 2026 21:32:36 
Друг Кота
Аватар пользователя

Карма: 4
Рейтинг сообщений: 342
Зарегистрирован: Ср мар 31, 2010 09:33:22
Сообщений: 4922
Откуда: Владивосток
Рейтинг сообщения: 0
другие схемы корректоров и бустеров,

Покажи . Я не видел другой топологии .
Кроме схем в даташитах микросхем есть графики , поясняющие работу .
В принципе они работают от постоянного напряжения , тоесть как простые бустеры .

А почему у меня от ноутбука питальник в вагонах ржд от постоянки работал?

На постоянке нечего корректировать , просто повышает до 380 в на конденсаторе .
Цитата:
И при снижении ниже порога уменьшается частота генерации

В даташитах частота постоянна , шим уменьшает или увеличивает заполнение , пропускает такты . Но следит за напряжением выхода .
Это же не чим .

_________________
«Когда у общества нет цветовой дифференциации штанов, то нет цели!»

- Позвольте-с вас спросить, почему от вас так отвратительно пахнет?
- Ну, что ж, пахнет... известно. По специальности. Вчера котов душили, душили. (с)


Вернуться наверх
 
 Заголовок сообщения: Re: Понижайка с48-80в в 12в до 1.5а посоветуйте микруху
СообщениеДобавлено: Чт фев 12, 2026 21:41:55 
Друг Кота
Аватар пользователя

Карма: 59
Рейтинг сообщений: 2253
Зарегистрирован: Чт янв 26, 2012 16:44:29
Сообщений: 20023
Откуда: Таксимо
Рейтинг сообщения: 0
Ну я так примерно криво обрисовал, там зависимость напряжение- длительность. Ну вы понели

_________________
Мои поставщики запчастей с отличной репутацией
texnomag.ru
radioremont.com
pl-1.org
4ip.info
elitan.ru


Вернуться наверх
 
 Заголовок сообщения: Re: Понижайка с48-80в в 12в до 1.5а посоветуйте микруху
СообщениеДобавлено: Чт фев 12, 2026 21:43:41 
Друг Кота
Аватар пользователя

Карма: 59
Рейтинг сообщений: 704
Зарегистрирован: Вт сен 25, 2012 23:13:41
Сообщений: 5865
Откуда: г.Дзержинск Нижегородской обл.
Рейтинг сообщения: 0
Покажи . Я не видел другой топологии .
Показываю:
Корректоры коэффициента мощности AC/DC-источников питания. В самом конце статьи читаем про Безмостовой активный ККМ с Totem-Pole. Там и схемы с описанием имеются.

Отговорите меня что я неправ или я вот прям недавно все устройства какие есть для эксперимента запитаю от постоянки. Телеки приставки, ноутбуки, компы
vlasovzloy, даже и пытаться не стану. Ваша техника - делайте с ней всё, что хотите.

_________________
Спасение утопающих дело рук самих утопающих.


Вернуться наверх
 
 Заголовок сообщения: Re: Понижайка с48-80в в 12в до 1.5а посоветуйте микруху
СообщениеДобавлено: Чт фев 12, 2026 22:02:02 
Друг Кота
Аватар пользователя

Карма: 59
Рейтинг сообщений: 2253
Зарегистрирован: Чт янв 26, 2012 16:44:29
Сообщений: 20023
Откуда: Таксимо
Рейтинг сообщения: 0
Тотем пол это немного другое, более дорогое и сложное

_________________
Мои поставщики запчастей с отличной репутацией
texnomag.ru
radioremont.com
pl-1.org
4ip.info
elitan.ru


Вернуться наверх
 
 Заголовок сообщения: Re: Понижайка с48-80в в 12в до 1.5а посоветуйте микруху
СообщениеДобавлено: Чт фев 12, 2026 22:13:12 
Друг Кота
Аватар пользователя

Карма: 59
Рейтинг сообщений: 704
Зарегистрирован: Вт сен 25, 2012 23:13:41
Сообщений: 5865
Откуда: г.Дзержинск Нижегородской обл.
Рейтинг сообщения: 0
Тем не менее, это корректор коэффициента мощности и он не похож на типовое решение. Вот вам и безоговорочная вера в ИИ. 8)

_________________
Спасение утопающих дело рук самих утопающих.


Вернуться наверх
 
 Заголовок сообщения: Re: Понижайка с48-80в в 12в до 1.5а посоветуйте микруху
СообщениеДобавлено: Чт фев 12, 2026 22:23:59 
Друг Кота
Аватар пользователя

Карма: 4
Рейтинг сообщений: 342
Зарегистрирован: Ср мар 31, 2010 09:33:22
Сообщений: 4922
Откуда: Владивосток
Рейтинг сообщения: 0
Показываю:

Посмотрел .
Там же написано -
Цитата:
К недостаткам безмостового ККМ относятся его сложность (требуются четыре изолированных драйвера для управления полевыми транзисторами), довольно высокая точность синхронизации (особенно при переходе через нуль в сети, когда важно во избежание сквозных токов ввести достаточную, но не слишком большую паузу, иначе это скажется на эффективности) и сложность синхронизации схемы с источником питания при наличии помех. Кроме того, в ИС контроллера для поддержания высокого КПД во всем диапазоне нагрузки и напряжения питания должен быть вход управления от трансформатора тока или датчик на эффекте Холла.

Тут не понимают как работает простой APFC , не то что такой мудреный . Сомнительно что в ближайшие годы такой можно увидить на практике . Только проекты , как базы на Луне и добыча трития :)))

Добавлено after 3 minutes 22 seconds:
Вот вам и безоговорочная вера в ИИ. 8)


Скоро тебе легче станет на форумах :o

Цитата:
В Госдуме допустили, что Google могут заблокировать в России
https://vm.ru/news/1302812-v-gosdume-do ... rossii/amp

Гудбай андроид и смартфоны :facepalm:

_________________
«Когда у общества нет цветовой дифференциации штанов, то нет цели!»

- Позвольте-с вас спросить, почему от вас так отвратительно пахнет?
- Ну, что ж, пахнет... известно. По специальности. Вчера котов душили, душили. (с)


Вернуться наверх
 
 Заголовок сообщения: Re: Понижайка с48-80в в 12в до 1.5а посоветуйте микруху
СообщениеДобавлено: Чт фев 12, 2026 22:30:33 
Друг Кота
Аватар пользователя

Карма: 59
Рейтинг сообщений: 704
Зарегистрирован: Вт сен 25, 2012 23:13:41
Сообщений: 5865
Откуда: г.Дзержинск Нижегородской обл.
Рейтинг сообщения: 0
Речь не о сложности и недостатках схем бустеров и корректоров коэффициента мощности. Речь о том, что это функционально различные устройства, поэтому схемотехника их может отличаться.

Что касается запретов и блокировок, то они никому не упростят жизнь, только усложнят методы их обхода. ;)

_________________
Спасение утопающих дело рук самих утопающих.


Вернуться наверх
 
 Заголовок сообщения: Re: Понижайка с48-80в в 12в до 1.5а посоветуйте микруху
СообщениеДобавлено: Чт фев 12, 2026 22:46:04 
Друг Кота
Аватар пользователя

Карма: 59
Рейтинг сообщений: 2253
Зарегистрирован: Чт янв 26, 2012 16:44:29
Сообщений: 20023
Откуда: Таксимо
Рейтинг сообщения: 3
Речь о том что адаптер ноутбука с apfc может работать от низковольтной постоянки.
О кстати вспомнил, есть микрухи hv9910b например, но она драйвер светодиодов, но можно же вместо дросмеля трансформатор поставить и с обмотки вторичное вам. Но зато от 8 до 450 вольт рабочее напряжение

Добавлено after 3 minutes 45 seconds:
Даже схемку нагуглил
https://elwo.ru/publ/svetodiody/svetodi ... 5-1-0-1190

_________________
Мои поставщики запчастей с отличной репутацией
texnomag.ru
radioremont.com
pl-1.org
4ip.info
elitan.ru


Вернуться наверх
 
 Заголовок сообщения: Re: Понижайка с48-80в в 12в до 1.5а посоветуйте микруху
СообщениеДобавлено: Пт фев 13, 2026 00:37:24 
Друг Кота
Аватар пользователя

Карма: 32
Рейтинг сообщений: 955
Зарегистрирован: Пт сен 10, 2021 15:19:36
Сообщений: 6513
Откуда: Протвино
Рейтинг сообщения: 0
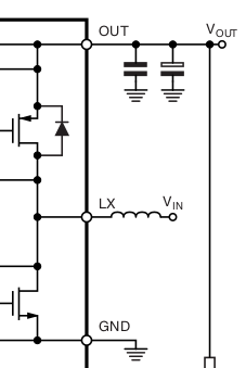
Николай_С писал(а):
Показываю:
Корректоры коэффициента мощности AC/DC-источников питания. В самом конце статьи читаем про Безмостовой активный ККМ с Totem-Pole. Там и схемы с описанием имеются.

Изображение
да, это классический синхронный (полумостовой) бустер
Изображение
у которого медленные Q3Q4 переворачивают бустерный полумост нужной стороной на полупериодах 50Hz,
тоесть эта схема кроме синхронного бустера реализует функцию мостового выпрямителя 50Hz :music:


просто бустер с индуктором это эффективный способ повышать напряжение а apfc для своей работы как раз и требуется обеспечить потребление в том числе и на низковольтных участках 50Hz синусоиды, что наиболее просто и эффективно делается именно бустером :dont_know: да, можно придумать десятки вариантов схем apfc без бустера, но пока не получилось это сделать экономически обоснованно, получив преимущество перед бустерным вариантом :dont_know:


Вернуться наверх
 
 Заголовок сообщения: Re: Понижайка с48-80в в 12в до 1.5а посоветуйте микруху
СообщениеДобавлено: Пт фев 13, 2026 06:42:16 
Друг Кота
Аватар пользователя

Карма: 4
Рейтинг сообщений: 342
Зарегистрирован: Ср мар 31, 2010 09:33:22
Сообщений: 4922
Откуда: Владивосток
Рейтинг сообщения: 0
Что касается запретов и блокировок, то они никому не упростят жизнь, только усложнят методы их обхода. ;)


Просто задавят ИИ , ты же ему не веришь . А обходы тут как мертвому припарка :)

_________________
«Когда у общества нет цветовой дифференциации штанов, то нет цели!»

- Позвольте-с вас спросить, почему от вас так отвратительно пахнет?
- Ну, что ж, пахнет... известно. По специальности. Вчера котов душили, душили. (с)


Вернуться наверх
 
 Заголовок сообщения: Re: Понижайка с48-80в в 12в до 1.5а посоветуйте микруху
СообщениеДобавлено: Пт фев 13, 2026 12:15:34 
Друг Кота
Аватар пользователя

Карма: 59
Рейтинг сообщений: 704
Зарегистрирован: Вт сен 25, 2012 23:13:41
Сообщений: 5865
Откуда: г.Дзержинск Нижегородской обл.
Рейтинг сообщения: 0
...можно придумать десятки вариантов схем apfc без бустера, но пока не получилось это сделать экономически обоснованно, получив преимущество перед бустерным вариантом :dont_know:
Попадались схемы ИИП без конденсатора после моста, они работают исключительно на выпрямленной синусоиде. Таким ИИП apfc вообще не нужен. Правда, у такого решения имеются свои существенные недостатки, поэтому применение они нашли в качестве малогабаритных зарядок для телефонов.

Лыко-мочало — начинай сначала.
vlasovzloy писал(а):
Речь о том что адаптер ноутбука с apfc может работать от низковольтной постоянки.
Может работать, а может и не работать. Даже если он и будет работать, то уж точно не за счет наличия в его схеме apfc. Несмотря на общий с бустером принцип работы посредством поднятия выходного напряжения и даже одинаковое типовое схемное построение силовых цепей, функции у них совершенно разные и на постоянном входном напряжении apfc не работает.

Для тех, кто доверяет ИИ-шинице вот её ответ на этот вопрос:
Изображение

_________________
Спасение утопающих дело рук самих утопающих.


Вернуться наверх
 
 Заголовок сообщения: Re: Понижайка с48-80в в 12в до 1.5а посоветуйте микруху
СообщениеДобавлено: Пт фев 13, 2026 12:30:33 
Говорящий с текстолитом
Аватар пользователя

Карма: 12
Рейтинг сообщений: 85
Зарегистрирован: Вт мар 28, 2023 21:17:15
Сообщений: 1645
Откуда: Universe
Рейтинг сообщения: 0
Помню несколько лет назад удивлялся, обнаружив в умных розетках бестрансформаторное питание на стабилизаторах LNKxxx. Микрушка в DIP8 + дроссель на "гантельке". И всё холодное, работает себе и работает от сетевого воходного.. Может для данной задачи на них покоситься?

_________________
I have a dream...¯\_(ツ)_/¯


Вернуться наверх
 
 Заголовок сообщения: Re: Понижайка с48-80в в 12в до 1.5а посоветуйте микруху
СообщениеДобавлено: Пт фев 13, 2026 12:40:46 
Друг Кота
Аватар пользователя

Карма: 59
Рейтинг сообщений: 704
Зарегистрирован: Вт сен 25, 2012 23:13:41
Сообщений: 5865
Откуда: г.Дзержинск Нижегородской обл.
Рейтинг сообщения: 0
Всё может быть. Только бестрансформаторное питание имеет свои неприятные особенности. По ПТБ для человека считается безопасным напряжение до 36 В. Так как ТС не появился и не прояснил назначение своего ИИП, поэтому остаётся только гадать.

_________________
Спасение утопающих дело рук самих утопающих.


Вернуться наверх
 
 Заголовок сообщения: Re: Понижайка с48-80в в 12в до 1.5а посоветуйте микруху
СообщениеДобавлено: Пт фев 13, 2026 12:56:07 
Друг Кота
Аватар пользователя

Карма: 59
Рейтинг сообщений: 2253
Зарегистрирован: Чт янв 26, 2012 16:44:29
Сообщений: 20023
Откуда: Таксимо
Рейтинг сообщения: 0
Насчет маломощных зарядок, нет. Есть и мощные. У меня в ремонте колонка активная 200 или 400 ватт, там на спецмикросхемах сделано сразу и ккм и питальник

_________________
Мои поставщики запчастей с отличной репутацией
texnomag.ru
radioremont.com
pl-1.org
4ip.info
elitan.ru


Вернуться наверх
 
 Заголовок сообщения: Re: Понижайка с48-80в в 12в до 1.5а посоветуйте микруху
СообщениеДобавлено: Пт фев 13, 2026 15:13:12 
Друг Кота
Аватар пользователя

Карма: 182
Рейтинг сообщений: 8343
Зарегистрирован: Пт фев 04, 2011 17:57:51
Сообщений: 20122
Откуда: Рыбинск
Рейтинг сообщения: 0
Медали: 1
Лучший человек Форума 2017 (1)
Mursik писал(а):
удивлялся, обнаружив в умных розетках бестрансформаторное питание на стабилизаторах LNKxxx. Микрушка в DIP8 + дроссель на "гантельке". И всё холодное, работает себе и работает от сетевого воходного..
О недостатках бестрансформаторных DC/DC, о которых их производители и продавцы не станут рассказывать...
СпойлерТолько позавчера сдалал заключение о смерти всего содержимого в каком то отечественном контроллере понятия не имею чего с понижалкой с 220 до 12 на LNK304. Произошла какая то проблема с питанием 220, видимо искрение с индуктивным выбросом, ключ в LNK пробило и все 300В прилетели на стабилизатор 1117-3,3 и его нагрузку STM32 c дисплеем ОЛЕД. Все в кз. Новый прибор на выброс. Разрывной резистор сработал уже после. Варистор на входе не пострадал. Это для тех, кто на них большие надежды возлагает.
При пробое ключа спасти нагрузку в бестрансформаторной понижалке может только инвертирующее включение, когда дроссель включен не последовательно с нагрузкой, а между ключом и -300В. При пробое ключа ток потечет через дроссель, а нагрузка будет отключена от этого обратносмещенным высоковольтным диодом.

Если человек пренепременно сам хочет сделать такой источник, то нужно его делать по трансформаторной схеме обратнохода на какой либо ШИМке, хоть 384х, хоть шестиногом китайском клопе, ключе вольт на 200, сердечника даже для 65кГц хватит даже EFD25 го для данной задачи. Гальваноразвязку можно не делать для упрощения цепи ОС, но нагрузка должна обязательно питаться от обмотки трансформатора.


Вернуться наверх
 
 Заголовок сообщения: Re: Понижайка с48-80в в 12в до 1.5а посоветуйте микруху
СообщениеДобавлено: Пт фев 13, 2026 15:21:50 
Друг Кота
Аватар пользователя

Карма: 32
Рейтинг сообщений: 955
Зарегистрирован: Пт сен 10, 2021 15:19:36
Сообщений: 6513
Откуда: Протвино
Рейтинг сообщения: 0
Николай_С писал(а):
Попадались схемы ИИП без конденсатора после моста, они работают исключительно на выпрямленной синусоиде. Таким ИИП apfc вообще не нужен. Правда, у такого решения имеются свои существенные недостатки, поэтому применение они нашли в качестве малогабаритных зарядок для телефонов.


да, там почти без конденсатора (пленочник обычно, с запасом энергии на ~пару+ циклов преобразователя)
но и эти схемы обычно строятся на флайбеках, что по сути является тем же бустером. :dont_know:

ps я кстати занимался устранением недостатков такой схемы для киловатных преобразователей, там действительно формально не бустер получился ...а скорее buck :)


Вернуться наверх
 
Показать сообщения за:  Сортировать по:  Вернуться наверх
Начать новую тему Ответить на тему  [ Сообщений: 45 ]    , 2,  

Часовой пояс: UTC + 3 часа


Вы не можете начинать темы
Вы не можете отвечать на сообщения
Вы не можете редактировать свои сообщения
Вы не можете удалять свои сообщения
Вы не можете добавлять вложения

Найти:
Перейти:  


Powered by phpBB © 2000, 2002, 2005, 2007 phpBB Group
Русская поддержка phpBB
Extended by Karma MOD © 2007—2012 m157y
Extended by Topic Tags MOD © 2012 m157y