Например TDA7294

Форум РадиоКот • Просмотр темы - Поднять напряжение БП 5В 40А на TL494 малой кровью
Форум РадиоКот
Здесь можно немножко помяукать :)

Текущее время: Сб мар 21, 2026 04:13:29

Часовой пояс: UTC + 3 часа


ПРЯМО СЕЙЧАС:



Начать новую тему Ответить на тему  [ Сообщений: 24 ]  1,  
Автор Сообщение
 Заголовок сообщения: Поднять напряжение БП 5В 40А на TL494 малой кровью
СообщениеДобавлено: Сб дек 21, 2019 21:36:36 
Встал на лапы
Аватар пользователя

Зарегистрирован: Вс авг 16, 2009 16:57:32
Сообщений: 90
Откуда: KZ
Рейтинг сообщения: 0
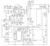
Уважаемые радиолюбители! Достался мне БП от LED панелей 5В - 40 Ампер на микросхеме KA7500B она же TL494. Но такой номинал мне без надобности. Хотелось бы сделать из него 24 ну или хотя бы 12 Вольт без замены трансформатора конечно.
Силовые транзисторы 3DD13009 на 12А, силовые диоды спаренные 2 штуки ( маркировка спилена к сожалению). Насколько я понял схема достаточно типовая.

Реально ли это?
Достаточно ли заменить выходные конденсаторы на напряжение вольт так 35 и резистор настройки напряжения увеличить в номинале? Так же на схеме есть стабилитрон на 9В ( стеклянный), нужно ли менять его?
Если 12 Вольт недостижимы, до скольки реально поднять напряжение этого блока? Ток нужен 5А максимум.

Изображение Изображение Изображение Изображение Изображение

(схема взята с интернета, от 48В БП)


Вернуться наверх
 
 Заголовок сообщения: Re: Поднять напряжение БП 5В 40А на TL494 малой кровью
СообщениеДобавлено: Вс дек 22, 2019 01:02:00 
Вымогатель припоя
Аватар пользователя

Карма: 6
Рейтинг сообщений: 25
Зарегистрирован: Пт апр 11, 2008 11:24:53
Сообщений: 683
Откуда: Владимир
Рейтинг сообщения: 6
Цитата:
Достаточно ли заменить выходные конденсаторы на напряжение вольт так 35 и резистор настройки напряжения увеличить в номинале?

Недостаточно. Будет большой БАБАХ при такой замене, или нестабильное выходное вольт 7-10, если повезет.

Цитата:
Так же на схеме есть стабилитрон на 9В ( стеклянный), нужно ли менять его?

Не нужно.

Цитата:
Если 12 Вольт недостижимы, до скольки реально поднять напряжение этого блока? Ток нужен 5А максимум.

10 Вольт получишь, просто добавив выпрямление "в минус" (т.е. катоды диодов - к обмоткам, аноды - на выход "-", цепочки аналогично +5 выходу). Получится +5 и -5 Вольт. Итого 10.
Переделка в мостовую схему выпрямления называется "по умному".
После этой переделки можно попытаться подбором резистора поднять выход до +6 и -6 вольт. Скорее всего получится. А вот выше - навскидку не скажу, а разбираться лень... Да и сложно: нужно хотя бы отношение витков "первичка-вторичка" знать.

Перед этим очень рекомендую разобраться с РЕАЛЬНЫМ включением низковольтной части. И с количеством низковольтных выводов трансформатора заодно. Поскольку "типовая схема" вполне может быть типовой, но одной из типовых. Со своими хитростями.

_________________
Человек - это звучит гордо, а обезьяна - объективно...


Вернуться наверх
 
 Заголовок сообщения: Re: Поднять напряжение БП 5В 40А на TL494 малой кровью
СообщениеДобавлено: Вс дек 22, 2019 02:35:17 
Встал на лапы
Аватар пользователя

Зарегистрирован: Вс авг 16, 2009 16:57:32
Сообщений: 90
Откуда: KZ
Рейтинг сообщения: 0
10 Вольт получишь, просто добавив выпрямление "в минус" (т.е. катоды диодов - к обмоткам, аноды - на выход "-", цепочки аналогично +5 выходу). Получится +5 и -5 Вольт. Итого 10.
Переделка в мостовую схему выпрямления называется "по умному".


Вот это интересно. Если я вас правильно понял, я могу просто добавить 2 диода, а в моем конкретном случае одну спарку поставить на -5 а другую на +5 , как в п.3 на этой картинке?

Изображение


Вернуться наверх
 
 Заголовок сообщения: Re: Поднять напряжение БП 5В 40А на TL494 малой кровью
СообщениеДобавлено: Вс дек 22, 2019 04:38:03 
Друг Кота
Аватар пользователя

Карма: 59
Рейтинг сообщений: 2255
Зарегистрирован: Чт янв 26, 2012 16:44:29
Сообщений: 20066
Откуда: Таксимо
Рейтинг сообщения: 1
У тебя скорее всего по схеме 1, тебе нужно по схеме 3 переделать, само собой общий провод от косы отсоединить и уже с выхода выпрямителя минус туда соединить. И про резистор нагрузки не забывай, в два раза больше нужен и в два раза мощней

_________________
Мои поставщики запчастей с отличной репутацией
texnomag.ru
radioremont.com
pl-1.org
4ip.info
elitan.ru


Вернуться наверх
 
Эиком - электронные компоненты и радиодетали
 Заголовок сообщения: Re: Поднять напряжение БП 5В 40А на TL494 малой кровью
СообщениеДобавлено: Вс дек 22, 2019 05:33:36 
Друг Кота
Аватар пользователя

Карма: 123
Рейтинг сообщений: 7959
Зарегистрирован: Сб сен 13, 2014 16:27:32
Сообщений: 39197
Откуда: СпиртоГонск созвездия Омега
Рейтинг сообщения: 1
тем по переделке АТ БП хватает имено АТ не АТХ!!!!
конкретно тут можно ПОиметь 12в гдето 10а а если повезет и пролезет с ростом пулсаций -до 18..20а :beer:

1
таки да переделка схемы с 0 точкой 1 в полный мост 3 :idea: все ваши диоды -в топку они низковолтвы :facepalm: с болшой длей вероятности там стоят дешевка 30а 40внепонятно зачем затирать было хотя не удивлюсь что поставвили чтото похуже навроде 2030
(и проду походу стало стыдно и страшно,что уличат в косяке и превышени ПДР а при сгорани БП затребуют возврата бабла!!-ибо вина его) а на 12в+надо ставить минимум 16а и 200в если шотка или 100в если ултрафасты с снабером пожирней :wink: токма не спорте и не спашивайте почемуму так-УчитцаУчитца Учитца...
Изображение
2
банки на выходе холодной части меняенм на 25в если 12в и на 35 если надо вышще -емкость максимално возможная которая влезет по габаритам важно впаять туда весь баян(заняв все посадочные места) а не впихивать 1 жирную банку-- она закипит+ взорветца :facepalm:
для питания 494 можно взять полное напрояжени если оно не превысит верхнего предела 494 иначе придется добавить зенер волт на 20 и резистор 2вт в ее питание
3 дрос накопителя надо перемотать пересчитаф по програме старичка под ваш сердечник-ориентипровочно будет в 2,5раза болше виткоф но меншего сечения
если дрос намотан в 2 или 3 провода можно не перематывая соединить их впослед
4 изменить шунт в сторону цвелитчения в 3-4 раза для этого из установленых 5 перемычекJR1...JR5 оставит 1 иди 2 (уточните по току КЗ в конце настроя)
5 расчитать и перестроить делитель ООС по напряжени на выход 12(+-3)в
6 добавить долп резистор(подборный в цепь оу датчика тока и выбрать ток ограничения в пределах 5-20а в зависимости от выбраных при переделки делале и колличества перемышек в шунте
7 прогрузить следя за температурой всех узлоф по ТЕПЛОВИЗОРУ
если температура критическая по ОБР/ПДР
вариан 1)Умеритт Ваш апитит по току :wink:
2)Доставить Туды активное охлажжение :idea: - бонусом безотка3ность и шумок от калсона...
3) применить детали с ЗАВЕДОМО-БОЛШИМ ЗАПАСОМ ПО ОБР! -дорого но зато тихо :beer:
-обычно это мой метод...
проделаф это можно спать спакойно не боясь внезапной симфони баха..
и да если будете юзать это чудо на улице после Полнолй Настройки и замены подстроечника на закрытый типа спо-0.5 спо 0.33
плату порыть защитным лаком и высушить в печке


хочу обратить ваше внимание во многих подобных блоках ДРОСЕЛЬ НАКОПИТЕЛЯ включен не в + а в минус - ТОГДА это надо сохранить!!!(в вашем куске схемы от 48в блока имено так но в конкретной плате сравните!!! :beer: :wink:
в ХЧ необходимо толко оторваат 0 точку 2ки от дроселя или земли а туда подати выход с минусового плеча диодоф моста
Спойлерположителный диоды(ОК) ставят на место 1 из сборок
на место 2 сборки паяют сдвоеный диот с ОА(если достанете ногами вверх+ и толстыми шинами соединяете в мост с вторым диодом на штатном месте
если найти сборку ОА на 16-20а 200в не удастся а это 99% если вы не сервисник то берем 2 диода 2д213б и через слюду+КТП8 прижимам их штатными шайбами или 5кгс пружинми скобами скобами к очишеному от старого гавна и отполированому до блеска пастой ГОИ радиаторуу
внимание -терморезину там не счледует применять!!!


Добавлено after 7 minutes 39 seconds:
да перед всей этой процедурой надоОБЯЗАТЕЛНО оценит запас-мерим ОСЛОМ размах импулсоф ДО ДРОСЕЛЯ нагрузиф выход автолампой лампой ват на 50-100(от фары обе нити)
если размах будет хотя бы 13-15в смысл затевать это есть.. иначе увы все вышесказаное не годится без ПЕРЕМОТА ТРАНА И ДРОСЕЛЯ

_________________
ZМудрость(Опыт и выдержка) приходит с годами.
Все Ваши беды и проблемы, от недостатка знаний.
Умный и у дурака научится, а дураку и ..
Алберт Ейнштейн не поможет и ВВП не спасет.и МЧС опаздает


Последний раз редактировалось musor Вс дек 22, 2019 06:02:40, всего редактировалось 5 раз(а).

Вернуться наверх
 
 Заголовок сообщения: Re: Поднять напряжение БП 5В 40А на TL494 малой кровью
СообщениеДобавлено: Вс дек 22, 2019 05:39:46 
Друг Кота
Аватар пользователя

Карма: 146
Рейтинг сообщений: 6067
Зарегистрирован: Чт июн 04, 2009 21:06:49
Сообщений: 36290
Откуда: г.Мариинск
Рейтинг сообщения: 1
Медали: 1
Лучший человек Форума 2017 (1)
Dev0stat0r писал(а):
Хотелось бы сделать из него 24 ну или хотя бы 12 Вольт без замены трансформатора конечно.

Перемотать трансформатор, получишь любое напряжение.

_________________
Тем кого не устаревает наличия ошибок в моем тексте, оставляю права не пользоваться моими советами или просто не читать мои сообщения.


Вернуться наверх
 
 Заголовок сообщения: Re: Поднять напряжение БП 5В 40А на TL494 малой кровью
СообщениеДобавлено: Вс дек 22, 2019 05:44:36 
Друг Кота
Аватар пользователя

Карма: 123
Рейтинг сообщений: 7959
Зарегистрирован: Сб сен 13, 2014 16:27:32
Сообщений: 39197
Откуда: СпиртоГонск созвездия Омега
Рейтинг сообщения: 0
выше про это я выделил красным с перемотом конечно можно хоть24 хоть мильен волтт получить..но трудоемкость такая что не оправдывает уже эту переделку -проше взять АТХ
да боле 12-14в DC без перемота ШТАТНОГО ТРАНА получить не удастя

_________________
ZМудрость(Опыт и выдержка) приходит с годами.
Все Ваши беды и проблемы, от недостатка знаний.
Умный и у дурака научится, а дураку и ..
Алберт Ейнштейн не поможет и ВВП не спасет.и МЧС опаздает


Вернуться наверх
 
 Заголовок сообщения: Re: Поднять напряжение БП 5В 40А на TL494 малой кровью
СообщениеДобавлено: Вс дек 22, 2019 07:39:59 
Друг Кота
Аватар пользователя

Карма: 59
Рейтинг сообщений: 2255
Зарегистрирован: Чт янв 26, 2012 16:44:29
Сообщений: 20066
Откуда: Таксимо
Рейтинг сообщения: 0
Про диоды- если диоды работают в мостовом включении, обратное напряжение гасится на второй паре диодов и нагрузке, поэтому такие большие напряжения не нужны. Вполне штатные на 5 вольтовой схеме смогут 12 тянуть

_________________
Мои поставщики запчастей с отличной репутацией
texnomag.ru
radioremont.com
pl-1.org
4ip.info
elitan.ru


Вернуться наверх
 
 Заголовок сообщения: Re: Поднять напряжение БП 5В 40А на TL494 малой кровью
СообщениеДобавлено: Вс дек 22, 2019 07:43:57 
Друг Кота
Аватар пользователя

Карма: 123
Рейтинг сообщений: 7959
Зарегистрирован: Сб сен 13, 2014 16:27:32
Сообщений: 39197
Откуда: СпиртоГонск созвездия Омега
Рейтинг сообщения: 0
опасное заблуждение калега так можно допустить на 50гц на синусе...
но толка не в ИБП там деления коректного поровну не происходит если спецом не принять меры

_________________
ZМудрость(Опыт и выдержка) приходит с годами.
Все Ваши беды и проблемы, от недостатка знаний.
Умный и у дурака научится, а дураку и ..
Алберт Ейнштейн не поможет и ВВП не спасет.и МЧС опаздает


Вернуться наверх
 
 Заголовок сообщения: Re: Поднять напряжение БП 5В 40А на TL494 малой кровью
СообщениеДобавлено: Вс дек 22, 2019 07:51:26 
Друг Кота
Аватар пользователя

Карма: 59
Рейтинг сообщений: 2255
Зарегистрирован: Чт янв 26, 2012 16:44:29
Сообщений: 20066
Откуда: Таксимо
Рейтинг сообщения: 0
Ну есть иголка вначале, но обычно rc цепочкой гасится же. Переделывал на 24 в мост атх блок штатные диоды оставлял и такие же еще два с другого блока. Работает норм, нагрузку тянет

_________________
Мои поставщики запчастей с отличной репутацией
texnomag.ru
radioremont.com
pl-1.org
4ip.info
elitan.ru


Вернуться наверх
 
 Заголовок сообщения: Re: Поднять напряжение БП 5В 40А на TL494 малой кровью
СообщениеДобавлено: Вс дек 22, 2019 07:57:54 
Друг Кота
Аватар пользователя

Карма: 123
Рейтинг сообщений: 7959
Зарегистрирован: Сб сен 13, 2014 16:27:32
Сообщений: 39197
Откуда: СпиртоГонск созвездия Омега
Рейтинг сообщения: 0
то что оно сейчас ПОКА КОЙ КАК работает но вылезает за ПДР, не значит что так надо делать когда оно згорит ТАК даже Аллаху неведома
вы волны так делать для себя на своц рис и осознавая последствия но НЕ ДОЛЖНЫ РЕКОМЕНДОВАТЬ ПОВТОРЕНИ ТАКОГО ДРУГИМ особо катятам несмышленым...
и пр ТБ я всегда тоже пишу...
ДЕЛАТЬ НАДО ПРАВИЛНО а накосячить они могут ввсегда сами

_________________
ZМудрость(Опыт и выдержка) приходит с годами.
Все Ваши беды и проблемы, от недостатка знаний.
Умный и у дурака научится, а дураку и ..
Алберт Ейнштейн не поможет и ВВП не спасет.и МЧС опаздает


Вернуться наверх
 
 Заголовок сообщения: Re: Поднять напряжение БП 5В 40А на TL494 малой кровью
СообщениеДобавлено: Вс дек 22, 2019 12:01:18 
Друг Кота

Карма: 62
Рейтинг сообщений: 750
Зарегистрирован: Пт авг 04, 2017 19:36:00
Сообщений: 5635
Откуда: постнурсултанат Боратистан
Рейтинг сообщения: 8
Там вторичная обмотка должна быть намотана в несколько проводов. Разделить обмотки и соединить последовательно, соблюдая пропорции. Потом переделать обратную связь.


Вернуться наверх
 
 Заголовок сообщения: Re: Поднять напряжение БП 5В 40А на TL494 малой кровью
СообщениеДобавлено: Вс дек 22, 2019 13:36:36 
Встал на лапы
Аватар пользователя

Зарегистрирован: Вс авг 16, 2009 16:57:32
Сообщений: 90
Откуда: KZ
Рейтинг сообщения: 0
Вполне штатные на 5 вольтовой схеме смогут 12 тянуть

musor писал(а):
ваши диоды -в топку они низковолтвы


удалось считать маркировку одного диода STPS3045CT Диод Шоттки, 45 В, 15 А, такие можно оставить?


vlasovzloy писал(а):
И про резистор нагрузки не забывай, в два раза больше нужен и в два раза мощней


Что за нагрузочный резистор который нужно увеличить? Которые на 2 Ом 2 Вт на транзисторах высоковольтных что ли?


Всем спасибо за ответы, ушел вдумчиво читать!


Вернуться наверх
 
 Заголовок сообщения: Re: Поднять напряжение БП 5В 40А на TL494 малой кровью
СообщениеДобавлено: Вс дек 22, 2019 14:10:57 
Друг Кота
Аватар пользователя

Карма: 59
Рейтинг сообщений: 2255
Зарегистрирован: Чт янв 26, 2012 16:44:29
Сообщений: 20066
Откуда: Таксимо
Рейтинг сообщения: 1
Нет, на выходе там резистор, аналогично твоей схемы в первом посте это R16.
3045 если толтко на 12 вольт и только мостом то пойдут. Там парралельно диодам еще цепочки если по твоей первой схеме то R25 C20 нужно еще две такие же параллельно вторым двум диолам которые поставишь на мост

_________________
Мои поставщики запчастей с отличной репутацией
texnomag.ru
radioremont.com
pl-1.org
4ip.info
elitan.ru


Вернуться наверх
 
 Заголовок сообщения: Re: Поднять напряжение БП 5В 40А на TL494 малой кровью
СообщениеДобавлено: Вс дек 22, 2019 14:26:05 
Друг Кота
Аватар пользователя

Карма: 123
Рейтинг сообщений: 7959
Зарегистрирован: Сб сен 13, 2014 16:27:32
Сообщений: 39197
Откуда: СпиртоГонск созвездия Омега
Рейтинг сообщения: 0
3045шотка толка на 5в ны мах не выче 7-8в точно !!! убирай их подалше если не хочешь при их пробое лишится +ключей и моста в горячей части
про делени напряжени на последователных диодах на импусах сложной формы лучше забыть без спецовых выравнивающих цепей да и смысла при напряжения ниже 600в в этом нет всегда можно и нужно подобрать правилные диоды я като поглядетл на форму напряга на диодах в 12в плече осликом... желание стапвить туда чтото ниже 130в сразу пропало и даже снаберы не спасают шотку их прашивает иглой в момент ПП

_________________
ZМудрость(Опыт и выдержка) приходит с годами.
Все Ваши беды и проблемы, от недостатка знаний.
Умный и у дурака научится, а дураку и ..
Алберт Ейнштейн не поможет и ВВП не спасет.и МЧС опаздает


Вернуться наверх
 
 Заголовок сообщения: Re: Поднять напряжение БП 5В 40А на TL494 малой кровью
СообщениеДобавлено: Вс дек 22, 2019 14:44:30 
Встал на лапы
Аватар пользователя

Зарегистрирован: Вс авг 16, 2009 16:57:32
Сообщений: 90
Откуда: KZ
Рейтинг сообщения: 0
Перемотать трансформатор, получишь любое напряжение.


Я правильно понимаю за напряжение отвечает вторичка самого большого трансформатора? Выпаивать этого монстра с моим паяльником котятам на смех. Если прям не выпаивая снять оболочку, можно определить он намотан параллельно двойным проводом или нет?

А за что тогда отвечает дроссель на кольце? Он намотан двойным проводом, его можно легко распараллелить.

musor писал(а):
4 изменить шунт в сторону цвелитчения в 3-4 раза для этого из установленых 5 перемычекJR1...JR5 оставит 1 иди 2


Перемычки стоят на земляном проводе от трансформатора и дальше на клеммную колодку. Это точно шунты? Похожи на обычные перемычки.

musor писал(а):
хочу обратить ваше внимание во многих подобных блоках ДРОСЕЛЬ НАКОПИТЕЛЯ включен не в + а в минус - ТОГДА это надо сохранить!!!


Дроссель стоит после диодов на плюсовом проводе, имеет 5 витков.


musor писал(а):
для питания 494 можно взять полное напрояжени если оно не превысит верхнего предела 494 иначе придется добавить зенер волт на 20 и резистор 2вт в ее питание


Стеклянный стабилитрон на 9 В который я нашел на плате именно этим сейчас занимается?


musor писал(а):
терморезину там не счледует применять

Заштатно все стояло на резине промазанной термопастой. Ничего другого под такой тип корпуса у меня нет)

Если все ваши этапы почитать тогда вся переделка перестает быть целесообразной))) Может ну его на запчасти?
Куда еще можно применить 5В 40А ? Может на индуктивную печь какую нибудь?

На всякий случай вот фото обратной стороны платы :

Изображение

Добавлено after 2 minutes 3 seconds:
3045шотка толка на 5в ны мах не выче 7-8в точно !!! убирай их подалше если не хочешь при их пробое лишится +ключей и моста в горячей части


Я правильно догадался, горячая часть это высоковольтная, а холодная низковольтная? Мая не понимать..


Вернуться наверх
 
 Заголовок сообщения: Re: Поднять напряжение БП 5В 40А на TL494 малой кровью
СообщениеДобавлено: Вс дек 22, 2019 14:57:15 
Друг Кота
Аватар пользователя

Карма: 146
Рейтинг сообщений: 6067
Зарегистрирован: Чт июн 04, 2009 21:06:49
Сообщений: 36290
Откуда: г.Мариинск
Рейтинг сообщения: 0
Медали: 1
Лучший человек Форума 2017 (1)
Dev0stat0r писал(а):
Я правильно понимаю за напряжение отвечает вторичка самого большого трансформатора?

Да.
Dev0stat0r писал(а):
А за что тогда отвечает дроссель на кольце? Он намотан двойным проводом, его можно легко распараллелить.
Он не отвечает за напряжение. Количество витков дросселя определяет при каком минимальном токе блок будет работать устойчиво.

_________________
Тем кого не устаревает наличия ошибок в моем тексте, оставляю права не пользоваться моими советами или просто не читать мои сообщения.


Вернуться наверх
 
 Заголовок сообщения: Re: Поднять напряжение БП 5В 40А на TL494 малой кровью
СообщениеДобавлено: Вс дек 22, 2019 15:20:54 
Друг Кота
Аватар пользователя

Карма: 123
Рейтинг сообщений: 7959
Зарегистрирован: Сб сен 13, 2014 16:27:32
Сообщений: 39197
Откуда: СпиртоГонск созвездия Омега
Рейтинг сообщения: 0
Я правильно понимаю за напряжение отвечает вторичка самого большого трансформатора? Выпаивать этого монстра с моим паяльником котятам на смех. Если прям не выпаивая снять оболочку, можно определить он намотан параллельно двойным проводом или нет?
это ты увидишь тока выпаяф тран и разобраф сердечник...надеюсь не расколешь
выпаивать толка с отсосом удалиф припой со фсех выводоф

Цитата:
А за что тогда отвечает дроссель на кольце? Он намотан двойным проводом, его можно легко распараллелить.
за интеграцию ток ШИМ
если распаралелить можно будет в 4 раза выше индуктифка- на крапй кое ка потянет без перемота но будет жарить впрочем яп, его перемотал



Цитата:
Перемычки стоят на земляном проводе от трансформатора и дальше на клеммную колодку. Это точно шунты? Похожи на обычные перемычки.
да это резисторы-датчики тока можешь проследить по плоте

Цитата:
Дроссель стоит после диодов на плюсовом проводе, имеет 5 витков.

это проше(класика) хотя и не имет никакова принципиалного значения значения 5 виткоф очень мало для 12в надо гдето 18-20




Цитата:
Стеклянный стабилитрон на 9 В который я нашел на плате именно этим сейчас занимается?

не знаю отрисовывай по плате САМ СХЕМУ сверяй сприведеной
но 9в вряли хватит 494 для стабилной работы думаю надо выше


Цитата:
musor писал(а):
терморезину там не счледует применять

Заштатно все стояло на резине промазанной термопастой. Ничего другого под такой тип корпуса у меня нет)
а кому счас легко слюду я предлагал под 2д213 пихать(в -плече) +можешь посадить на резинку

Цитата:
Если все ваши этапы почитать тогда вся переделка перестает быть целесообразной))) Может ну его на запчасти?
Куда еще можно применить 5В 40А ? Может на индуктивную печь какую нибудь?

ВЫ ХОЗЯИН РЕШАТЬ ВАМ... наприменр махнитесь с кемнить кому он нужен целым или продайте на получено бабло купите 12/24в


Цитата:
Я правильно догадался, горячая часть это высоковольтная, а холодная низковольтная? Мая не понимать..
правилно хотя не поняли сути ...горячая подписана на платен HOT -опасная часть галванитчески связаная с сетю 230в кассание там с любым элементом смертелно опасно!!
холодная развязана от сети траном -там безопасно (почти)лазить руками

_________________
ZМудрость(Опыт и выдержка) приходит с годами.
Все Ваши беды и проблемы, от недостатка знаний.
Умный и у дурака научится, а дураку и ..
Алберт Ейнштейн не поможет и ВВП не спасет.и МЧС опаздает


Вернуться наверх
 
 Заголовок сообщения: Re: Поднять напряжение БП 5В 40А на TL494 малой кровью
СообщениеДобавлено: Вс дек 22, 2019 17:32:08 
Встал на лапы
Аватар пользователя

Зарегистрирован: Вс авг 16, 2009 16:57:32
Сообщений: 90
Откуда: KZ
Рейтинг сообщения: 0
Думаю тему можно закрывать! Попробую переделать в мостовую схему с минимальными переделками, авось 12В получу, мотать ничего не буду, игра не стоит выеденного яйца!

Всем огромная благодарность и всего хорошего в Новом Году!


Вернуться наверх
 
 Заголовок сообщения: Re: Поднять напряжение БП 5В 40А на TL494 малой кровью
СообщениеДобавлено: Вс дек 22, 2019 17:47:11 
Друг Кота
Аватар пользователя

Карма: 123
Рейтинг сообщений: 7959
Зарегистрирован: Сб сен 13, 2014 16:27:32
Сообщений: 39197
Откуда: СпиртоГонск созвездия Омега
Рейтинг сообщения: 0
удачи но дрос перемотать ТАКИ придется 5 выткоф джля 12в это почти коза!!!!
яб купил сборки фастоф 20а200в одну обычную ОК(20р) и 2 -обший анод в то256 или на край в то220 (ок 80-100р) и порставил 2 на место 1 из диодоф(блтжней к трану) отогнуф средний вывод тогда крепит проше и можно штатную резинку крайние ноги пойтут тудаж средний отогнутый- туда гжде ранше шла дорога от 0 точки(порезать дорогу)

_________________
ZМудрость(Опыт и выдержка) приходит с годами.
Все Ваши беды и проблемы, от недостатка знаний.
Умный и у дурака научится, а дураку и ..
Алберт Ейнштейн не поможет и ВВП не спасет.и МЧС опаздает


Вернуться наверх
 
Показать сообщения за:  Сортировать по:  Вернуться наверх
Начать новую тему Ответить на тему  [ Сообщений: 24 ]  1,  

Часовой пояс: UTC + 3 часа


Вы не можете начинать темы
Вы не можете отвечать на сообщения
Вы не можете редактировать свои сообщения
Вы не можете удалять свои сообщения
Вы не можете добавлять вложения

Найти:
Перейти:  


Powered by phpBB © 2000, 2002, 2005, 2007 phpBB Group
Русская поддержка phpBB
Extended by Karma MOD © 2007—2012 m157y
Extended by Topic Tags MOD © 2012 m157y