Например TDA7294

Форум РадиоКот • Просмотр темы - Преобразователь 0.5-1.5V в 5-9V
Форум РадиоКот
Здесь можно немножко помяукать :)

Текущее время: Сб фев 14, 2026 12:30:02

Часовой пояс: UTC + 3 часа


ПРЯМО СЕЙЧАС:



Начать новую тему Ответить на тему  [ Сообщений: 1072 ]     ... , , , 6, , , ...  
Автор Сообщение
Не в сети
 Заголовок сообщения: Re: миниатюрный импульсник для фонарика
СообщениеДобавлено: Ср май 18, 2011 21:23:04 
Мудрый кот
Аватар пользователя

Карма: 22
Рейтинг сообщений: 275
Зарегистрирован: Ср май 26, 2010 14:41:09
Сообщений: 1741
Рейтинг сообщения: 0
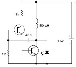
Бред. Вот что тебе нужно
Изображение Изображение


Вложения:
shemy_pitanija_svetodioda_ot_odnoj_batarejki_1_5v.jpg [9.84 KiB]
Скачиваний: 7284

_________________
Философская мудрость века настоящего, становится всеобщим здравым смыслом века последующего.


Последний раз редактировалось _RUS73_ Ср май 18, 2011 21:25:54, всего редактировалось 1 раз.
Вернуться наверх
 
Не в сети
 Заголовок сообщения: Re: посоветуйте DC-DC для светодиода. 1,5v -> 3v
СообщениеДобавлено: Ср май 18, 2011 23:06:57 
Прорезались зубы

Зарегистрирован: Ср июл 15, 2009 16:25:44
Сообщений: 220
Откуда: Котдивуар,Котенбург, Киттенштрассе
Рейтинг сообщения: 0
Цитата:
Вложения:
импульсный фонарик.JPG [21.24 KiB]
Скачиваний: 9
Комментарий к файлу: будет ли он работать в импульсном режиме
импульсный фонарик.JPG [21.24 KiB]
Скачиваний: 7
жОстко
куда модеры смотрят ?


Вернуться наверх
 
Не в сети
 Заголовок сообщения: Re: посоветуйте DC-DC для светодиода. 1,5v -> 3v
СообщениеДобавлено: Ср май 18, 2011 23:30:30 
Это не хвост, это антенна

Карма: 2
Рейтинг сообщений: 21
Зарегистрирован: Чт янв 27, 2011 21:57:53
Сообщений: 1318
Рейтинг сообщения: 0
Old_Mefody писал(а):
куда модеры смотрят ?
А модеры тут при чем?


Вернуться наверх
 
Не в сети
 Заголовок сообщения: Re: посоветуйте DC-DC для светодиода. 1,5v -> 3v
СообщениеДобавлено: Чт май 19, 2011 10:14:55 
Встал на лапы

Карма: 1
Рейтинг сообщений: 0
Зарегистрирован: Пн ноя 27, 2006 20:58:02
Сообщений: 97
Рейтинг сообщения: 0
Схема из 4-х деталей.
Экономичное управление с стабилизацией тока раскачки
полевым транзистором.


Вложения:
Комментарий к файлу: JPG
Фонарик.JPG [166.91 KiB]
Скачиваний: 2364
Комментарий к файлу: Проще некуда!
Фонарик.rar [1.84 KiB]
Скачиваний: 723


Последний раз редактировалось dem-vr Чт май 19, 2011 12:24:38, всего редактировалось 1 раз.
Вернуться наверх
 
Эиком - электронные компоненты и радиодетали
Не в сети
 Заголовок сообщения: Re: посоветуйте DC-DC для светодиода. 1,5v -> 3v
СообщениеДобавлено: Чт май 19, 2011 11:35:29 
Открыл глаза

Зарегистрирован: Пн сен 20, 2010 03:44:44
Сообщений: 51
Рейтинг сообщения: 0
dem-vr писал(а):
Схема из 4-х деталей.

Нельзя ли обычный jpg сделать?
Ибо SPlan-ом не все пользуются.

ЗЫ.
А, вот уже и jpg. Спасибо!


Последний раз редактировалось samun Чт май 19, 2011 17:10:38, всего редактировалось 1 раз.

Вернуться наверх
 
Не в сети
 Заголовок сообщения: Re: посоветуйте DC-DC для светодиода. 1,5v -> 3v
СообщениеДобавлено: Чт май 19, 2011 13:30:03 
Прорезались зубы

Зарегистрирован: Ср июл 15, 2009 16:25:44
Сообщений: 220
Откуда: Котдивуар,Котенбург, Киттенштрассе
Рейтинг сообщения: 0
в чём задача, засветить белый сверхяркий светодиод и высосать батарейку в хлам ?

поставьте низкопороговый полевик в обычный блокинг.
с минимальной переделкой транса (изменение витков в обм. связи) и схемы,
полевик IRLML2502 работал у меня до ~0.7 вольта и без ограничения тока мог палить светодиоды
можно и на PMV30UN.

вообще, подходящих море.
сейчас дешевле взять несколько SMD-полевых, чем искать приличный биполяр для таких схем.
кт315 / ВС5** для ультраярких СД - лол.
Цитата:
А модеры тут при чем?
а подумать ?


Вернуться наверх
 
Не в сети
 Заголовок сообщения: Re: посоветуйте DC-DC для светодиода. 1,5v -> 3v
СообщениеДобавлено: Чт май 19, 2011 13:39:08 
Вымогатель припоя
Аватар пользователя

Карма: 12
Рейтинг сообщений: 174
Зарегистрирован: Ср мар 31, 2010 05:59:14
Сообщений: 680
Рейтинг сообщения: 0
Old_Mefody писал(а):
а подумать ?
Какой пункт правил там нарушен?
viewtopic.php?f=19&t=6538


Вернуться наверх
 
Не в сети
 Заголовок сообщения: Блокинг-генератор со светодиодом
СообщениеДобавлено: Пт июл 29, 2011 11:35:01 
Собутыльник Кота
Аватар пользователя

Карма: 21
Рейтинг сообщений: 41
Зарегистрирован: Пт июл 29, 2011 09:57:31
Сообщений: 2948
Откуда: Украина
Рейтинг сообщения: 0
Привет всем :)
Я тут новичок, так что извините, если что-то не так... может быть - это боян, но я подобного не находил.
Очень меня заинтересовали опыты с блокинг-генератором. В связи с тем накопилась кучка вопросов :)
Делал по этой схеме: http://s013.radikal.ru/i323/1107/e3/40c6bb44295a.gif
Резистор R2 убрал по ненадобности. На выходе в разрыве между плюсом светодиода и всем остальным ток около 17-19 мА. Конденсатор электролит брал на 100мкФ. Так лучше. 10 мкФ искажает цвет свечения на желтоватый.
Собственно была у меня идея выжать из блокинга максимум напряжения на выходе.
Додумал 3-ю фазу трансформатора. И к тому ещё 2-й транзистор. Транзисторы брал КТ815 и КТ817. Они лучше всех работают и легко возбуждаются без всяких там конденсаторов параллельно резистору в цепи базы транзистора.
3-я фаза одним выводом соединяется с 2-мя предыдущими (общим "плюсом" схемы), а второй - с базой 2-го транзистора через резистор. Коллектор 2-го подсоединяется к коллектору 1-го, эмиттер - к эмиттеру 1-го.
Наматывал на большой ферритовый стержень от советского радио. Брал большой, чтоб было удобно мотать. Провод брал толстый лакированный где-то 0,8 диаметр (точно не знаю, не мерял).
Так вот: в последствии выяснилось, что чем меньшего номинала резисторы в базах транзисторов, тем больше напряжение на выходах. Но без резисторов не включается. Когда поставил резисторы по 1 Ом, то напряжение на выходах было 3,8 В!!! И ток всего навсего 9-10 мА. Когда сделал (ради прикола) 4-ю фазу с аналогичным включением в схему, то напряжение стало 4,2В!!! :shock: Это было от большой 1,5 вольтовой батарейки (в маркировках типов не разбираюсь :oops: )
Вот так это выглядит: http://s42.radikal.ru/i095/1107/cc/cfd834c9f4f5.jpg
Правда там один транзистор КТ315... Но потом заменил на 815. На 315 напряжение не захотело так сильно повышаться.
Кстати, трансформатор издаёт сильный свист :)))
Теперь вопросы:
1) Как при таких маленьких номиналах резисторов на выходе такой маленький ток?
2) Почему, когда я решил сделать миниатюрный трансформатор на маленьком колечке или стержне, то схема вообще не захотела запускаться? Обмотки пробовал всячески менять, не помогает.
3) Теория утверждает, что трансформаторные обмотки должны быть обязательно в противофазу, то есть намотаны в обратные стороны, одна относительно второй. Но я специально наматывал в одну и ту же сторону (3-х фаз это не касается) и работало! При чём ни чуть не хуже, чем в противофазе. Чудеса? Или теория ошибается? :shock:
4) Может очень глупый вопрос... Я не радиотехник и сильно во всём не разбираюсь... Так, балуюсь просто :) Почему стабилитрон в схеме включается в обратной полярности? Анод к катоду светодиода, а катод к аноду светодиода? И вообще, зачем он там? Что с ним, что без него - напряжение и ток не меняются.
5) Почему многие говорят, что даже на феррите надо много намотки? Около 40+40? У меня светится уже на 15+15. Для максимального эффекта - где-то 25+25. Если взять провода разных диаметров, то первичку можно намотать около 8-10 витков проводом потолще, а вторичку около 25 мотков проводом потоньше. Почему так? Это что-то типа разности магнитных потенциалов? :)



Сюда перенес. Здесь много уже про это говорили.



aen


Вернуться наверх
 
Не в сети
 Заголовок сообщения: Re: посоветуйте DC-DC для светодиода. 1,5v -> 3v
СообщениеДобавлено: Пн авг 01, 2011 16:04:49 
Собутыльник Кота
Аватар пользователя

Карма: 21
Рейтинг сообщений: 41
Зарегистрирован: Пт июл 29, 2011 09:57:31
Сообщений: 2948
Откуда: Украина
Рейтинг сообщения: 0
Ко всему предыдущему добавился ещё вопрос.
Недавно достал транзистор 2N2222. Попробовал его в вышеизложенной схеме. И чудеса: без особых вариаций с другими деталями на выходе выжал 3,55 вольт! :shock:
Я в курсе, что транзюк биполярный. Если коллектор и эмиттер сменить местами, то на выходе 3,05 вольт.
И всё же: чем этот транзистор такой особенный? 3,55 вольт у меня получилось при 15 Ом сопротивления к базе и большой 1,5 вольтовой батарейкой (кстати не совсем свежей). С пальчиковой батарейкой приблизительно такой же свежести на выходе 3,2 вольта. Что надо сделать, чтобы выходное напряжение было такое же, как при подключении большой батарейки? Ведь разница у них только в силе тока... Может трансформатор больше намотать? :dont_know:

_________________
Изображение


Вернуться наверх
 
Не в сети
 Заголовок сообщения: Re: посоветуйте DC-DC для светодиода. 1,5v -> 3v
СообщениеДобавлено: Пн авг 01, 2011 16:36:16 
Вымогатель припоя
Аватар пользователя

Карма: 12
Рейтинг сообщений: 174
Зарегистрирован: Ср мар 31, 2010 05:59:14
Сообщений: 680
Рейтинг сообщения: 0
Философский Кот писал(а):
КНедавно достал транзистор 2N2222.:
Так транзисторы желательно применять по назначению.
Посмотрите в справочнике для чего предназначен КТ815?
Если поставите транзистор КТ630, то думаю еще лучше будет, т.к. он как раз предназначен для таких схем.


Вернуться наверх
 
Не в сети
 Заголовок сообщения: Re: посоветуйте DC-DC для светодиода. 1,5v -> 3v
СообщениеДобавлено: Пн авг 01, 2011 19:57:37 
Собутыльник Кота
Аватар пользователя

Карма: 21
Рейтинг сообщений: 41
Зарегистрирован: Пт июл 29, 2011 09:57:31
Сообщений: 2948
Откуда: Украина
Рейтинг сообщения: 0
Вася, спасибо большое за совет :beer:
Я использую самые разные транзисторы потому, что экспериментирую :)
Интересно, как разные экземпляры ведут себя в схеме.

З.Ы.
Люди, хотелось бы увидеть ответы на сообщение Пт июл 29, 2011 11:35:0. :roll:
Или м.б. я фигню спрашиваю...
На счёт вопроса о "обратной фазности обмоток" даже преподаватель ТЭМЦ не мог ответить... :))

_________________
Изображение


Вернуться наверх
 
Не в сети
 Заголовок сообщения: Re: посоветуйте DC-DC для светодиода. 1,5v -> 3v
СообщениеДобавлено: Пт авг 05, 2011 15:23:14 
Собутыльник Кота
Аватар пользователя

Карма: 21
Рейтинг сообщений: 41
Зарегистрирован: Пт июл 29, 2011 09:57:31
Сообщений: 2948
Откуда: Украина
Рейтинг сообщения: 0
Сегодня где-то часок поигрался с блокингом на транзисторе 2N2222 и удалось выжать с него 3,8 вольт :shock:
Использовался трансформатор из зарядного устройства для мобильника.
Я сильно обрадовался, но где-то через час опытов светик начал мигать, а потом окончательно сдох :?
Вцепил другой светик, померил силу тока через него. Оказалось 60 мА.
Вопрос: этот ток смертелен для светиков 10мм?? Марки не знаю, но стоит около 2 грн за штуку.

З.Ы.
Уважаемые коты, ответьте кто-нибудь на пост Пт июл 29, 2011 11:35:01 :tea:
Буду очень признателен :beer:


Вернуться наверх
 
Не в сети
 Заголовок сообщения: Re: посоветуйте DC-DC для светодиода. 1,5v -> 3v
СообщениеДобавлено: Пт авг 05, 2011 20:01:39 
Потрогал лапой паяльник
Аватар пользователя

Зарегистрирован: Сб дек 19, 2009 20:36:44
Сообщений: 368
Откуда: Оттуда
Рейтинг сообщения: 0
Да обычно рабочий ток для таких СИДов - 20 мА. Об этом много где уже написано было. :)) Ставьте последовательно с ним резистор.

_________________
Дьявол кроется в деталях.


Вернуться наверх
 
Не в сети
 Заголовок сообщения: Re: посоветуйте DC-DC для светодиода. 1,5v -> 3v
СообщениеДобавлено: Сб авг 06, 2011 09:27:52 
Собутыльник Кота
Аватар пользователя

Карма: 21
Рейтинг сообщений: 41
Зарегистрирован: Пт июл 29, 2011 09:57:31
Сообщений: 2948
Откуда: Украина
Рейтинг сообщения: 0
Ага... резистор... легче всего :solder:
чтоб добиться 20 мА через светик, мне пришлось ставить резистор на 15 Ом. Но тогда напряжение упало на 0,4 вольта :evil: А это оооооочень много! :(


Вернуться наверх
 
Не в сети
 Заголовок сообщения: Re: посоветуйте DC-DC для светодиода. 1,5v -> 3v
СообщениеДобавлено: Сб авг 06, 2011 23:37:45 
Первый раз сказал Мяу!

Зарегистрирован: Чт июл 14, 2011 20:12:32
Сообщений: 24
Рейтинг сообщения: 0
Может кто знает схемы вот этих преобразователей, а то видео есть, а схемы нет. Досадно однако.
http://www.chipdip.ru/video.aspx?vid=ID000308043&groupid=1584 - особенно интересует
http://www.chipdip.ru/video.aspx?vid=ID ... oupid=1584
http://www.chipdip.ru/video.aspx?vid=ID ... oupid=1584
http://www.chipdip.ru/video.aspx?vid=ID ... oupid=1584


Вернуться наверх
 
Не в сети
 Заголовок сообщения: Re: посоветуйте DC-DC для светодиода. 1,5v -> 3v
СообщениеДобавлено: Вс авг 07, 2011 00:08:49 
Собутыльник Кота
Аватар пользователя

Карма: 21
Рейтинг сообщений: 41
Зарегистрирован: Пт июл 29, 2011 09:57:31
Сообщений: 2948
Откуда: Украина
Рейтинг сообщения: 0
Вот сегодня столкнулся с интересным моментом...
Решил всё-таки взглянуть в этот транс от зарядника (в это чудо-устройство, которое помогло выжать 3,8 вольт от батарейки разряженой до 1,4В) :roll:
Оно было прочно заклеено какой-то плёнкой, я её снял и увидел упругий тонкий проводок с какой-то очень жесткой изоляцией. Взял, размотал... Оказалось 2 обмотки. Длина первого провода приблизительно 11 см, а второго - на пару см больше (точно не помню) :shock:
Собственно вопрос: как сиё чудо с такими маленькими обмотками смогло выдать такое хорошее напряжение? :shock:
И второй вопрос...
Экспериментировал с трансом... Где-то давали рекомендацию, что надо мотать 50 витков коллекторной обмотки и около 13-15 витков базовой. Смотал. И вот какие чудеса: включил, напряжение на выходе всего навсего 3,05 вольт. Потом ради прикола включил базовую обмотку в коллекторную цепь, а коллекторную обмотку в базовую цепь. Напряжение повысилось! :shock: Как такое может быть? Это, по идее, получился ПОНИЖАЮЩИЙ трансформатор, а напряжение вопреки ПОВЫСИЛОСЬ! :shock:
Хотя, я, может, и туплю... это транс с обратной связью... может тут какие-то другие законы действуют... :roll:

З.Ы.
Транзисторы КТ630 не айс в блокинге... :dont_know:

_________________
Изображение


Вернуться наверх
 
Не в сети
 Заголовок сообщения: Re: посоветуйте DC-DC для светодиода. 1,5v -> 3v
СообщениеДобавлено: Вс авг 07, 2011 00:36:50 
Мудрый кот
Аватар пользователя

Карма: 22
Рейтинг сообщений: 275
Зарегистрирован: Ср май 26, 2010 14:41:09
Сообщений: 1741
Рейтинг сообщения: 0
Вот схемка,аналогичная той, что на видео
Изображение


Вложения:
Зарядка_мобилки_от_батарейки.JPG [32.76 KiB]
Скачиваний: 13560

_________________
Философская мудрость века настоящего, становится всеобщим здравым смыслом века последующего.
Вернуться наверх
 
Не в сети
 Заголовок сообщения: Re: посоветуйте DC-DC для светодиода. 1,5v -> 3v
СообщениеДобавлено: Вс авг 07, 2011 10:11:59 
Модератор
Аватар пользователя

Карма: 120
Рейтинг сообщений: 1088
Зарегистрирован: Пн дек 08, 2008 19:28:04
Сообщений: 22880
Откуда: 10км от Москвы на Север
Рейтинг сообщения: 0
Изображение

http://www.prema.com/pdf/pr4401.pdf

http://www.prema.com/Contact-Info/distributors.html


Вернуться наверх
 
Не в сети
 Заголовок сообщения: Re: посоветуйте DC-DC для светодиода. 1,5v -> 3v
СообщениеДобавлено: Вс авг 07, 2011 14:06:15 
Первый раз сказал Мяу!

Зарегистрирован: Чт июл 14, 2011 20:12:32
Сообщений: 24
Рейтинг сообщения: 0
не это не она, та мощнее, и у нее есть регулировка по току. Блин... почему есть видео, а нет схемы


Вернуться наверх
 
Не в сети
 Заголовок сообщения: Re: посоветуйте DC-DC для светодиода. 1,5v -> 3v
СообщениеДобавлено: Вс авг 07, 2011 14:34:35 
Собутыльник Кота
Аватар пользователя

Карма: 21
Рейтинг сообщений: 41
Зарегистрирован: Пт июл 29, 2011 09:57:31
Сообщений: 2948
Откуда: Украина
Рейтинг сообщения: 0
Блин... Сегодня уже пожалел, что разобрал транс от зарядки мобилы :(
Обратно уже собрать невозможно... :?
Экспериментировал ещё с трансформаторными обмотками и максимум, что удалось выжать - 3,25 вольт. Никак не пойму, как на предыдущем трансе удалось получить около 3,7-3,8 вольт...
Схема блокинга обычная с выпрямителем на выходе в виде диода Шоттки и электролитического конденсатора.
Люди, подскажите, плиз, что надо сделать, чтоб получить вольтаж на выходе побольше, а то до меня никак не допрёт... :facepalm:

_________________
Изображение


Вернуться наверх
 
Показать сообщения за:  Сортировать по:  Вернуться наверх
Начать новую тему Ответить на тему  [ Сообщений: 1072 ]     ... , , , 6, , , ...  

Часовой пояс: UTC + 3 часа


Кто сейчас на форуме

Сейчас этот форум просматривают: Majestic-12 [Bot] и гости: 60


Вы не можете начинать темы
Вы не можете отвечать на сообщения
Вы не можете редактировать свои сообщения
Вы не можете удалять свои сообщения
Вы не можете добавлять вложения

Найти:
Перейти:  


Powered by phpBB © 2000, 2002, 2005, 2007 phpBB Group
Русская поддержка phpBB
Extended by Karma MOD © 2007—2012 m157y
Extended by Topic Tags MOD © 2012 m157y