Например TDA7294

Форум РадиоКот • Просмотр темы - ИИП для новичков на IR2153
Форум РадиоКот
Здесь можно немножко помяукать :)

Текущее время: Чт мар 19, 2026 14:48:56

Часовой пояс: UTC + 3 часа


ПРЯМО СЕЙЧАС:



Начать новую тему Ответить на тему  [ Сообщений: 6484 ]     ... , , , 57, , , ...  
Автор Сообщение
 Заголовок сообщения: Re: ИИП для новичков.
СообщениеДобавлено: Сб сен 07, 2013 22:05:54 
Сверлит текстолит когтями

Зарегистрирован: Сб май 14, 2011 18:24:14
Сообщений: 1165
Откуда: Пермь
Рейтинг сообщения: 0
Сергеj, забей. Собираю по последней Slabovik"а.


Вернуться наверх
 
 Заголовок сообщения: Re: ИИП для новичков.
СообщениеДобавлено: Сб сен 07, 2013 22:10:44 
Друг Кота
Аватар пользователя

Карма: 146
Рейтинг сообщений: 6067
Зарегистрирован: Чт июн 04, 2009 21:06:49
Сообщений: 36290
Откуда: г.Мариинск
Рейтинг сообщения: 0
Медали: 1
Лучший человек Форума 2017 (1)
Действительно извращения, мотать трансформатор для питания ИРки. при мощности 1-2 вт количество витков будет порядка 10 000 и провод будет 0,05 наверно тоньше не выпускают. Я не за какие бабки не буду мотать такой транс :shock:
Да и зачем стабилитрон на 15в, у вас же КРЕНка стоит, или вы считаете что стабилизации много не бывает?

_________________
Тем кого не устаревает наличия ошибок в моем тексте, оставляю права не пользоваться моими советами или просто не читать мои сообщения.


Вернуться наверх
 
 Заголовок сообщения: Re: ИИП для новичков.
СообщениеДобавлено: Сб сен 07, 2013 22:33:29 
Сверлит текстолит когтями

Зарегистрирован: Сб май 14, 2011 18:24:14
Сообщений: 1165
Откуда: Пермь
Рейтинг сообщения: 0
Я уже ни чего не собираю, долго вытравлять, сверлить, лудить...


Вернуться наверх
 
 Заголовок сообщения: Re: ИИП для новичков.
СообщениеДобавлено: Сб сен 07, 2013 22:40:18 
Друг Кота
Аватар пользователя

Карма: 146
Рейтинг сообщений: 6067
Зарегистрирован: Чт июн 04, 2009 21:06:49
Сообщений: 36290
Откуда: г.Мариинск
Рейтинг сообщения: 0
Медали: 1
Лучший человек Форума 2017 (1)
Netu.tima писал(а):
долго вытравлять, сверлить, лудить...

При готовых деталях дело одного часа, с перекурами и кофе 1,5 часа. Если вы это считаете долго я не знаю стоит ли вам этим заниматься.

_________________
Тем кого не устаревает наличия ошибок в моем тексте, оставляю права не пользоваться моими советами или просто не читать мои сообщения.


Вернуться наверх
 
Эиком - электронные компоненты и радиодетали
 Заголовок сообщения: Re: ИИП для новичков.
СообщениеДобавлено: Сб сен 07, 2013 22:56:56 
Сверлит текстолит когтями

Зарегистрирован: Сб май 14, 2011 18:24:14
Сообщений: 1165
Откуда: Пермь
Рейтинг сообщения: 0
Телекот, да травился холодная, не вытравляет, сверлю просто дрелью. Других способов нет.
Пишу оффтоп, т.к у вас личка отключена.


Вернуться наверх
 
 Заголовок сообщения: Re: ИИП для новичков.
СообщениеДобавлено: Сб сен 07, 2013 23:13:35 
Друг Кота
Аватар пользователя

Карма: 146
Рейтинг сообщений: 6067
Зарегистрирован: Чт июн 04, 2009 21:06:49
Сообщений: 36290
Откуда: г.Мариинск
Рейтинг сообщения: 0
Медали: 1
Лучший человек Форума 2017 (1)
У меня время занимает подготовка деталей и подгонка под них платы.
Плата травится 15-20 минут, примерно столько же собирается., я имею в виду такая не высокая сложность.
Платы делаю методом ЛУТ . Лазерный принтер, советский утюг, и хлорное железо.
Надписи не наношу. Если ВСЕ детали лежат на столе то за час можно сделать.

_________________
Тем кого не устаревает наличия ошибок в моем тексте, оставляю права не пользоваться моими советами или просто не читать мои сообщения.


Вернуться наверх
 
 Заголовок сообщения: Re: ИИП для новичков.
СообщениеДобавлено: Сб сен 07, 2013 23:48:17 
Сверлит текстолит когтями

Зарегистрирован: Сб май 14, 2011 18:24:14
Сообщений: 1165
Откуда: Пермь
Рейтинг сообщения: 0
Не надо оффтопить, накажут нас. Я тоже ЛУТом, но, травился холодная не травит, ей год, кое как травит, греть надо.
У меня еще не все детали есть для иип, покупать нада, плату покупать, все с нуля.
Еще надо старый иип полу рабочий восстановить на ирке, и проверить транс, подобрать обмотки...
Как соберу (это не скоро), отпишусь.


Вернуться наверх
 
 Заголовок сообщения: Re: ИИП для новичков.
СообщениеДобавлено: Вс сен 08, 2013 11:00:28 
Открыл глаза
Аватар пользователя

Зарегистрирован: Вс авг 04, 2013 17:50:08
Сообщений: 49
Рейтинг сообщения: 0
Slabovik писал(а):
Ставить в районе от 15 до 22 кОм. Мощностью ватт пять (он и должен греться)...
спс тиканье убралось, поставил для пробы паралельно 5ватке 47ком отечественый млт-2 на 33ком, в итоге получилось 20ком, можно его оставлять или лутше купить один на 20ком 5вт ,а то в цементе греется так себе, а этот 33ком нехило так греется
Изображение


Вернуться наверх
 
 Заголовок сообщения: Re: ИИП для новичков.
СообщениеДобавлено: Вс сен 08, 2013 11:20:11 
Открыл глаза
Аватар пользователя

Зарегистрирован: Вт авг 30, 2011 19:47:56
Сообщений: 77
Рейтинг сообщения: 0
поставь один, млт долго так не проживет

_________________
у тебя есть высшее образование, ты умный, сделай домашнее задание со своим ребенком, ощути себя идиотом, а сегодня школьная программа выглядит так -
ЛЕТЕЛИ ДВА ВЕРБЛЮДА ОДИН РЫЖИЙ ДРУГОЙ НАЛЕВО СКОЛЬКО ВЕСИТ КИЛОГРАММ ЯБЛОК ЕСЛИ ЁЖИКУ ЧЕТЫРЕ ГОДА


Вернуться наверх
 
 Заголовок сообщения: Re: ИИП для новичков.
СообщениеДобавлено: Вс сен 08, 2013 11:24:32 
Друг Кота
Аватар пользователя

Карма: 93
Рейтинг сообщений: 2157
Зарегистрирован: Сб май 05, 2012 20:19:55
Сообщений: 4961
Откуда: Минск
Рейтинг сообщения: 0
SLYDER писал(а):
долго так не проживет
Я, например, сильно удивился, что оно вообще живёт, а ты тут долго/недолго... :)))

_________________
Прибор, защищённый предохранителем, сгорает первым, защитив предохранитель. Закон Мерфи.


Вернуться наверх
 
 Заголовок сообщения: Re: ИИП для новичков.
СообщениеДобавлено: Вс сен 08, 2013 11:28:07 
Открыл глаза
Аватар пользователя

Зарегистрирован: Вт авг 30, 2011 19:47:56
Сообщений: 77
Рейтинг сообщения: 0
чудеса иногда бывают :beer:

_________________
у тебя есть высшее образование, ты умный, сделай домашнее задание со своим ребенком, ощути себя идиотом, а сегодня школьная программа выглядит так -
ЛЕТЕЛИ ДВА ВЕРБЛЮДА ОДИН РЫЖИЙ ДРУГОЙ НАЛЕВО СКОЛЬКО ВЕСИТ КИЛОГРАММ ЯБЛОК ЕСЛИ ЁЖИКУ ЧЕТЫРЕ ГОДА


Вернуться наверх
 
 Заголовок сообщения: Re: ИИП для новичков.
СообщениеДобавлено: Вс сен 08, 2013 11:54:50 
Открыл глаза
Аватар пользователя

Зарегистрирован: Вс авг 04, 2013 17:50:08
Сообщений: 49
Рейтинг сообщения: 0
Seriyvolk писал(а):
SLYDER писал(а):
долго так не проживет
Я, например, сильно удивился, что оно вообще живёт, а ты тут долго/недолго...да живёт !!!!


только вольтаж поменялся когда 47 ком было 14в а когда 20 ком 18в аж


Вернуться наверх
 
 Заголовок сообщения: Re: ИИП для новичков.
СообщениеДобавлено: Вс сен 08, 2013 12:42:59 
Собутыльник Кота
Аватар пользователя

Карма: 21
Рейтинг сообщений: 41
Зарегистрирован: Пт июл 29, 2011 09:57:31
Сообщений: 2948
Откуда: Украина
Рейтинг сообщения: 0
МЛТ живут и при превышенной мощности, где-то на 30%. Греются до 120-130 градусов, но живут :)))

_________________
Изображение


Вернуться наверх
 
 Заголовок сообщения: Re: ИИП для новичков.
СообщениеДобавлено: Вс сен 08, 2013 13:10:12 
Открыл глаза
Аватар пользователя

Зарегистрирован: Вт авг 30, 2011 19:47:56
Сообщений: 77
Рейтинг сообщения: 0
а зачем над ними так измываться то, лучше набрать с двух трех нужное сопротивление, зато будут теплые и проживу счастливую жизнь

_________________
у тебя есть высшее образование, ты умный, сделай домашнее задание со своим ребенком, ощути себя идиотом, а сегодня школьная программа выглядит так -
ЛЕТЕЛИ ДВА ВЕРБЛЮДА ОДИН РЫЖИЙ ДРУГОЙ НАЛЕВО СКОЛЬКО ВЕСИТ КИЛОГРАММ ЯБЛОК ЕСЛИ ЁЖИКУ ЧЕТЫРЕ ГОДА


Вернуться наверх
 
 Заголовок сообщения: Re: ИИП для новичков.
СообщениеДобавлено: Вс сен 08, 2013 13:19:57 
Сверлит текстолит когтями

Зарегистрирован: Сб май 14, 2011 18:24:14
Сообщений: 1165
Откуда: Пермь
Рейтинг сообщения: 0
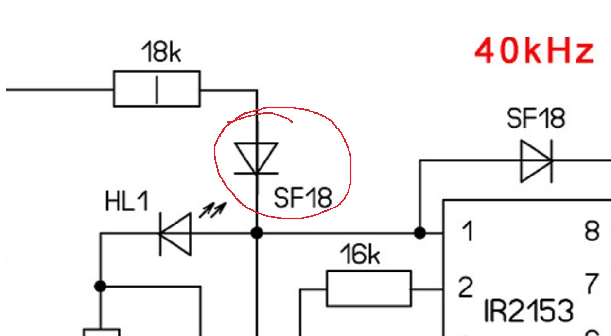
bak999999999, привет. Купите 2млт по 36 ком, и в параллель их, и 1 конец впаяйте в 220, до диодного моста на переменку, а другой конец на 1-ую ногу IR2153, а параллельно 1 и 8 ноги впайте стабилитрон типа BZX 15 вольт.
А 18 вольт ирке кранты, меняйте ее. У ирки предел 15.1в где-то.
Стабилитрон от 12в до 15в.
У вас все на проводах, нужно как можно короче. А лучше на Плале собрать, где все близко друг к другу.


Последний раз редактировалось Netu.tima Вс сен 08, 2013 18:18:36, всего редактировалось 2 раз(а).

Вернуться наверх
 
 Заголовок сообщения: Re: ИИП для новичков.
СообщениеДобавлено: Вс сен 08, 2013 14:49:38 
Открыл глаза
Аватар пользователя

Зарегистрирован: Вт авг 30, 2011 19:47:56
Сообщений: 77
Рейтинг сообщения: 0
только ты забыл добавить что последовательно нужно поставить диод sf18 к примеру


Вложения:
1.jpg [81.03 KiB]
Скачиваний: 1345

_________________
у тебя есть высшее образование, ты умный, сделай домашнее задание со своим ребенком, ощути себя идиотом, а сегодня школьная программа выглядит так -
ЛЕТЕЛИ ДВА ВЕРБЛЮДА ОДИН РЫЖИЙ ДРУГОЙ НАЛЕВО СКОЛЬКО ВЕСИТ КИЛОГРАММ ЯБЛОК ЕСЛИ ЁЖИКУ ЧЕТЫРЕ ГОДА
Вернуться наверх
 
 Заголовок сообщения: Re: ИИП для новичков.
СообщениеДобавлено: Вс сен 08, 2013 17:18:32 
Друг Кота
Аватар пользователя

Карма: 93
Рейтинг сообщений: 2157
Зарегистрирован: Сб май 05, 2012 20:19:55
Сообщений: 4961
Откуда: Минск
Рейтинг сообщения: 0
SLYDER, а зачем он нужен?

_________________
Прибор, защищённый предохранителем, сгорает первым, защитив предохранитель. Закон Мерфи.


Вернуться наверх
 
 Заголовок сообщения: Re: ИИП для новичков.
СообщениеДобавлено: Вс сен 08, 2013 19:34:53 
Вымогатель припоя
Аватар пользователя

Карма: 15
Рейтинг сообщений: 122
Зарегистрирован: Сб июн 16, 2012 22:08:37
Сообщений: 506
Откуда: Москва
Рейтинг сообщения: 0
Всем привет! Буду собирать схему БП, предложенную Slabovik'ом, с повторителями для транзисторов. Cнимать рассчитываю до 700Вт. В наличии есть следующие транзисторы. Как вы посоветуете, применить один из этих транзисторов, или запараллелить IRF740?

2SK2842 _____ STW10NC70Z
VDSS = 500 V _____ VDS = 700 V
ID = 12 A_____ ID = 10.6 A
RDS(on) = 0.4 Ohm_____ RDS(on) = 0.58 Ohm
Ciss = 2040 pF_____ Ciss = 3550 pF
Power Dissipation = 40 W_______________ Total Dissipation = 190 W

IRFP450 _____ IRFP460
VDS = 500 V_____ VDS = 500 V
RDS(on) = 0.40 Ohm_____ RDS(on) = 0.27 Ohm
ID = 14 A_____ ID = 20 A
Ciss = 2600 pF_____ Ciss = 4200 pF
Total Dissipation = 190 W_______________ Total Dissipation = 280 W


Вернуться наверх
 
 Заголовок сообщения: Re: ИИП для новичков.
СообщениеДобавлено: Вс сен 08, 2013 19:54:06 
Друг Кота
Аватар пользователя

Карма: 93
Рейтинг сообщений: 2157
Зарегистрирован: Сб май 05, 2012 20:19:55
Сообщений: 4961
Откуда: Минск
Рейтинг сообщения: 1
Ну с точки зрения нагрева 460-е будут смотреться весьма неплохо. Но им есть неплохая альтернатива от ST в 220-м корпусе - STP20NM50.
Не хочешь зря деньги тратить - параллель 740-е. 2 740-х будут по характеристикам лучше одного 460-го, и по цене дешевле.

_________________
Прибор, защищённый предохранителем, сгорает первым, защитив предохранитель. Закон Мерфи.


Вернуться наверх
 
 Заголовок сообщения: Re: ИИП для новичков.
СообщениеДобавлено: Вс сен 08, 2013 23:43:16 
Сверлит текстолит когтями

Зарегистрирован: Сб май 14, 2011 18:24:14
Сообщений: 1165
Откуда: Пермь
Рейтинг сообщения: 0
А толку ставить 4шт по 200в 470 мкф если получишь 470 мкф?!
Кто работает, им проще купить 470 мкф 400в чем тратить место на иип, громозкий получится. И в компактный красивенький корпус не влезет.


Вернуться наверх
 
Показать сообщения за:  Сортировать по:  Вернуться наверх
Начать новую тему Ответить на тему  [ Сообщений: 6484 ]     ... , , , 57, , , ...  

Часовой пояс: UTC + 3 часа


Вы не можете начинать темы
Вы не можете отвечать на сообщения
Вы не можете редактировать свои сообщения
Вы не можете удалять свои сообщения
Вы не можете добавлять вложения

Найти:
Перейти:  


Powered by phpBB © 2000, 2002, 2005, 2007 phpBB Group
Русская поддержка phpBB
Extended by Karma MOD © 2007—2012 m157y
Extended by Topic Tags MOD © 2012 m157y