Например TDA7294

Форум РадиоКот • Просмотр темы - Переделанный БП АТХ не держит нагрузку
Форум РадиоКот
Здесь можно немножко помяукать :)

Текущее время: Вт сен 23, 2025 03:38:11

Часовой пояс: UTC + 3 часа


ПРЯМО СЕЙЧАС:



Начать новую тему Ответить на тему  [ Сообщений: 166 ]     ... , , , 7, ,  
Автор Сообщение
Не в сети
 Заголовок сообщения: Re: Переделанный БП АТХ не держит нагрузку
СообщениеДобавлено: Ср авг 29, 2018 20:38:16 
Модератор
Аватар пользователя

Карма: 153
Рейтинг сообщений: 2924
Зарегистрирован: Сб авг 14, 2010 15:05:51
Сообщений: 18821
Откуда: г. Озерск, Челябинская обл.
Рейтинг сообщения: 0
Медали: 1
Лучший человек Форума 2017 (1)
скорее всего, нельзя.
или придется подбирать другую тл494, чтобы напряжение смещения усилителей ошибки были другие, точнее, с другим знаком.
как я тебе ранее говорил, канал тока (усилитель ошибки по току) при задании нуля тока придерживает ШИМ и не дает поднять напряжение.

_________________
Мудрость приходит вместе с импотенцией...
Когда на русском форуме переходят на Вы, в реальной жизни начинают бить морду.


Вернуться наверх
 
Не в сети
 Заголовок сообщения: Re: Переделанный БП АТХ не держит нагрузку
СообщениеДобавлено: Ср авг 29, 2018 20:40:09 
Друг Кота
Аватар пользователя

Карма: 123
Рейтинг сообщений: 7959
Зарегистрирован: Сб сен 13, 2014 16:27:32
Сообщений: 39199
Откуда: СпиртоГонск созвездия Омега
Рейтинг сообщения: 0
вообшето при нгулевом токе уставки на выходе длжно быть 0
но устанавливать ток в0 глупо режим нештатный

_________________
ZМудрость(Опыт и выдержка) приходит с годами.
Все Ваши беды и проблемы, от недостатка знаний.
Умный и у дурака научится, а дураку и ..
Алберт Ейнштейн не поможет и ВВП не спасет.и МЧС опаздает


Вернуться наверх
 
Не в сети
 Заголовок сообщения: Re: Переделанный БП АТХ не держит нагрузку
СообщениеДобавлено: Чт авг 30, 2018 07:32:31 
Потрогал лапой паяльник

Карма: 2
Рейтинг сообщений: 2
Зарегистрирован: Вс ноя 12, 2017 11:51:43
Сообщений: 361
Рейтинг сообщения: 0
Спасибо ребята за ответ! Попробую подобрать TL.


Вернуться наверх
 
Не в сети
 Заголовок сообщения: Re: Переделанный БП АТХ не держит нагрузку
СообщениеДобавлено: Чт авг 30, 2018 09:27:19 
Модератор
Аватар пользователя

Карма: 153
Рейтинг сообщений: 2924
Зарегистрирован: Сб авг 14, 2010 15:05:51
Сообщений: 18821
Откуда: г. Озерск, Челябинская обл.
Рейтинг сообщения: 0
Медали: 1
Лучший человек Форума 2017 (1)
для примера:
в моем БП (по схеме из моей темы) разброс параметров тл494 токов, что при нулевом задании тока получается ток примерно 45 мА. соответственно, нулевое задание тока не мешает задавать и получать напряжение во всем диапазоне по напряжение.
но мне не пришлось подбирать тл494, там уже такая стояла...
но и подбирать ее совсем не обязательно, ранее я тебе говорил, что правильнее сделать ограничение минимума по току, например 100 мА. тогда и подбирать не понадобится...

_________________
Мудрость приходит вместе с импотенцией...
Когда на русском форуме переходят на Вы, в реальной жизни начинают бить морду.


Вернуться наверх
 
Не в сети
 Заголовок сообщения: Re: Переделанный БП АТХ не держит нагрузку
СообщениеДобавлено: Чт авг 30, 2018 09:36:12 
Потрогал лапой паяльник

Карма: 2
Рейтинг сообщений: 2
Зарегистрирован: Вс ноя 12, 2017 11:51:43
Сообщений: 361
Рейтинг сообщения: 0
Сегодня сделаю замер тока при выкрученном токовом резисторе- я тоже сомневаюсь, что у меня ток падает полностью на ноль. Управляющая микросхема стоит DBL494, попробую обычную TL.


Вернуться наверх
 
Не в сети
 Заголовок сообщения: Re: Переделанный БП АТХ не держит нагрузку
СообщениеДобавлено: Чт авг 30, 2018 10:45:56 
Модератор
Аватар пользователя

Карма: 153
Рейтинг сообщений: 2924
Зарегистрирован: Сб авг 14, 2010 15:05:51
Сообщений: 18821
Откуда: г. Озерск, Челябинская обл.
Рейтинг сообщения: 0
Медали: 1
Лучший человек Форума 2017 (1)
если бы ток не падал в ноль, то и не было бы ограничения по напряжению.
но, конешно, нужно проверять.
DBL494 и TL494 - полные аналоги, еще есть полный аналог КА7500.
а усилитель ошибки- это обычный операционный усилитель, и разброс напряжения смещения может быть также, как в плюс, так и в минус.

_________________
Мудрость приходит вместе с импотенцией...
Когда на русском форуме переходят на Вы, в реальной жизни начинают бить морду.


Вернуться наверх
 
Не в сети
 Заголовок сообщения: Re: Переделанный БП АТХ не держит нагрузку
СообщениеДобавлено: Сб сен 01, 2018 14:07:53 
Открыл глаза

Зарегистрирован: Ср янв 02, 2013 16:43:03
Сообщений: 47
Рейтинг сообщения: 0
Здравствуйте.У меня бп АТХ переделаный по схеме итальянца.Проработал год и замолчал, а потом еще бабахнул вылетели силовые транзисторы.Восстановил транзисторы включаю тишина, на 8 и 11 ножке осцилом проверил странные импульсы,заменил tl 494 .Бп запустился при малом напряжении питания 28в переменки вместо 220в.напруга Бп регулируется от 0.5 до 6.5в. вроде нормально Но вот вопрос при 6.5 в на бп на одном и втором силовом транзисторе кэ половина напруги около 20в, а вот когда уменьшаешь до 0.5в на одном транзисторе где 35в, а на другом где то 10в на кэ не нормально ли , должно быть тоже половина ?


Вернуться наверх
 
Не в сети
 Заголовок сообщения: Re: Переделанный БП АТХ не держит нагрузку
СообщениеДобавлено: Сб сен 01, 2018 16:28:33 
Потрогал лапой паяльник

Карма: 2
Рейтинг сообщений: 2
Зарегистрирован: Вс ноя 12, 2017 11:51:43
Сообщений: 361
Рейтинг сообщения: 0
Starichok51, доброго здравия! Хочу немножко о измерениях своих. При выкрученных в ноль резисторах тока и напряжения- ток 5мА, если переменный резистор напряжения не в нулевой положении , то ток 73мА. У меня было 3 японских TL (IR3M02) с одной из них напряжение ( при выкрученном в ноль токе ) регулируется в полном диапазоне.

Добавлено after 11 minutes 26 seconds:
matwei, у меня при настройке бп вылетели силовые ключи, один из с945, один диод fr-107, TL и один из резисторов в цепи б-э. Так что проверьте эти элементы и включайте через лампу смело.


Вернуться наверх
 
Не в сети
 Заголовок сообщения: Re: Переделанный БП АТХ не держит нагрузку
СообщениеДобавлено: Сб сен 01, 2018 20:55:37 
Модератор
Аватар пользователя

Карма: 153
Рейтинг сообщений: 2924
Зарегистрирован: Сб авг 14, 2010 15:05:51
Сообщений: 18821
Откуда: г. Озерск, Челябинская обл.
Рейтинг сообщения: 0
Медали: 1
Лучший человек Форума 2017 (1)
SE-RE-GA писал(а):
При выкрученных в ноль резисторах тока и напряжения- ток 5мА, если переменный резистор напряжения не в нулевой положении , то ток 73мА.
ты пойми простую вещь - между двумя усилителями идет конкуренция, и результат этой конкуренции зависит от разброса напряжения смещения каждого усилителя.
в описываемом тобой случае, усилитель для напряжения выигрывает конкуренцию (когда оба резистора в нуле), а когда ты резистор напряжения отводишь от нуля, конкуренцию выигрывает усилитель тока, и ток возрастает.

_________________
Мудрость приходит вместе с импотенцией...
Когда на русском форуме переходят на Вы, в реальной жизни начинают бить морду.


Вернуться наверх
 
Не в сети
 Заголовок сообщения: Re: Переделанный БП АТХ не держит нагрузку
СообщениеДобавлено: Сб сен 01, 2018 21:05:33 
Потрогал лапой паяльник

Карма: 2
Рейтинг сообщений: 2
Зарегистрирован: Вс ноя 12, 2017 11:51:43
Сообщений: 361
Рейтинг сообщения: 0
Да, это понятно, спасибо, меня такая работа устраивает.


Вернуться наверх
 
Не в сети
 Заголовок сообщения: Re: Переделанный БП АТХ не держит нагрузку
СообщениеДобавлено: Пн сен 03, 2018 07:40:35 
Потрогал лапой паяльник

Карма: 2
Рейтинг сообщений: 2
Зарегистрирован: Вс ноя 12, 2017 11:51:43
Сообщений: 361
Рейтинг сообщения: 0
Starichok51, доброго здравия! Подскажите пож. из чего делаете себе шунты, и как повлияет на работу блока, если я уменьшу сопротивление шунта с 0,05 до 0.01, а то стоит шунт из 2-х 5вт. резисторов и при токах 8-10 ампер сильно греются.


Вернуться наверх
 
Не в сети
 Заголовок сообщения: Re: Переделанный БП АТХ не держит нагрузку
СообщениеДобавлено: Пн сен 03, 2018 08:08:55 
Модератор
Аватар пользователя

Карма: 153
Рейтинг сообщений: 2924
Зарегистрирован: Сб авг 14, 2010 15:05:51
Сообщений: 18821
Откуда: г. Озерск, Челябинская обл.
Рейтинг сообщения: 0
Медали: 1
Лучший человек Форума 2017 (1)
я на али покупал константановые резисторы на 0,05 Ома. но 10 А для них все равно много, так как проволока диаметром 1 мм.
для 0,01 Ома придется изменять номиналы в цепи регулировки тока, но точность поддержания заданного тока снизится.
с шунтом 0,01 падение на шунте снизится при токе 10 А до 100 мВ. но в общем-то, ничего страшного в этом нет, так как я делал зарядные для автоаккумов со стандартным шунтом на 75 мВ. а там точное значение тока не очень нужно...

_________________
Мудрость приходит вместе с импотенцией...
Когда на русском форуме переходят на Вы, в реальной жизни начинают бить морду.


Вернуться наверх
 
Не в сети
 Заголовок сообщения: Re: Переделанный БП АТХ не держит нагрузку
СообщениеДобавлено: Пн сен 03, 2018 14:34:12 
Потрогал лапой паяльник

Карма: 2
Рейтинг сообщений: 2
Зарегистрирован: Вс ноя 12, 2017 11:51:43
Сообщений: 361
Рейтинг сообщения: 0
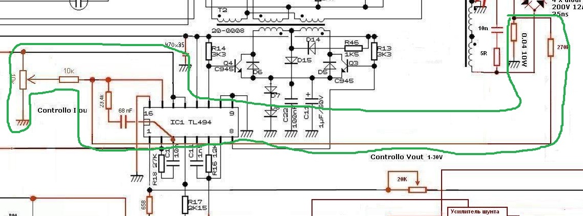
Вложение:
TL494_part_5_GF.gif [37.65 KiB]
Скачиваний: 502
За шунты понятно, спасибо! Starichok51, нашел два варианта регулировки тока- какой из вариантов лучше
?


Вложения:
БП из ATX1 переделка 30V 10A.JPG [142.42 KiB]
Скачиваний: 433
Вернуться наверх
 
Не в сети
 Заголовок сообщения: Re: Переделанный БП АТХ не держит нагрузку
СообщениеДобавлено: Пн сен 03, 2018 14:55:38 
Модератор
Аватар пользователя

Карма: 153
Рейтинг сообщений: 2924
Зарегистрирован: Сб авг 14, 2010 15:05:51
Сообщений: 18821
Откуда: г. Озерск, Челябинская обл.
Рейтинг сообщения: 0
Медали: 1
Лучший человек Форума 2017 (1)
первый вариант применяй.

_________________
Мудрость приходит вместе с импотенцией...
Когда на русском форуме переходят на Вы, в реальной жизни начинают бить морду.


Вернуться наверх
 
Не в сети
 Заголовок сообщения: Re: Переделанный БП АТХ не держит нагрузку
СообщениеДобавлено: Пн сен 03, 2018 15:10:45 
Потрогал лапой паяльник

Карма: 2
Рейтинг сообщений: 2
Зарегистрирован: Вс ноя 12, 2017 11:51:43
Сообщений: 361
Рейтинг сообщения: 0
Благодарю!


Вернуться наверх
 
Не в сети
 Заголовок сообщения: Re: Переделанный БП АТХ не держит нагрузку
СообщениеДобавлено: Пн сен 03, 2018 17:37:56 
Открыл глаза

Зарегистрирован: Ср янв 02, 2013 16:43:03
Сообщений: 47
Рейтинг сообщения: 0
Здравствуйте.Включил свой БП с предохранителем напруга 14.5в регулируется до 1в.Хотел спросить питание 12нога tl 494 у меня 13в от обычного транса через dcdc понижающий конвектор не мало ли ?

Добавлено after 9 minutes 51 second:
А раньше было 32в 10а.


Вернуться наверх
 
Не в сети
 Заголовок сообщения: Re: Переделанный БП АТХ не держит нагрузку
СообщениеДобавлено: Пн сен 03, 2018 18:55:35 
Друг Кота

Карма: 62
Рейтинг сообщений: 750
Зарегистрирован: Пт авг 04, 2017 19:36:00
Сообщений: 5635
Откуда: постнурсултанат Боратистан
Рейтинг сообщения: 0
Не зря же горели ключи. Проверяйте сетевые и базовые конденсаторы на ESR. Может сетевые кондеры разбежались по емкости поэтому в их средней точке нет ровной половины от выпрямленного сетевого напряжения. А плохие базовые кондеры вызывают перегрев ключей и бабах.


Вернуться наверх
 
Не в сети
 Заголовок сообщения: Re: Переделанный БП АТХ не держит нагрузку
СообщениеДобавлено: Вт сен 04, 2018 08:34:45 
Потрогал лапой паяльник

Карма: 2
Рейтинг сообщений: 2
Зарегистрирован: Вс ноя 12, 2017 11:51:43
Сообщений: 361
Рейтинг сообщения: 0
matwei, у меня с дежурки идет питание 23в. Но должно работать и при 13в.

Добавлено after 51 minute 43 seconds:
Starichok51, по второму варианту, ток регулируется хорошо, а по первому- выключает нагрузку только когда резистор в нулевом положении, а на всем протяжении регулировки никакой реакции.


Вернуться наверх
 
Не в сети
 Заголовок сообщения: Re: Переделанный БП АТХ не держит нагрузку
СообщениеДобавлено: Вт сен 04, 2018 09:37:43 
Модератор
Аватар пользователя

Карма: 153
Рейтинг сообщений: 2924
Зарегистрирован: Сб авг 14, 2010 15:05:51
Сообщений: 18821
Откуда: г. Озерск, Челябинская обл.
Рейтинг сообщения: 0
Медали: 1
Лучший человек Форума 2017 (1)
заочно я тебе не могу ничего сказать. оставляй тогда по второму.

_________________
Мудрость приходит вместе с импотенцией...
Когда на русском форуме переходят на Вы, в реальной жизни начинают бить морду.


Вернуться наверх
 
Не в сети
 Заголовок сообщения: Re: Переделанный БП АТХ не держит нагрузку
СообщениеДобавлено: Вт сен 04, 2018 09:55:38 
Потрогал лапой паяльник

Карма: 2
Рейтинг сообщений: 2
Зарегистрирован: Вс ноя 12, 2017 11:51:43
Сообщений: 361
Рейтинг сообщения: 0
Тут вопрос уже принципа)) Есть одна мысль попробую воплотить))


Вернуться наверх
 
Показать сообщения за:  Сортировать по:  Вернуться наверх
Начать новую тему Ответить на тему  [ Сообщений: 166 ]     ... , , , 7, ,  

Часовой пояс: UTC + 3 часа


Кто сейчас на форуме

Сейчас этот форум просматривают: нет зарегистрированных пользователей и гости: 32


Вы не можете начинать темы
Вы не можете отвечать на сообщения
Вы не можете редактировать свои сообщения
Вы не можете удалять свои сообщения
Вы не можете добавлять вложения

Найти:
Перейти:  


Powered by phpBB © 2000, 2002, 2005, 2007 phpBB Group
Русская поддержка phpBB
Extended by Karma MOD © 2007—2012 m157y
Extended by Topic Tags MOD © 2012 m157y