Например TDA7294

Форум РадиоКот • Просмотр темы - Выключатель свинцовогелиевой АКБ при разряде
Форум РадиоКот
Здесь можно немножко помяукать :)

Текущее время: Ср дек 24, 2025 15:05:38

Часовой пояс: UTC + 3 часа


ПРЯМО СЕЙЧАС:



Начать новую тему Ответить на тему  [ Сообщений: 84 ]    , 2, , ,  
Автор Сообщение
Не в сети
 Заголовок сообщения:
СообщениеДобавлено: Пн янв 25, 2010 08:51:55 
Встал на лапы

Зарегистрирован: Вс янв 24, 2010 12:55:41
Сообщений: 98
Рейтинг сообщения: 0
приложите схему пожалуйста


Вернуться наверх
 
Не в сети
 Заголовок сообщения:
СообщениеДобавлено: Пн янв 25, 2010 19:41:46 
Друг Кота
Аватар пользователя

Карма: 28
Рейтинг сообщений: 267
Зарегистрирован: Ср сен 27, 2006 16:18:57
Сообщений: 3459
Рейтинг сообщения: 0
nzerg писал(а):
... а можете оторвать ее от от ненужных деталей, оставить только батарею...


Вложения:
deep431.gif [6.98 KiB]
Скачиваний: 1246
Вернуться наверх
 
Не в сети
 Заголовок сообщения:
СообщениеДобавлено: Пн янв 25, 2010 21:38:21 
Встал на лапы

Зарегистрирован: Вс янв 24, 2010 12:55:41
Сообщений: 98
Рейтинг сообщения: 0
Cпасибо, я уже спаял по последней схеме микруху. Но если она не заработает, спаяю эту.


Вложения:
IMG_0112_10x1050_1024x768.JPG [145.03 KiB]
Скачиваний: 979
IMG_0110_141050_1024x768.JPG [151.81 KiB]
Скачиваний: 909
Вернуться наверх
 
Не в сети
 Заголовок сообщения:
СообщениеДобавлено: Пн янв 25, 2010 23:27:44 
Встал на лапы

Зарегистрирован: Вс янв 24, 2010 12:55:41
Сообщений: 98
Рейтинг сообщения: 0
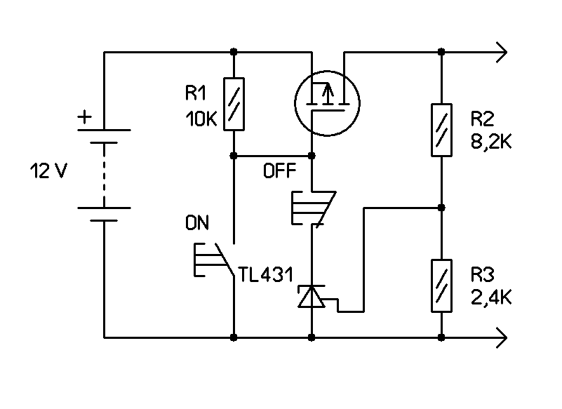
схема не заработала, или я ошибся с ногами BC557, IRFZ44N, TL431
или зря взял все резисторы по 0,25 Вт
вот схема с пронумероваными ногами и их обозначениями в даташитах.


Вложения:
885598.image.gif [11.5 KiB]
Скачиваний: 913
Вернуться наверх
 
Эиком - электронные компоненты и радиодетали
Не в сети
 Заголовок сообщения:
СообщениеДобавлено: Пн янв 25, 2010 23:30:50 
Мучитель микросхем

Зарегистрирован: Пт окт 23, 2009 17:08:38
Сообщений: 435
Рейтинг сообщения: 0
Как проверяли? Схема запустится только после подачи напряжения на клеммы от зарядного устройства.


Вернуться наверх
 
Не в сети
 Заголовок сообщения:
СообщениеДобавлено: Пн янв 25, 2010 23:33:43 
Встал на лапы

Зарегистрирован: Вс янв 24, 2010 12:55:41
Сообщений: 98
Рейтинг сообщения: 0
ох емае... какое зарядное, мне нужна была схема, которая отключает аккумулятор от устройства, которое потребляет ток. Аккумулятор при этом лежит в кармане. Зря время потратил. :shock:
А потребляют ток 60 резисторов на варежках и 40 резисторов на стельках. Это я подогрев смастерил, а потом задумался о здоровье аккумулятора.


Вернуться наверх
 
Не в сети
 Заголовок сообщения:
СообщениеДобавлено: Вт янв 26, 2010 00:03:51 
Вымогатель припоя
Аватар пользователя

Зарегистрирован: Сб янв 23, 2010 22:03:35
Сообщений: 524
Откуда: Новгородская область
Рейтинг сообщения: 0
Добавьте кнопку запуска схемы, с плюса на затвор полевика, всего делов... Или делайте точно как у меня в первом варианте (выключатель, конденсатор, резистор)


Вернуться наверх
 
Не в сети
 Заголовок сообщения:
СообщениеДобавлено: Вт янв 26, 2010 00:26:12 
Встал на лапы

Зарегистрирован: Вс янв 24, 2010 12:55:41
Сообщений: 98
Рейтинг сообщения: 0
завтра попробую
а кнопка кратковременного нажатия или постоянная?


Вернуться наверх
 
Не в сети
 Заголовок сообщения:
СообщениеДобавлено: Вт янв 26, 2010 00:32:59 
Вымогатель припоя
Аватар пользователя

Зарегистрирован: Сб янв 23, 2010 22:03:35
Сообщений: 524
Откуда: Новгородская область
Рейтинг сообщения: 0
Кратковременная. Нажимать один раз. Схема будет сама себя удерживать в открытом состоянии до разрядки аккумулятора. Конденсатор и резистор в первом варианте выполняют ту же роль, начального запуска.


Вернуться наверх
 
Не в сети
 Заголовок сообщения:
СообщениеДобавлено: Вт янв 26, 2010 08:28:40 
Встал на лапы

Зарегистрирован: Вс янв 24, 2010 12:55:41
Сообщений: 98
Рейтинг сообщения: 0
у меня до этой микросхемы на + стоит выключатель питания. Это значит я включаю питание, жму на эту пусковую кнопку. Когда обогрев не нужен, я выключаю питание. Когда снова нужно согреться, повторяю эти действия? Наверно я попробую с мегаомным резистором и кондером таки...


Вернуться наверх
 
Не в сети
 Заголовок сообщения:
СообщениеДобавлено: Вт янв 26, 2010 18:45:51 
Встал на лапы

Зарегистрирован: Вс янв 24, 2010 12:55:41
Сообщений: 98
Рейтинг сообщения: 0
связка резистор 1 МОм и кондер к затвору мосфета не помогла включить микросхему, кнопка тоже не помогла. Или криво спаял или схема кривая.


Вернуться наверх
 
Не в сети
 Заголовок сообщения:
СообщениеДобавлено: Вт янв 26, 2010 23:06:58 
Вымогатель припоя
Аватар пользователя

Зарегистрирован: Сб янв 23, 2010 22:03:35
Сообщений: 524
Откуда: Новгородская область
Рейтинг сообщения: 0
Как это кнопка не помогла? При нажатии кнопки на выходе должно появиться 12 вольт с аккумулятора. Кнопкой ты подаёшь на затвор плюс и через нагрузку должен пойти ток. IRF должен открыться если даже вообще всё перепутал. Другое дело, что может не произойти подхвата, самоудержания схемы в открытом состоянии (если, что перепутал).


Вернуться наверх
 
Не в сети
 Заголовок сообщения:
СообщениеДобавлено: Вт янв 26, 2010 23:09:44 
Встал на лапы

Зарегистрирован: Вс янв 24, 2010 12:55:41
Сообщений: 98
Рейтинг сообщения: 0
наверно таки перепутал я где то.. попробую схему Барсика, если она подходит для моих нужд. Спросил об этом его, жду ответа.


Вернуться наверх
 
Не в сети
 Заголовок сообщения:
СообщениеДобавлено: Вт янв 26, 2010 23:26:40 
Друг Кота
Аватар пользователя

Карма: 28
Рейтинг сообщений: 267
Зарегистрирован: Ср сен 27, 2006 16:18:57
Сообщений: 3459
Рейтинг сообщения: 0
Если будете повторять мою схему, обратите внимание, что MOSFET транзистор с p-каналом. Я использовал IRF4905. Удачи. Я Вам ответил в личку. Но могли бы и здесь спросить. В Вашем вопросе нет ничего секретного...

tvorcheskiy, у Вас хорошая схема, но в ней скрывается небольшая засада. Пусковой конденсатор C1 не даёт резко изменить напряжение на затворе полевика. Я в своём фонарике отвязал пусковую ёмкость от затвора диодом.


Вернуться наверх
 
Не в сети
 Заголовок сообщения:
СообщениеДобавлено: Ср янв 27, 2010 08:51:36 
Встал на лапы

Зарегистрирован: Вс янв 24, 2010 12:55:41
Сообщений: 98
Рейтинг сообщения: 0
Барсик , а зачем две кнопки на вашей схеме? мне бы без кнопок.. уже есть основной выключатель и его нажимать вслепую надо в кармане. Если еще две кнопки жать то весьма неудобно.


Вернуться наверх
 
Не в сети
 Заголовок сообщения:
СообщениеДобавлено: Ср янв 27, 2010 10:34:27 
Вымогатель припоя
Аватар пользователя

Зарегистрирован: Сб янв 23, 2010 22:03:35
Сообщений: 524
Откуда: Новгородская область
Рейтинг сообщения: 0
Спасибо , Барсик за замечание. Думаю, что 100 миллисекунд в активном состоянии при токе 5А для 100 Ваттного полевика будут не критичны.


Вернуться наверх
 
Не в сети
 Заголовок сообщения:
СообщениеДобавлено: Ср янв 27, 2010 11:13:58 
Друг Кота
Аватар пользователя

Карма: 28
Рейтинг сообщений: 267
Зарегистрирован: Ср сен 27, 2006 16:18:57
Сообщений: 3459
Рейтинг сообщения: 0
nzerg писал(а):
...а зачем две кнопки на вашей схеме?

Одна - включить, другая выключить. При этом основной выключатель не нужен, а кнопкам не требуется выдерживать полный ток нагрузки, который может быть не хилым.

nzerg писал(а):
... мне бы без кнопок.. уже есть основной выключатель и его нажимать вслепую надо в кармане.

Такого готового варианта у меня пока нет. Надо что-то изобретать.


Вернуться наверх
 
Не в сети
 Заголовок сообщения:
СообщениеДобавлено: Ср янв 27, 2010 15:17:36 
Встал на лапы

Зарегистрирован: Вс янв 24, 2010 12:55:41
Сообщений: 98
Рейтинг сообщения: 0
в наших радиомагазинах оказывается дефицит кнопок..


Вернуться наверх
 
Не в сети
 Заголовок сообщения:
СообщениеДобавлено: Сб янв 30, 2010 20:07:18 
Встал на лапы

Зарегистрирован: Вс янв 24, 2010 12:55:41
Сообщений: 98
Рейтинг сообщения: 0
я схему неправильно спаял видать, стыдно показывать :angry:


Последний раз редактировалось nzerg Пн дек 27, 2010 21:24:57, всего редактировалось 1 раз.

Вернуться наверх
 
Не в сети
 Заголовок сообщения:
СообщениеДобавлено: Сб янв 30, 2010 22:44:56 
Встал на лапы

Зарегистрирован: Вс янв 24, 2010 12:55:41
Сообщений: 98
Рейтинг сообщения: 0
Выпаял детальки с неудачной схемы и спаял проводками в воздухе
схема включилась, правда надо еще провести эксперимент, сможет ли она отключить аккумулятор при разряде. Для этого куплю мультиметр и лампочку автомобильную, буду разряжать и контролировать напряжение.
Вот фото микросхемы, посмейтесь)


Вложения:
IMG_01331_1400x1050_1024x768.JPG [132.08 KiB]
Скачиваний: 965
Вернуться наверх
 
Показать сообщения за:  Сортировать по:  Вернуться наверх
Начать новую тему Ответить на тему  [ Сообщений: 84 ]    , 2, , ,  

Часовой пояс: UTC + 3 часа


Кто сейчас на форуме

Сейчас этот форум просматривают: нет зарегистрированных пользователей и гости: 68


Вы не можете начинать темы
Вы не можете отвечать на сообщения
Вы не можете редактировать свои сообщения
Вы не можете удалять свои сообщения
Вы не можете добавлять вложения

Найти:
Перейти:  


Powered by phpBB © 2000, 2002, 2005, 2007 phpBB Group
Русская поддержка phpBB
Extended by Karma MOD © 2007—2012 m157y
Extended by Topic Tags MOD © 2012 m157y