Например TDA7294

Форум РадиоКот • Просмотр темы - переделка импульсного БП
Форум РадиоКот
Здесь можно немножко помяукать :)

Текущее время: Вс фев 15, 2026 15:22:02

Часовой пояс: UTC + 3 часа


ПРЯМО СЕЙЧАС:



Начать новую тему Ответить на тему  [ Сообщений: 27 ]    , 2
Автор Сообщение
Не в сети
 Заголовок сообщения: Re: переделка импульсного БП
СообщениеДобавлено: Вт дек 03, 2013 21:28:28 
Опытный кот
Аватар пользователя

Карма: 4
Рейтинг сообщений: 16
Зарегистрирован: Чт фев 21, 2008 12:32:06
Сообщений: 707
Откуда: Россия г.Уфа
Рейтинг сообщения: 3
Переделка БП на ШИМ TH2267.1

Попался мне в руки зарядник от NOKIA, нужно было получить с него 9-10В вместо штатных 5В. Порывшись в сети была найдена примерная схема и ДШ на этот контроллер. Немного вникнув перепаял делитель соединенный с 6-ой ногой, заменив R21 на 5,6K в исходном блоке R21 был 10K а R24 отсутствовал, в результате получилось 9,74В.
В ходе испытаний в место R21 подпаивал подстроечник.. напряжение регулировал от 3,8 до 15В ниже и выше не стал пробовать..
схема и ДШ ниже.


Вложения:
TH2267.1.rar [658 KiB]
Скачиваний: 5781

_________________
-hands made-
Опытный Электрик, даже жену не берет одновременно за две сиськи!!!
Вернуться наверх
 
Не в сети
 Заголовок сообщения: Re: переделка импульсного БП
СообщениеДобавлено: Вс янв 13, 2019 00:55:01 
Родился

Зарегистрирован: Вс янв 13, 2019 00:49:46
Сообщений: 1
Рейтинг сообщения: 0
Вдруг кому пригодится: D15 - это не диод, а стабилитрон на 36В. Нечто вроде BZX55B36. Мне в руки попал БП, в котором этот стабилитрон сдох довольно необычным образом: мультиметром прозванивается нормально, но напряжение стабилизации упало до 2В, в результате чего, конечно, запуск ШИМ-контроллера невозможен.


Вернуться наверх
 
Не в сети
 Заголовок сообщения: Re: переделка импульсного БП
СообщениеДобавлено: Вс фев 03, 2019 15:35:14 
Сверлит текстолит когтями

Карма: 10
Рейтинг сообщений: 45
Зарегистрирован: Пн июн 18, 2007 21:51:20
Сообщений: 1278
Рейтинг сообщения: 0
приветствую всех!
может кто просветит мою тёмную головушку в тем имп.блоков питания и трансформаторов в оным?

есть БП на DK125, 12V 2А
работает - не жалуюсь.
Решил я добавить туда 5 вольт для питания цифровых устройств. Ток надо не более 300мА, потребление сейчас - 50мА

1. как сделать:
а) домотать обмотку поверх? как тогда поддерживать стабильное напряжение на выходе 5в, если нагрузка по 12в может гулять от нуля до 2А?
б) сделать отвод от 12в? а не будет гулять напряжение по 5в, если будет изменяться нагрузка в цепи 12в?

2. Влияет направление намотки?

3. начало/конец выходной обмотки: что принять на общий провод?


Вложения:
1.jpg [31.06 KiB]
Скачиваний: 1038
DK125 DEMO DATA-12V2A CE.pdf [1.33 MiB]
Скачиваний: 4428
Безымянный 1.jpg [55.67 KiB]
Скачиваний: 878
Вернуться наверх
 
Не в сети
 Заголовок сообщения: Re: переделка импульсного БП
СообщениеДобавлено: Вс фев 03, 2019 16:02:24 
Друг Кота
Аватар пользователя

Карма: 182
Рейтинг сообщений: 8337
Зарегистрирован: Пт фев 04, 2011 17:57:51
Сообщений: 20104
Откуда: Рыбинск
Рейтинг сообщения: 1
Медали: 1
Лучший человек Форума 2017 (1)
Для 300мА проще 7805 поставить или DC/DC. Все равно нормальной стабилизации по обеим обмоткам будет не добиться, одна 1,5Вт, другая 24 + потребуется серьезная перемотка транса, придется сматывать половину первички, которая сверху и потом ее хорошо обратно намотать, с качественной изоляцией.


Вернуться наверх
 
Эиком - электронные компоненты и радиодетали
Не в сети
 Заголовок сообщения: Re: переделка импульсного БП
СообщениеДобавлено: Вс фев 03, 2019 16:05:36 
Сверлит текстолит когтями

Карма: 10
Рейтинг сообщений: 45
Зарегистрирован: Пн июн 18, 2007 21:51:20
Сообщений: 1278
Рейтинг сообщения: 0
я тоже так думаю, но хочется расширить свои познания в данной области и получить побольше информации ))


Вернуться наверх
 
Не в сети
 Заголовок сообщения: Re: переделка импульсного БП
СообщениеДобавлено: Пн фев 04, 2019 03:10:28 
Мучитель микросхем
Аватар пользователя

Карма: 1
Рейтинг сообщений: 31
Зарегистрирован: Ср июн 11, 2014 01:26:40
Сообщений: 439
Рейтинг сообщения: -1
купить на алике БП для HDD
Изображение


Вернуться наверх
 
Не в сети
 Заголовок сообщения: Re: переделка импульсного БП
СообщениеДобавлено: Пн сен 20, 2021 15:19:52 
Встал на лапы
Аватар пользователя

Карма: 5
Рейтинг сообщений: 53
Зарегистрирован: Чт ноя 08, 2018 12:02:06
Сообщений: 142
Рейтинг сообщения: 3
есть БП на DK125, 12V 2А
работает - не жалуюсь.
Решил я добавить туда 5 вольт для питания цифровых устройств. Ток надо не более 300мА, потребление сейчас - 50мА

1. как сделать:
2. Влияет направление намотки?
3. начало/конец выходной обмотки: что принять на общий провод?
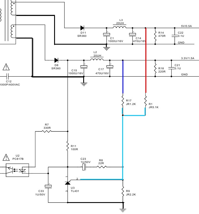
Может будет кому-то полезно при возникновении подобных вопросов на будущее. Делал как-то БП для паяльной станции. Выходные обмотки сделал две отдельные на 5В около 300мА (микроконтроллер с индикацией, реальное потребление около 100-150мА) и 25В от 0 до 2А (нагревательный элемент паяльника). Стабилизация выполнялась по 5В выходу. При этом на втором выходе на х.х. (неоткл.нагрузка 1.7кОм) было около 30-31В, под нагрузкой (14Ом) 25В. В моём случае это не критично. Но в подобных случаях хотелось бы дать следующие рекомендации.
1. Как сделать? Лучше полностью перемотать вторичную обмотку, сделав отвод на нужное напряжение. Так взаимное влияние выходов будет максимальным. Диаметр провода желательно брать с запасом, чтобы его активное сопротивление вносило как можно меньшее влияние. Обратную связь по напряжению завести на тот выход, стабильность напряжения на котором наиболее критична. На второй выход подобрать адекватную неотключаемую нагрузку. Если критичны оба напряжения, то стабилизировать выход с большим током, обмотку менее нагруженного намотать выше на 2-3В и стабилизировать с помощью линейного стабилизатора.
По пунктам 2 и 3. В однотактных схемах фазировка обмоток критична. При неправильной фазировке в лучшем случае ничего не заработает, в худшем получите !ба-бах! с сопутствующими спецэффектами. Поэтому крайне важно выполнять намотку всех обмоток в одну сторону и подключать их начала и концы так, как указано на схеме. Приведенный вариант на DK125 является однотактным обратноходовым преобразователем или "флайбэк". Потому, если первичная обмотка подключена началом к "+" источника, концом к выходу микросхемы, то вторичная обмотка должна быть подключена началом к "общему", концом к аноду выходного диода. И наоборот, если первичная обмотка подключена концом к "+" источника, началом к выходу микросхемы, то вторичная обмотка должна быть подключена концом к "общему", началом к аноду выходного диода.
И напоследок, если собрались что-то делать - делайте, экспериментируйте, развивайтесь. Купить успеется всегда. Полученный опыт не купишь, он бесценен.

_________________
Всё самое свежее по проекту "Дозиметр Сталкера" ищите здесь.


Вернуться наверх
 
Показать сообщения за:  Сортировать по:  Вернуться наверх
Начать новую тему Ответить на тему  [ Сообщений: 27 ]    , 2

Часовой пояс: UTC + 3 часа


Кто сейчас на форуме

Сейчас этот форум просматривают: AQ29 и гости: 90


Вы не можете начинать темы
Вы не можете отвечать на сообщения
Вы не можете редактировать свои сообщения
Вы не можете удалять свои сообщения
Вы не можете добавлять вложения

Найти:
Перейти:  


Powered by phpBB © 2000, 2002, 2005, 2007 phpBB Group
Русская поддержка phpBB
Extended by Karma MOD © 2007—2012 m157y
Extended by Topic Tags MOD © 2012 m157y