Например TDA7294

Форум РадиоКот • Просмотр темы - Лабораторный БП из AT/ATX или серьёзная схема.
Форум РадиоКот
Здесь можно немножко помяукать :)

Текущее время: Пт мар 13, 2026 01:14:35

Часовой пояс: UTC + 3 часа


ПРЯМО СЕЙЧАС:



Начать новую тему Ответить на тему  [ Сообщений: 4791 ]     ... , , , 236, , , ,  
Автор Сообщение
 Заголовок сообщения: Re: Лабораторный БП из AT/ATX или серьёзная схема.
СообщениеДобавлено: Сб май 17, 2025 14:53:41 
Вымогатель припоя

Зарегистрирован: Пн фев 15, 2016 08:17:34
Сообщений: 502
Рейтинг сообщения: 0
Murawej, 25в многовато для этих блоков, на максимуме будет "гулять под ручку с сетевым" :)))
20-22в.
При 17в дежурки обвязка роли не играет, она в основном привязана к опорному.
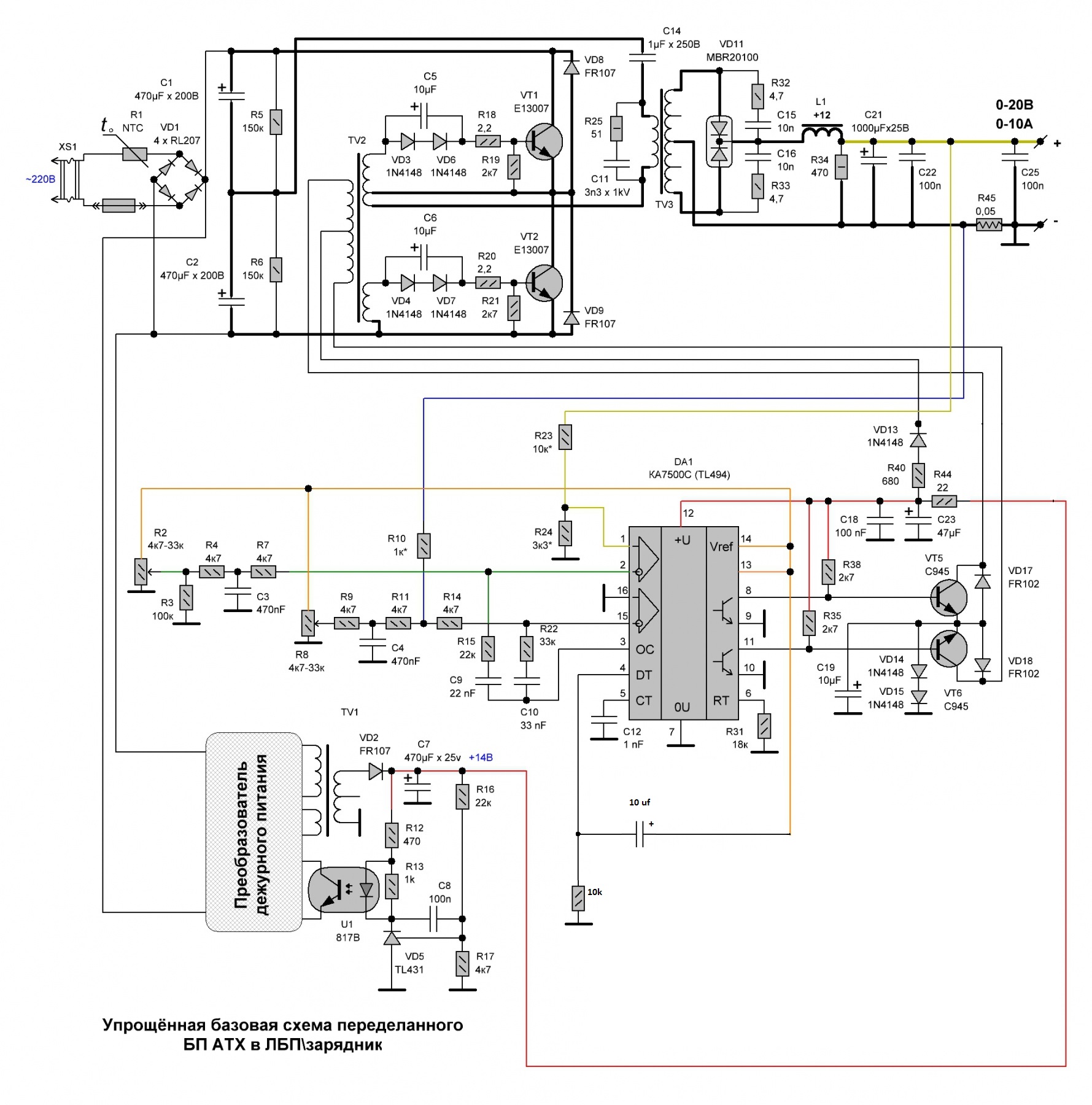
Что касается схемы, то по мне так лучше нет той которую делал Shpionus
Изображение

Токовую защиту (внизу под ШИМкой) я не делаю.

_________________
Люди как свечи - одни на торт, другие в ... ( в медицинских целях).


Вернуться наверх
 
 Заголовок сообщения: Re: Лабораторный БП из AT/ATX или серьёзная схема.
СообщениеДобавлено: Вс май 18, 2025 21:03:52 
Родился
Аватар пользователя

Зарегистрирован: Ср дек 12, 2012 15:57:10
Сообщений: 14
Откуда: Украина
Рейтинг сообщения: 0
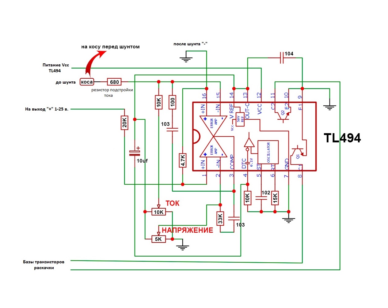
Собрал работает, без лампы еще не пробовал.


Вложения:
схема TL494.jpg [161.39 KiB]
Скачиваний: 334
Вернуться наверх
 
 Заголовок сообщения: Re: Лабораторный БП из AT/ATX или серьёзная схема.
СообщениеДобавлено: Пн май 19, 2025 02:21:23 
Друг Кота
Аватар пользователя

Карма: 146
Рейтинг сообщений: 6067
Зарегистрирован: Чт июн 04, 2009 21:06:49
Сообщений: 36290
Откуда: г.Мариинск
Рейтинг сообщения: 0
Медали: 1
Лучший человек Форума 2017 (1)
Может возбуждаться в крайних положениях регулятора напряжения.

_________________
Тем кого не устаревает наличия ошибок в моем тексте, оставляю права не пользоваться моими советами или просто не читать мои сообщения.


Вернуться наверх
 
 Заголовок сообщения: Re: Лабораторный БП из AT/ATX или серьёзная схема.
СообщениеДобавлено: Пн май 19, 2025 17:39:46 
Вымогатель припоя

Зарегистрирован: Пн фев 15, 2016 08:17:34
Сообщений: 502
Рейтинг сообщения: 0
Ну на токовый регулятор 10к стоит, уже хорошо. Хотя на шунт проседать будет, 680 Ом не спасет. А вот по напряжению, да.
Нет Шпионуса, он бы не поленился в сотый раз рассказать назначение каждого резистора своей схеие.

З.Ы. Murawej, а 100 Ом с 3 на 15 в - это по схеме было или опытным путем получилось?

_________________
Люди как свечи - одни на торт, другие в ... ( в медицинских целях).


Последний раз редактировалось LiSer Пн май 19, 2025 18:08:14, всего редактировалось 1 раз.

Вернуться наверх
 
Эиком - электронные компоненты и радиодетали
 Заголовок сообщения: Re: Лабораторный БП из AT/ATX или серьёзная схема.
СообщениеДобавлено: Пн май 19, 2025 17:53:16 
Друг Кота
Аватар пользователя

Карма: 146
Рейтинг сообщений: 6067
Зарегистрирован: Чт июн 04, 2009 21:06:49
Сообщений: 36290
Откуда: г.Мариинск
Рейтинг сообщения: 0
Медали: 1
Лучший человек Форума 2017 (1)
Это всё рассказывалось действительно много раз, только я несколько раз говорил, и исправлял эти схемы. Всё рано люди где то находят это дерьмо, или хотят подольше помучится при настройке. Или просто не хотят читать темы, если бы люди читали темы то 99% вопросов не задавалась и темы были в 10 раз короче.

_________________
Тем кого не устаревает наличия ошибок в моем тексте, оставляю права не пользоваться моими советами или просто не читать мои сообщения.


Вернуться наверх
 
 Заголовок сообщения: Re: Лабораторный БП из AT/ATX или серьёзная схема.
СообщениеДобавлено: Пн май 19, 2025 18:25:35 
Вымогатель припоя

Зарегистрирован: Пн фев 15, 2016 08:17:34
Сообщений: 502
Рейтинг сообщения: 0
Телекот, ну тут играет роль психология начинающего передельщика. В "правильной" схеме куча резисторов, назначение которых ну совсем не понятно. Тем более многие переделывают "навешиванием соплей" на заводской монтаж. В этом случае такую схему реализовать не реально. А по "упрощенной" схеме весь Ютуб переделал и все типа работает :facepalm:

_________________
Люди как свечи - одни на торт, другие в ... ( в медицинских целях).


Вернуться наверх
 
 Заголовок сообщения: Re: Лабораторный БП из AT/ATX или серьёзная схема.
СообщениеДобавлено: Ср май 21, 2025 11:19:23 
Родился
Аватар пользователя

Зарегистрирован: Ср дек 12, 2012 15:57:10
Сообщений: 14
Откуда: Украина
Рейтинг сообщения: 0
Ничего не подбирал, только на шунт, для подбора максимального тока. Спросил на форуме выверенную схему, сходу не понять читая 200 страниц, что попалось лучше для восприятия, но как всегда начинается вычитка о чтении темы, вместо тыкнуть носом в схему. Я без претензий, если что. На выходе в минимальном токе 140 миллиампер, не критично но можно было бы уменьшить, я так понял можно подбором резистора с 13-14 ножки на 16. Работает нормально, притом что tl494 куплена дешевле чем панелька для нее.

Добавлено after 9 minutes 17 seconds:
LiSer если в твоей схеме убрать защиту, куда цеплять выводы что идут на нее? Окончательная схема?


Вернуться наверх
 
 Заголовок сообщения: Re: Лабораторный БП из AT/ATX или серьёзная схема.
СообщениеДобавлено: Ср май 21, 2025 12:42:37 
Вымогатель припоя

Зарегистрирован: Пн фев 15, 2016 08:17:34
Сообщений: 502
Рейтинг сообщения: 0
Только 4ногу TL494 через 10к на корпус и через конденсатор на опорное ( как в твоей схеме). А то, что на 13+14 и над VD13 вообще исключить.
Вообще если для себя любимого делаешь, эту защиту можно и сделать. Но как настраивать ищи среди 200 страниц, где то было.

По твоей схеме от себя могу добавить. Как следует послушай (или по возможности осликом посмотри) момент перехода от стабилизации напряжения к стабилизации тока. В том числе и на малых токах. При твоей схеме в этом случае могут быть свисты (писки, шелест). При их появлении, тщательно контролировать температуру радиатора силовых ключей.

_________________
Люди как свечи - одни на торт, другие в ... ( в медицинских целях).


Вернуться наверх
 
 Заголовок сообщения: Re: Лабораторный БП из AT/ATX или серьёзная схема.
СообщениеДобавлено: Ср май 21, 2025 14:53:31 
Родился
Аватар пользователя

Зарегистрирован: Ср дек 12, 2012 15:57:10
Сообщений: 14
Откуда: Украина
Рейтинг сообщения: 0
LiSer спасибо. Если буду собирать еще что, то по твоей схеме, по феншую. Ну а по своей работает, погонял, свист немного в некоторых режимах есть, но не греется, КЗ держит. Так что схема не безнадежна.

Добавлено after 11 minutes 55 seconds:
Нюанс по дежурке, ватт 10 она сможет выдать, хватит ее для питания кулера на 140 миллиампер? У меня вроде бы хватает.


Вернуться наверх
 
 Заголовок сообщения: Re: Лабораторный БП из AT/ATX или серьёзная схема.
СообщениеДобавлено: Ср май 21, 2025 14:53:56 
Друг Кота
Аватар пользователя

Карма: 146
Рейтинг сообщений: 6067
Зарегистрирован: Чт июн 04, 2009 21:06:49
Сообщений: 36290
Откуда: г.Мариинск
Рейтинг сообщения: 0
Медали: 1
Лучший человек Форума 2017 (1)
Murawej писал(а):
Так что схема не безнадежна.
Она уже живёт очень долго, но все с ней занимаются .... пока не переделают во многих режимах свисты и писки под названием воздуд.

_________________
Тем кого не устаревает наличия ошибок в моем тексте, оставляю права не пользоваться моими советами или просто не читать мои сообщения.


Вернуться наверх
 
 Заголовок сообщения: Re: Лабораторный БП из AT/ATX или серьёзная схема.
СообщениеДобавлено: Ср май 21, 2025 14:54:38 
Вымогатель припоя

Зарегистрирован: Пн фев 15, 2016 08:17:34
Сообщений: 502
Рейтинг сообщения: 0
Схема, к сожалению, не моя!
Возбуждение схемы не всегда сопровождается нагревом.
В некоторых случаях бывает "ни с того, ни с сего ба-бах" и все.

Дежурка кулер, даже на 0,4А тянет без проблем. Если её переделывал из 5-вольтовой линии с дросселем - вентилятор подключай до дросселя.

_________________
Люди как свечи - одни на торт, другие в ... ( в медицинских целях).


Вернуться наверх
 
 Заголовок сообщения: Re: Лабораторный БП из AT/ATX или серьёзная схема.
СообщениеДобавлено: Ср май 21, 2025 16:56:31 
Родился
Аватар пользователя

Зарегистрирован: Ср дек 12, 2012 15:57:10
Сообщений: 14
Откуда: Украина
Рейтинг сообщения: 0
В дежурке брал второе напряжение, в моем блоке оно было 17 вольт, вот я на него и пересадил Tl431, на то же напряжение, которое питает транзисторы трансформатора раскачки, Tl494, и через 7812 уже кулер с амперметром.

Добавлено after 58 minutes 57 seconds:
LiSer, так?
Изображение


Вернуться наверх
 
 Заголовок сообщения: Re: Лабораторный БП из AT/ATX или серьёзная схема.
СообщениеДобавлено: Ср май 21, 2025 19:30:26 
Модератор
Аватар пользователя

Карма: 153
Рейтинг сообщений: 2942
Зарегистрирован: Сб авг 14, 2010 15:05:51
Сообщений: 19002
Откуда: г. Озерск, Челябинская обл.
Рейтинг сообщения: 0
Медали: 1
Лучший человек Форума 2017 (1)
издеваетесь над трансформатором дежурки? там тонкая обмотка, чтобы питать кулер.

_________________
Мудрость приходит вместе с импотенцией...
Когда на русском форуме переходят на Вы, в реальной жизни начинают бить морду.


Вернуться наверх
 
 Заголовок сообщения: Re: Лабораторный БП из AT/ATX или серьёзная схема.
СообщениеДобавлено: Ср май 21, 2025 19:47:42 
Друг Кота
Аватар пользователя

Карма: 146
Рейтинг сообщений: 6067
Зарегистрирован: Чт июн 04, 2009 21:06:49
Сообщений: 36290
Откуда: г.Мариинск
Рейтинг сообщения: 0
Медали: 1
Лучший человек Форума 2017 (1)
нормально питает.

_________________
Тем кого не устаревает наличия ошибок в моем тексте, оставляю права не пользоваться моими советами или просто не читать мои сообщения.


Вернуться наверх
 
 Заголовок сообщения: Re: Лабораторный БП из AT/ATX или серьёзная схема.
СообщениеДобавлено: Ср май 21, 2025 21:10:40 
Вымогатель припоя

Зарегистрирован: Пн фев 15, 2016 08:17:34
Сообщений: 502
Рейтинг сообщения: 0
LiSer, так?

Да
Опа, в этой схеме нет нагрузочного резистора дежурки. Я ставлю 360 Ом 1Вт. Это чисто уточнение.

Добавлено after 4 minutes 48 seconds:
издеваетесь над трансформатором дежурки? там тонкая обмотка, чтобы питать кулер.


ШИМ, куллер, ВАметр и ещё открывает полевик защиты переполюсовки

_________________
Люди как свечи - одни на торт, другие в ... ( в медицинских целях).


Вернуться наверх
 
 Заголовок сообщения: Re: Лабораторный БП из AT/ATX или серьёзная схема.
СообщениеДобавлено: Ср май 21, 2025 21:42:08 
Родился
Аватар пользователя

Зарегистрирован: Ср дек 12, 2012 15:57:10
Сообщений: 14
Откуда: Украина
Рейтинг сообщения: 0
У меня между 3-15 выводами тлки резистор 100 ом и конденсатор 10 нф, осциллографа нет, может их заменить на 10 ком и 0.1 мф, а то при нагрузке на лампу подсвистывает.


Вернуться наверх
 
 Заголовок сообщения: Re: Лабораторный БП из AT/ATX или серьёзная схема.
СообщениеДобавлено: Чт май 22, 2025 05:18:49 
Вымогатель припоя

Зарегистрирован: Пн фев 15, 2016 08:17:34
Сообщений: 502
Рейтинг сообщения: 0
Да, поставьте 10к и конденсатор нужно подбирать, но явно не 103. А вот 10к которые идут на переменник ТОК заменить на 4к7 - 5к6, а другие 4к7 поставить ДО разветвления на ТОК и резистор подстройки тока. Ещё желательно 4к7 - 5к6 на переменник НАПРЯЖЕНИЕ. Ещё очень желательно обратить внимание на С3 и С4 из "правильной" схемы.

_________________
Люди как свечи - одни на торт, другие в ... ( в медицинских целях).


Вернуться наверх
 
 Заголовок сообщения: Re: Лабораторный БП из AT/ATX или серьёзная схема.
СообщениеДобавлено: Чт май 22, 2025 05:46:39 
Друг Кота
Аватар пользователя

Карма: 146
Рейтинг сообщений: 6067
Зарегистрирован: Чт июн 04, 2009 21:06:49
Сообщений: 36290
Откуда: г.Мариинск
Рейтинг сообщения: 0
Медали: 1
Лучший человек Форума 2017 (1)
Murawej писал(а):
а то при нагрузке на лампу подсвистывает.
Тебе много раз говорили что схема не верная, и будут возбуды.
У тетя корректирующие цепочки не работают, так как замыкаются на массу. Поставь хотя бы резисторы, которые будут развязывать их.
А то всё говоришь что схема имеет право на жизнь.
Изображение

_________________
Тем кого не устаревает наличия ошибок в моем тексте, оставляю права не пользоваться моими советами или просто не читать мои сообщения.


Вернуться наверх
 
 Заголовок сообщения: Re: Лабораторный БП из AT/ATX или серьёзная схема.
СообщениеДобавлено: Чт май 22, 2025 09:57:46 
Родился
Аватар пользователя

Зарегистрирован: Ср дек 12, 2012 15:57:10
Сообщений: 14
Откуда: Украина
Рейтинг сообщения: 0
Понял, пересоберу обвязку по нормальной схеме. По питанию, на Tl494 идет через резистор по схеме, если его не поставить, насколько критично?


Вернуться наверх
 
 Заголовок сообщения: Re: Лабораторный БП из AT/ATX или серьёзная схема.
СообщениеДобавлено: Чт май 22, 2025 10:09:57 
Вымогатель припоя

Зарегистрирован: Пн фев 15, 2016 08:17:34
Сообщений: 502
Рейтинг сообщения: 0
Murawej, абсолютно не критично.

_________________
Люди как свечи - одни на торт, другие в ... ( в медицинских целях).


Вернуться наверх
 
Показать сообщения за:  Сортировать по:  Вернуться наверх
Начать новую тему Ответить на тему  [ Сообщений: 4791 ]     ... , , , 236, , , ,  

Часовой пояс: UTC + 3 часа


Вы не можете начинать темы
Вы не можете отвечать на сообщения
Вы не можете редактировать свои сообщения
Вы не можете удалять свои сообщения
Вы не можете добавлять вложения

Найти:
Перейти:  


Powered by phpBB © 2000, 2002, 2005, 2007 phpBB Group
Русская поддержка phpBB
Extended by Karma MOD © 2007—2012 m157y
Extended by Topic Tags MOD © 2012 m157y