Например TDA7294

Форум РадиоКот • Просмотр темы - Бесперебойник для D-Link DES-3200-26
Форум РадиоКот
Здесь можно немножко помяукать :)

Текущее время: Пт ноя 21, 2025 05:49:55

Часовой пояс: UTC + 3 часа


ПРЯМО СЕЙЧАС:



Начать новую тему Ответить на тему  [ Сообщений: 566 ]     ... , , , 26, , ,  
Автор Сообщение
Не в сети
 Заголовок сообщения: Re: Бесперебойник для D-Link DES-3200-26
СообщениеДобавлено: Сб фев 18, 2017 14:05:17 
Собутыльник Кота
Аватар пользователя

Карма: 113
Рейтинг сообщений: 1537
Зарегистрирован: Пт мар 18, 2011 14:30:20
Сообщений: 2993
Откуда: Lugansk ЛНР
Рейтинг сообщения: 0
Предполагаю что запитать LM393 и измерительные приборы от FAN наилучший вариант. При отключении сети -всё отключится.


Вернуться наверх
 
Не в сети
 Заголовок сообщения: Re: Бесперебойник для D-Link DES-3200-26
СообщениеДобавлено: Сб фев 18, 2017 14:08:16 
Друг Кота
Аватар пользователя

Карма: 175
Рейтинг сообщений: 7680
Зарегистрирован: Чт апр 04, 2013 12:46:59
Сообщений: 17234
Откуда: Тюмень
Рейтинг сообщения: 0
Резисторы пересчитывать не нужно, т.к. выход компаратора типа "открытый коллектор" - он соединяет цепи только с Gnd.

_________________
Общением на форуме подпитываю свою эгоистичную, склонную к самолюбованию сущность.


Вернуться наверх
 
Не в сети
 Заголовок сообщения: Re: Бесперебойник для D-Link DES-3200-26
СообщениеДобавлено: Сб фев 18, 2017 14:15:25 
Собутыльник Кота
Аватар пользователя

Карма: 113
Рейтинг сообщений: 1537
Зарегистрирован: Пт мар 18, 2011 14:30:20
Сообщений: 2993
Откуда: Lugansk ЛНР
Рейтинг сообщения: 0
А VD16-VD16 пустить на питание ШИМ.
Изображение


Вернуться наверх
 
Не в сети
 Заголовок сообщения: Re: Бесперебойник для D-Link DES-3200-26
СообщениеДобавлено: Сб фев 18, 2017 14:39:26 
Друг Кота
Аватар пользователя

Карма: 55
Рейтинг сообщений: 1637
Зарегистрирован: Чт июн 09, 2011 17:17:47
Сообщений: 5725
Рейтинг сообщения: 5
Slabovik писал(а):
Потому несколько ранее, я просил попробовать подобрать R2 - увеличивать его до тех пор, пока приборы при пропадании сети не начнут выключаться.
Подобрал подстроечным и установил резистор на 150к во вторую версию. Все работает, приборы отключаются при отсутствии сети и подключенном аккумуляторе. Также при отсутствии сети, приборы не включаются при подключении к аккумулятору. Ток потребления схемой 0,74 мА.

В первой версии, резистор получился 680к, ток потребления схемой 1,4 мА.

Обе версии работают. :)

Сергеj писал(а):
Предполагаю что запитать LM393 и измерительные приборы от FAN наилучший вариант
Вольтметр покупной, подключается по двум проводам и показывает напряжение на этих двух проводах. Сюда не пойдет, будет показывать напряжение вентилятора.

Slabovik
Получается, что номинал резистора между 5 ногой и землей, зависит от конкретной LM393?


Вернуться наверх
 
Эиком - электронные компоненты и радиодетали
Не в сети
 Заголовок сообщения: Re: Бесперебойник для D-Link DES-3200-26
СообщениеДобавлено: Сб фев 18, 2017 14:57:22 
Друг Кота
Аватар пользователя

Карма: 175
Рейтинг сообщений: 7680
Зарегистрирован: Чт апр 04, 2013 12:46:59
Сообщений: 17234
Откуда: Тюмень
Рейтинг сообщения: 0
Да, номинал резистора зависит от конкретного экземпляра компаратора, т.к. каждый экземпляр индивидуален по своему напряжению смещения. Даже в одном кузове у компараторов оно будет разниться. Я думаю, на схеме нужно на место резистора R2 подстроечник определить для балансировки входов. Смысл регулировки: cлишком малое сопротивление - не отключается при от отрицательном токе, большое сопротивление - начнутся релаксационные колебания при отключенной нагрузке.

Физически балансировка осуществляется за счёт падения напряжения на резисторах, подключенных к входу, происходящего от тока, вытекающего из этих входов.

_________________
Общением на форуме подпитываю свою эгоистичную, склонную к самолюбованию сущность.


Вернуться наверх
 
Не в сети
 Заголовок сообщения: Re: Бесперебойник для D-Link DES-3200-26
СообщениеДобавлено: Сб фев 18, 2017 15:02:02 
Друг Кота
Аватар пользователя

Карма: 55
Рейтинг сообщений: 1637
Зарегистрирован: Чт июн 09, 2011 17:17:47
Сообщений: 5725
Рейтинг сообщения: 0
Ну значит можно считать схемы завершенными?


Вернуться наверх
 
Не в сети
 Заголовок сообщения: Re: Бесперебойник для D-Link DES-3200-26
СообщениеДобавлено: Сб фев 18, 2017 15:02:57 
Друг Кота
Аватар пользователя

Карма: 175
Рейтинг сообщений: 7680
Зарегистрирован: Чт апр 04, 2013 12:46:59
Сообщений: 17234
Откуда: Тюмень
Рейтинг сообщения: 4
Думаю, да. Должно уже быть повторяемо.

_________________
Общением на форуме подпитываю свою эгоистичную, склонную к самолюбованию сущность.


Вернуться наверх
 
Не в сети
 Заголовок сообщения: Re: Бесперебойник для D-Link DES-3200-26
СообщениеДобавлено: Сб фев 18, 2017 15:41:05 
Друг Кота
Аватар пользователя

Карма: 55
Рейтинг сообщений: 1637
Зарегистрирован: Чт июн 09, 2011 17:17:47
Сообщений: 5725
Рейтинг сообщения: 0
Slabovik писал(а):
Но произвольную нагрузку (не более, чем на максимальный ток, даваемый зарядником) от блока, тем не менее, можно питать. Для этого всё-равно необходим аккумулятор, к которому параллельно подключается нагрузка (магнитола или ещё чего). Затем это подключается к блоку. Аккумулятор должен начать заряжаться. Если так, то можно отключить аккумулятор от блока, оставив подключенной только нагрузку - она останется "заряжаться" вместо аккумулятора..
Так и сделал, подключил автомобильную лампу на 100 ватт. Отсоединил от аккумулятора, лампа горит.
Других ламп нет, минимальный удерживаемый ток получается 4 ампера, если поставить меньше на заряднике, то лампа гаснет. При повторной попытке переподключить, не горит. Если прибавить ток, то горит.

Тут может кнопку запуска добавить, чтобы запускался от напряжения зарядника? Не аккумулятор же таскать с собой, если приспичит. :)


Вернуться наверх
 
Не в сети
 Заголовок сообщения: Re: Бесперебойник для D-Link DES-3200-26
СообщениеДобавлено: Сб фев 18, 2017 16:03:53 
Друг Кота
Аватар пользователя

Карма: 175
Рейтинг сообщений: 7680
Зарегистрирован: Чт апр 04, 2013 12:46:59
Сообщений: 17234
Откуда: Тюмень
Рейтинг сообщения: 0
Лампа отключилась, т.к. напряжение на клеммах стало ниже порогового. Так и задумано, что падение напряжение ниже некоторого уровня - признак к.з., т.к. на аккумуляторах такого не бывает.

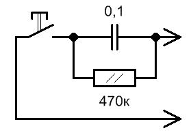
Для запуска блока с нагрузкой типа "не аккумулятор" можно поставить RC цепочку с кнопкой параллельно К-Э транзистора VT4

    Изображение


Ёмкость конденсатора точно не скажу, но что-то примерное. Чрезмерно много чревато. Мало - не успеют зарядиться ёмкости в питаемой нагрузке. В общем, подобрать работоспособный вариант по критерию: минимальная ёмкость при надёжном включении.
Резистор разряжает конденсатор для следующего нажатия кнопки. Меньше 470к нежелательно, больше можно...

Легче было бы такую цепочку подсоединить параллельно VT2, но это чревато тем, что однажды будет подключен кнопкой переполюсованный аккумулятор.

_________________
Общением на форуме подпитываю свою эгоистичную, склонную к самолюбованию сущность.


Вернуться наверх
 
Не в сети
 Заголовок сообщения: Re: Бесперебойник для D-Link DES-3200-26
СообщениеДобавлено: Сб фев 18, 2017 16:08:52 
Друг Кота
Аватар пользователя

Карма: 55
Рейтинг сообщений: 1637
Зарегистрирован: Чт июн 09, 2011 17:17:47
Сообщений: 5725
Рейтинг сообщения: 0
Slabovik писал(а):
Легче было бы такую цепочку подсоединить параллельно VT2, но это чревато тем, что однажды будет подключен кнопкой переполюсованный аккумулятор.
А если через диод, как в схеме защиты с реле?


Вернуться наверх
 
Не в сети
 Заголовок сообщения: Re: Бесперебойник для D-Link DES-3200-26
СообщениеДобавлено: Сб фев 18, 2017 16:14:15 
Друг Кота
Аватар пользователя

Карма: 175
Рейтинг сообщений: 7680
Зарегистрирован: Чт апр 04, 2013 12:46:59
Сообщений: 17234
Откуда: Тюмень
Рейтинг сообщения: 0
А там не так просто. VT2 при переполюсованном аккумуляторе наглухо заперт положительным напряжением на его базе относительно клеммы "+" (эмиттера), которое возникло от протекающего тока от клеммы "-" через R14, далее через прямосмещённый (открытый) переход Б-К VT4, R10 и R9. Но для VT3 это ничего не значит, т.к. его исток находится на полноценном отрицательном потенциале, а на стоке - сумма напряжений от переполюсованного аккумулятора и зарядного. Чем может помочь диод в данной ситуации - не соображу...

Подсоединение кнопки параллельно же VT4 при переполюсовке ничего не делает, т.к. транзистор и так представляет собой закоротку, ничем не примечательную...

Да, порог подключения-отключения напрямую зависит от делителя R13 R14. Увеличивая R13 поднимаем пороги, уменьшая - уменьшаем. В модели при данных номиналах пороги были примерно в районе 8 вольт на включение и 6 на отключение. Величина гистерезиса зависит в основном от R11.

_________________
Общением на форуме подпитываю свою эгоистичную, склонную к самолюбованию сущность.


Последний раз редактировалось Slabovik Сб фев 18, 2017 16:22:30, всего редактировалось 1 раз.

Вернуться наверх
 
Не в сети
 Заголовок сообщения: Re: Бесперебойник для D-Link DES-3200-26
СообщениеДобавлено: Сб фев 18, 2017 16:21:49 
Друг Кота
Аватар пользователя

Карма: 55
Рейтинг сообщений: 1637
Зарегистрирован: Чт июн 09, 2011 17:17:47
Сообщений: 5725
Рейтинг сообщения: 0
При проектировании печатки зарядного, добавлю кнопку по выше приведенной схеме. Думаю пригодится. :)


Вернуться наверх
 
Не в сети
 Заголовок сообщения: Re: Бесперебойник для D-Link DES-3200-26
СообщениеДобавлено: Сб фев 18, 2017 16:43:25 
Друг Кота
Аватар пользователя

Карма: 175
Рейтинг сообщений: 7680
Зарегистрирован: Чт апр 04, 2013 12:46:59
Сообщений: 17234
Откуда: Тюмень
Рейтинг сообщения: 0
Двупиновый разъёмчик для кнопки предусмотреть - самое то.

p.s. В принципе, можно и голую кнопку напрямую, но в таком случае на клеммах будет напряжение всё время, пока кнопка удерживается, независимо от того, к.з. там, или что. Если сам источник способен выдерживать такой режим без проблем, то можно так. Но обычно импульсники не очень стабильны в таком режиме, поэтому хорошо бы время ограничить. Конденсатор этим и занимается.

Да, если на выходе при этом будет получаться низкое напряжение, а кнопка без конденсатора, ключ-полевик будет недооткрыт, следовательно, будет прогреваться. Так что я однозначно за конденсатор в этой цепи.

_________________
Общением на форуме подпитываю свою эгоистичную, склонную к самолюбованию сущность.


Вернуться наверх
 
Не в сети
 Заголовок сообщения: Re: Бесперебойник для D-Link DES-3200-26
СообщениеДобавлено: Вт мар 21, 2017 20:00:31 
Потрогал лапой паяльник
Аватар пользователя

Карма: 1
Рейтинг сообщений: 89
Зарегистрирован: Пт мар 13, 2009 10:55:57
Сообщений: 329
Откуда: Калининград
Рейтинг сообщения: 0
Slabovik, скажите возможно ли, в схеме второй версии, уменьшить сопротивление шунта с 50 до 25 милиОм?
На мой взгляд, рассеивать 5Вт. на шунте многовато, тем более в пластиковом корпусе зарядки :(


Вернуться наверх
 
Не в сети
 Заголовок сообщения: Re: Бесперебойник для D-Link DES-3200-26
СообщениеДобавлено: Вт мар 21, 2017 20:17:59 
Друг Кота
Аватар пользователя

Карма: 175
Рейтинг сообщений: 7680
Зарегистрирован: Чт апр 04, 2013 12:46:59
Сообщений: 17234
Откуда: Тюмень
Рейтинг сообщения: 0
Ток ограничения, на который должен быть рассчитан данный узел, должен превышать ток ограничения зарядки. Так что уменьшить вполне можно - это пропорционально увеличит выравнивающий ток, в результате чего будет немного более мощная искра. Но сильно увлекаться уменьшением тоже не стоит. Также, при некотором стечении обстоятельств (слабый аккумулятор, подключенный тонкими проводами), узел может не защёлкнуться, и вся мощность останется на транзисторе/проводах - просто это нужно помнить, если что-то "пойдёт не так".

p.s. Что такое 5 Вт при 140, отдаваемых в нагрузку? Не очень-то и много...

_________________
Общением на форуме подпитываю свою эгоистичную, склонную к самолюбованию сущность.


Вернуться наверх
 
Не в сети
 Заголовок сообщения: Re: Бесперебойник для D-Link DES-3200-26
СообщениеДобавлено: Ср мар 22, 2017 22:06:32 
Потрогал лапой паяльник
Аватар пользователя

Карма: 1
Рейтинг сообщений: 89
Зарегистрирован: Пт мар 13, 2009 10:55:57
Сообщений: 329
Откуда: Калининград
Рейтинг сообщения: 0
Спасибо, буду заказывать константановые шунты из поднебесной...


Вернуться наверх
 
Не в сети
 Заголовок сообщения: Re: Бесперебойник для D-Link DES-3200-26
СообщениеДобавлено: Ср ноя 15, 2017 20:08:34 
Собутыльник Кота
Аватар пользователя

Карма: 113
Рейтинг сообщений: 1537
Зарегистрирован: Пт мар 18, 2011 14:30:20
Сообщений: 2993
Откуда: Lugansk ЛНР
Рейтинг сообщения: 0
Собрал защиту, но так как без АКБ не запускается, кнопку холодного пуска подключил как на схеме. На включение кнопки не реагирует, но когда пинцетом прикасаюсь к любому из контактов кнопки -запуск происходит.
Что нужно чтобы запускалось с кнопки без АКБ?
Изображение


Вернуться наверх
 
Не в сети
 Заголовок сообщения: Re: Бесперебойник для D-Link DES-3200-26
СообщениеДобавлено: Ср ноя 15, 2017 20:46:52 
Друг Кота
Аватар пользователя

Карма: 175
Рейтинг сообщений: 7680
Зарегистрирован: Чт апр 04, 2013 12:46:59
Сообщений: 17234
Откуда: Тюмень
Рейтинг сообщения: 0
По-идее, кнопкой вобще можно коротить транзистор. Конденсатор там только для предотвращения ситуации, когда есть к.з. а кнопку принудительно зажал.
Попробуй для начала закоротить этот конденсатор у кнопки, что будет...

_________________
Общением на форуме подпитываю свою эгоистичную, склонную к самолюбованию сущность.


Вернуться наверх
 
Не в сети
 Заголовок сообщения: Re: Бесперебойник для D-Link DES-3200-26
СообщениеДобавлено: Ср ноя 15, 2017 20:59:12 
Собутыльник Кота
Аватар пользователя

Карма: 113
Рейтинг сообщений: 1537
Зарегистрирован: Пт мар 18, 2011 14:30:20
Сообщений: 2993
Откуда: Lugansk ЛНР
Рейтинг сообщения: 0
Закоротил конденсатор. всё тоже самое как и было


Вернуться наверх
 
Не в сети
 Заголовок сообщения: Re: Бесперебойник для D-Link DES-3200-26
СообщениеДобавлено: Ср ноя 15, 2017 21:01:40 
Друг Кота
Аватар пользователя

Карма: 175
Рейтинг сообщений: 7680
Зарегистрирован: Чт апр 04, 2013 12:46:59
Сообщений: 17234
Откуда: Тюмень
Рейтинг сообщения: 0
Что на месте аккумулятора?

_________________
Общением на форуме подпитываю свою эгоистичную, склонную к самолюбованию сущность.


Вернуться наверх
 
Показать сообщения за:  Сортировать по:  Вернуться наверх
Начать новую тему Ответить на тему  [ Сообщений: 566 ]     ... , , , 26, , ,  

Часовой пояс: UTC + 3 часа


Кто сейчас на форуме

Сейчас этот форум просматривают: нет зарегистрированных пользователей и гости: 56


Вы не можете начинать темы
Вы не можете отвечать на сообщения
Вы не можете редактировать свои сообщения
Вы не можете удалять свои сообщения
Вы не можете добавлять вложения

Найти:
Перейти:  


Powered by phpBB © 2000, 2002, 2005, 2007 phpBB Group
Русская поддержка phpBB
Extended by Karma MOD © 2007—2012 m157y
Extended by Topic Tags MOD © 2012 m157y