Например TDA7294

Форум РадиоКот • Просмотр темы - Мелкие вопросы по питанию.
Форум РадиоКот
Здесь можно немножко помяукать :)

Текущее время: Ср фев 11, 2026 12:58:43

Часовой пояс: UTC + 3 часа


ПРЯМО СЕЙЧАС:



Начать новую тему Ответить на тему  [ Сообщений: 47971 ]     ... , , , 29, , , ...  
Автор Сообщение
Не в сети
 Заголовок сообщения:
СообщениеДобавлено: Чт мар 12, 2009 20:21:29 
Друг Кота
Аватар пользователя

Карма: 8
Рейтинг сообщений: 53
Зарегистрирован: Вс фев 08, 2009 16:13:38
Сообщений: 5728
Откуда: п.Красногорский
Рейтинг сообщения: 0
Gudd-Head писал(а):
Я имею в виду, что в зависимости от нагрузки, может быть разное напряжение.

Конечно будет зависеть, чем больше ток тем меньше напряжение.

_________________
Творчество оно для того и нужно чтобы творить!


Вернуться наверх
 
Не в сети
 Заголовок сообщения:
СообщениеДобавлено: Пт мар 13, 2009 06:43:57 
Поставщик валерьянки для Кота

Карма: 2
Рейтинг сообщений: 4
Зарегистрирован: Пн ноя 10, 2008 08:12:53
Сообщений: 2267
Откуда: РФ
Рейтинг сообщения: 0
резисторы на какое сопротивление? 1 ом пойдет?


Вернуться наверх
 
Не в сети
 Заголовок сообщения:
СообщениеДобавлено: Пт мар 13, 2009 06:52:59 
Друг Кота
Аватар пользователя

Карма: 8
Рейтинг сообщений: 53
Зарегистрирован: Вс фев 08, 2009 16:13:38
Сообщений: 5728
Откуда: п.Красногорский
Рейтинг сообщения: 0
dmr писал(а):
резисторы на какое сопротивление? 1 ом пойдет?

Нет не пойдёт. Как ты думаешь что произойдёт если на 80В подключить два резистора по 1 Ому?
Закон Ома знаем? Считаем сначала сопротивление потом мощность.

_________________
Творчество оно для того и нужно чтобы творить!


Вернуться наверх
 
Не в сети
 Заголовок сообщения:
СообщениеДобавлено: Пт мар 13, 2009 17:01:47 
Первый раз сказал Мяу!

Зарегистрирован: Вт мар 03, 2009 15:21:51
Сообщений: 38
Рейтинг сообщения: 0
кто-нибудь использовал PTS5904A ?

Что лучше отдельно оптопару и TL431? или все вместе?


Вернуться наверх
 
Эиком - электронные компоненты и радиодетали
Не в сети
 Заголовок сообщения:
СообщениеДобавлено: Пн мар 16, 2009 00:32:12 
Друг Кота
Аватар пользователя

Карма: 95
Рейтинг сообщений: 2429
Зарегистрирован: Пт май 18, 2007 22:56:58
Сообщений: 26671
Рейтинг сообщения: 0
Подскажите, нужен ли стабилизированный источник питания для микросхем К561 серии, если точно известно что оно (питание) всегда будет в допустимых пределах для этих микросхем?
Хочу подключить к сетевому трансформатору без всяких стабилизаторов, только фильтр по питанию, но не будет ли никаких "глюков" этих микросхем?


Вернуться наверх
 
Не в сети
 Заголовок сообщения:
СообщениеДобавлено: Пн мар 16, 2009 01:31:57 
Модератор
Аватар пользователя

Карма: 10
Рейтинг сообщений: 7
Зарегистрирован: Пт июл 21, 2006 03:08:05
Сообщений: 3174
Откуда: Пенза
Рейтинг сообщения: 0
Upgrader писал(а):
Подскажите, нужен ли стабилизированный источник питания для микросхем К561 серии, если точно известно что оно (питание) всегда будет в допустимых пределах для этих микросхем?

Нет, не обязательно.

_________________
Если долго мучиться, что-нибудь... сломается.


Вернуться наверх
 
Не в сети
 Заголовок сообщения:
СообщениеДобавлено: Пт мар 20, 2009 15:43:45 
Вымогатель припоя
Аватар пользователя

Зарегистрирован: Ср авг 27, 2008 10:13:19
Сообщений: 524
Откуда: Украина, Харьков
Рейтинг сообщения: 0
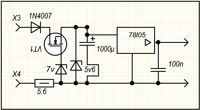
Для чего в схеме бестрансформаторного БП элементы, обведенные красным?
Можно без них? Можно вместо BUZ47 использовать IRF720 ?

Изображение
Изображение
2Паятель Спешил и забыл :oops: исправил.


Вложения:
Комментарий к файлу: Схема
.GIF [6.35 KiB]
Скачиваний: 404
Комментарий к файлу: Или такая
.GIF [20.59 KiB]
Скачиваний: 481


Последний раз редактировалось 1995kenny Пт мар 20, 2009 17:18:36, всего редактировалось 5 раз(а).
Вернуться наверх
 
Не в сети
 Заголовок сообщения:
СообщениеДобавлено: Пт мар 20, 2009 15:50:05 
Модератор
Аватар пользователя

Карма: 10
Рейтинг сообщений: 7
Зарегистрирован: Пт июл 21, 2006 03:08:05
Сообщений: 3174
Откуда: Пенза
Рейтинг сообщения: 0
А где схема? :)

_________________
Если долго мучиться, что-нибудь... сломается.


Вернуться наверх
 
Не в сети
 Заголовок сообщения:
СообщениеДобавлено: Вт мар 24, 2009 21:23:12 
Друг Кота
Аватар пользователя

Карма: 8
Рейтинг сообщений: 28
Зарегистрирован: Вс мар 22, 2009 17:31:41
Сообщений: 4077
Рейтинг сообщения: 0
Цитата:
Для чего в схеме бестрансформаторного БП элементы, обведенные красным?
Что-бы рассеивать меньшую мощность на транзисторе.
Транзистор открыт только когда напряжение близко к выходному(немного больше).
А схема "без элементов в красном" с ошибкой. Нет резистора между стоком и затвором. А если даже его поставить, то транзистор будет сильно греться.
И про стабилитрон не понятно, зачем перед интегральным стабилизатором на 5V ставить стабилитрон на 5.6V


Вернуться наверх
 
Не в сети
 Заголовок сообщения:
СообщениеДобавлено: Ср мар 25, 2009 23:09:16 
Родился

Зарегистрирован: Вс фев 15, 2009 13:42:15
Сообщений: 4
Откуда: Беларусь
Рейтинг сообщения: 0
Такой тупой вопрос: можно в схеме

Изображение

после моста перед кондюками поставить дроссель (естественно последовательно) для ограничения броска тока, и насколько это будет эффективно?


Вернуться наверх
 
Не в сети
 Заголовок сообщения:
СообщениеДобавлено: Чт мар 26, 2009 01:29:00 
Друг Кота
Аватар пользователя

Карма: 8
Рейтинг сообщений: 28
Зарегистрирован: Вс мар 22, 2009 17:31:41
Сообщений: 4077
Рейтинг сообщения: 0
l0rd писал(а):
после моста перед кондюками поставить дроссель (естественно последовательно) для ограничения броска тока, и насколько это будет эффективно?

В компьютерных блоках питания ставят варистор, который после нагрева уменьшает сопротивление.
дросель ,впрочем как и варистор, это лишние потери.

_________________
Раз reset, два reset - полyчи на диске bad !
Тpанзистоp p-n-p. Plug-n-Play ?
У кого что сбоит, тот о том и говорит.


Вернуться наверх
 
Не в сети
 Заголовок сообщения:
СообщениеДобавлено: Чт мар 26, 2009 10:04:19 
Модератор
Аватар пользователя

Карма: 68
Рейтинг сообщений: 430
Зарегистрирован: Ср ноя 26, 2008 16:34:25
Сообщений: 13490
Откуда: Тамбовская обл.
Рейтинг сообщения: 0
Медали: 1
Получил миской по аватаре (1)
В данной схеме я бы поставил реле, которое срабатывает при достижении на конденсаторах нужного напряжения (или чуть раньше). При включении питания контакты реле разомкнуты, питание на кондёры подаётся через резистор, плавно заряжая их. Когда напряжение на них достигает порога срабатывания реле - оно своими контактами шунтирует резистор, подключая кондёры напрямую.


Вернуться наверх
 
Не в сети
 Заголовок сообщения:
СообщениеДобавлено: Чт мар 26, 2009 10:06:59 
Друг Кота
Аватар пользователя

Карма: 67
Рейтинг сообщений: 1071
Зарегистрирован: Чт сен 18, 2008 12:27:21
Сообщений: 20044
Откуда: Столица Мира Санкт-Петербург
Рейтинг сообщения: 0
Медали: 1
Получил миской по аватаре (1)
ploop писал(а):
своими контактами шунтирует резистор, подключая кондёры напрямую.

Например, вот так:
http://radiokot.ru/circuit/power/supply/05/

_________________
[ Всё дело не столько в вашей глупости, сколько в моей гениальности ] [ Правильно заданный вопрос содержит в себе половину ответа ]


Вернуться наверх
 
Не в сети
 Заголовок сообщения:
СообщениеДобавлено: Пн мар 30, 2009 18:20:33 
Вымогатель припоя
Аватар пользователя

Зарегистрирован: Пт фев 13, 2009 20:58:13
Сообщений: 601
Откуда: Донецк
Рейтинг сообщения: 0
Народ, подскажите ...
Решил собрать для домашне-лабораторных нужд блок питания. Основное применение - питание микроконтроллеров (проверка-отладка) и прочего. Питание 0-30 В. Амперность до 3-х Ампер.
Глаза упали на ДАННУЮ схемку. Есть регулятор напряжения и ограничитель тока. Лично мне она нравится.
Но дело в том, что я не сильно в них разбираюсь, вплане "хороший" ли это БП или нет?
Видел много замечаний на счёт отсутствия в БП защиты от КЗ. Подскажите, как обстоит дело с этим БП?

Написано в статье что: "Complete protection of the supplied device against over loads and malfunction" - тоб-то полная защита от перегрузки и аварийного режима - это оно?)

Если есть лучшие "не сложные" схемы БП с регуляторами напряжения и амперности - подскажите, пожалуйста.

ЗЫ. данная тема где-тол обсуждалась на форуме, не могу найти где ...

_________________
Только те, кто предпринимают абсурдные попытки, смогут достичь невозможного.


Вернуться наверх
 
Не в сети
 Заголовок сообщения:
СообщениеДобавлено: Пн мар 30, 2009 18:38:59 
Друг Кота
Аватар пользователя

Карма: 67
Рейтинг сообщений: 1071
Зарегистрирован: Чт сен 18, 2008 12:27:21
Сообщений: 20044
Откуда: Столица Мира Санкт-Петербург
Рейтинг сообщения: 0
Медали: 1
Получил миской по аватаре (1)
DataLife писал(а):
Основное применение - питание микроконтроллеров (проверка-отладка) и прочего. Питание 0-30 В. Амперность до 3-х Ампер.

Странно, с одной стороны "питание микроконтроллеров", а с другой "0-30 В". Схема может и ничего, но три операционника и куча рассыпухи... М.б. вам хватит LM317 + 7812 + 7805, умощненные транзисторами (если есть подходящий транс)? Схема была где-то тут.

_________________
[ Всё дело не столько в вашей глупости, сколько в моей гениальности ] [ Правильно заданный вопрос содержит в себе половину ответа ]


Вернуться наверх
 
Не в сети
 Заголовок сообщения:
СообщениеДобавлено: Пн мар 30, 2009 18:43:29 
Модератор
Аватар пользователя

Карма: 14
Рейтинг сообщений: 37
Зарегистрирован: Чт дек 11, 2008 14:52:26
Сообщений: 11492
Откуда: град Нижний
Рейтинг сообщения: 0
Мяу всем..
Gudd-Head - приветствую..
Контроллеры разные бывают.. и не только в виде микросхем, а ещё и в виде плат..
Промышленные с удовольствием "кушают-питаются" от 24 вольт..
И хорошо так кушают.. несколько ампер..


Вернуться наверх
 
Не в сети
 Заголовок сообщения:
СообщениеДобавлено: Пн мар 30, 2009 18:47:54 
Друг Кота
Аватар пользователя

Карма: 67
Рейтинг сообщений: 1071
Зарегистрирован: Чт сен 18, 2008 12:27:21
Сообщений: 20044
Откуда: Столица Мира Санкт-Петербург
Рейтинг сообщения: 0
Медали: 1
Получил миской по аватаре (1)
Ну тогда еще прикошачить 7824 с общей землей =)

_________________
[ Всё дело не столько в вашей глупости, сколько в моей гениальности ] [ Правильно заданный вопрос содержит в себе половину ответа ]


Вернуться наверх
 
Не в сети
 Заголовок сообщения:
СообщениеДобавлено: Пн мар 30, 2009 19:16:52 
Вымогатель припоя
Аватар пользователя

Зарегистрирован: Пт фев 13, 2009 20:58:13
Сообщений: 601
Откуда: Донецк
Рейтинг сообщения: 0
Gudd-Head писал(а):
Странно, с одной стороны "питание микроконтроллеров", а с другой "0-30 В".

Ну я начинающий и уже втянувшийся радиолюбитель и мало ли что ещё в голову прийдёт собрать. А тут раз и нужное напряжение под боком ...
Собрать на 2-3 трёх кренках - что-то не оч хочется ...
Рассыпуха не пугает... Хоть и не радует.
Главное - чтобы хорошо работал - остальное скроет корпус.
Значит тут с защитой от КЗ нормально всё? Можно собирать и спать спокойно?)

_________________
Только те, кто предпринимают абсурдные попытки, смогут достичь невозможного.


Вернуться наверх
 
Не в сети
 Заголовок сообщения:
СообщениеДобавлено: Пн мар 30, 2009 19:21:55 
Друг Кота
Аватар пользователя

Карма: 67
Рейтинг сообщений: 1071
Зарегистрирован: Чт сен 18, 2008 12:27:21
Сообщений: 20044
Откуда: Столица Мира Санкт-Петербург
Рейтинг сообщения: 0
Медали: 1
Получил миской по аватаре (1)
DataLife писал(а):
Ну я начинающий и уже втянувшийся радиолюбитель...
Значит тут с защитой от КЗ нормально всё? Можно собирать и спать спокойно?)

Читали Хоровиц и Хилл "Искусство схемотехники"??? В КРЕНках встроенная защита по току, защита проходному транзитору организуется с помощью еще одного... да, транзистора! Я собрал и радуюсь. Минимум деталей =)

_________________
[ Всё дело не столько в вашей глупости, сколько в моей гениальности ] [ Правильно заданный вопрос содержит в себе половину ответа ]


Вернуться наверх
 
Не в сети
 Заголовок сообщения:
СообщениеДобавлено: Пн мар 30, 2009 19:31:37 
Вымогатель припоя
Аватар пользователя

Зарегистрирован: Пт фев 13, 2009 20:58:13
Сообщений: 601
Откуда: Донецк
Рейтинг сообщения: 0
Всё хорошо, конечно, но а вдруг нужно не "креночное" напряжение? К примеру 10 вольт? Играться с резисторами - хорошо, когда знаешь, что ток там не прыгает, а вот если имеет место случай с бегущими огнями? =)
Вот тут то и выигрывает, на мой взгляд такой БП ...
Могу ошибаться, поправьте :)

Наверно я всё же остановлюсь на таком варианте. Плюс хочу туда запихнуть дисплей вольт-ампер метр :)

_________________
Только те, кто предпринимают абсурдные попытки, смогут достичь невозможного.


Вернуться наверх
 
Показать сообщения за:  Сортировать по:  Вернуться наверх
Начать новую тему Ответить на тему  [ Сообщений: 47971 ]     ... , , , 29, , , ...  

Часовой пояс: UTC + 3 часа


Кто сейчас на форуме

Сейчас этот форум просматривают: sancio, sashio и гости: 62


Вы не можете начинать темы
Вы не можете отвечать на сообщения
Вы не можете редактировать свои сообщения
Вы не можете удалять свои сообщения
Вы не можете добавлять вложения

Найти:
Перейти:  


Powered by phpBB © 2000, 2002, 2005, 2007 phpBB Group
Русская поддержка phpBB
Extended by Karma MOD © 2007—2012 m157y
Extended by Topic Tags MOD © 2012 m157y