Например TDA7294

Форум РадиоКот • Просмотр темы - Силовой блок 30А для зарядного устройства
Форум РадиоКот
Здесь можно немножко помяукать :)

Текущее время: Ср янв 07, 2026 15:07:51

Часовой пояс: UTC + 3 часа


ПРЯМО СЕЙЧАС:



Начать новую тему Ответить на тему  [ Сообщений: 515 ]    , , , , 5, , , ...  
Автор Сообщение
Не в сети
 Заголовок сообщения: Re: Силовой блок 30А для зарядного устройства
СообщениеДобавлено: Вт фев 14, 2012 23:38:46 
Поставщик валерьянки для Кота

Карма: 4
Рейтинг сообщений: 210
Зарегистрирован: Сб май 07, 2011 17:52:59
Сообщений: 2466
Рейтинг сообщения: 0
Слон чего-то затаился... молчит как рыбя облёд... мы тут беспокоимся, походу, больше, чем топикстартёр :roll:

_________________
душа человеческая темна и с легкостью обращается ко злу


Вернуться наверх
 
Не в сети
 Заголовок сообщения: Re: Силовой блок 30А для зарядного устройства
СообщениеДобавлено: Ср фев 15, 2012 00:29:33 
Модератор
Аватар пользователя

Карма: 153
Рейтинг сообщений: 2927
Зарегистрирован: Сб авг 14, 2010 15:05:51
Сообщений: 18899
Откуда: г. Озерск, Челябинская обл.
Рейтинг сообщения: 0
Медали: 1
Лучший человек Форума 2017 (1)
а вы не беспокойтесь, и сами не бейтесь, как рыба об лёд...
все, о чем вы тут распинались на 4-х страницах, я ему рассказал в личном общении, когда еще не было ни одного ответа в теме.
видимо, воплощает советы в железо, потому и молчит...

_________________
Мудрость приходит вместе с импотенцией...
Когда на русском форуме переходят на Вы, в реальной жизни начинают бить морду.


Вернуться наверх
 
Не в сети
 Заголовок сообщения: Re: Силовой блок 30А для зарядного устройства
СообщениеДобавлено: Ср фев 15, 2012 10:12:02 
Мучитель микросхем

Карма: 8
Рейтинг сообщений: 21
Зарегистрирован: Ср янв 06, 2010 20:57:49
Сообщений: 451
Рейтинг сообщения: 0
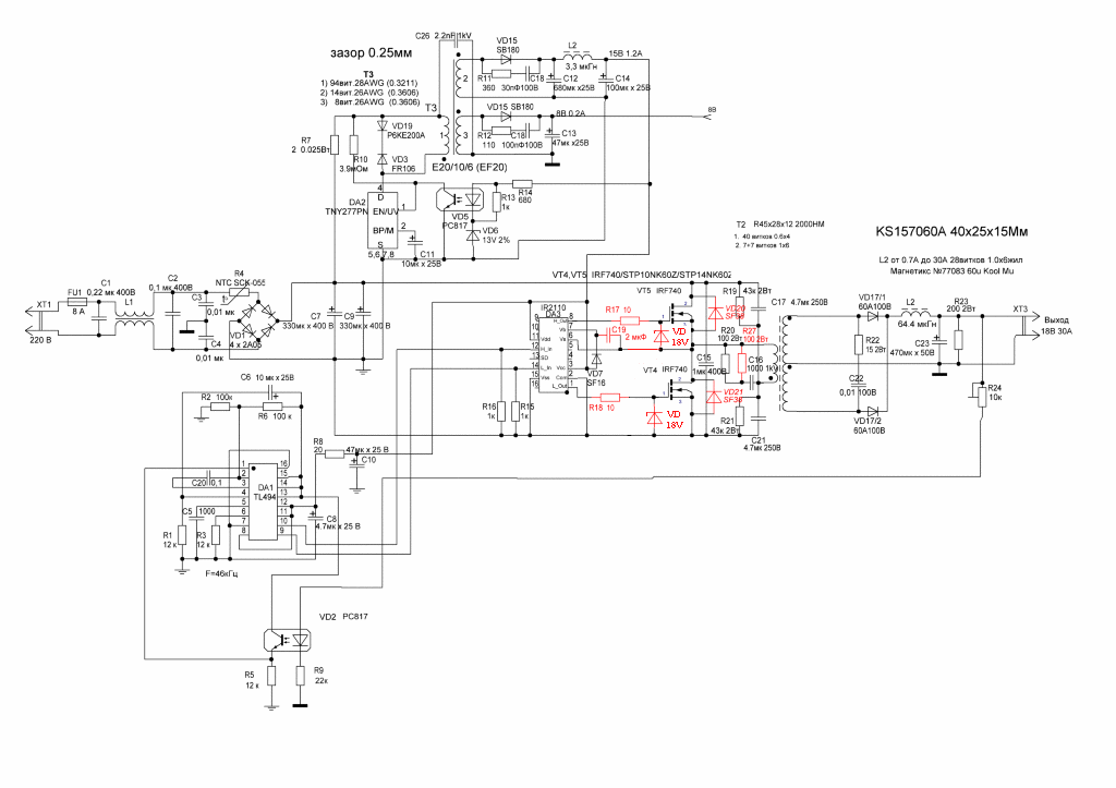
Прошу прощения за длительное молчание, Старичок прав: воплощаю в железе, едва успевая бегать в магазин за новыми транзисторами :))
Вчера опять была неудача. Поставил параллельно тразнисторам суперфасты SF56 (других не было). В затвор-исток стабилитроны не ставил, так как стояли транзисторы STP10NK60Z, у которых он внутри. Емкость С19 тоже оставил пока прежней, потому что при попытке ее увеличить до 1,5 мкф у транзистры тоже взрывались,даже на токе 18А. Новый трансформатор по совету старичка уже намотал, но пока решил провести пару экспериментов со старым.
В общем, схема пока такая:
Изображение
Нагрузил током 18А, больше не рискнул. Осциллограммы такие же как и были раньше, паразитные колебания ("звон") никуда не исчезли :?
Решил "поиграться" со снабберной цепочкой С16 R20R27. При сопротивлении резистора 75 Ом и емкости конденсатора 3200 пФ получилась
вот такая картинка (сигнал на 6 ноге драйвера, осциллограф с закрытым входом):
Изображение
Больше ничего замерить не успел, стрельнул верхний транзистор-пробило затвор-сток, сгорел резистор R17.
Все остальное вроде бы целое.
Вроде бы "звон" пропал, но почему же опять взрыв? И довольно странно (лично для меня) что пробивается именно затвор-сток :?


Вложения:
Схема_силовик_30А_3.rar [19.44 KiB]
Скачиваний: 294

_________________
Опыт- сын ошибок трудных....
Вернуться наверх
 
Не в сети
 Заголовок сообщения: Re: Силовой блок 30А для зарядного устройства
СообщениеДобавлено: Ср фев 15, 2012 10:45:39 
Друг Кота
Аватар пользователя

Карма: 146
Рейтинг сообщений: 6065
Зарегистрирован: Чт июн 04, 2009 21:06:49
Сообщений: 36292
Откуда: г.Мариинск
Рейтинг сообщения: 0
Медали: 1
Лучший человек Форума 2017 (1)
Убери R28 или уменьши до 1 -2 ом, если боишься схлопования драйвера.

_________________
Тем кого не устаревает наличия ошибок в моем тексте, оставляю права не пользоваться моими советами или просто не читать мои сообщения.


Вернуться наверх
 
Эиком - электронные компоненты и радиодетали
Не в сети
 Заголовок сообщения: Re: Силовой блок 30А для зарядного устройства
СообщениеДобавлено: Ср фев 15, 2012 13:37:02 
Мучитель микросхем
Аватар пользователя

Карма: 6
Рейтинг сообщений: 46
Зарегистрирован: Ср май 12, 2010 13:24:58
Сообщений: 498
Рейтинг сообщения: 0
Слон писал(а):
Вчера опять была неудача. Поставил параллельно тразнисторам суперфасты SF56 (других не было). В затвор-исток стабилитроны не ставил, так как стояли транзисторы STP10NK60Z, у которых он внутри.

Из личного опыта могу сказать, что тр-ры STP10N60Z дерьмо, 740 ток держат лучше.Стабилитроны я бы поставил и еще, как и писал ранее поставил бы паралельно затвор-исток резисторы на 1-10кОм, а не 1мОм.Еще улучшить картинку может, уменьшение резисторов R15,R16 до 300-470 Ом.


Вернуться наверх
 
Не в сети
 Заголовок сообщения: Re: Силовой блок 30А для зарядного устройства
СообщениеДобавлено: Ср фев 15, 2012 13:49:34 
Мучитель микросхем

Карма: 8
Рейтинг сообщений: 21
Зарегистрирован: Ср янв 06, 2010 20:57:49
Сообщений: 451
Рейтинг сообщения: 0
А про форму сигнала на 6 ноге что-нибудь можно сказать?
Нормально или нет?

_________________
Опыт- сын ошибок трудных....


Вернуться наверх
 
Не в сети
 Заголовок сообщения: Re: Силовой блок 30А для зарядного устройства
СообщениеДобавлено: Ср фев 15, 2012 13:56:10 
Друг Кота
Аватар пользователя

Карма: 46
Рейтинг сообщений: 590
Зарегистрирован: Вт май 19, 2009 09:27:30
Сообщений: 3258
Откуда: Украина
Рейтинг сообщения: 0
Телекот, +1


Вернуться наверх
 
Не в сети
 Заголовок сообщения: Re: Силовой блок 30А для зарядного устройства
СообщениеДобавлено: Ср фев 15, 2012 15:08:31 
Мучитель микросхем

Карма: 8
Рейтинг сообщений: 21
Зарегистрирован: Ср янв 06, 2010 20:57:49
Сообщений: 451
Рейтинг сообщения: 0
Телекот писал(а):
Убери R28 или уменьши до 1 -2 ом, если боишься схлопования драйвера.

И что будет?
Уменьшится длительность выброса?

_________________
Опыт- сын ошибок трудных....


Вернуться наверх
 
Не в сети
 Заголовок сообщения: Re: Силовой блок 30А для зарядного устройства
СообщениеДобавлено: Ср фев 15, 2012 15:15:43 
Друг Кота
Аватар пользователя

Карма: 46
Рейтинг сообщений: 590
Зарегистрирован: Вт май 19, 2009 09:27:30
Сообщений: 3258
Откуда: Украина
Рейтинг сообщения: 0
Слон, ну вот же схема Изображение


Вернуться наверх
 
Не в сети
 Заголовок сообщения: Re: Силовой блок 30А для зарядного устройства
СообщениеДобавлено: Ср фев 15, 2012 17:14:51 
Вымогатель припоя

Карма: 2
Рейтинг сообщений: 13
Зарегистрирован: Ср окт 05, 2011 18:40:18
Сообщений: 563
Рейтинг сообщения: 0
Форма сигнала на 6 ноге странная. Скажите , куда вы при измерениях цепляете землю щупа ?Надо на минус питания рядом с истоком нижнего полевика.
Ключи могут вылетать не только из-за недостатков схемы ,гораздо чаще из-за неправильной разводки печатной платы ,особенно силовой части .На вашей печати удалось разглядеть - исток нижнего полевика и СОМ драйвера разнесены на пол- платы , и между стоят электролит и конденсаторы делителя.В идеале должно быть так : электролит - исток нижнего - СОМ драйвера, иными словами чтобы между истоком и СОМ не протекали силовые токи. Это справедливо и для верхнего ключа , Vs (это какбы СОМ для верхнего драйвера) должен соединяться с истоком верхнего полевика ,потом на транс и сток нижнего.
И еще - транс и дроссель очень близко в одной плоскости и даже вроде касаются .


Вернуться наверх
 
Не в сети
 Заголовок сообщения: Re: Силовой блок 30А для зарядного устройства
СообщениеДобавлено: Ср фев 15, 2012 17:57:03 
Мучитель микросхем

Карма: 8
Рейтинг сообщений: 21
Зарегистрирован: Ср янв 06, 2010 20:57:49
Сообщений: 451
Рейтинг сообщения: 0
zato4nik писал(а):
Форма сигнала на 6 ноге странная. Скажите , куда вы при измерениях цепляете землю щупа ?Надо на минус питания рядом с истоком нижнего полевика.

Так и есть, на минус питания рядом с полевиком. Просто у меня щуп с делителем 1:10 и вся картинка не умещается на "экране" осциллографа.
Осциллограф был включен с закрытым входом, то есть отсекается постоянная составляющая.

_________________
Опыт- сын ошибок трудных....


Вернуться наверх
 
Не в сети
 Заголовок сообщения: Re: Силовой блок 30А для зарядного устройства
СообщениеДобавлено: Ср фев 15, 2012 18:37:20 
Вымогатель припоя

Карма: 2
Рейтинг сообщений: 13
Зарегистрирован: Ср окт 05, 2011 18:40:18
Сообщений: 563
Рейтинг сообщения: 0
Форма напряжения в средней точке ключей должна быть примерно такая как на рисунке.
Вложение:
форма напряжения.JPG [16 KiB]
Скачиваний: 551


Вернуться наверх
 
Не в сети
 Заголовок сообщения: Re: Силовой блок 30А для зарядного устройства
СообщениеДобавлено: Ср фев 15, 2012 19:07:27 
Друг Кота
Аватар пользователя

Карма: 146
Рейтинг сообщений: 6065
Зарегистрирован: Чт июн 04, 2009 21:06:49
Сообщений: 36292
Откуда: г.Мариинск
Рейтинг сообщения: 0
Медали: 1
Лучший человек Форума 2017 (1)
Осциллограмма такая как будто трансформатор не правильно намотан, типа расчёт без стабилизации, или выходные обмотки не верно включены.

_________________
Тем кого не устаревает наличия ошибок в моем тексте, оставляю права не пользоваться моими советами или просто не читать мои сообщения.


Вернуться наверх
 
Не в сети
 Заголовок сообщения: Re: Силовой блок 30А для зарядного устройства
СообщениеДобавлено: Ср фев 15, 2012 19:59:29 
Модератор
Аватар пользователя

Карма: 153
Рейтинг сообщений: 2927
Зарегистрирован: Сб авг 14, 2010 15:05:51
Сообщений: 18899
Откуда: г. Озерск, Челябинская обл.
Рейтинг сообщения: 0
Медали: 1
Лучший человек Форума 2017 (1)
да, нормально там, все правильно.
есть полка во время паузы. только эта полка сильно большая - не правильно рассчитан транс под стабилизацию.
и есть выбросы от индуктивности рассеяния.
в компьютерном БП точно такая же длинная полка во время паузы, но компьютерный БП сознательно так рассчитан.

_________________
Мудрость приходит вместе с импотенцией...
Когда на русском форуме переходят на Вы, в реальной жизни начинают бить морду.


Вернуться наверх
 
Не в сети
 Заголовок сообщения: Re: Силовой блок 30А для зарядного устройства
СообщениеДобавлено: Ср фев 15, 2012 20:22:32 
Вымогатель припоя

Карма: 2
Рейтинг сообщений: 13
Зарегистрирован: Ср окт 05, 2011 18:40:18
Сообщений: 563
Рейтинг сообщения: 0
Тогда хорошо-бы картинку с разорванной петлей ОС , можно при пониженном питании.


Вернуться наверх
 
Не в сети
 Заголовок сообщения: Re: Силовой блок 30А для зарядного устройства
СообщениеДобавлено: Ср фев 15, 2012 20:22:57 
Это не хвост, это антенна
Аватар пользователя

Зарегистрирован: Ср июн 09, 2010 16:44:54
Сообщений: 1335
Откуда: Пермь
Рейтинг сообщения: 0
Моё ИМХО:
Всё это ловля блох, ИМХО всё дело в трансе.
Тут я согласен со Старичком ...

А так-же мне кажется габ. мощность сердечника на уровне 250-300 Вт, а намотан/расчитан как 550 Ваттный.

_________________
Фото постройки прототипов


Вернуться наверх
 
Не в сети
 Заголовок сообщения: Re: Силовой блок 30А для зарядного устройства
СообщениеДобавлено: Ср фев 15, 2012 20:29:12 
Друг Кота
Аватар пользователя

Карма: 146
Рейтинг сообщений: 6065
Зарегистрирован: Чт июн 04, 2009 21:06:49
Сообщений: 36292
Откуда: г.Мариинск
Рейтинг сообщения: 0
Медали: 1
Лучший человек Форума 2017 (1)
Если стрелочка Z это ноль, то почему не симметрично, при закрытом входе должно точно по полочкам идти.
Или ошибки измерения.

_________________
Тем кого не устаревает наличия ошибок в моем тексте, оставляю права не пользоваться моими советами или просто не читать мои сообщения.


Вернуться наверх
 
Не в сети
 Заголовок сообщения: Re: Силовой блок 30А для зарядного устройства
СообщениеДобавлено: Ср фев 15, 2012 21:15:14 
Поставщик валерьянки для Кота

Карма: 4
Рейтинг сообщений: 210
Зарегистрирован: Сб май 07, 2011 17:52:59
Сообщений: 2466
Рейтинг сообщения: 0
Starichok51 писал(а):
а вы не беспокойтесь, и сами не бейтесь, как рыба об лёд...
все, о чем вы тут распинались на 4-х страницах, я ему рассказал в личном общении, когда еще не было ни одного ответа в теме.
видимо, воплощает советы в железо, потому и молчит...
так мы ж не телепаты... Сказали б: ребята, спокуха, беру весь огонь на себя! мы и молчали б скромно в сторонке в тряпочку. Кста, это не Вы Слона надоумили шунтировать переходы зи резисторами 1М? А тут на четырёх страницах весь форум ему орет: УМЕНЬШИ ТЫ ИХ НА 3 ПОРЯДКА, хотя бы!!! А то замучаешься в маг бегать за новыми!

_________________
душа человеческая темна и с легкостью обращается ко злу


Вернуться наверх
 
Не в сети
 Заголовок сообщения: Re: Силовой блок 30А для зарядного устройства
СообщениеДобавлено: Ср фев 15, 2012 21:24:07 
Поставщик валерьянки для Кота

Карма: 4
Рейтинг сообщений: 210
Зарегистрирован: Сб май 07, 2011 17:52:59
Сообщений: 2466
Рейтинг сообщения: 0
zato4nik писал(а):
Форма напряжения в средней точке ключей должна быть примерно такая как на рисунке.
Вложение:
форма напряжения.JPG
звон действительно пропал. И следа нет... Отрицательный шип при закрытии верхнего ключа и положительный - при закрытии нижнего - это э.д.с. самоиндукции дросселя L2, трансформирующаяся со вторичной в первичную обмотку. Если б там стоял кондёр или обратный диод, то этих шипов бы не было.

_________________
душа человеческая темна и с легкостью обращается ко злу


Вернуться наверх
 
Не в сети
 Заголовок сообщения: Re: Силовой блок 30А для зарядного устройства
СообщениеДобавлено: Ср фев 15, 2012 21:31:29 
Мучитель микросхем

Карма: 8
Рейтинг сообщений: 21
Зарегистрирован: Ср янв 06, 2010 20:57:49
Сообщений: 451
Рейтинг сообщения: 0
Для сравнения.
Вот осциллограмма с той же точки, с компьютерного БП:
Изображение
Ток нагрузки 3,5А
Измерял таккже щупом 1:10 с закрытым входом.
Резисторы 1 МОм в затвор ставить-моя идея, признаюсь, :)
Поставил их, когда после очередного взрыва незаметно перегорел резистор R17,
а без этого резистора транзисторы взрываются даже на холостом ходу,
даже с включенной зщитной лампой (вместо сетевого предохранителя).
Но тут предлагали и вариант схемы, в которой их вообще нет,
тогда неужели их наличие так сильно влияет на переходные процессы?

_________________
Опыт- сын ошибок трудных....


Последний раз редактировалось Слон Ср фев 15, 2012 21:39:24, всего редактировалось 1 раз.

Вернуться наверх
 
Показать сообщения за:  Сортировать по:  Вернуться наверх
Начать новую тему Ответить на тему  [ Сообщений: 515 ]    , , , , 5, , , ...  

Часовой пояс: UTC + 3 часа


Кто сейчас на форуме

Сейчас этот форум просматривают: нет зарегистрированных пользователей и гости: 86


Вы не можете начинать темы
Вы не можете отвечать на сообщения
Вы не можете редактировать свои сообщения
Вы не можете удалять свои сообщения
Вы не можете добавлять вложения

Найти:
Перейти:  


Powered by phpBB © 2000, 2002, 2005, 2007 phpBB Group
Русская поддержка phpBB
Extended by Karma MOD © 2007—2012 m157y
Extended by Topic Tags MOD © 2012 m157y