Например TDA7294

Форум РадиоКот • Просмотр темы - Мелкие вопросы по питанию.
Форум РадиоКот
Здесь можно немножко помяукать :)

Текущее время: Сб янв 31, 2026 00:38:58

Часовой пояс: UTC + 3 часа


ПРЯМО СЕЙЧАС:



Начать новую тему Ответить на тему  [ Сообщений: 47941 ]     ... , , , 419, , , ...  
Автор Сообщение
Не в сети
 Заголовок сообщения: Re: Мелкие вопросы по питанию.
СообщениеДобавлено: Ср окт 10, 2012 23:57:29 
Друг Кота
Аватар пользователя

Карма: 45
Рейтинг сообщений: 623
Зарегистрирован: Вс ноя 14, 2010 19:24:26
Сообщений: 8007
Откуда: Лукалэнд
Рейтинг сообщения: 0
Советую точнее изучить выпускаемые диоды Шоттки. Будете ошеломлены :)))


Вернуться наверх
 
Не в сети
 Заголовок сообщения: Re: Мелкие вопросы по питанию.
СообщениеДобавлено: Чт окт 11, 2012 00:43:53 
Встал на лапы
Аватар пользователя

Зарегистрирован: Сб май 09, 2009 23:48:39
Сообщений: 113
Откуда: spb
Рейтинг сообщения: 0
нужна помощь.
хочу купить дорогую звуковую карту на pci-e 1x, вставить её в 16x, говорят что совместимо.
интересует вот что...
опять же "говорят", что на новых материнских платах используется многофазовая система питания,
что неадекватно влияет на pci-e аудиокарту, в свою очередь я собрался в 2013 купить m-itx формата мат. плату, которая на борту имеет только pci-e, поэтому я не могу себе позволить обычный pci.
вот возможно ли изготовить переходник, питание от которого будет уходить не в pci-e, а допустим в бп компа, или лучше в отдельный трансформаторный бп??,
зачем в pci-e 1x присутствуют несколько +5 вольт, и можно ли их объеденить на один стабилизатор???? тоже и про +3.3V (и землю)
и нужно ли?
это мне крайне важно знать...


Вернуться наверх
 
Не в сети
 Заголовок сообщения: Re: Мелкие вопросы по питанию.
СообщениеДобавлено: Чт окт 11, 2012 03:07:21 
Поставщик валерьянки для Кота
Аватар пользователя

Карма: -20
Рейтинг сообщений: 67
Зарегистрирован: Пн ноя 01, 2010 12:19:31
Сообщений: 2253
Откуда: Серпухов
Рейтинг сообщения: 0
hybroid писал(а):
Советую точнее изучитьи. Будете ошеломлены :)))

Зачем на одни грабли наступать, оступался, вот и на ультра-быстрые скатился, мало заяв. так и работать при приличных токах надо :)

_________________
Вот блин, опять в галерее картину малевича вверх ногами повесили.


Вернуться наверх
 
Не в сети
 Заголовок сообщения: Re: Мелкие вопросы по питанию.
СообщениеДобавлено: Чт окт 11, 2012 04:31:35 
Поставщик валерьянки для Кота
Аватар пользователя

Карма: 6
Рейтинг сообщений: 27
Зарегистрирован: Пн май 02, 2011 20:52:47
Сообщений: 1910
Откуда: НИИ Агропром
Рейтинг сообщения: 0
musicman писал(а):
новых материнских платах используется многофазовая система питания

Это позвольте как ? может много канальная , всётки поостоянка


Вернуться наверх
 
Эиком - электронные компоненты и радиодетали
Не в сети
 Заголовок сообщения: Re: Мелкие вопросы по питанию.
СообщениеДобавлено: Чт окт 11, 2012 06:37:52 
Модератор
Аватар пользователя

Карма: 153
Рейтинг сообщений: 2927
Зарегистрирован: Сб авг 14, 2010 15:05:51
Сообщений: 18935
Откуда: г. Озерск, Челябинская обл.
Рейтинг сообщения: 0
Медали: 1
Лучший человек Форума 2017 (1)
именно многофазная. импульсы в каждой фазе смещены между собой.

_________________
Мудрость приходит вместе с импотенцией...
Когда на русском форуме переходят на Вы, в реальной жизни начинают бить морду.


Вернуться наверх
 
Не в сети
 Заголовок сообщения: Re: Мелкие вопросы по питанию.
СообщениеДобавлено: Чт окт 11, 2012 06:52:46 
Поставщик валерьянки для Кота
Аватар пользователя

Карма: 6
Рейтинг сообщений: 27
Зарегистрирован: Пн май 02, 2011 20:52:47
Сообщений: 1910
Откуда: НИИ Агропром
Рейтинг сообщения: 0
чёт не въезжаю , мона подробней :(


Вернуться наверх
 
Не в сети
 Заголовок сообщения: Re: Мелкие вопросы по питанию.
СообщениеДобавлено: Чт окт 11, 2012 08:32:56 
Друг Кота
Аватар пользователя

Карма: 146
Рейтинг сообщений: 6068
Зарегистрирован: Чт июн 04, 2009 21:06:49
Сообщений: 36293
Откуда: г.Мариинск
Рейтинг сообщения: 0
Медали: 1
Лучший человек Форума 2017 (1)
На материнских платах используется свой преобразователь напряжения для питания процессора. Так вот для уменьшения нагрузки на конденсаторы и диоды и уменьшения пульсаций применяются многофазные преобразователи. Это несколько преобразователей которые работают на общею нагрузку, но со смещением во времени.
В результате импульсы потребления и выходные импульсы распределены, что способствует уменьшению пульсаций.

_________________
Тем кого не устаревает наличия ошибок в моем тексте, оставляю права не пользоваться моими советами или просто не читать мои сообщения.


Вернуться наверх
 
Не в сети
 Заголовок сообщения: Re: Мелкие вопросы по питанию.
СообщениеДобавлено: Чт окт 11, 2012 08:41:17 
Поставщик валерьянки для Кота
Аватар пользователя

Карма: 6
Рейтинг сообщений: 27
Зарегистрирован: Пн май 02, 2011 20:52:47
Сообщений: 1910
Откуда: НИИ Агропром
Рейтинг сообщения: 0
теперь понял , думал это о бп реч


Вернуться наверх
 
Не в сети
 Заголовок сообщения: Re: Мелкие вопросы по питанию.
СообщениеДобавлено: Пт окт 12, 2012 00:16:29 
Родился

Зарегистрирован: Сб май 14, 2011 09:32:33
Сообщений: 15
Откуда: Казань
Рейтинг сообщения: 0
Нужен совет.
Есть 2 платы. На одной расположен микроконтроллер с обвязкой, а другая - плата индикации (7-сегментный индикатор и светодиоды). Каждая плата питается от разных блоков питания: 5В и 9В.
Собственно вопрос: нужно ли объединять земли обоих плат? Схема прилагается.


Вложения:
Принциальная электрическая схема.png [72.33 KiB]
Скачиваний: 358
Вернуться наверх
 
Не в сети
 Заголовок сообщения: Re: Мелкие вопросы по питанию.
СообщениеДобавлено: Пт окт 12, 2012 01:07:45 
Друг Кота
Аватар пользователя

Карма: 93
Рейтинг сообщений: 2157
Зарегистрирован: Сб май 05, 2012 20:19:55
Сообщений: 4956
Откуда: Минск
Рейтинг сообщения: 0
Конечно нужно, иначе ничего не заработает :)

_________________
Прибор, защищённый предохранителем, сгорает первым, защитив предохранитель. Закон Мерфи.


Вернуться наверх
 
Не в сети
 Заголовок сообщения: Re: Мелкие вопросы по аналоговой технике.
СообщениеДобавлено: Пт окт 12, 2012 17:35:07 
Прорезались зубы
Аватар пользователя

Зарегистрирован: Чт авг 02, 2012 19:59:40
Сообщений: 211
Рейтинг сообщения: 0
Необходимо привести 12В DC к 12В AC при токе в 250A. Честно говоря от такой задачи встал в ступор, так как никогда не приходилось касаться таких мощностей. Как и чем это делается? (Есть догадка о том, что никак, только разбив на более малые токи...)


Сюда перенес.

aen


Вернуться наверх
 
Не в сети
 Заголовок сообщения: Re: Мелкие вопросы по аналоговой технике.
СообщениеДобавлено: Пт окт 12, 2012 17:39:09 
Друг Кота

Карма: 27
Рейтинг сообщений: 206
Зарегистрирован: Чт ноя 26, 2009 11:16:50
Сообщений: 6015
Откуда: Москва
Рейтинг сообщения: 0
Это, скорее, в тему Питание. А что это за устройство?


Вернуться наверх
 
Не в сети
 Заголовок сообщения: Re: Мелкие вопросы по аналоговой технике.
СообщениеДобавлено: Пт окт 12, 2012 17:56:40 
Прорезались зубы
Аватар пользователя

Зарегистрирован: Чт авг 02, 2012 19:59:40
Сообщений: 211
Рейтинг сообщения: 0
Коллектор солнечной электростанции. Все понятно в этой штуковине, кроме того, как такую мощность привести к сетевому напряжению. Сам принцип то понятен, ключ-силовой каскад, только вот ток, кхм, по проводу 16мм2 идет...


Вернуться наверх
 
Не в сети
 Заголовок сообщения: Re: Мелкие вопросы по питанию.
СообщениеДобавлено: Пт окт 12, 2012 23:06:41 
Друг Кота
Аватар пользователя

Карма: 95
Рейтинг сообщений: 967
Зарегистрирован: Пт дек 03, 2010 13:13:39
Сообщений: 7724
Откуда: Россия, Тула и пгт Городищи, Владимирская обл.
Рейтинг сообщения: 0
Народ, у мя есть зарядка от плеера с интересной мелкой фишкой-под нагрузкой светодиод на ней горит красным, а в покое-зеленым. Это очень пригодилось мне при зарядке от нее мобилы с раздолбанным люфтящим разъемом зарядки и неисправным индикатором заряда (ну то есть визуально никак не было понятно, контачит ли штеккер ЗУ и идет ли заряд). Собственно, вопрос-реально ли замутить такой индикатор нагрузки отдельно? Чтобы, скажем, встроить его в другую зарядку для мобилы?

..а светик конкретно светит только чисто красным, либо чисто зеленым. Есть другое ЗУ от другого плеера, там красный кристалл светика горит в параллель зеленому, интенсивность красного свечения, судя по всему, зависит от тока нагрузки. А мне хочется, чтобы индикация была без смешивания цветов. В общем, КАК? :))

_________________
Не всегда есть комп, или скорость интернета, но чем смогу-помогу.

И да пребудет с вами Сила тока!


Вернуться наверх
 
Не в сети
 Заголовок сообщения: Re: Мелкие вопросы по питанию.
СообщениеДобавлено: Пт окт 12, 2012 23:31:26 
Мудрый кот
Аватар пользователя

Карма: 4
Рейтинг сообщений: 15
Зарегистрирован: Сб фев 14, 2009 18:15:07
Сообщений: 1866
Откуда: Молодечно(Беларусь)
Рейтинг сообщения: 0
я понимаю схему так: в качестве индикатора используется двухцветный светик .... Один цвет включать параллельно схеме с токоограничивающим резюком(так чтобы еле еле светил).. Далее последовательно цепи зарядки поставить резистор (низкоомный) так чтобы на нем падало немного напряжения которое открывало бы транзисторный ключ, который включал второй анод светика(второй цвет). Ток есть - светит ярко второй цвет...тока нет - слабо светит первый цвет.... Вот такие мысли)

_________________
Изображение
Slayout5.0 AdobeReader_9.30_ru PROTEUS_7.2rus Proteus7.6rus(68Мб)


Вернуться наверх
 
Не в сети
 Заголовок сообщения: Re: Мелкие вопросы по питанию.
СообщениеДобавлено: Пт окт 12, 2012 23:46:37 
Друг Кота
Аватар пользователя

Карма: 146
Рейтинг сообщений: 6068
Зарегистрирован: Чт июн 04, 2009 21:06:49
Сообщений: 36293
Откуда: г.Мариинск
Рейтинг сообщения: 0
Медали: 1
Лучший человек Форума 2017 (1)
ИзображениеПопробуйте вот так, последовательно с красным диодом может потребоваться включить маломощный обычный диод. К сожалению вы не указали ток переключения, так что R1 не знаю какой, на нём должно падать около 0,2в.

_________________
Тем кого не устаревает наличия ошибок в моем тексте, оставляю права не пользоваться моими советами или просто не читать мои сообщения.


Вернуться наверх
 
Не в сети
 Заголовок сообщения: Re: Мелкие вопросы по питанию.
СообщениеДобавлено: Сб окт 13, 2012 10:44:25 
Друг Кота
Аватар пользователя

Карма: 95
Рейтинг сообщений: 967
Зарегистрирован: Пт дек 03, 2010 13:13:39
Сообщений: 7724
Откуда: Россия, Тула и пгт Городищи, Владимирская обл.
Рейтинг сообщения: 0
Ну да, понятно, что светики трехногие двухцветные) ток, как у многих телефонных зарядок, в районе пол-ампера (сабж как раз столько дает). Ток светиков-единицы миллиампер, если применю 3мм. сверхъяркие или десяток с хвостиком миллиампер при использовании чего-то вроде АЛ307. Двухцветников не найду, ибо щас я не в городе.

Диод, я так понял, на ток вдвое больше, чем будет в цепи? При указанных токах какой резюк и транзюки?

_________________
Не всегда есть комп, или скорость интернета, но чем смогу-помогу.

И да пребудет с вами Сила тока!


Вернуться наверх
 
Не в сети
 Заголовок сообщения: Re: Мелкие вопросы по питанию.
СообщениеДобавлено: Сб окт 13, 2012 10:58:13 
Друг Кота
Аватар пользователя

Карма: 146
Рейтинг сообщений: 6068
Зарегистрирован: Чт июн 04, 2009 21:06:49
Сообщений: 36293
Откуда: г.Мариинск
Рейтинг сообщения: 0
Медали: 1
Лучший человек Форума 2017 (1)
Резистор надо рассчитывать на минимальный ток заряда, который желательно мерить в конце зарядки, чтоб схема гарантированно переключалась.
Рассчитать резистор просто, на нём должно падать напряжение более 0,2в. Закон ома в руки и всё.

_________________
Тем кого не устаревает наличия ошибок в моем тексте, оставляю права не пользоваться моими советами или просто не читать мои сообщения.


Вернуться наверх
 
Не в сети
 Заголовок сообщения: Re: Мелкие вопросы по питанию.
СообщениеДобавлено: Пн окт 15, 2012 08:08:12 
Встал на лапы
Аватар пользователя

Зарегистрирован: Пн июн 25, 2012 16:21:00
Сообщений: 86
Откуда: Челябинск
Рейтинг сообщения: 0
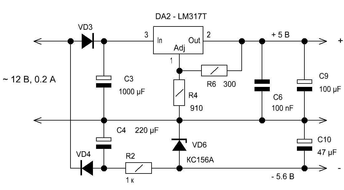
Утро доброе, товарищи!
Собираюсь собирать вольтметр и амперметр(отдельными блоками), для лабораторного источника тока, на АЦП ПВ2, ему нужно стабильные +/-5В, вот я и задумался, когда то давно, нашел 2 варианта стабилизатора для этой цели, ниже они представлены, подскажите какой из них будет "стабильнее", на lm проще конечно, но ради точных измерений, я готов повозиться со сборкой.
Ваши мнения?! :)))


Вложения:
65335535.GIF [14.79 KiB]
Скачиваний: 344
1234324.GIF [15.03 KiB]
Скачиваний: 320
Вернуться наверх
 
Не в сети
 Заголовок сообщения: Re: Мелкие вопросы по питанию.
СообщениеДобавлено: Пн окт 15, 2012 11:25:01 
Держит паяльник хвостом
Аватар пользователя

Карма: -1
Рейтинг сообщений: 120
Зарегистрирован: Пт май 20, 2011 10:14:14
Сообщений: 945
Откуда: Киев
Рейтинг сообщения: 0
На LM стабильнее, однозначно.
Но по 5 вольтам вообще-то стабильность и не нужна, если есть отдельный стабилизатор опорного напряжения 0,1-1 вольт.


Вернуться наверх
 
Показать сообщения за:  Сортировать по:  Вернуться наверх
Начать новую тему Ответить на тему  [ Сообщений: 47941 ]     ... , , , 419, , , ...  

Часовой пояс: UTC + 3 часа


Кто сейчас на форуме

Сейчас этот форум просматривают: нет зарегистрированных пользователей и гости: 37


Вы не можете начинать темы
Вы не можете отвечать на сообщения
Вы не можете редактировать свои сообщения
Вы не можете удалять свои сообщения
Вы не можете добавлять вложения

Найти:
Перейти:  


Powered by phpBB © 2000, 2002, 2005, 2007 phpBB Group
Русская поддержка phpBB
Extended by Karma MOD © 2007—2012 m157y
Extended by Topic Tags MOD © 2012 m157y