Например TDA7294

Форум РадиоКот • Просмотр темы - Собрал схему БП +-15 возникла проблема
Форум РадиоКот
Здесь можно немножко помяукать :)

Текущее время: Пн янв 26, 2026 18:26:23

Часовой пояс: UTC + 3 часа


ПРЯМО СЕЙЧАС:



Начать новую тему Ответить на тему  [ Сообщений: 12 ] 
Автор Сообщение
Не в сети
 Заголовок сообщения: Собрал схему БП +-15 возникла проблема
СообщениеДобавлено: Ср май 07, 2014 18:49:15 
Открыл глаза

Зарегистрирован: Пн апр 21, 2014 16:49:39
Сообщений: 79
Рейтинг сообщения: 0
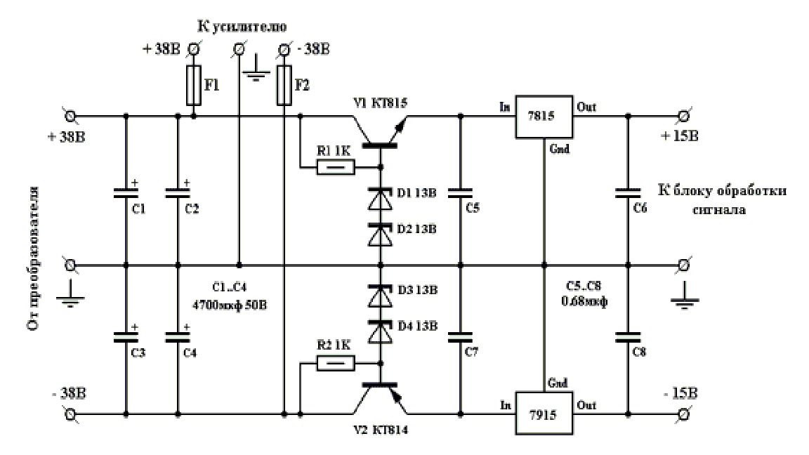
Добрый вечер возникла проблема такая по + 15 вольтам всё нормально показывает 14,72по - 15 показывает -17,72 вешаешь любую нагрузку показания 14,68 .Два раза пересобрал проверил не могу понять где накосячил.


Вложения:
2.jpg [96.2 KiB]
Скачиваний: 390


Последний раз редактировалось Angel_dead Чт май 08, 2014 05:11:54, всего редактировалось 1 раз.
Вернуться наверх
 
Не в сети
 Заголовок сообщения: Re: Собрал схему БП +-15 возникла проблема
СообщениеДобавлено: Ср май 07, 2014 19:40:45 
Друг Кота
Аватар пользователя

Карма: 40
Рейтинг сообщений: 613
Зарегистрирован: Вс янв 24, 2010 13:14:02
Сообщений: 4726
Откуда: Омск
Рейтинг сообщения: 0
Тут сложно накосячить. На входах стабилизаторов(после транзисторов) должно быть около 26 вольт, на выходе по 15. Иначе что-то мертвое.


Вернуться наверх
 
Не в сети
 Заголовок сообщения: Re: Собрал схему БП +-15 возникла проблема
СообщениеДобавлено: Ср май 07, 2014 19:45:04 
Друг Кота
Аватар пользователя

Карма: 182
Рейтинг сообщений: 8335
Зарегистрирован: Пт фев 04, 2011 17:57:51
Сообщений: 20076
Откуда: Рыбинск
Рейтинг сообщения: 0
Медали: 1
Лучший человек Форума 2017 (1)
Angel_dead писал(а):
не могу понять где накасячил
С подключением 7915 ничего не напутали? У нее другая цоколека по сравниню с 7815.


Вернуться наверх
 
Не в сети
 Заголовок сообщения: Re: Собрал схему БП +-15 возникла проблема
СообщениеДобавлено: Ср май 07, 2014 20:01:22 
Открыл глаза

Зарегистрирован: Пн апр 21, 2014 16:49:39
Сообщений: 79
Рейтинг сообщения: 0
Да 26 воль на входах , 7915 нет, не напутал, знаю что отличается 7815 ,думал поначалу что битая попалась, съездил ещё одну купил и 814г его даже менял на bd 140.


Последний раз редактировалось Angel_dead Чт май 08, 2014 05:15:54, всего редактировалось 1 раз.

Вернуться наверх
 
Эиком - электронные компоненты и радиодетали
Не в сети
 Заголовок сообщения: Re: Собрал схему БП +-15 возникла проблема
СообщениеДобавлено: Ср май 07, 2014 20:07:57 
Друг Кота
Аватар пользователя

Карма: 40
Рейтинг сообщений: 613
Зарегистрирован: Вс янв 24, 2010 13:14:02
Сообщений: 4726
Откуда: Омск
Рейтинг сообщения: 0
Остаются стабилитроны и правильность включения транзистора.


Вернуться наверх
 
Не в сети
 Заголовок сообщения: Re: Собрал схему БП +-15 возникла проблема
СообщениеДобавлено: Ср май 07, 2014 20:40:13 
Открыл глаза

Зарегистрирован: Пн апр 21, 2014 16:49:39
Сообщений: 79
Рейтинг сообщения: 0
Наверное, если транзисторы не правильно включил на стабилизаторах на входах не было бы 26 вольт а стабилитроны менял два раза с начало были на 0,5 ватта 13 вольт поменял на 1.5 вата 13 вольт.


Последний раз редактировалось Angel_dead Чт май 08, 2014 05:17:27, всего редактировалось 1 раз.

Вернуться наверх
 
Не в сети
 Заголовок сообщения: Re: Собрал схему БП +-15 возникла проблема
СообщениеДобавлено: Ср май 07, 2014 20:58:37 
Друг Кота
Аватар пользователя

Карма: 197
Рейтинг сообщений: 8617
Зарегистрирован: Пн ноя 30, 2009 03:00:01
Сообщений: 43321
Откуда: Нерезиновая
Рейтинг сообщения: 0
Между выходом -15 вольт и землёй повесьте резистор, ну, например 10 кОм... или 5... (я на такой "хохмочке" сам попался.. "забраковал" штуки 3 микросхем, потом начал "думать"...) Дело в том, что стабилизаторы 79хх не работают без нагрузки.. им нужен хотя бы маленький ток.. Иначе они почему- то пропускают через себя почти всё напряжение с входа на выход... Так что у вас всё в порядке...


Вернуться наверх
 
Не в сети
 Заголовок сообщения: Re: Собрал схему БП +-15 возникла проблема
СообщениеДобавлено: Ср май 07, 2014 21:02:24 
Открыл глаза

Зарегистрирован: Пн апр 21, 2014 16:49:39
Сообщений: 79
Рейтинг сообщения: 0
К этому пришел к концу дня что бы резистор повешать . Я думал это как то не правильно вот плата может на ней косяк.


Последний раз редактировалось Angel_dead Чт май 08, 2014 05:20:33, всего редактировалось 1 раз.

Вернуться наверх
 
Не в сети
 Заголовок сообщения: Re: Собрал схему БП +-15 возникла проблема
СообщениеДобавлено: Ср май 07, 2014 22:43:48 
Модератор
Аватар пользователя

Карма: 153
Рейтинг сообщений: 2927
Зарегистрирован: Сб авг 14, 2010 15:05:51
Сообщений: 18934
Откуда: г. Озерск, Челябинская обл.
Рейтинг сообщения: 0
Медали: 1
Лучший человек Форума 2017 (1)
Angel_dead, у тебя на клавиатуре нет точки и запятой?
а то читать твои посты - задача посложней, чем "казнить нельзя помиловать"...
отредактируй все свои посты, чтобы можно было их понимать.

_________________
Мудрость приходит вместе с импотенцией...
Когда на русском форуме переходят на Вы, в реальной жизни начинают бить морду.


Вернуться наверх
 
Не в сети
 Заголовок сообщения: Re: Собрал схему БП +-15 возникла проблема
СообщениеДобавлено: Чт май 08, 2014 01:35:10 
Друг Кота
Аватар пользователя

Карма: 197
Рейтинг сообщений: 8617
Зарегистрирован: Пн ноя 30, 2009 03:00:01
Сообщений: 43321
Откуда: Нерезиновая
Рейтинг сообщения: 0
Angel_dead писал(а):
резистор повешал .... я думал это как то не правильно вот плата может на ней косяк

Ну, я проверял микросхемы вообще без платы... На входе и на выходе керамика по 1 мкФ, и всё... Питание от ЛБП.
Пока по выходу резистор не повесил, чтобы какую- то минимальную нагрузку обеспечить, на выходе было "произвольное" напряжение.. Видимо, это связано со схемным решением самого стабилизатора.. Типа- без нагрузки не работает...


Вернуться наверх
 
Не в сети
 Заголовок сообщения: Re: Собрал схему БП +-15 возникла проблема
СообщениеДобавлено: Чт май 08, 2014 05:24:47 
Открыл глаза

Зарегистрирован: Пн апр 21, 2014 16:49:39
Сообщений: 79
Рейтинг сообщения: 0
Резистор припаян ,но в даташите ведь обэтом нюансе даже не упомянули .


Вернуться наверх
 
Не в сети
 Заголовок сообщения: Re: Собрал схему БП +-15 возникла проблема
СообщениеДобавлено: Чт май 08, 2014 13:28:13 
Друг Кота
Аватар пользователя

Карма: 62
Рейтинг сообщений: 889
Зарегистрирован: Вт апр 24, 2007 07:45:40
Сообщений: 6240
Откуда: Minsk
Рейтинг сообщения: 0
Можно судить по тому, что параметры приводятся при Iн= 0,010А , при меньшем токе, стало быть, не гарантируются.


Вернуться наверх
 
Показать сообщения за:  Сортировать по:  Вернуться наверх
Начать новую тему Ответить на тему  [ Сообщений: 12 ] 

Часовой пояс: UTC + 3 часа


Кто сейчас на форуме

Сейчас этот форум просматривают: нет зарегистрированных пользователей и гости: 73


Вы не можете начинать темы
Вы не можете отвечать на сообщения
Вы не можете редактировать свои сообщения
Вы не можете удалять свои сообщения
Вы не можете добавлять вложения

Найти:
Перейти:  


Powered by phpBB © 2000, 2002, 2005, 2007 phpBB Group
Русская поддержка phpBB
Extended by Karma MOD © 2007—2012 m157y
Extended by Topic Tags MOD © 2012 m157y