Например TDA7294

Форум РадиоКот • Просмотр темы - Линейный стабилизатор на очень низкое напряжение.
Форум РадиоКот
Здесь можно немножко помяукать :)

Текущее время: Чт мар 12, 2026 19:01:15

Часовой пояс: UTC + 3 часа


ПРЯМО СЕЙЧАС:



Начать новую тему Ответить на тему  [ Сообщений: 136 ]  1, , , , ...  
Автор Сообщение
 Заголовок сообщения: Линейный стабилизатор на очень низкое напряжение.
СообщениеДобавлено: Пт фев 10, 2012 13:09:14 
Сверлит текстолит когтями
Аватар пользователя

Карма: 12
Рейтинг сообщений: 252
Зарегистрирован: Пн апр 14, 2008 12:54:35
Сообщений: 1288
Откуда: Город ГЕРОЙ Ленинград
Рейтинг сообщения: 0
Есть капризные часы, которые работают только от напряжения 1.4-1.6В.
Собственно нужен стабилизатор с низким собственным потреблением (Было бы хорошо, если 200мкА), способный работать от двух пальчиковых аккумуляторов (2-2.8В) и выдавать не ниже 1.4В, нагрузка там никакая, у часов-то.

Искать по магазинам редкие и дорогущие стабилизаторы нет желания, да и зачастую у них большой собственный ток.
Изображение
Можно собрать простейшую схему, как на фотке, но вот пичаль - стабилитронов на 2.1В (посчитано для опорника) не бывает :( да и ток им большой нужен.
На ОУ тоже не катит, напряжения малые...

Что подскажите?


Вложения:
стаб.jpg [9.56 KiB]
Скачиваний: 15970

_________________
Опыт приходит сразу после того, как он был нужен...
Вернуться наверх
 
 Заголовок сообщения: Re: Линейный стабилизатор на 1.5 вольт.
СообщениеДобавлено: Пт фев 10, 2012 13:15:03 
Друг Кота

Карма: 68
Рейтинг сообщений: 1409
Зарегистрирован: Сб янв 29, 2011 00:28:48
Сообщений: 7774
Рейтинг сообщения: 0
запитать от сети через конденсатор, а батарейку поставить буфером...и всё отлично, даже подсветку можно приделать...


Вернуться наверх
 
 Заголовок сообщения: Re: Линейный стабилизатор на 1.5 вольт.
СообщениеДобавлено: Пт фев 10, 2012 13:16:11 
Сверлит текстолит когтями
Аватар пользователя

Карма: 12
Рейтинг сообщений: 252
Зарегистрирован: Пн апр 14, 2008 12:54:35
Сообщений: 1288
Откуда: Город ГЕРОЙ Ленинград
Рейтинг сообщения: 0
Это слишком просто :) Да и нет там розеточки-то :(

_________________
Опыт приходит сразу после того, как он был нужен...


Вернуться наверх
 
 Заголовок сообщения: Re: Линейный стабилизатор на 1.5 вольт.
СообщениеДобавлено: Пт фев 10, 2012 13:50:52 
Модератор
Аватар пользователя

Карма: 14
Рейтинг сообщений: 37
Зарегистрирован: Чт дек 11, 2008 14:52:26
Сообщений: 11492
Откуда: град Нижний
Рейтинг сообщения: 0
Волосатый писал(а):
Это слишком просто
Купи пару пальчиковых аккумуляторов и зарядку к ним..
От одного питаются часы, а второй - заряжается.. :)

_________________
ИзображениеМежду людьми возникает напряжение, если у них разный потенциал...


Вернуться наверх
 
Эиком - электронные компоненты и радиодетали
 Заголовок сообщения: Re: Линейный стабилизатор на 1.5 вольт.
СообщениеДобавлено: Пт фев 10, 2012 13:53:29 
Сверлит текстолит когтями
Аватар пользователя

Карма: 12
Рейтинг сообщений: 252
Зарегистрирован: Пн апр 14, 2008 12:54:35
Сообщений: 1288
Откуда: Город ГЕРОЙ Ленинград
Рейтинг сообщения: 0
Всё это есть, да дело в том, что напруга заряженных комков 1.4 В, а часы останавливаются уже при 1.3, и от свежезаряженного комка они идут пару дней :(

_________________
Опыт приходит сразу после того, как он был нужен...


Вернуться наверх
 
 Заголовок сообщения: Re: Линейный стабилизатор на 1.5 вольт.
СообщениеДобавлено: Пт фев 10, 2012 13:55:09 
Модератор
Аватар пользователя

Карма: 14
Рейтинг сообщений: 37
Зарегистрирован: Чт дек 11, 2008 14:52:26
Сообщений: 11492
Откуда: град Нижний
Рейтинг сообщения: 0
Один диод последовательно с аккумом..

_________________
ИзображениеМежду людьми возникает напряжение, если у них разный потенциал...


Вернуться наверх
 
 Заголовок сообщения: Re: Линейный стабилизатор на 1.5 вольт.
СообщениеДобавлено: Пт фев 10, 2012 14:04:33 
Друг Кота
Аватар пользователя

Карма: 146
Рейтинг сообщений: 6067
Зарегистрирован: Чт июн 04, 2009 21:06:49
Сообщений: 36290
Откуда: г.Мариинск
Рейтинг сообщения: 0
Медали: 1
Лучший человек Форума 2017 (1)
Поставь несколько диодов в прямом направлении, для точного подбора один диод можно взять германиевым или шотки.

_________________
Тем кого не устаревает наличия ошибок в моем тексте, оставляю права не пользоваться моими советами или просто не читать мои сообщения.


Вернуться наверх
 
 Заголовок сообщения: Re: Линейный стабилизатор на 1.5 вольт.
СообщениеДобавлено: Пт фев 10, 2012 14:40:52 
Это не хвост, это антенна
Аватар пользователя

Карма: 9
Рейтинг сообщений: 66
Зарегистрирован: Чт фев 03, 2011 17:36:53
Сообщений: 1433
Откуда: Новосибирск
Рейтинг сообщения: 0
Есть специализированные диоды для стабилизации малых напряжений - стабисторы. В данном случае подойдёт стабистор КС119А на напряжение 1,9 В, но, возможно, потребуется подбор подходящего экземпляра. Транзистор лучше применить германиевый (можно и p-n-p, если перевернуть полярность схемы). Вообще предложенная схема стабилизатора не очень подходит для питания нагрузки, критичной к диапазону питающего напряжения. А здесь получается довольно узкий диапазон 1,3...1,5 В. Чтобы уменьшить разброс напряжения на выходе стабилизатора, нагрузку желательно зашунтировать резистором, обеспечивающим ток в несколько миллиампер.


Вернуться наверх
 
 Заголовок сообщения: Re: Линейный стабилизатор на 1.5 вольт.
СообщениеДобавлено: Пт фев 10, 2012 14:49:14 
Друг Кота

Карма: 27
Рейтинг сообщений: 206
Зарегистрирован: Чт ноя 26, 2009 11:16:50
Сообщений: 6015
Откуда: Москва
Рейтинг сообщения: 0
Я бы не советовал в этой схеме использовать какие-то стабилитроны и стабисторы, у них же минимальный ток стабилизации 3мА! (в редких случаях 1мА).


Вернуться наверх
 
 Заголовок сообщения: Re: Линейный стабилизатор на 1.5 вольт.
СообщениеДобавлено: Пт фев 10, 2012 14:56:47 
Модератор
Аватар пользователя

Карма: 14
Рейтинг сообщений: 37
Зарегистрирован: Чт дек 11, 2008 14:52:26
Сообщений: 11492
Откуда: град Нижний
Рейтинг сообщения: 0
Можно что-то из такого использовать: http://www.ti.com/product/lp2951

_________________
ИзображениеМежду людьми возникает напряжение, если у них разный потенциал...


Вернуться наверх
 
 Заголовок сообщения: Re: Линейный стабилизатор на 1.5 вольт.
СообщениеДобавлено: Пт фев 10, 2012 14:59:37 
Это не хвост, это антенна
Аватар пользователя

Карма: 9
Рейтинг сообщений: 66
Зарегистрирован: Чт фев 03, 2011 17:36:53
Сообщений: 1433
Откуда: Новосибирск
Рейтинг сообщения: 0
SmarTrunk
Дело не в стабилитронах или стабисторах - линейный стабилизатор в любом случае будет обеспечивать примерно одинаковую невысокую эффективность. Если нужно поднять эффективность, стоит присмотреться к решениям в соседней теме.


Вернуться наверх
 
 Заголовок сообщения: Re: Линейный стабилизатор на 1.5 вольт.
СообщениеДобавлено: Пт фев 10, 2012 15:28:46 
Сверлит текстолит когтями
Аватар пользователя

Карма: 12
Рейтинг сообщений: 252
Зарегистрирован: Пн апр 14, 2008 12:54:35
Сообщений: 1288
Откуда: Город ГЕРОЙ Ленинград
Рейтинг сообщения: 0
SmarTrunk писал(а):
Я бы не советовал в этой схеме использовать какие-то стабилитроны и стабисторы, у них же минимальный ток стабилизации 3мА! (в редких случаях 1мА).
Да, это так и я об этом упомянул. Но, как-то разрабатывая стабилизатор с собственным током 25мкА, подбирал стабилитрон в схеме, что не удивительно, напряжение при таком токе оказалось почти в 2 раза выше паспортного. Но стабилизатор работает хорошо, правда он на 5 вольт понижает.
МитяРа писал(а):
Можно что-то из такого использовать: http://www.ti.com/product/lp2951
В среднем эти микры стоют 30р, впринципе неплохо, но все же хочется наколенный вариант...
Aenigma писал(а):
SmarTrunk
Дело не в стабилитронах или стабисторах - линейный стабилизатор в любом случае будет обеспечивать примерно одинаковую невысокую эффективность. Если нужно поднять эффективность, стоит присмотреться к решениям в соседней теме.
Да, можно купить максимку за 400 рублей, собрать степ-что-нибудь и питать ей простые часы :))) :))) :)))

_________________
Опыт приходит сразу после того, как он был нужен...


Вернуться наверх
 
 Заголовок сообщения: Re: Линейный стабилизатор на 1.5 вольт.
СообщениеДобавлено: Пт фев 10, 2012 15:34:13 
Модератор
Аватар пользователя

Карма: 14
Рейтинг сообщений: 37
Зарегистрирован: Чт дек 11, 2008 14:52:26
Сообщений: 11492
Откуда: град Нижний
Рейтинг сообщения: 0
Волосатый писал(а):
хочется наколенный вариант...
Глава 16, п.2: http://www.y10k.ru/books/detail7739.html

_________________
ИзображениеМежду людьми возникает напряжение, если у них разный потенциал...


Вернуться наверх
 
 Заголовок сообщения: Re: Линейный стабилизатор на 1.5 вольт.
СообщениеДобавлено: Пт фев 10, 2012 15:36:44 
Друг Кота
Аватар пользователя

Карма: 146
Рейтинг сообщений: 6067
Зарегистрирован: Чт июн 04, 2009 21:06:49
Сообщений: 36290
Откуда: г.Мариинск
Рейтинг сообщения: 0
Медали: 1
Лучший человек Форума 2017 (1)
Или на 400р купить 4 исправных часов.

_________________
Тем кого не устаревает наличия ошибок в моем тексте, оставляю права не пользоваться моими советами или просто не читать мои сообщения.


Вернуться наверх
 
 Заголовок сообщения: Re: Линейный стабилизатор на 1.5 вольт.
СообщениеДобавлено: Пт фев 10, 2012 15:46:27 
Друг Кота
Аватар пользователя

Карма: 23
Рейтинг сообщений: 406
Зарегистрирован: Вс окт 24, 2010 16:02:46
Сообщений: 3521
Откуда: Ижевск
Рейтинг сообщения: 0
Может такой подойдёт? Ну хотя бы сам принцип :)) Только термостабильность у него плохая.
Изображение


Вложения:
стаб.png [5.68 KiB]
Скачиваний: 37576
Вернуться наверх
 
 Заголовок сообщения: Re: Линейный стабилизатор на 1.5 вольт.
СообщениеДобавлено: Пт фев 10, 2012 15:51:01 
Сверлит текстолит когтями
Аватар пользователя

Карма: 12
Рейтинг сообщений: 252
Зарегистрирован: Пн апр 14, 2008 12:54:35
Сообщений: 1288
Откуда: Город ГЕРОЙ Ленинград
Рейтинг сообщения: 0
Волосатый, не цитируй, а тем более полностью и более того - с картинкой,
сообщение, на которое отвечаешь сразу за ним..
Форум не резиновый и читать подобные темы очень трудно..

МитяРа..



Промоделировал - неплохо, а на термостабильность плевать, дома температура +/- 5гр. :)
Соберу её на коленке вечером)))

_________________
Опыт приходит сразу после того, как он был нужен...


Вернуться наверх
 
 Заголовок сообщения: Re: Линейный стабилизатор на 1.5 вольт.
СообщениеДобавлено: Пт фев 10, 2012 16:47:11 
Друг Кота
Аватар пользователя

Карма: 23
Рейтинг сообщений: 406
Зарегистрирован: Вс окт 24, 2010 16:02:46
Сообщений: 3521
Откуда: Ижевск
Рейтинг сообщения: 0
А ещё можно такой замутить, у него минимальное входное напряжение меньше будет. Только на выходе конденсатор обязательно поставить, иначе возбуждается.
Изображение


Вложения:
стаб-2.png [7.56 KiB]
Скачиваний: 31809
Вернуться наверх
 
 Заголовок сообщения: Re: Линейный стабилизатор на 1.5 вольт.
СообщениеДобавлено: Пт фев 10, 2012 17:26:33 
Мудрый кот
Аватар пользователя

Карма: 35
Рейтинг сообщений: 279
Зарегистрирован: Сб июл 30, 2011 08:40:10
Сообщений: 1713
Откуда: Россия
Рейтинг сообщения: 0
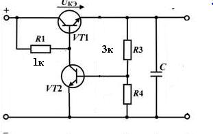
Можно проще.
R4 подобрать.

Изображение


Вложения:
1.JPG [8.29 KiB]
Скачиваний: 14448
Вернуться наверх
 
 Заголовок сообщения: Re: Линейный стабилизатор на 1.5 вольт.
СообщениеДобавлено: Пт фев 10, 2012 17:30:46 
Сверлит текстолит когтями
Аватар пользователя

Карма: 12
Рейтинг сообщений: 252
Зарегистрирован: Пн апр 14, 2008 12:54:35
Сообщений: 1288
Откуда: Город ГЕРОЙ Ленинград
Рейтинг сообщения: 0
sstvov, промоделировал её, это что-то потрясающее, вы её повторяли? В диапазоне входных напряжений 2-2.8В выходное меняется всего на 40мВ :shock: Я просто шокирован...
Котёнок, эта схема не очень стабильна, чем та что привел sstvov, разница в один транзистор - не разница :)

_________________
Опыт приходит сразу после того, как он был нужен...


Вернуться наверх
 
 Заголовок сообщения: Re: Линейный стабилизатор на 1.5 вольт.
СообщениеДобавлено: Пт фев 10, 2012 18:03:54 
Друг Кота
Аватар пользователя

Карма: 23
Рейтинг сообщений: 406
Зарегистрирован: Вс окт 24, 2010 16:02:46
Сообщений: 3521
Откуда: Ижевск
Рейтинг сообщения: 0
Когда-то давно я несколько раз собирал подобные схемы, хотя там небыло потребности экономить ток поэтому сопротивления были намного меньших номиналов. Если ещё немного усложнить, то на вход не то что 3 вольта, а намного больше можно будет подать а на выходное напряжение это лишь чуть-чуть повлияет.


Вернуться наверх
 
Показать сообщения за:  Сортировать по:  Вернуться наверх
Начать новую тему Ответить на тему  [ Сообщений: 136 ]  1, , , , ...  

Часовой пояс: UTC + 3 часа


Вы не можете начинать темы
Вы не можете отвечать на сообщения
Вы не можете редактировать свои сообщения
Вы не можете удалять свои сообщения
Вы не можете добавлять вложения

Найти:
Перейти:  


Powered by phpBB © 2000, 2002, 2005, 2007 phpBB Group
Русская поддержка phpBB
Extended by Karma MOD © 2007—2012 m157y
Extended by Topic Tags MOD © 2012 m157y