Например TDA7294

Форум РадиоКот • Просмотр темы - Лабораторный ИБП
Форум РадиоКот
Здесь можно немножко помяукать :)

Текущее время: Пн янв 26, 2026 19:24:10

Часовой пояс: UTC + 3 часа


ПРЯМО СЕЙЧАС:



Начать новую тему Ответить на тему  [ Сообщений: 3 ] 
Автор Сообщение
Не в сети
 Заголовок сообщения: Лабораторный ИБП
СообщениеДобавлено: Вс май 23, 2021 22:38:22 
Родился

Зарегистрирован: Вс май 23, 2021 22:18:13
Сообщений: 1
Рейтинг сообщения: 0
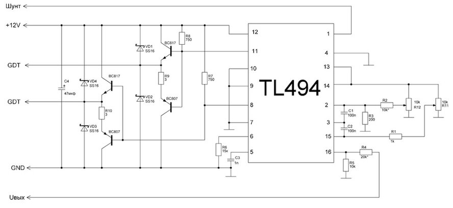
Здравствуйте. Собрал лабораторник по этой схеме. Транс расчитывал на 30 вольт, перематывал. Сейчас такая проблема - напряжение на выходе скачет , если я подключаю на грузочный резистор 300 ом, то напряжение стает более менее стабильным, но максимальное напряжение 14,8 вольт почему то. Подскажите где копать ?


Вложения:
20210329_110105.jpg [123.78 KiB]
Скачиваний: 546
max_g480_c12_r16x9_pd20 (1).jpeg [29.63 KiB]
Скачиваний: 504
Вернуться наверх
 
Не в сети
 Заголовок сообщения: Re: Лабораторный ИБП
СообщениеДобавлено: Вс май 23, 2021 22:45:32 
Друг Кота
Аватар пользователя

Карма: 123
Рейтинг сообщений: 7959
Зарегистрирован: Сб сен 13, 2014 16:27:32
Сообщений: 39199
Откуда: СпиртоГонск созвездия Омега
Рейтинг сообщения: 0
нц чо ты в трансе мотал тока те извесно...

_________________
ZМудрость(Опыт и выдержка) приходит с годами.
Все Ваши беды и проблемы, от недостатка знаний.
Умный и у дурака научится, а дураку и ..
Алберт Ейнштейн не поможет и ВВП не спасет.и МЧС опаздает


Вернуться наверх
 
Не в сети
 Заголовок сообщения: Re: Лабораторный ИБП
СообщениеДобавлено: Вс май 23, 2021 22:59:10 
Сверлит текстолит когтями
Аватар пользователя

Карма: 15
Рейтинг сообщений: 381
Зарегистрирован: Чт янв 12, 2012 19:32:15
Сообщений: 1246
Откуда: Belarus
Рейтинг сообщения: 0
Номиналы ОС по напряжению соотвествуют максимальному 15 вольт. Чтобы было максимум 30 вольт, надо R4 увеличить до 50 кОм.
ОС по напряжению надо брать после первого дросселя, а не после второго.
Про выходные диоды, которым 10 ампер никак не по зубам, я уж молчу.
Резистор минимальной нагрузки обязателен. Его можно установить до шунта, чтоб его ток не учитывался.
А вообще, схема лажовая. С листа она нормально работать не будет. Её придётся много и тщательно допиливать.
Вы это осилите?


Вернуться наверх
 
Показать сообщения за:  Сортировать по:  Вернуться наверх
Начать новую тему Ответить на тему  [ Сообщений: 3 ] 

Часовой пояс: UTC + 3 часа


Кто сейчас на форуме

Сейчас этот форум просматривают: нет зарегистрированных пользователей и гости: 52


Вы не можете начинать темы
Вы не можете отвечать на сообщения
Вы не можете редактировать свои сообщения
Вы не можете удалять свои сообщения
Вы не можете добавлять вложения

Найти:
Перейти:  


Powered by phpBB © 2000, 2002, 2005, 2007 phpBB Group
Русская поддержка phpBB
Extended by Karma MOD © 2007—2012 m157y
Extended by Topic Tags MOD © 2012 m157y