Например TDA7294

Форум РадиоКот • Просмотр темы - Странное поведение сварочного инвертора. Sturm_AW97l32n
Форум РадиоКот
Здесь можно немножко помяукать :)

Текущее время: Пт янв 23, 2026 16:57:30

Часовой пояс: UTC + 3 часа


ПРЯМО СЕЙЧАС:



Начать новую тему Ответить на тему  [ Сообщений: 22 ]  1,  
Автор Сообщение
Не в сети
 Заголовок сообщения: Странное поведение сварочного инвертора. Sturm_AW97l32n
СообщениеДобавлено: Сб авг 14, 2021 11:43:48 
Открыл глаза

Зарегистрирован: Пт июл 27, 2018 05:45:52
Сообщений: 64
Рейтинг сообщения: 0
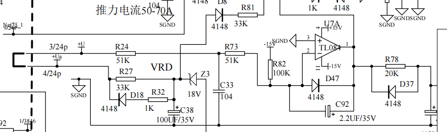
Здравствуйте. Завёл я себе сварочник Sturm AW97l32n. Эта странная аббревиатура в названии фиг знает что означает, но это мостовой инвертор. ( Там ещё заявлена защита транзисторов моста.)
Я хотел купить мостовой, чтобы встроить туда удвоитель напряжения и получать удовольствие. А приделывать пришлось, т.к. напряжение на выходе всего 35 вольт. Приделал удвоитель и эффекта как-то не увидел. Выпаял удвоитель обратно на проверку. При очередном замере напряжения на выходе, когда добавил на выход конденсатор, заметил странную вещь. При пуске наблюдается скачок напряжения до 50В и спад до 35В. Как будто идёт ограничение. (Надо сказать, что 50В было бы терпимо.)
Вложение:
AW97I32N electrical diagram.pdf [130.81 KiB]
Скачиваний: 647

Вложение:
AW97I27N AW97I32N.pdf [297.36 KiB]
Скачиваний: 387

У меня от схем почти всегда рябит в глазах и без объяснения я врядли что пойму. Не мог бы кто- нибудь сказать что мне делать?


Вернуться наверх
 
Не в сети
 Заголовок сообщения: Re: Странное поведение сварочного инвертора. Sturm_AW97l32n
СообщениеДобавлено: Сб авг 14, 2021 12:44:22 
Опытный кот
Аватар пользователя

Карма: -14
Рейтинг сообщений: -98
Зарегистрирован: Ср дек 01, 2010 00:38:15
Сообщений: 882
Откуда: Харьков
Рейтинг сообщения: 0
surok1 писал(а):
При пуске наблюдается скачок напряжения до 50В и спад до 35В.
при касании электрода тоже должен быть скачок для поджига дуги

_________________
ohmycode!
primuss3.com


Вернуться наверх
 
Не в сети
 Заголовок сообщения: Re: Странное поведение сварочного инвертора. Sturm_AW97l32n
СообщениеДобавлено: Сб авг 14, 2021 13:25:55 
Открыл глаза

Зарегистрирован: Пт июл 27, 2018 05:45:52
Сообщений: 64
Рейтинг сообщения: 0
surok1 писал(а):
При пуске наблюдается скачок напряжения до 50В и спад до 35В.
при касании электрода тоже должен быть скачок для поджига дуги

Дуга поджигается хреново.
Там на схеме есть R94, прямо на выходе. Может от его номинала зависит напряжение? Я вот только не уверен, безопасно ли снижение его сопротивления?


Вернуться наверх
 
Не в сети
 Заголовок сообщения: Re: Странное поведение сварочного инвертора. Sturm_AW97l32n
СообщениеДобавлено: Сб авг 14, 2021 18:35:35 
Друг Кота
Аватар пользователя

Карма: 123
Рейтинг сообщений: 7959
Зарегистрирован: Сб сен 13, 2014 16:27:32
Сообщений: 39199
Откуда: СпиртоГонск созвездия Омега
Рейтинг сообщения: 0
судя по вашему уровню понимания вапроса лезть в сварку вам противапоказано-спалите нах....

_________________
ZМудрость(Опыт и выдержка) приходит с годами.
Все Ваши беды и проблемы, от недостатка знаний.
Умный и у дурака научится, а дураку и ..
Алберт Ейнштейн не поможет и ВВП не спасет.и МЧС опаздает


Вернуться наверх
 
Эиком - электронные компоненты и радиодетали
Не в сети
 Заголовок сообщения: Re: Странное поведение сварочного инвертора. Sturm_AW97l32n
СообщениеДобавлено: Сб авг 14, 2021 18:40:35 
Поставщик валерьянки для Кота
Аватар пользователя

Карма: 27
Рейтинг сообщений: 887
Зарегистрирован: Ср май 10, 2017 16:03:11
Сообщений: 1961
Откуда: Тверская область
Рейтинг сообщения: 0
Вопрос.А Вы инвертор покупали для производства сварочных работ или для опытов?


Вернуться наверх
 
Не в сети
 Заголовок сообщения: Re: Странное поведение сварочного инвертора. Sturm_AW97l32n
СообщениеДобавлено: Сб авг 14, 2021 19:03:11 
Опытный кот
Аватар пользователя

Карма: -14
Рейтинг сообщений: -98
Зарегистрирован: Ср дек 01, 2010 00:38:15
Сообщений: 882
Откуда: Харьков
Рейтинг сообщения: 0
возможно смотреть надо куда-то сюда, но...

Изображение


Вложения:
ММА.gif [27.47 KiB]
Скачиваний: 842

_________________
ohmycode!
primuss3.com
Вернуться наверх
 
Не в сети
 Заголовок сообщения: Re: Странное поведение сварочного инвертора. Sturm_AW97l32n
СообщениеДобавлено: Вс авг 15, 2021 07:35:34 
Открыл глаза

Зарегистрирован: Пт июл 27, 2018 05:45:52
Сообщений: 64
Рейтинг сообщения: 0
Вопрос.А Вы инвертор покупали для производства сварочных работ или для опытов?

Для сварки покупал. Через почту заказывал. Польстился на мощу.
Он с начала такой, 35В. Блин, массу постоянно приходится поправлять. Думаю, ну ладно, приделаю удвоитель напряжения... А тут выходит, что защита реализована через контроль выходного напряжения! Хочется взять кувалду в руки. Хотя, если под массу металл чистить (тщательно), то варить можно. :)) :facepalm:

Чо, может другой купить? Я не сказать что прямо, богатый человек. дело ещё в том, что я не в городе живу и сервиса рядом нет.

Добавлено after 2 hours 9 minutes 31 second:
VRD значит...

Добавлено after 1 hour 4 minutes 59 seconds:
Ладно, как говорится, быстро поднятое упавшим не считается... Насколько быстро человек признаёт свою неправоту, можно судить о степени тупости. :))
Убрал всё что натворил. Буду больше болгаркой работать, чтоб лучше варилось.
Жалею ли я что купил этот аппарат? Шейку рельса я им прожёг, лист пятёрку шестьдесят сантиметров отрезал. Нормально!


Вернуться наверх
 
Не в сети
 Заголовок сообщения: Re: Странное поведение сварочного инвертора. Sturm_AW97l32n
СообщениеДобавлено: Ср авг 18, 2021 10:40:44 
Опытный кот
Аватар пользователя

Карма: -14
Рейтинг сообщений: -98
Зарегистрирован: Ср дек 01, 2010 00:38:15
Сообщений: 882
Откуда: Харьков
Рейтинг сообщения: 0

_________________
ohmycode!
primuss3.com


Вернуться наверх
 
Не в сети
 Заголовок сообщения: Re: Странное поведение сварочного инвертора. Sturm_AW97l32n
СообщениеДобавлено: Ср авг 18, 2021 11:00:52 
Друг Кота
Аватар пользователя

Карма: 123
Рейтинг сообщений: 7959
Зарегистрирован: Сб сен 13, 2014 16:27:32
Сообщений: 39199
Откуда: СпиртоГонск созвездия Омега
Рейтинг сообщения: 0
сразу видно ТС НЕ СВАРРНОЙ ТЫ
стык деталей под сварку надо готовить
зачистить до блеска удадиф все ржи и краску с места шва и вокруш хотяб на 15мм и разделать кромки под углы -снять фаски и смделать притупления в зависимости от положения шва...
иначе не шоф а сранье про качество крепления масы это ваше отделная наука кроме качества контакта важно его место относително шва -МАГНИТНОЕ ДУТЬЕ мешает варить

_________________
ZМудрость(Опыт и выдержка) приходит с годами.
Все Ваши беды и проблемы, от недостатка знаний.
Умный и у дурака научится, а дураку и ..
Алберт Ейнштейн не поможет и ВВП не спасет.и МЧС опаздает


Вернуться наверх
 
Не в сети
 Заголовок сообщения: Re: Странное поведение сварочного инвертора. Sturm_AW97l32n
СообщениеДобавлено: Ср авг 18, 2021 19:18:03 
Поставщик валерьянки для Кота

Карма: 4
Рейтинг сообщений: 210
Зарегистрирован: Сб май 07, 2011 17:52:59
Сообщений: 2466
Рейтинг сообщения: 0
если на хх сбрасывает выходное напряжение, то это автоматический режим безопасной замены электрода, причем неотключаемый. при чиркании по детали должен ШИМ немедля раздвигать импульсы.


Вернуться наверх
 
Не в сети
 Заголовок сообщения: Re: Странное поведение сварочного инвертора. Sturm_AW97l32n
СообщениеДобавлено: Ср авг 18, 2021 19:35:56 
Друг Кота
Аватар пользователя

Карма: 123
Рейтинг сообщений: 7959
Зарегистрирован: Сб сен 13, 2014 16:27:32
Сообщений: 39199
Откуда: СпиртоГонск созвездия Омега
Рейтинг сообщения: 0
атништик и форсаж....это другое
жежим безопасеости св цепи в БЫТОВЫХ ММА я нигде не встречал!
он есть толка в аПА/ TIG, GTAW и сварках для подводной среды

_________________
ZМудрость(Опыт и выдержка) приходит с годами.
Все Ваши беды и проблемы, от недостатка знаний.
Умный и у дурака научится, а дураку и ..
Алберт Ейнштейн не поможет и ВВП не спасет.и МЧС опаздает


Вернуться наверх
 
Не в сети
 Заголовок сообщения: Re: Странное поведение сварочного инвертора. Sturm_AW97l32n
СообщениеДобавлено: Ср авг 18, 2021 19:42:34 
Открыл глаза

Зарегистрирован: Пт июл 27, 2018 05:45:52
Сообщений: 64
Рейтинг сообщения: 0
:) Не сварной я, да.
Хороший видос. Не ругательный. Конечно, обидно из-за китайских амперов. Надо будет как-то это отрегулировать. Говорят, что на Ресанте амперы взаправдашние. :) А по цене мой сварочник стоит как Ресанта САИ 220А. Получается, цена за ампер на выходе та же. Ну и плюшки-навороты.


Вернуться наверх
 
Не в сети
 Заголовок сообщения: Re: Странное поведение сварочного инвертора. Sturm_AW97l32n
СообщениеДобавлено: Ср авг 18, 2021 19:54:09 
Друг Кота
Аватар пользователя

Карма: 123
Рейтинг сообщений: 7959
Зарегистрирован: Сб сен 13, 2014 16:27:32
Сообщений: 39199
Откуда: СпиртоГонск созвездия Омега
Рейтинг сообщения: 0
амперы счас везде кетайские... да и смвысла там чтото крутить не видно...

Добавлено after 4 minutes 42 seconds:
а видос бесполезный и деревенщины от дилетанта если хочиш видос от профи к Измаилу загляни на канал..

_________________
ZМудрость(Опыт и выдержка) приходит с годами.
Все Ваши беды и проблемы, от недостатка знаний.
Умный и у дурака научится, а дураку и ..
Алберт Ейнштейн не поможет и ВВП не спасет.и МЧС опаздает


Вернуться наверх
 
Не в сети
 Заголовок сообщения: Re: Странное поведение сварочного инвертора. Sturm_AW97l32n
СообщениеДобавлено: Ср авг 18, 2021 22:49:34 
Поставщик валерьянки для Кота

Карма: 4
Рейтинг сообщений: 210
Зарегистрирован: Сб май 07, 2011 17:52:59
Сообщений: 2466
Рейтинг сообщения: 0
судя по картинке ресанта штурму не годиться и в подметки. штюрм полный двухфазный мост а ресанта однофазный


Вернуться наверх
 
Не в сети
 Заголовок сообщения: Re: Странное поведение сварочного инвертора. Sturm_AW97l32n
СообщениеДобавлено: Чт авг 19, 2021 06:55:12 
Опытный кот
Аватар пользователя

Карма: -14
Рейтинг сообщений: -98
Зарегистрирован: Ср дек 01, 2010 00:38:15
Сообщений: 882
Откуда: Харьков
Рейтинг сообщения: 0
musor писал(а):
а видос бесполезный
видос как раз очень показательный.
все видно, и напряжение, и ток.
а измаил еще наверно пешком под стол ходил, когда этот дядька сварки чинил
вот еще видос аппарата с таким же субмодулем управления:


_________________
ohmycode!
primuss3.com


Вернуться наверх
 
Не в сети
 Заголовок сообщения: Re: Странное поведение сварочного инвертора. Sturm_AW97l32n
СообщениеДобавлено: Чт авг 19, 2021 09:41:08 
Друг Кота
Аватар пользователя

Карма: 123
Рейтинг сообщений: 7959
Зарегистрирован: Сб сен 13, 2014 16:27:32
Сообщений: 39199
Откуда: СпиртоГонск созвездия Омега
Рейтинг сообщения: 0
то что он купил стенд с показометрами у патона(наверно ДАЖ не купил а получил халячвой за рекламу) ничуть не повышает его уровень... Измаил делал оснастку сам! его реостат пусть и некрасиф но полностью функционален
а кто из них начал ранше почин срарок балшой вопрос....
Измаил не делает секрета из ремонта и не скрывает косякоф если попадаются в отличие от этого "мастера"
хотя конечно все эти ролики не боле чем пособие для новичкоф мозгоф и знаний оно не заменит

_________________
ZМудрость(Опыт и выдержка) приходит с годами.
Все Ваши беды и проблемы, от недостатка знаний.
Умный и у дурака научится, а дураку и ..
Алберт Ейнштейн не поможет и ВВП не спасет.и МЧС опаздает


Вернуться наверх
 
Не в сети
 Заголовок сообщения: Re: Странное поведение сварочного инвертора. Sturm_AW97l32n
СообщениеДобавлено: Пт авг 20, 2021 06:19:16 
Открыл глаза

Зарегистрирован: Пт июл 27, 2018 05:45:52
Сообщений: 64
Рейтинг сообщения: 0
Спасибо за оба канала! Радиолюбители Украины сильные.


Вернуться наверх
 
Не в сети
 Заголовок сообщения: Re: Странное поведение сварочного инвертора. Sturm_AW97l32n
СообщениеДобавлено: Пт авг 20, 2021 11:24:02 
Друг Кота
Аватар пользователя

Карма: 123
Рейтинг сообщений: 7959
Зарегистрирован: Сб сен 13, 2014 16:27:32
Сообщений: 39199
Откуда: СпиртоГонск созвездия Омега
Рейтинг сообщения: 0
ну не стоит ТАК ЗРЯ превозвышать Незалежную да они таки выпускают свои сварки и не толка завод Патона чем похвастаться РФ давно не может...
так и пахнуло теми МОСКАЛЬ И ВАТНИК из твоих слоф...
да в 90% сварного оборудования продаваемого у нас в РФ неворуженым взглядом виден ЗАВОДСКОЙ КИТай толка шилдик сделано в РФ -там бывает наш а чаше и он китайский просто услужливые китайцы давно согласны писать на своих железках любое название+ Сделано в РФ или Зроблино в Белоруси-договорившись с нашими фирмами прокладками гонят продукцию под именем меснтых "брендоф" у которых и производства то давно нет...а есть толька ИМЯ от времен СССР ,вывеска, крутой заказной Сайт и офис... те у кого были пром мощности давно их продали или здали комуто под автомастерские или торговые ряды...
в авот спецы умеющие и знающие есть и у нас в РФ но их никто не двигает на форумах ввиду чего они мене известны...

_________________
ZМудрость(Опыт и выдержка) приходит с годами.
Все Ваши беды и проблемы, от недостатка знаний.
Умный и у дурака научится, а дураку и ..
Алберт Ейнштейн не поможет и ВВП не спасет.и МЧС опаздает


Вернуться наверх
 
Не в сети
 Заголовок сообщения: Re: Странное поведение сварочного инвертора. Sturm_AW97l32n
СообщениеДобавлено: Пт авг 20, 2021 12:07:50 
Друг Кота
Аватар пользователя

Карма: 146
Рейтинг сообщений: 6068
Зарегистрирован: Чт июн 04, 2009 21:06:49
Сообщений: 36293
Откуда: г.Мариинск
Рейтинг сообщения: 0
Медали: 1
Лучший человек Форума 2017 (1)
Сборка наша, а платы и гайки китайские.
Просто на поставку запчастей и поставку готовой продукции пошлины разные. Единственное что там может быть наше это шильдик. У нас даже в военных самолётах сплошь используются иностранные детали. В РФ своей электроники нет совсем. В Украине и беларусии хоть что то осталось, у нас нечего, полное запустение.

_________________
Тем кого не устаревает наличия ошибок в моем тексте, оставляю права не пользоваться моими советами или просто не читать мои сообщения.


Вернуться наверх
 
Не в сети
 Заголовок сообщения: Re: Странное поведение сварочного инвертора. Sturm_AW97l32n
СообщениеДобавлено: Пт авг 20, 2021 23:56:46 
Поставщик валерьянки для Кота

Карма: 4
Рейтинг сообщений: 210
Зарегистрирован: Сб май 07, 2011 17:52:59
Сообщений: 2466
Рейтинг сообщения: 0
Цитата:
услужливые китайцы
они не услужливые. ихней цивилизации 6 000 лет... тот хлам что они сюда продают для ваяния кузей и воронежей для борьбы с проклятой америцей они продают за лес, газ и прочие ископаемые. когда они закончатся, то и поток халявной высокотехнологической промэлектрики вмиг исякнет.

_________________
душа человеческая темна и с легкостью обращается ко злу


Вернуться наверх
 
Показать сообщения за:  Сортировать по:  Вернуться наверх
Начать новую тему Ответить на тему  [ Сообщений: 22 ]  1,  

Часовой пояс: UTC + 3 часа


Кто сейчас на форуме

Сейчас этот форум просматривают: нет зарегистрированных пользователей и гости: 78


Вы не можете начинать темы
Вы не можете отвечать на сообщения
Вы не можете редактировать свои сообщения
Вы не можете удалять свои сообщения
Вы не можете добавлять вложения

Найти:
Перейти:  


Powered by phpBB © 2000, 2002, 2005, 2007 phpBB Group
Русская поддержка phpBB
Extended by Karma MOD © 2007—2012 m157y
Extended by Topic Tags MOD © 2012 m157y