Например TDA7294

Форум РадиоКот • Просмотр темы - Трансформатор тока
Форум РадиоКот
Здесь можно немножко помяукать :)

Текущее время: Пт фев 06, 2026 22:10:25

Часовой пояс: UTC + 3 часа


ПРЯМО СЕЙЧАС:



Начать новую тему Ответить на тему  [ Сообщений: 62 ]  1, , ,  
Автор Сообщение
Не в сети
 Заголовок сообщения: Трансформатор тока
СообщениеДобавлено: Пт июл 12, 2013 12:51:12 
Родился
Аватар пользователя

Зарегистрирован: Пт июл 12, 2013 12:41:02
Сообщений: 19
Рейтинг сообщения: 0
Доброго времени суток. Я новичок в строительстве импульсных блоков питания, и если я ещё как-то справляюсь с расчётом силового трансформатора и gdt (использую ExcellentIT), то трансформатор тока для меня - тёмный лес. Пожалуйста подскажите как рассчитывать такие штуковины или в каком направление искать. (Буду очень благодарен, если дадите ссылки на книжки или какие-либо методики расчёта)


Вернуться наверх
 
Не в сети
 Заголовок сообщения: Re: Трансформатор тока
СообщениеДобавлено: Пт июл 12, 2013 13:46:00 
Друг Кота
Аватар пользователя

Карма: 175
Рейтинг сообщений: 7680
Зарегистрирован: Чт апр 04, 2013 12:46:59
Сообщений: 17234
Откуда: Тюмень
Рейтинг сообщения: 0
Трансформатор тока - это то же самое, что трансформатор напряжения, только вывернут наоборот. Самое главное - у трансформатора тока на входе ток, а не напряжение. Соответственно, источник тока (с бесконечным сопротивлением). А на выходе у трансформатора тока - короткое замыкание. При этом получается, что на стороне источника тока трансформатор тока "прикидывается" перемычкой. Коэффициент трансформации считается точно так же, через отношение витков, только опять наоборот, потому что для тока. Допустим, на стороне источника 2 витка и ток 100 А. А на стороне приемника 200 витков. Каков ток будет на стороне приемника? 100А*2витка / 200витков = 1 ампер.
Что же будет с напряжением? А вот про напряжение мы ничего не знаем (см.выше). Потому что если мы начнём вводить во вторичную цепь какие-то нагрузки, там перестанет быть короткое замыкание, и трансформатор тока тоже перестанет быть идеальным, и станет, по мере роста этой нагрузки, превращаться в трансформатор напряжения.

_________________
Общением на форуме подпитываю свою эгоистичную, склонную к самолюбованию сущность.


Вернуться наверх
 
Не в сети
 Заголовок сообщения: Re: Трансформатор тока
СообщениеДобавлено: Пт июл 12, 2013 13:58:07 
Родился
Аватар пользователя

Зарегистрирован: Пт июл 12, 2013 12:41:02
Сообщений: 19
Рейтинг сообщения: 0
То-есть, напряжение на вторичной обмотке трансформатора (если мы нагружаем его резистором, и снимаем с последнего сигнал обратной связи) зависит по закону Ома (U=I*R) от сопротивления этого резистора?


Вернуться наверх
 
Не в сети
 Заголовок сообщения: Re: Трансформатор тока
СообщениеДобавлено: Пт июл 12, 2013 14:01:43 
Друг Кота
Аватар пользователя

Карма: 67
Рейтинг сообщений: 1071
Зарегистрирован: Чт сен 18, 2008 12:27:21
Сообщений: 20044
Откуда: Столица Мира Санкт-Петербург
Рейтинг сообщения: 0
Медали: 1
Получил миской по аватаре (1)
Угу. Только, как уже сказали выше, чем выше номинал резистора — тем бальше показания от действительных.

_________________
[ Всё дело не столько в вашей глупости, сколько в моей гениальности ] [ Правильно заданный вопрос содержит в себе половину ответа ]


Вернуться наверх
 
Эиком - электронные компоненты и радиодетали
Не в сети
 Заголовок сообщения: Re: Трансформатор тока
СообщениеДобавлено: Пт июл 12, 2013 14:03:20 
Друг Кота
Аватар пользователя

Карма: 175
Рейтинг сообщений: 7680
Зарегистрирован: Чт апр 04, 2013 12:46:59
Сообщений: 17234
Откуда: Тюмень
Рейтинг сообщения: 0
Только для случая, когда сопротивление этого резистора >>0 Мы ведь рассматриваем идеализированный трансформатор тока?
А если R относительно большое, то нужно рассматривать не трансформатор тока, и не трансформатор напряжения. Нужно рассматривать трансформатор сопротивления (собственно, все "обычные" трансформаторы таковыми и являются, но для удобства рассчёта мы по инерции представляем их как трансформаторы напряжения).

_________________
Общением на форуме подпитываю свою эгоистичную, склонную к самолюбованию сущность.


Вернуться наверх
 
Не в сети
 Заголовок сообщения: Re: Трансформатор тока
СообщениеДобавлено: Пт июл 12, 2013 14:45:43 
Родился
Аватар пользователя

Зарегистрирован: Пт июл 12, 2013 12:41:02
Сообщений: 19
Рейтинг сообщения: 0
Проще говоря, нужно взять коэффициент трансоформации и номинал резистора какможно меньше?

Ещё подскажите как рассчитать сердечник (трансформатор подключается последовательно с силовым тр. 2хтактного иип - полумос.), также как и для силового трансформатора? И можно поподробнее про трансформатор сопротивления, чем он отличается от тр. напряжения?

Slabovik, правильно ли я всё понял: например, я имею трансформатор, где первичная обмотка 1 виток, вторичная (2 вторичных с общей точкой) 100 витков, подключённый к 2хполупериодному выпрямителю (падение на диодах 0,5 В). Мне нужно, иметь, например 4В после выпрямителя и резистора при токе 6А в первичке. Тогда я должен буду взять резистор на 75 Ом. Насколько адекватно будет вести себя защита (при 4 В она должна выключить иип) с такими детальками. Прилагаю маленькую иллюстрацию, вдруг я в корне чего-то не понимаю


Вложения:
1.GIF [5.21 KiB]
Скачиваний: 4692


Последний раз редактировалось Gudd-Head Пт июл 12, 2013 14:47:15, всего редактировалось 1 раз.
Склеил
Вернуться наверх
 
Не в сети
 Заголовок сообщения: Re: Трансформатор тока
СообщениеДобавлено: Пт июл 12, 2013 15:12:30 
Друг Кота
Аватар пользователя

Карма: 175
Рейтинг сообщений: 7680
Зарегистрирован: Чт апр 04, 2013 12:46:59
Сообщений: 17234
Откуда: Тюмень
Рейтинг сообщения: 0
Вам нужен рассчёт трансформатора сопротивлений :) Идеализированный трансформатор тока в вашем случае будет работать только приблизительно. А так, как вы считаете: на первичке ток, на вторичке напряжение - вообще неверно. Пересчёт должен быть типа "ток<->ток".
Если берётся 75 Ом, и 6 Вольт, ток во вторичке 80мА. Его нужно превратить в 6 А. Соответственно, отношение числа обмоток должно быть не менее 6/0,08=75 (не менее - это потому что нагрузка не идеальна, и в результате ток там будет несколько меньше).
По поводу рисунка: R1 должен (обязан!) закорачивать вторичку. Т.е. диоды уже после....

Нагрузка же на сердечник рассчитывается также - через ампервитки...

_________________
Общением на форуме подпитываю свою эгоистичную, склонную к самолюбованию сущность.


Вернуться наверх
 
Не в сети
 Заголовок сообщения: Re: Трансформатор тока
СообщениеДобавлено: Пт июл 12, 2013 15:33:48 
Модератор
Аватар пользователя

Карма: 153
Рейтинг сообщений: 2931
Зарегистрирован: Сб авг 14, 2010 15:05:51
Сообщений: 18941
Откуда: г. Озерск, Челябинская обл.
Рейтинг сообщения: 0
Медали: 1
Лучший человек Форума 2017 (1)
если в обмотке 50+50 витков (100 витков - общее число), то в расчетах нужно брать коэффициент трансформации 50.
Slabovik, все он сделал правильно. а вот, ты считаешь через попу...
с учетом 50 вместо 100 получится так:
6 Ампер / 50 = 0,12 Ампера.
требуется не менее 4 Вольт.
4 Вольта / 0,12 Ампера = 33,3 Ома.
берем большее значение 36 Ом.
можно и после диодов ставить резистор, нормально будет работать.
но грамотнее ставить его прямо на обмотку. только для получения нужного напряжения требуется учесть падение на диоде.
я всегда ставлю на обмотку. в нагрузку выпрямителя я ставлю 1 кОм и 1 мкФ для фильтрации. при этом я делаю однополупериодный выпрямитель, а не со средней точкой, для двухтактной схемы это достаточно.

_________________
Мудрость приходит вместе с импотенцией...
Когда на русском форуме переходят на Вы, в реальной жизни начинают бить морду.


Вернуться наверх
 
Не в сети
 Заголовок сообщения: Re: Трансформатор тока
СообщениеДобавлено: Пт июл 12, 2013 15:40:09 
Друг Кота
Аватар пользователя

Карма: 175
Рейтинг сообщений: 7680
Зарегистрирован: Чт апр 04, 2013 12:46:59
Сообщений: 17234
Откуда: Тюмень
Рейтинг сообщения: 0
Да, глючу :dont_know: - невнимательно прочитал вводную и принял конечные данные за исходные. И вольт там 4, и обмотка со средней точкой. В этом случае исходный расчёт верен.
И не "через попу", а "с другого конца" :)

_________________
Общением на форуме подпитываю свою эгоистичную, склонную к самолюбованию сущность.


Вернуться наверх
 
Не в сети
 Заголовок сообщения: Re: Трансформатор тока
СообщениеДобавлено: Пт июл 12, 2013 16:06:58 
Родился
Аватар пользователя

Зарегистрирован: Пт июл 12, 2013 12:41:02
Сообщений: 19
Рейтинг сообщения: 0
Вроде понял. Starichok51, если использовать однополупериодный выпрямитель и ставить резистор прямо на обмотку расчёты будут следующими (пишу подробно, хочу по-лучше разобраться). Ток после которого срабатывает защита 6А, пусть в схеме всё будет как вы написали число витков вторички 50, первички - 1, ко вторичке подключён резистор 36 Ом, мы получим около 4В переменного тока. Дальше выпрямляем однополупериодным выпрямителем и фильтруем конденсатором на 1 мкФ на выходе я получу 4*0,45-0,5=1,3В (здесь могу ошибаться). Если всё правильно, расскажите подробнее про фильтрацию, какие номиналы предпочтительны, чтобы защита среагировала достаточно шустро (частота иип 100 кГц).
И если не трудно скажите как расчитывать сердечник такого трансформатора, также как и силового? нет ли каких програм для таких дел? Спасибо.


Вернуться наверх
 
Не в сети
 Заголовок сообщения: Re: Трансформатор тока
СообщениеДобавлено: Пт июл 12, 2013 16:39:54 
Модератор
Аватар пользователя

Карма: 153
Рейтинг сообщений: 2931
Зарегистрирован: Сб авг 14, 2010 15:05:51
Сообщений: 18941
Откуда: г. Озерск, Челябинская обл.
Рейтинг сообщения: 1
Медали: 1
Лучший человек Форума 2017 (1)
это получается пиковый детектор. конденсатор заряжается до амплитуды. 0,45 здесь не применимо.
в импульсе нужно брать падение на диоде 1 Вольт смело.
поэтому при 4 Вольтах на резисторе нужно ориентироваться на 3 Вольта на конденсаторе.

_________________
Мудрость приходит вместе с импотенцией...
Когда на русском форуме переходят на Вы, в реальной жизни начинают бить морду.


Вернуться наверх
 
Не в сети
 Заголовок сообщения: Re: Трансформатор тока
СообщениеДобавлено: Пт июл 12, 2013 16:48:38 
Друг Кота
Аватар пользователя

Карма: 175
Рейтинг сообщений: 7680
Зарегистрирован: Чт апр 04, 2013 12:46:59
Сообщений: 17234
Откуда: Тюмень
Рейтинг сообщения: 0
Фильтрация всегда будет немного задерживать срабатывание защиты. Обычно выбирают емкость, чтобы она успела дозарядиться (от первоначального значения, т.к. работающий инвертор её уже подзарядит) при допустимой перегрузке за 1-2 такта. Исходные данные для этого - ток трансформатора. Для разрядки емкости также ставят резистор, но номиналом много более, чем нагрузочный токовый.
Если нужно большое (потактовое) быстродействие защиты - фильтры не применяются (только от "иголок"), сигнал сразу подаётся на компаратор.

_________________
Общением на форуме подпитываю свою эгоистичную, склонную к самолюбованию сущность.


Вернуться наверх
 
Не в сети
 Заголовок сообщения: Re: Трансформатор тока
СообщениеДобавлено: Пт июл 12, 2013 17:05:32 
Родился
Аватар пользователя

Зарегистрирован: Пт июл 12, 2013 12:41:02
Сообщений: 19
Рейтинг сообщения: 0
Значит, несмотря на то, что я использую диод шотки на выходе будет 3 вольта? Прошу прощения за глупые вопросы. Как определить номинал конденсатора, что для этого нужно знать? Не лучше ли использовать RC-цепь вместо 1 кондёра, если да, то как её расчитать? Если возможно, напишите формулы.
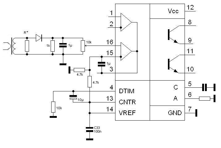
В блоке питания планируется использовать следующую схему управления(прилагаю рисунок). Не ясно как оперделить номиналы R20 и C15.
P.S. Ток первички в нормальном режиме 2,8А, частота 110 кГц


Вложения:
1.GIF [26.88 KiB]
Скачиваний: 1340
Вернуться наверх
 
Не в сети
 Заголовок сообщения: Re: Трансформатор тока
СообщениеДобавлено: Пт июл 12, 2013 17:22:45 
Модератор
Аватар пользователя

Карма: 153
Рейтинг сообщений: 2931
Зарегистрирован: Сб авг 14, 2010 15:05:51
Сообщений: 18941
Откуда: г. Озерск, Челябинская обл.
Рейтинг сообщения: 0
Медали: 1
Лучший человек Форума 2017 (1)
для Шоттки можно взять примерно 0,5 Вольта. я говорил про маленький импульсный, типа 1N4148.
вот так это выглядит в моих изделиях download/file.php?id=47783
грубо подбираем нагрузочным резистором. потом можно точнее настроить подстроечным резистором.

_________________
Мудрость приходит вместе с импотенцией...
Когда на русском форуме переходят на Вы, в реальной жизни начинают бить морду.


Вернуться наверх
 
Не в сети
 Заголовок сообщения: Re: Трансформатор тока
СообщениеДобавлено: Пт июл 12, 2013 17:30:26 
Друг Кота
Аватар пользователя

Карма: 175
Рейтинг сообщений: 7680
Зарегистрирован: Чт апр 04, 2013 12:46:59
Сообщений: 17234
Откуда: Тюмень
Рейтинг сообщения: 0
Там, на выходе трансформатора, предполагается меандр (в реальности чуть по-другому, но для нас это не критично). Если будет диод Шоттки, то конечно падение напряжения на нём будет меньше - в расчёт пойдёт где-то 0,6 вольт потери ориентировочно. Время заряда конденсатора - это С*dU/I, где dU - разность напряжений "до" и "после". Напряжение "до" - это напряжение на конденсаторе во время нормальной работы блока. Напряжение "после" - соответственно, напряжение срабатывания защиты. 2.8А - это примерно половина от 6, значит исходное напряжение на конденсаторе будет примерно 1.5 вольта (потому что 3 вольта при 6 А, про Шоттки чуток забыли - только ради примера). Значит, дозарядить нужно на 1.5 вольта. И вот здесь я щас опять засыплюсь :facepalm: потому я нифига не помню эту формулу что у нас есть ток из трансформатора, у нас есть нагрузочный резистор, и у нас есть конденсатор, напряжение на котором растёт. В самом начале зарядки ток в конденсатор будет составлять разницу между током в резистор и током из трансформатора. А вот в конце.... в конце по-идее всё приходит в равновесие и ток в конденсатор вообще не течёт, а следовательно конденсатор будет заряжаться до расчётного напряжения бесконечно долгое время, бесконечно близко его достигая.... Именно по этой причине расчёт трансформатора, если есть конденсатор, делается с избытком напряжения, а порог сработки делается регулируемым (обычным подстроечником, или другими способами).

_________________
Общением на форуме подпитываю свою эгоистичную, склонную к самолюбованию сущность.


Вернуться наверх
 
Не в сети
 Заголовок сообщения: Re: Трансформатор тока
СообщениеДобавлено: Пт июл 12, 2013 17:49:06 
Модератор
Аватар пользователя

Карма: 153
Рейтинг сообщений: 2931
Зарегистрирован: Сб авг 14, 2010 15:05:51
Сообщений: 18941
Откуда: г. Озерск, Челябинская обл.
Рейтинг сообщения: 0
Медали: 1
Лучший человек Форума 2017 (1)
такую маленькую емкость трансформатор накормит практически моментально.

_________________
Мудрость приходит вместе с импотенцией...
Когда на русском форуме переходят на Вы, в реальной жизни начинают бить морду.


Вернуться наверх
 
Не в сети
 Заголовок сообщения: Re: Трансформатор тока
СообщениеДобавлено: Пт июл 12, 2013 17:55:18 
Родился
Аватар пользователя

Зарегистрирован: Пт июл 12, 2013 12:41:02
Сообщений: 19
Рейтинг сообщения: 0
Чесно сказать, я не совсем понял что к чему, или что-то не внимательно прочитал. Наверно надо было сформулировать вопрос точнее. Схему управления (рисунок из пред. сообщ.) и обратной связи я слямзил из какойто статьи (прикладываю файл) там она на 12 стр. (на стр. напис. №385). Там написано следующее "Усилитель ошибки по току У2 включен по схеме инвертирующего интегратора с постоянной времени интегрирования Ти = R4×C1. как я понимаю R4 и С1 просто убирают иголки. Подскажите как выбрать эту самую постоянную времени интегрирования.


Вложения:
ЭЛЕМЕНТНАЯ БАЗА СИСТЕМ УПРАВЛЕНИЯ.pdf [511.21 KiB]
Скачиваний: 4783
Вернуться наверх
 
Не в сети
 Заголовок сообщения: Re: Трансформатор тока
СообщениеДобавлено: Пт июл 12, 2013 18:15:22 
Друг Кота
Аватар пользователя

Карма: 175
Рейтинг сообщений: 7680
Зарегистрирован: Чт апр 04, 2013 12:46:59
Сообщений: 17234
Откуда: Тюмень
Рейтинг сообщения: 0
Да, R4 и C1 призваны устранить влияние резких изменений в токе нагрузки (точнее, их задача - сделать так, чтобы блок "не замечал" кратковременных превышений потребления, ибо резистор-датчик включен последовательно с нагрузкой), а также некоторых пульсаций, вызванных работой силовой части. Поэтому здесь у них функция несколько противоположная. А токовый трансформатор - он ставится обычно на горячую часть с целью предотвратить выход из строя силовых ключей, и в связи с этим быстродействие защиты наоборот, требуется максимальное, а при срабатывании как правило блок вообще глушится (защелкивается триггер и запрещает работу контроллеру). А постоянная интегрирования на примере TL494 выбирается обычно из противоречивых критериев устойчивости готовой конструкции, и скорости реакции на изменение потребления нагрузки. Там на это кроме непосредственно параметров этого резистора и конденсатора влияют другие факторы, как частота преобразования, индуктивность дросселя и т.п.

_________________
Общением на форуме подпитываю свою эгоистичную, склонную к самолюбованию сущность.


Вернуться наверх
 
Не в сети
 Заголовок сообщения: Re: Трансформатор тока
СообщениеДобавлено: Пт июл 12, 2013 18:37:46 
Родился
Аватар пользователя

Зарегистрирован: Пт июл 12, 2013 12:41:02
Сообщений: 19
Рейтинг сообщения: 0
Большое спасибо, вроде разобрался.


Вернуться наверх
 
Не в сети
 Заголовок сообщения: Re: Трансформатор тока
СообщениеДобавлено: Пт июл 12, 2013 18:56:38 
Друг Кота
Аватар пользователя

Карма: 175
Рейтинг сообщений: 7680
Зарегистрирован: Чт апр 04, 2013 12:46:59
Сообщений: 17234
Откуда: Тюмень
Рейтинг сообщения: 0
Во, а я только ответ собрался катать, что это неправильная схема... Ну в общем, если напряжения на выходе положительные и связь от них положительная, то подавать её надо также на положительные входы усилителей ошибок... И здесь критерий таков, что сигнал на выходе усилителя ошибки не должен изменяться слишком быстро (внутренняя особенность TL494), чтобы не было ложных переключений за время одного периода. Поэтому "замедляющие" цепочки и вводятся. Для быстрой "потактовой" регулировки в TL494 официальных механизмов нет, а быструю блокировку работы нужно делать либо через вывод FB, либо (предпочтительнее) через DTC, подачей потенциала выше 3.3В

_________________
Общением на форуме подпитываю свою эгоистичную, склонную к самолюбованию сущность.


Последний раз редактировалось Slabovik Пт июл 12, 2013 18:59:23, всего редактировалось 1 раз.

Вернуться наверх
 
Показать сообщения за:  Сортировать по:  Вернуться наверх
Начать новую тему Ответить на тему  [ Сообщений: 62 ]  1, , ,  

Часовой пояс: UTC + 3 часа


Кто сейчас на форуме

Сейчас этот форум просматривают: Agaev, Google [Bot] и гости: 105


Вы не можете начинать темы
Вы не можете отвечать на сообщения
Вы не можете редактировать свои сообщения
Вы не можете удалять свои сообщения
Вы не можете добавлять вложения

Найти:
Перейти:  


Powered by phpBB © 2000, 2002, 2005, 2007 phpBB Group
Русская поддержка phpBB
Extended by Karma MOD © 2007—2012 m157y
Extended by Topic Tags MOD © 2012 m157y