Например TDA7294

Форум РадиоКот • Просмотр темы - Таймер обратного отсчета.
Форум РадиоКот
Здесь можно немножко помяукать :)

Текущее время: Ср янв 07, 2026 09:20:50

Часовой пояс: UTC + 3 часа


ПРЯМО СЕЙЧАС:



Начать новую тему Ответить на тему  [ Сообщений: 455 ]     ... , , , 6, , , ...  
Автор Сообщение
Не в сети
 Заголовок сообщения: Re: Таймер обратного отсчета.
СообщениеДобавлено: Вт июл 24, 2012 12:05:51 
Электрический кот
Аватар пользователя

Карма: 10
Рейтинг сообщений: 22
Зарегистрирован: Чт ноя 25, 2010 16:58:42
Сообщений: 1056
Откуда: Средний Урал
Рейтинг сообщения: 0
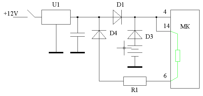
От сброса МК при перерыве питания избавился переносом электролита с платы питания на плату МК (после входного диода).
По погасанию индикатора: На 6 выводе МК в активном режиме единичка (индикатор с ОК), т.е. плюс идёт на индикатор и через резистор+диод к плюсу схемы. Что он там может замерить в перерывах при отключенном питании? минус? откуда он там возмётся? При закороченном диоде индикация мигает, при снижении сопротивления до 0,5кОм и при разрыве цепи индикатор не гаснет.
Soir писал(а):
А зачем в этом устройстве индикатор?

Вопрос, конечно, интересный. С такими большими выдержками хотелось бы иметь точную информацию о работе таймера, хотя можно и подумать.


Вернуться наверх
 
Не в сети
 Заголовок сообщения: Re: Таймер обратного отсчета.
СообщениеДобавлено: Вт июл 24, 2012 12:55:27 
Друг Кота

Карма: 33
Рейтинг сообщений: 213
Зарегистрирован: Ср окт 14, 2009 10:37:49
Сообщений: 3956
Откуда: Украина
Рейтинг сообщения: 0
nvz писал(а):
По погасанию индикатора: На 6 выводе МК в активном режиме единичка (индикатор с ОК), т.е. плюс идёт на индикатор и через резистор+диод к плюсу схемы. Что он там может замерить в перерывах при отключенном питании? минус? откуда он там возмётся?

Похоже мне пора взглянуть на реальную схему. В ней все точно так, как я рисовал?
Принцип опроса питания, а заодно кнопок, простой. Перед сменой индикации (примерно каждые 2 мс, в новой прошивке будет 2,5 мс, но это по другому поводу) МК гасит индикаторы по сегментам и общим катодам (анодам). Затем подает на выводы (переводит их в режим входов) к сегментам +5V через внутренние подтягивающие резисторы (около 20 кОм) и смотрит что получилось на входах. Если напряжение +5V (логическая 1), значит питание есть (или, если речь идет о кнопке, то она не нажата). Если логический 0 - питания нет. Логический 0 получится, если основное питание отсутствует (на него и должен быть посажен диод D4 с резистором R1, а от резервного источника схема разъединена диодом D1, как на схеме!). Тогда диод D4 своим катодом будет посажен на 0, а резистор R1 1,5 кОм с подтягивающим резистором 20 кОм образовывает делитель, напряжение которого будет ниже порогового для МК. Когда МК с этим разобрался, он снова возвращается к индикации.
Подробнее уже не распишу. Проверь правильность схемы, измерь напряжение основных 5V при отключении от сети в точке соединения D1 D4.


Вложения:
Timer_Day_CC_84.zip [1.53 KiB]
Скачиваний: 255
Вернуться наверх
 
Не в сети
 Заголовок сообщения: Re: Таймер обратного отсчета.
СообщениеДобавлено: Вт июл 24, 2012 13:27:11 
Электрический кот
Аватар пользователя

Карма: 10
Рейтинг сообщений: 22
Зарегистрирован: Чт ноя 25, 2010 16:58:42
Сообщений: 1056
Откуда: Средний Урал
Рейтинг сообщения: 0
Может я туплю, но не понимаю, каким образом на катоде D4 появляется 0?, там скорей всего Z


Вложения:
Безымянный.png [6 KiB]
Скачиваний: 595
Вернуться наверх
 
Не в сети
 Заголовок сообщения: Re: Таймер обратного отсчета.
СообщениеДобавлено: Вт июл 24, 2012 13:33:56 
Друг Кота

Карма: 33
Рейтинг сообщений: 213
Зарегистрирован: Ср окт 14, 2009 10:37:49
Сообщений: 3956
Откуда: Украина
Рейтинг сообщения: 0
nvz писал(а):
Может я туплю, но не понимаю, каким образом на катоде D4 появляется 0?, там скорей всего Z

Давай свою реальную схему, может быть и Z, если в стабилизаторе нет утечек. Тогда цепочку D4 R1 нужно перенести на вход стабилизатора. Покажи схему блока питания.


Вернуться наверх
 
Эиком - электронные компоненты и радиодетали
Не в сети
 Заголовок сообщения: Re: Таймер обратного отсчета.
СообщениеДобавлено: Вт июл 24, 2012 13:46:41 
Электрический кот
Аватар пользователя

Карма: 10
Рейтинг сообщений: 22
Зарегистрирован: Чт ноя 25, 2010 16:58:42
Сообщений: 1056
Откуда: Средний Урал
Рейтинг сообщения: 0
Вот такой


Вложения:
Безымянный.png [6.04 KiB]
Скачиваний: 719
Вернуться наверх
 
Не в сети
 Заголовок сообщения: Re: Таймер обратного отсчета.
СообщениеДобавлено: Вт июл 24, 2012 14:54:45 
Друг Кота

Карма: 33
Рейтинг сообщений: 213
Зарегистрирован: Ср окт 14, 2009 10:37:49
Сообщений: 3956
Откуда: Украина
Рейтинг сообщения: 0
nvz писал(а):
Вот такой

И что, напряжение после ЕН5 не падает до 0 после отключения сети?
Действия следующие:
1. Измерить напряжение после ЕН5 при отключенной сети. (Для определения причины.)
2. Отсоединить D4 от D1 и катод D4 замкнуть на общий провод. (Для определения причины.)
3. Установить электролит (5-10 мкФ) на выходе ЕН5.
4. Перенести D4-R1 до ЕН5.

Если это не поможет - буду думать дальше.


Вернуться наверх
 
Не в сети
 Заголовок сообщения: Re: Таймер обратного отсчета.
СообщениеДобавлено: Вт июл 24, 2012 15:19:08 
Электрический кот
Аватар пользователя

Карма: 10
Рейтинг сообщений: 22
Зарегистрирован: Чт ноя 25, 2010 16:58:42
Сообщений: 1056
Откуда: Средний Урал
Рейтинг сообщения: 0
Soir писал(а):
И что, напряжение после ЕН5 не падает до 0 после отключения сети?

IMXO ну и упадёт до ноля и что? это просто напряжение по отношению к минусу, но не соединение с минусом! С тем же успехом я могу отключить диод с резистором от плюса.
У меня уже крыша едет: при питании от сети соединил 6 вывод через 2 кОм с минусом - индикация пропала. А при питании от дополнительного источника этот фокус не проходит.
А напряжение после ЕН5 будет по цепи :внутреннее сопротивление от плюса в МК - резистор - диод.


Вернуться наверх
 
Не в сети
 Заголовок сообщения: Re: Таймер обратного отсчета.
СообщениеДобавлено: Вт июл 24, 2012 15:55:33 
Друг Кота

Карма: 33
Рейтинг сообщений: 213
Зарегистрирован: Ср окт 14, 2009 10:37:49
Сообщений: 3956
Откуда: Украина
Рейтинг сообщения: 0
nvz писал(а):
Soir писал(а):
И что, напряжение после ЕН5 не падает до 0 после отключения сети?

IMXO ну и упадёт до ноля и что? это просто напряжение по отношению к минусу, но не соединение с минусом!

Это только твое "IMXO", оно глубоко ошибочно.
nvz писал(а):
С тем же успехом я могу отключить диод с резистором от плюса.

Успех будет совсем иным. Цепь не заканчивается на D4 и не обрывается. Есть еще утечки ЕН5. Вот через них и будет соединение с "минусом". Если утечек недостаточно, тогда их надо создавать. Утечки по входу ЕН5 больше (да еще и стабилитрон), чем на выходе, поэтому я и предлагаю перенести цепочку на вход. Как вариант.
nvz писал(а):
У меня уже крыша едет: при питании от сети соединил 6 вывод через 2 кОм с минусом - индикация пропала. А при питании от дополнительного источника этот фокус не проходит.

D4 присутствует? исправен? включен правильно?
nvz писал(а):
А напряжение после ЕН5 будет по цепи :внутреннее сопротивление от плюса в МК - резистор - диод.

... и утечки на "минус".


Мне уже хочется хоть один практический замер напряжения до и после ЕН5 увидеть. Сколько можно (и нужно ли в данном случае) теорию муссировать, неужели трудно измерить? Это сразу покажет где проблема и как ее решать.


Вернуться наверх
 
Не в сети
 Заголовок сообщения: Re: Таймер обратного отсчета.
СообщениеДобавлено: Вт июл 24, 2012 16:03:10 
Электрический кот
Аватар пользователя

Карма: 10
Рейтинг сообщений: 22
Зарегистрирован: Чт ноя 25, 2010 16:58:42
Сообщений: 1056
Откуда: Средний Урал
Рейтинг сообщения: 0
Да я уже дома, рабочий день закончился. Мерял я на катоде D4 (после ЕН5), вроде было 1,6В. Завтра с утра померяю точнее. Да, я ещё 2кОм цеплял параллельно конденсатору после ЕН - толку не было.
D4 присутствует, исправен, включен правильно - анодом к МК.


Вернуться наверх
 
Не в сети
 Заголовок сообщения: Re: Таймер обратного отсчета.
СообщениеДобавлено: Вт июл 24, 2012 16:10:59 
Друг Кота

Карма: 33
Рейтинг сообщений: 213
Зарегистрирован: Ср окт 14, 2009 10:37:49
Сообщений: 3956
Откуда: Украина
Рейтинг сообщения: 0
nvz писал(а):
Да я уже дома, рабочий день закончился. Мерял я на катоде D4 (после ЕН5), вроде было 1,6В. Завтра с утра померяю точнее. Да, я ещё 2кОм цеплял параллельно конденсатору после ЕН - толку не было.
D4 присутствует, исправен, включен правильно - анодом к МК.

Ладно, через два часа и я буду дома, спаяю, проверю сам...


Вернуться наверх
 
Не в сети
 Заголовок сообщения: Re: Таймер обратного отсчета.
СообщениеДобавлено: Вт июл 24, 2012 21:32:48 
Друг Кота

Карма: 33
Рейтинг сообщений: 213
Зарегистрирован: Ср окт 14, 2009 10:37:49
Сообщений: 3956
Откуда: Украина
Рейтинг сообщения: 0
Soir писал(а):
...спаяю, проверю сам...

Спаял, проверил...
В жизни не все так просто, как в теории и в симуляторе. Но решение есть.
Тока утечек действительно нехватает для нормальной работы схемы определения питания. Проблема в том, что в те моменты, когда идет индикация символа А заряжается конденсатор на выходе ЕН5, а при опросе состояния он не успевает разрядиться. Связано это с тем, что опрос очень быстрый, меньше 10 мкс, за это время даже небольшая емкость (например, входная емкость тестера) не успевает разрядиться до нужной величины. Злую шутку здесь играет D4, он также препятствует разряду, когда символ А отключен и падение напряжения на нем влияет на напряжение на выводе МК. Да и обратный ток ЕН5 имеет нелинейный характер и до нуля напряжение не падает.

Пути здесь два.
Первый - разряжать конденсатор.
Второй - не давать ему заряжаться.

Первый имеет недостаток: его реализация требует дополнительной нагрузки на выход ЕН5 или каких то схемных извращений.

Второй более интересный и по большей части решается программно. Всех подробностей описывать не буду, но основные моменты. Заряд конденсатора происходит в моменты, когда на выходе сегмент А высокий уровень, то есть когда сегмент включен. В определенные моменты он включен почти постоянно, например время 22.55. Логично перейти с сегмента А на H (точка). Дальше, момент опроса. Опрашивать нужно непосредственно перед включением разряда с точкой, это позволит максимально разрядиться накопившемуся заряду конденсатора. Ну и еще несколько моментов в том же духе.
Теперь, что касается схемы. Как я уже писал, узел определения наличия питания переносим на вывод 13 (RB7), это главный момент. Непосредственно после ЕН5 большую емкость ставить не стоит, там хватит и 0,1 мкФ. Больше можно ставить после D1. Если все равно индикатор не отключается, тогда убрать D4. Есть в этом случае один недостаток, я писал раньше, но ничего страшного не произойдет. Без диода я увеличивал емкость до 100 мкФ и все работало нормально. В работе узла участвует также цепочка на управление транзистором, включающим реле. Я уже здесь не экспериментировал на ее отключение, но ее отсутствие может повлиять на нормальную работу схемы.
Во вложении все это.


Вложения:
Timer_Day_CC_84_1.zip [10.5 KiB]
Скачиваний: 253
Вернуться наверх
 
Не в сети
 Заголовок сообщения: Re: Таймер обратного отсчета.
СообщениеДобавлено: Ср июл 25, 2012 06:40:45 
Электрический кот
Аватар пользователя

Карма: 10
Рейтинг сообщений: 22
Зарегистрирован: Чт ноя 25, 2010 16:58:42
Сообщений: 1056
Откуда: Средний Урал
Рейтинг сообщения: 0
В таком виде всё работает, индикатор отключается. Буду собирать в чистовом варианте, там видно будет. Большое спасибо!
Сделанные замеры не выкладываю, вроде не нужны.


Вернуться наверх
 
Не в сети
 Заголовок сообщения: Re: Таймер обратного отсчета.
СообщениеДобавлено: Пт июл 27, 2012 14:08:19 
Вымогатель припоя
Аватар пользователя

Карма: 2
Рейтинг сообщений: 48
Зарегистрирован: Сб фев 02, 2008 10:51:52
Сообщений: 599
Откуда: Khabarovsk
Рейтинг сообщения: 0
Ув.Soir, требуется небольшая дороботка таймера,нужно добавить один тумблер,перевод режима ручной-автомат.При включении реж.авто и нажатой кнопке пуск, циклы должны идти неприрывно, пока не отпустишь кнопку пуск. С уважением :lol:


Вложения:
Безымянный.JPG [122.33 KiB]
Скачиваний: 560
Вернуться наверх
 
Не в сети
 Заголовок сообщения: Re: Таймер обратного отсчета.
СообщениеДобавлено: Пт июл 27, 2012 15:58:00 
Друг Кота

Карма: 33
Рейтинг сообщений: 213
Зарегистрирован: Ср окт 14, 2009 10:37:49
Сообщений: 3956
Откуда: Украина
Рейтинг сообщения: 0
timer32 писал(а):
Ув.Soir, требуется небольшая дороботка таймера,нужно добавить один тумблер,перевод режима ручной-автомат.При включении реж.авто и нажатой кнопке пуск, циклы должны идти неприрывно, пока не отпустишь кнопку пуск. С уважением :lol:

Что-то я не разобрался в двух кнопках.
Если нажата кнопка авто (у меня она называется LOOP) и нажата пуск цикл бесконечный.
Если хотя бы одна из кнопок не нажата, то отрабатывается один проход таймеров? Или точнее, по завершению работы таймера 4 новый цикл не начинается?
Опишите, как должно вести себя устройство при всех комбинациях состояния кнопок.
Может проще оставить одну кнопку пуск, если по завершении работы таймера она нажата - цикл повторяется, если не нажата - останавливается.
Или вот так. Кнопка старт запускает таймеры, по завершении таймера 4, если кнопка авто нажата - цикл повторяется, если нет, то нет. Во вложении такой варианта прошивки.


Вложения:
Timer_4ch.zip [16.27 KiB]
Скачиваний: 264
Вернуться наверх
 
Не в сети
 Заголовок сообщения: Re: Таймер обратного отсчета.
СообщениеДобавлено: Сб июл 28, 2012 01:11:22 
Вымогатель припоя
Аватар пользователя

Карма: 2
Рейтинг сообщений: 48
Зарегистрирован: Сб фев 02, 2008 10:51:52
Сообщений: 599
Откуда: Khabarovsk
Рейтинг сообщения: 0
Ув.Soir, при включении LOOP и постоянном нажатии "пуск" циклы идут бесконечно, при отжатии кнопке"пуск" цикл завершается.
Следующее постоянное нажатие"пуск"циклы идут опять непрерывно. При выключении LOOP все как в старой
прошивке. А в новой прошивке при вкл.LOOP и однократном нажатии"пуск" циклы идут непрерывно.Спасибо,жду коррректировочки :shock:


Вернуться наверх
 
Не в сети
 Заголовок сообщения: Re: Таймер обратного отсчета.
СообщениеДобавлено: Сб июл 28, 2012 08:05:41 
Друг Кота

Карма: 33
Рейтинг сообщений: 213
Зарегистрирован: Ср окт 14, 2009 10:37:49
Сообщений: 3956
Откуда: Украина
Рейтинг сообщения: 0
timer32 писал(а):
...при включении LOOP и постоянном нажатии "пуск" циклы идут бесконечно, при отжатии кнопке"пуск" цикл завершается.
Следующее постоянное нажатие"пуск"циклы идут опять непрерывно. При выключении LOOP все как в старой
прошивке.

Сделал. Все равно у меня осталось недопонимание такого решения, возможно из-за того, что я не знаю назначение устройства. Проверяйте.


Вложения:
Timer_4ch.zip [1.78 KiB]
Скачиваний: 253
Вернуться наверх
 
Не в сети
 Заголовок сообщения: Re: Таймер обратного отсчета.
СообщениеДобавлено: Сб июл 28, 2012 14:37:20 
Вымогатель припоя
Аватар пользователя

Карма: 2
Рейтинг сообщений: 48
Зарегистрирован: Сб фев 02, 2008 10:51:52
Сообщений: 599
Откуда: Khabarovsk
Рейтинг сообщения: 0
Сделал. Все равно у меня осталось недопонимание такого решения, возможно из-за того, что я не знаю назначение устройства. Проверяйте.[/quote]

Ув. Soir, вот так мне и нужно было, использовать хочу в регуляторе контактной сварке управление симисторами.
Еще раз большое спасибо за то, что никогда неотказываете в помощи :lol:


Вернуться наверх
 
Не в сети
 Заголовок сообщения: Re: Таймер обратного отсчета.
СообщениеДобавлено: Пн июл 30, 2012 17:58:01 
Нашел транзистор. Понюхал.

Зарегистрирован: Пт дек 17, 2010 23:19:40
Сообщений: 190
Откуда: Чешская Республика
Рейтинг сообщения: 0
Здравствуйте уважаемый Soir,
Вы можете изменить эту прошивкy с диапазонами установки 0.0-99 минут ,для дисплейа с общим анодом?
спасибо pert


Вернуться наверх
 
Не в сети
 Заголовок сообщения: Re: Таймер обратного отсчета.
СообщениеДобавлено: Пн июл 30, 2012 18:21:11 
Друг Кота

Карма: 33
Рейтинг сообщений: 213
Зарегистрирован: Ср окт 14, 2009 10:37:49
Сообщений: 3956
Откуда: Украина
Рейтинг сообщения: 0
pert писал(а):
Вы можете изменить эту прошивкy с диапазонами установки 0.0-99 минут ,для дисплейа с общим анодом?

Могу, только скажите какую "эту"?


Вернуться наверх
 
Не в сети
 Заголовок сообщения: Re: Таймер обратного отсчета.
СообщениеДобавлено: Пн июл 30, 2012 22:39:18 
Нашел транзистор. Понюхал.

Зарегистрирован: Пт дек 17, 2010 23:19:40
Сообщений: 190
Откуда: Чешская Республика
Рейтинг сообщения: 0
последняя прошивка Timer_4ch.zip , для timer32.
pert


Вернуться наверх
 
Показать сообщения за:  Сортировать по:  Вернуться наверх
Начать новую тему Ответить на тему  [ Сообщений: 455 ]     ... , , , 6, , , ...  

Часовой пояс: UTC + 3 часа


Кто сейчас на форуме

Сейчас этот форум просматривают: нет зарегистрированных пользователей и гости: 11


Вы не можете начинать темы
Вы не можете отвечать на сообщения
Вы не можете редактировать свои сообщения
Вы не можете удалять свои сообщения
Вы не можете добавлять вложения

Найти:
Перейти:  


Powered by phpBB © 2000, 2002, 2005, 2007 phpBB Group
Русская поддержка phpBB
Extended by Karma MOD © 2007—2012 m157y
Extended by Topic Tags MOD © 2012 m157y