Например TDA7294

Форум РадиоКот • Просмотр темы - Формирование единичного импульса при включении питания.
Форум РадиоКот
Здесь можно немножко помяукать :)

Текущее время: Пн ноя 03, 2025 18:04:31

Часовой пояс: UTC + 3 часа


ПРЯМО СЕЙЧАС:



Начать новую тему Ответить на тему  [ Сообщений: 138 ]    , , 3, , , ,  
Автор Сообщение
Не в сети
 Заголовок сообщения: Re: Формирование единичного импульса при включении питания.
СообщениеДобавлено: Пт мар 24, 2023 15:01:11 
Друг Кота
Аватар пользователя

Карма: 5
Рейтинг сообщений: 61
Зарегистрирован: Ср сен 30, 2020 16:51:47
Сообщений: 4625
Откуда: РФ
Рейтинг сообщения: 0
Delphin911,
Промежуточный итог:
При подключенной схеме сброса на RST 3,3 Вольта - устройство не работает.
При отключенной схеме сброса на RST 3,3 Вольта - устройство работает.
Какие ещё есть отличия в схеме?


Вернуться наверх
 
Не в сети
 Заголовок сообщения: Re: Формирование единичного импульса при включении питания.
СообщениеДобавлено: Пт мар 24, 2023 15:53:17 
Нашел транзистор. Понюхал.

Зарегистрирован: Ср мар 11, 2020 23:41:43
Сообщений: 163
Рейтинг сообщения: 0
Получается, что всё нормально, но не работает. При чем сброс я думаю отрабатывает как положено. Просто при подключеной схеме устройство поччему-то не запускается.


Вернуться наверх
 
Не в сети
 Заголовок сообщения: Re: Формирование единичного импульса при включении питания.
СообщениеДобавлено: Пт мар 24, 2023 15:55:45 
Друг Кота
Аватар пользователя

Карма: 5
Рейтинг сообщений: 61
Зарегистрирован: Ср сен 30, 2020 16:51:47
Сообщений: 4625
Откуда: РФ
Рейтинг сообщения: 0
Просто при подключеной схеме устройство поччему-то не запускается.

Потому - что эта схема негодная. Делайте другую.


Вернуться наверх
 
Не в сети
 Заголовок сообщения: Re: Формирование единичного импульса при включении питания.
СообщениеДобавлено: Пт мар 24, 2023 16:26:43 
Нашел транзистор. Понюхал.

Зарегистрирован: Ср мар 11, 2020 23:41:43
Сообщений: 163
Рейтинг сообщения: 0
С оптроном попробовать?


Вложения:
sfsfsfs.GIF [1.74 KiB]
Скачиваний: 77
Вернуться наверх
 
Эиком - электронные компоненты и радиодетали
Не в сети
 Заголовок сообщения: Re: Формирование единичного импульса при включении питания.
СообщениеДобавлено: Пт мар 24, 2023 16:29:15 
Друг Кота
Аватар пользователя

Карма: 5
Рейтинг сообщений: 61
Зарегистрирован: Ср сен 30, 2020 16:51:47
Сообщений: 4625
Откуда: РФ
Рейтинг сообщения: 0
Попробуйте.


Вернуться наверх
 
Не в сети
 Заголовок сообщения: Re: Формирование единичного импульса при включении питания.
СообщениеДобавлено: Вс мар 26, 2023 18:48:56 
Нашел транзистор. Понюхал.

Зарегистрирован: Ср мар 11, 2020 23:41:43
Сообщений: 163
Рейтинг сообщения: 0
Вот с этой схемой запускается. Но при включении питания нет скачка на выходе. А вообще какой емкости электролит должен быть? И электролит ли вообще? Все типовые схемы оптрона без кондеров на входе, ну это и понятно, там другой смысл.


Вернуться наверх
 
Не в сети
 Заголовок сообщения: Re: Формирование единичного импульса при включении питания.
СообщениеДобавлено: Вс мар 26, 2023 18:52:20 
Друг Кота
Аватар пользователя

Карма: 5
Рейтинг сообщений: 61
Зарегистрирован: Ср сен 30, 2020 16:51:47
Сообщений: 4625
Откуда: РФ
Рейтинг сообщения: 0
Вот с этой схемой запускается. Но при включении питания нет скачка на выходе. А вообще какой емкости электролит должен быть? И электролит ли вообще?

Довольно большой ёмкости. От 100 микрофарад и больше. Нужно увеличивать емкость этого конденсатора до тех пор, пока при включении питания оптрон не сработает.


Вернуться наверх
 
Не в сети
 Заголовок сообщения: Re: Формирование единичного импульса при включении питания.
СообщениеДобавлено: Вс мар 26, 2023 19:19:25 
Нашел транзистор. Понюхал.

Зарегистрирован: Ср мар 11, 2020 23:41:43
Сообщений: 163
Рейтинг сообщения: 0
Ясно. Я поставил всего 10мкФ. Завтра буду экспериментировать.


Вернуться наверх
 
Не в сети
 Заголовок сообщения: Re: Формирование единичного импульса при включении питания.
СообщениеДобавлено: Вт мар 28, 2023 13:38:23 
Нашел транзистор. Понюхал.

Зарегистрирован: Ср мар 11, 2020 23:41:43
Сообщений: 163
Рейтинг сообщения: 0
А вообще ставить до упора, пока не заработает? Просто я уже 470мкФ поставил, не работает.
1000 тоже не работает.


Вернуться наверх
 
Не в сети
 Заголовок сообщения: Re: Формирование единичного импульса при включении питания.
СообщениеДобавлено: Вт мар 28, 2023 15:12:31 
Друг Кота
Аватар пользователя

Карма: 5
Рейтинг сообщений: 61
Зарегистрирован: Ср сен 30, 2020 16:51:47
Сообщений: 4625
Откуда: РФ
Рейтинг сообщения: 0
Delphin911,
Я завтра сам попробую собрать на макете эту схему с оптроном и напишу вам что получилось.
Ждите до завтра.


Вернуться наверх
 
Не в сети
 Заголовок сообщения: Re: Формирование единичного импульса при включении питания.
СообщениеДобавлено: Вт мар 28, 2023 15:47:30 
Нашел транзистор. Понюхал.

Зарегистрирован: Ср мар 11, 2020 23:41:43
Сообщений: 163
Рейтинг сообщения: 0
А может 3,5 вольт недостаточно? Там везде схемы с 12 вольтами. Надо самому на макетке поиграться и с емкостью и с напряжением.


Вернуться наверх
 
Не в сети
 Заголовок сообщения: Re: Формирование единичного импульса при включении питания.
СообщениеДобавлено: Вт мар 28, 2023 15:54:02 
Сверлит текстолит когтями
Аватар пользователя

Карма: 12
Рейтинг сообщений: 38
Зарегистрирован: Вс май 21, 2006 16:07:59
Сообщений: 1225
Откуда: Алтай
Рейтинг сообщения: 0
С оптроном попробовать?

Работать эта схема не будет. Надо включить еще один резистор Rдоп между минусом конденсатора и корпусом, для зарядки/разрядки С1 (время будет определяться цепью C1Rдоп). Но эта схема плоха тем, что по мере зарядки конденсатора, ток через излучатель оптрона будет плавно снижаться и в какой то момент времени на выходе будет "дребезг". Если это не важно, то проблем нет. Лучше всё таки что то с триггером Шмитта прикрутить.


Вернуться наверх
 
Не в сети
 Заголовок сообщения: Re: Формирование единичного импульса при включении питания.
СообщениеДобавлено: Вт мар 28, 2023 15:59:44 
Друг Кота
Аватар пользователя

Карма: 5
Рейтинг сообщений: 61
Зарегистрирован: Ср сен 30, 2020 16:51:47
Сообщений: 4625
Откуда: РФ
Рейтинг сообщения: 0
А может 3,5 вольт недостаточно?.

Прямое падение напряжения на светодиоде оптрона примерно 1,3 Вольта.
Поэтому если эта схема не работает при 3,5 В, то она не заработает ни при 12 В, ни даже при 220 Вольт.
Можете поэкспериментировать конечно.
Завтра я сам протестирую эту схему и сообщу здесь о результате.


Вернуться наверх
 
Не в сети
 Заголовок сообщения: Re: Формирование единичного импульса при включении питания.
СообщениеДобавлено: Вт мар 28, 2023 17:28:51 
Нашел транзистор. Понюхал.

Зарегистрирован: Ср мар 11, 2020 23:41:43
Сообщений: 163
Рейтинг сообщения: 0
С оптроном попробовать?

Надо включить еще один резистор Rдоп между минусом конденсатора и корпусом, для зарядки/разрядки С1 (время будет определяться цепью C1Rдоп).


Параллельно светодиоду оптрона?
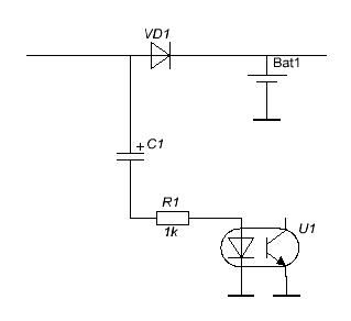
Я собрал на коленке вот такую схему:
Изображение
Под рукой у меня было две кроны, одна новая и другая старая с остатком вольт на 5. Схема работает. Чем меньше кондер, тем удавлетворительней результат. Светодиод горит меньше, соответственно импульс на сброс короче.
Другое дело, что надо действительно резюк параллельно оптрону поставить. А то кондей совсем не разряжается.


Вернуться наверх
 
Не в сети
 Заголовок сообщения: Re: Формирование единичного импульса при включении питания.
СообщениеДобавлено: Вт мар 28, 2023 17:49:29 
Друг Кота
Аватар пользователя

Карма: 5
Рейтинг сообщений: 61
Зарегистрирован: Ср сен 30, 2020 16:51:47
Сообщений: 4625
Откуда: РФ
Рейтинг сообщения: 0
Delphin911,
Схема сброса ESP работает? Проблема решена и вопрос снимается?


Вернуться наверх
 
Не в сети
 Заголовок сообщения: Re: Формирование единичного импульса при включении питания.
СообщениеДобавлено: Вт мар 28, 2023 17:51:10 
Нашел транзистор. Понюхал.

Зарегистрирован: Ср мар 11, 2020 23:41:43
Сообщений: 163
Рейтинг сообщения: 0
Нет. На коленке работает, а в устройстве нет. Я уж обзвонился схему в устройстве. Никаких ошибок не вижу.


Вернуться наверх
 
Не в сети
 Заголовок сообщения: Re: Формирование единичного импульса при включении питания.
СообщениеДобавлено: Вт мар 28, 2023 17:56:49 
Друг Кота
Аватар пользователя

Карма: 5
Рейтинг сообщений: 61
Зарегистрирован: Ср сен 30, 2020 16:51:47
Сообщений: 4625
Откуда: РФ
Рейтинг сообщения: 0
Если у меня вдруг заработает, то я нарисую рабочую схему. До завтра.


Вернуться наверх
 
Не в сети
 Заголовок сообщения: Re: Формирование единичного импульса при включении питания.
СообщениеДобавлено: Вт мар 28, 2023 18:03:35 
Вымогатель припоя
Аватар пользователя

Карма: 4
Рейтинг сообщений: 22
Зарегистрирован: Чт мар 05, 2009 05:31:16
Сообщений: 621
Откуда: г. Кемерово
Рейтинг сообщения: 0
Delphin911 писал(а):
Работать эта схема не будет. Надо включить еще один резистор Rдоп между минусом конденсатора и корпусом, для зарядки/разрядки С1 (время будет определяться цепью C1Rдоп). Но эта схема плоха тем, что по мере зарядки конденсатора, ток через излучатель оптрона будет плавно снижаться и в какой то момент времени на выходе будет "дребезг". Если это не важно, то проблем нет. Лучше всё таки что то с триггером Шмитта прикрутить.


ТС писал о интервалах а десятки минут, емкость сама вполне само разрядится.
У оптронов дребезга не бывает. При пограничном токе светодиода, транзистор находится а режиме А.
В любом контроллере вход сброса уже имеет триггер Шмидта на входе

Добавлено after 5 minutes 27 seconds:
ТС общую схему так и не привел, что там он куда подключает, и почему рабочая схема не работает, это еще та загадка :)


Вернуться наверх
 
Не в сети
 Заголовок сообщения: Re: Формирование единичного импульса при включении питания.
СообщениеДобавлено: Вт мар 28, 2023 21:53:24 
Нашел транзистор. Понюхал.

Зарегистрирован: Ср мар 11, 2020 23:41:43
Сообщений: 163
Рейтинг сообщения: 0
ТС общую схему так и не привел, что там он куда подключает, и почему рабочая схема не работает, это еще та загадка :)


Общая схема - ESP8266 Wemos D1 Mini. Задача - подать импульс сброса на RESET в момент включения питания схемы. Более никак с остальной схемой эта часть не завязана.
Почему не работает та что не на коленке? Там надо будет ее снять и проверить сначала работоспособность на коленке. :))) Там мааааленькая макетка и могут быть сопли или недоделки.


Вернуться наверх
 
Не в сети
 Заголовок сообщения: Re: Формирование единичного импульса при включении питания.
СообщениеДобавлено: Ср мар 29, 2023 06:08:04 
Вымогатель припоя
Аватар пользователя

Карма: 4
Рейтинг сообщений: 22
Зарегистрирован: Чт мар 05, 2009 05:31:16
Сообщений: 621
Откуда: г. Кемерово
Рейтинг сообщения: 0
Если используется режим глубокого сна, должен быть резистор между RST и GPIO16 , на схеме модуля его нет.


Вернуться наверх
 
Показать сообщения за:  Сортировать по:  Вернуться наверх
Начать новую тему Ответить на тему  [ Сообщений: 138 ]    , , 3, , , ,  

Часовой пояс: UTC + 3 часа


Кто сейчас на форуме

Сейчас этот форум просматривают: нет зарегистрированных пользователей и гости: 39


Вы не можете начинать темы
Вы не можете отвечать на сообщения
Вы не можете редактировать свои сообщения
Вы не можете удалять свои сообщения
Вы не можете добавлять вложения

Найти:
Перейти:  


Powered by phpBB © 2000, 2002, 2005, 2007 phpBB Group
Русская поддержка phpBB
Extended by Karma MOD © 2007—2012 m157y
Extended by Topic Tags MOD © 2012 m157y