Например TDA7294

Форум РадиоКот • Просмотр темы - Частотомер-конструктор F51.12
Форум РадиоКот
Здесь можно немножко помяукать :)

Текущее время: Ср дек 24, 2025 13:29:52

Часовой пояс: UTC + 3 часа


ПРЯМО СЕЙЧАС:



Начать новую тему Ответить на тему  [ Сообщений: 156 ]    , , 3, , , ...  
Автор Сообщение
Не в сети
 Заголовок сообщения: Re: Частотомер-конструктор F51.12
СообщениеДобавлено: Ср фев 01, 2012 15:45:24 
Друг Кота
Аватар пользователя

Карма: 96
Рейтинг сообщений: 1494
Зарегистрирован: Вт мар 16, 2010 22:02:27
Сообщений: 15320
Откуда: ДОНЕЦК
Рейтинг сообщения: 0
не просто "подправить", а заново все переработать прийдется!
предпочтение или разновидности TPIC6C595 или "парочке" 74HC595+ULN2803 по 1 штуке на знакоместо (статика) :tea:


Вернуться наверх
 
Не в сети
 Заголовок сообщения: Re: Частотомер-конструктор F51.12
СообщениеДобавлено: Ср фев 01, 2012 16:24:22 
Прорезались зубы
Аватар пользователя

Зарегистрирован: Пт июл 25, 2008 14:09:04
Сообщений: 201
Откуда: Зауралье
Рейтинг сообщения: 0
Не знаю, буржуйские микрухи трудно достать будет...
А что если на динамике попробовать: К514ИД1 на сегменты (она как раз для общих катодов) и какой-нить 4х10 из 555 или 1533 серий а общие катоды?
Или уж 176-я серия, как я тут нарисовал?
Изображение
Так будет работать?


Вернуться наверх
 
Не в сети
 Заголовок сообщения: Re: Частотомер-конструктор F51.12
СообщениеДобавлено: Чт фев 02, 2012 15:01:27 
Друг Кота
Аватар пользователя

Карма: 96
Рейтинг сообщений: 1494
Зарегистрирован: Вт мар 16, 2010 22:02:27
Сообщений: 15320
Откуда: ДОНЕЦК
Рейтинг сообщения: 0
при кратностях развертки более х4 (ну еще х8) будет наблюдаться снижение яркости :cry:
в принципе решать потребителю, чего и как делать :tea:
да и позиционные ключи лучше на 155ИД7+ транзюки (схема с ОА), а вместо сегментных ключей буфер( на кт315) с побайтовой выдачей (8+4=12 лапок)


Вернуться наверх
 
Не в сети
 Заголовок сообщения: Re: Частотомер-конструктор F51.12
СообщениеДобавлено: Чт фев 02, 2012 21:05:33 
Прорезались зубы
Аватар пользователя

Зарегистрирован: Пт июл 25, 2008 14:09:04
Сообщений: 201
Откуда: Зауралье
Рейтинг сообщения: 0
BOB51 писал(а):
при кратностях развертки более х4 (ну еще х8) будет наблюдаться снижение яркости :cry:
Ну я сначала под динамику сделаю (ведь в конце концов КИПЦ-27 под это задуман). Если уж слишком тускло будет - под статику переделаю, Ваш совет относительно 74HC595 заинтерисовал. :)

BOB51 писал(а):
да и позиционные ключи лучше на 155ИД7+ транзюки (схема с ОА)

Насколько я знаю, ИД7 не выпускался в 155й серии, вроде только 555 и 531...
И почему именно ИД7, ведь он 3х8, тогда 4й канал на 9й катод выходит мимо дешифратора пойдет?
Правильно теперь я нарисовал для ОК?

BOB51 писал(а):
вместо сегментных ключей буфер( на кт315) с побайтовой выдачей (8+4=12 лапок)
Это как??? :roll:


Вложения:
193_Shem2.gif [130.07 KiB]
Скачиваний: 845
Вернуться наверх
 
Эиком - электронные компоненты и радиодетали
Не в сети
 Заголовок сообщения: Re: Частотомер-конструктор F51.12
СообщениеДобавлено: Чт фев 02, 2012 21:24:06 
Друг Кота
Аватар пользователя

Карма: 96
Рейтинг сообщений: 1494
Зарегистрирован: Вт мар 16, 2010 22:02:27
Сообщений: 15320
Откуда: ДОНЕЦК
Рейтинг сообщения: 0
примерно так, только применительно к Вашему ПИКу 8)


Вложения:
box20_схема.pdf [29.16 KiB]
Скачиваний: 551
Вернуться наверх
 
Не в сети
 Заголовок сообщения: Re: Частотомер-конструктор F51.12
СообщениеДобавлено: Пт фев 03, 2012 10:07:50 
Модератор
Аватар пользователя

Карма: 14
Рейтинг сообщений: 37
Зарегистрирован: Чт дек 11, 2008 14:52:26
Сообщений: 11492
Откуда: град Нижний
Рейтинг сообщения: 0
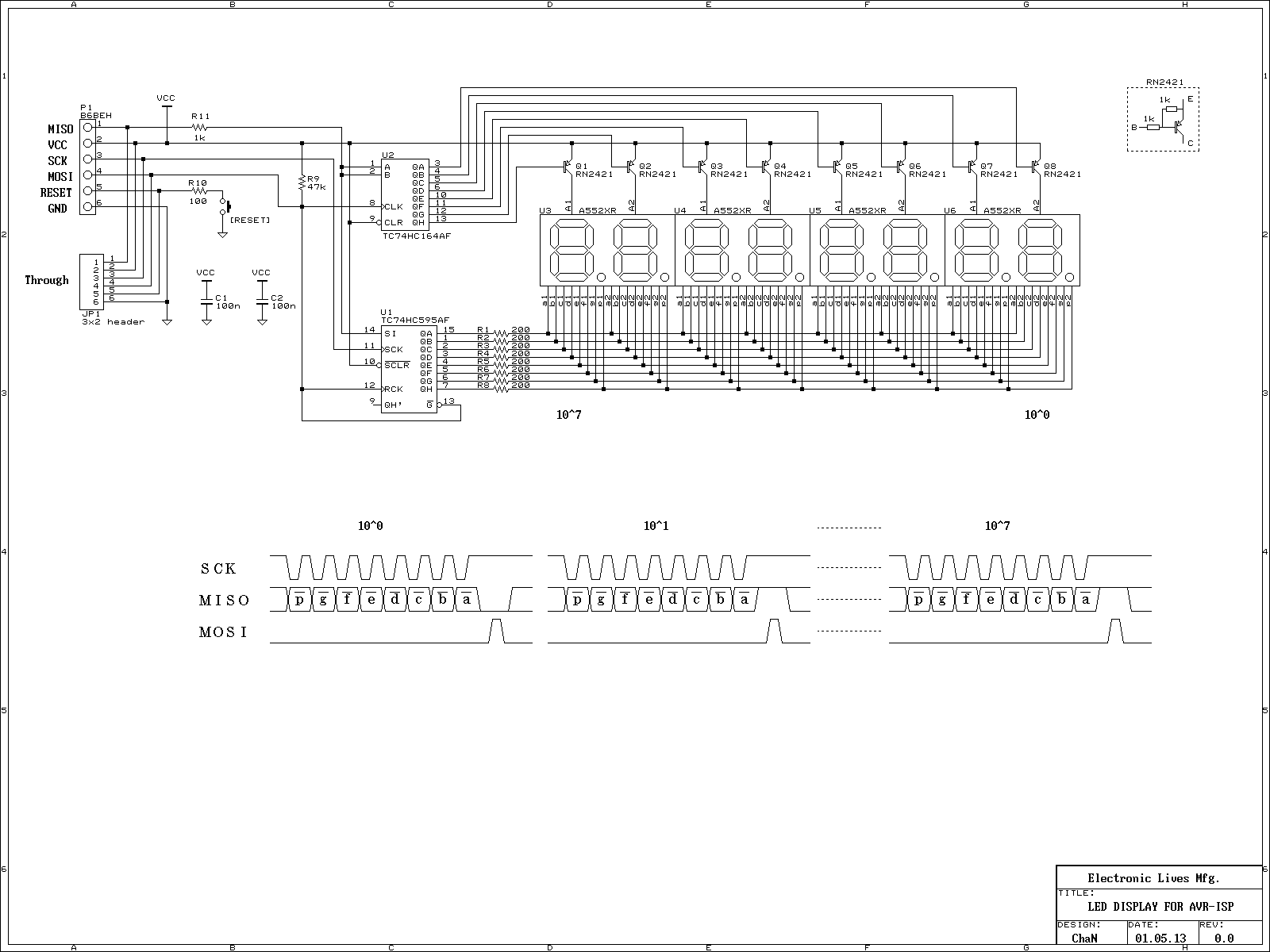
Если использовать SPI-интерфейс, то можно так: http://elm-chan.org/docs/avr/ispled1.png

_________________
ИзображениеМежду людьми возникает напряжение, если у них разный потенциал...


Вернуться наверх
 
Не в сети
 Заголовок сообщения: Re: Частотомер-конструктор F51.12
СообщениеДобавлено: Пт фев 03, 2012 11:42:13 
Друг Кота

Карма: 28
Рейтинг сообщений: 568
Зарегистрирован: Чт май 05, 2011 21:26:34
Сообщений: 4550
Откуда: Украина, Славутич
Рейтинг сообщения: 0
Ха... где ж я раньше был! А я какраз на базе светодиодного индикатора от кассового аппарата сделал частотомер на PIC16F628. Особенность индикатора - большие цифры, встроенный драйверы на транзисторах с логическим уровнем на входе. Знакоместа перебираю 561ИЕ8, а сегменты при помощи пары 561ИР9. Совместно с делителем LB3500 берет частоту в 100Мгц(вроде бы до 300 умеет) с чувствительностью по входу около 30мв.

Вобщем, это была попытка сделать PLL к приемнику, и прошивка несколько недоделана(измеряет 10мс). Но зато есть исходник.

Могу сказать, что сам контроллер без предделителя может считать до 20Мгц, это обусловлено режимом работы таймера. Да, в другом режиме есть ограничение поскольку вход таймера при этом тактируется от частоты ядра = FOSC/4 и при более высокой частоте на входе - просто будут пропускаться некоторое количество импульсов, чем частота больше тем больше будет пропущено.

Соответственно, контроллер при этом питаться должен от 5В чтобы обеспечить верхний предел по частоте, и не забывать что при этом возрастает потребление тока.


Вернуться наверх
 
Не в сети
 Заголовок сообщения: Re: Частотомер-конструктор F51.12
СообщениеДобавлено: Сб фев 04, 2012 10:36:30 
Друг Кота
Аватар пользователя

Карма: 52
Рейтинг сообщений: 846
Зарегистрирован: Вт сен 07, 2010 03:01:06
Сообщений: 16545
Откуда: Moscow-Izmaylovo
Рейтинг сообщения: 0
BOB51 писал(а):
TPIC6C595 или "парочке" 74HC595+ULN2803 по 1 штуке на знакоместо (статика) :tea:
и цена за микру соответственная как за две


МитяРа писал(а):
Если использовать SPI-интерфейс, то можно так: http://elm-chan.org/docs/avr/ispled1.png
чёт косяк не понятный
http://ru.yahoo.com/?p=us

_________________
Лечу лечить WWWашу покалеченную технику.


Последний раз редактировалось m.ix Сб фев 04, 2012 10:38:05, всего редактировалось 1 раз.

Вернуться наверх
 
Не в сети
 Заголовок сообщения: Re: Частотомер-конструктор F51.12
СообщениеДобавлено: Сб фев 04, 2012 10:37:31 
Прорезались зубы
Аватар пользователя

Зарегистрирован: Пт июл 25, 2008 14:09:04
Сообщений: 201
Откуда: Зауралье
Рейтинг сообщения: 0
BOB51 писал(а):
при кратностях развертки более х4 (ну еще х8) будет наблюдаться снижение яркости :cry:
А так ли оно будет заметно?
Ведь установлено, что если скорость индикации превышает 50 Гц (на разряд), то человеческий глаз видит нормальное статическое изображение. Для хорошей индикации желательно устанавливать частоту в районе 100Гц.
Пусть частота прерываний будет 1кГц, тогда F(инд)=1000/9=111,11Гц на разряд.
Если разогнать контроллер по полной (до 20МГц), то он должен и успевать считать импульсы и нормально индицировать... :roll:

Alexeyslav писал(а):
А я какраз на базе светодиодного индикатора от кассового аппарата сделал частотомер на PIC16F628.
А можно схемку взглянуть?

m.ix писал(а):
МитяРа писал(а):
Если использовать SPI-интерфейс, то можно так: http://elm-chan.org/docs/avr/ispled1.png
чёт косяк не понятный
http://ru.yahoo.com/?p=us

У меня тоже через FireFox косяк был, а через IE6 открылась картинка (во вложении).
Судя по ней, на всю индикацию вообще 4х портов МК хватит.... :shock:


Вложения:
ispled1.png [11.38 KiB]
Скачиваний: 860
Вернуться наверх
 
Не в сети
 Заголовок сообщения: Re: Частотомер-конструктор F51.12
СообщениеДобавлено: Сб фев 04, 2012 11:12:57 
Друг Кота
Аватар пользователя

Карма: 96
Рейтинг сообщений: 1494
Зарегистрирован: Вт мар 16, 2010 22:02:27
Сообщений: 15320
Откуда: ДОНЕЦК
Рейтинг сообщения: 0
на той схемке требуется 5 линий (принуд. сброс предпочтительно командой с МК делать, но можно и вообще без него - начальная загрузка файла нулями)
да и 20-30мА на лапку стандартной логики - весьма садомазо... лучше добавить uln2803 - надежнее будет, да и питание повысить можно :tea:
есть даже печатка под DIP версию 74hc595+uln2803 :roll:
чего касательно видимости - то и х64 не проблема (делал и "растровую" матрицу), НО лишь при соответствующем внешнем освещении - в полумраке неплохо, а на солнышке или при 100-ватной лампе... мня... не очень... :cry:


Вернуться наверх
 
Не в сети
 Заголовок сообщения: Re: Частотомер-конструктор F51.12
СообщениеДобавлено: Сб фев 04, 2012 12:42:44 
Друг Кота

Карма: 28
Рейтинг сообщений: 568
Зарегистрирован: Чт май 05, 2011 21:26:34
Сообщений: 4550
Откуда: Украина, Славутич
Рейтинг сообщения: 0
К сожалению, схемы пока нет ... она собрана только на макетке. Срисую - выложу.
Индикаторы - HDSP-5501, красные.

Вложение:
Комментарий к файлу: Измерение с образцового генератора 1кГц
izm1Khz.jpg [65.22 KiB]
Скачиваний: 591


Вложение:
Комментарий к файлу: измерение своего же тактового генератора МК
izm5Mhz.jpg [60.62 KiB]
Скачиваний: 898


Вернуться наверх
 
Не в сети
 Заголовок сообщения: Re: Частотомер-конструктор F51.12
СообщениеДобавлено: Сб фев 04, 2012 12:52:25 
Прорезались зубы
Аватар пользователя

Зарегистрирован: Пт июл 25, 2008 14:09:04
Сообщений: 201
Откуда: Зауралье
Рейтинг сообщения: 0
Еще я подумал, что у делителя на 640 будет сильная погрешность на низких частотах...
Как лучше с ней справиться:
может через переключатель подавать либо сигнал с делителя либо напрямую, соответственно со меной коэффициента деления?

Alexeyslav писал(а):
... она собрана только на макетке.
Индикаторы - HDSP-5501, красные.
Симпатично получилось! :)
Так значит у Вас динамическая индикация...
А крайние справа разряды индикатора незадействованы совсем?


Последний раз редактировалось Vicont Сб фев 04, 2012 13:12:44, всего редактировалось 1 раз.

Вернуться наверх
 
Не в сети
 Заголовок сообщения: Re: Частотомер-конструктор F51.12
СообщениеДобавлено: Сб фев 04, 2012 13:06:51 
Друг Кота

Карма: 28
Рейтинг сообщений: 568
Зарегистрирован: Чт май 05, 2011 21:26:34
Сообщений: 4550
Откуда: Украина, Славутич
Рейтинг сообщения: 0
В этом нет необходимости. зачем делить на 640? делить на 8 - и микроконтроллер сможет считать до 100Мгц.

Тут стоит обратится немного в метрологию. Используя доступные кварцы, точность частотомера всеравно будет не более 4-5 ЗНАКОВ! чтобы повышать точность нужно применять специальные подходы к стабилизации частоты кварца и его термостатирование. При этом надо ликвидировать погрешность самого алгоритма - высчитать точность выдержки от начала счета до фиксации значения с точностью до 1 такта микроконтроллера, обычно это невозможно поскольку в момент счета работает прерывание по переполнению таймера для организации многоразрядного счетчика - прерывание удлиняет выдержку на определенное количество тактов - на 10-20. и зависит это от частоты возникновения прерываний - а значит от частоты входного сигнала.


Вернуться наверх
 
Не в сети
 Заголовок сообщения: Re: Частотомер-конструктор F51.12
СообщениеДобавлено: Сб фев 04, 2012 13:20:24 
Прорезались зубы
Аватар пользователя

Зарегистрирован: Пт июл 25, 2008 14:09:04
Сообщений: 201
Откуда: Зауралье
Рейтинг сообщения: 0
Alexeyslav писал(а):
зачем делить на 640? делить на 8 - и микроконтроллер сможет считать до 100Мгц.
Просто у меня несколько 193ПЦ1 завалялись, хочется их в дело пустить. Предполагается рабочий диапазон 200-400Мгц. Если использовать эту микру да предела - 1 ГГц, вообще прекрасно будет.

Alexeyslav писал(а):
Используя доступные кварцы, точность частотомера всеравно будет не более 4-5 ЗНАКОВ!
Так то оно так, но думаю, что с делением на 640, на частотах до 1Мгц точность и того меньше будет...


Вернуться наверх
 
Не в сети
 Заголовок сообщения: Re: Частотомер-конструктор F51.12
СообщениеДобавлено: Сб фев 04, 2012 13:43:52 
Друг Кота

Карма: 28
Рейтинг сообщений: 568
Зарегистрирован: Чт май 05, 2011 21:26:34
Сообщений: 4550
Откуда: Украина, Славутич
Рейтинг сообщения: 0
Дели на 16. Измеряя частоту с шагом 100 Гц, особых проблем не предвидится.

Для измерения низких частот до 20Мгц лучше использовать другой частотомер. Потому что помимо делителя надо будет еще и другой входной узел использовать. Твоя 193ПЦ1 наверняка работает от 100кГц...

Цитата:
А крайние справа разряды индикатора незадействованы совсем?

Аппаратно используются все 10 разрядов, просто туда ничего не выводится. Можно туда нули поставить... но некрасиво. Можно их использовать для индикации чего-то... или вообще не впаять, 8 разрядов хватает отобразить частоту до 999999.99Кгц. Если немного переделать программу... то можно включить дополнительный делитель без потери точности! Правда, досчет может затянутся что скажется на моргании индикатора.

Сейчас таймер работает с предделителем, по окончании счета предделитель досчитывается до переполнения таким образом с него вытаскивается значение, ну а какая разница какой будет предделитель - 8 бит или 12 бит... а вообще в принципе дополнительный делитель можно досчитать отдельно, сократив время. Над этим стоит подумать. напимер, переключить таймер в режим счета без предделителя и дергая вход посчитать сколько импульсов пройдет до того как таймер посчитает "1".
Хм. Тогда и на 640 можно спокойно делить не потеряв точности.


Вернуться наверх
 
Не в сети
 Заголовок сообщения: Re: Частотомер-конструктор F51.12
СообщениеДобавлено: Чт фев 09, 2012 18:25:50 
Прорезались зубы
Аватар пользователя

Зарегистрирован: Пт июл 25, 2008 14:09:04
Сообщений: 201
Откуда: Зауралье
Рейтинг сообщения: 0
Alexeyslav писал(а):
К сожалению, схемы пока нет ... она собрана только на макетке. Срисую - выложу.
Так как на счет схемки, Вы еще не срисовали?

Alexeyslav писал(а):
Знакоместа перебираю 561ИЕ8, а сегменты при помощи пары 561ИР9.
Ну с перебором знакомест понятно. А как Вы сегменты перебираете, ввод данных с МК идет на последовательные или параллельные порты ИР9?

Alexeyslav писал(а):
прошивка несколько недоделана(измеряет 10мс). Но зато есть исходник.
А можно на него взглянуть?


Вернуться наверх
 
Не в сети
 Заголовок сообщения: Re: Частотомер-конструктор F51.12
СообщениеДобавлено: Чт фев 09, 2012 22:20:04 
Друг Кота

Карма: 28
Рейтинг сообщений: 568
Зарегистрирован: Чт май 05, 2011 21:26:34
Сообщений: 4550
Откуда: Украина, Славутич
Рейтинг сообщения: 0
Во жеж блин, тему эту потерял из поля зрения. Схему набросал в протеусе... только я так и не смог проследить сегменты... бумажка от индикатора куда-то подевалась. Нашел другую прошивку, в которой реализован 7-разрядный(24 бит счетчик) счет частоты с периодом счета 100мс. Рядом лежит алгоритм преобразования 32бит числа в 10 знаков... так руки и не дошли его встроить, да наверно и лишним уже будет.

Вложение:
Комментарий к файлу: Картинка для тех у кого нет протеуса
Freqmeter.jpg [47.02 KiB]
Скачиваний: 1005


Да, у контроллера подключен кварц на 5Мгц. На схеме в протеусе его нет - он там и не нужен для работы симулятора.


Вложения:
Комментарий к файлу: Частотомер 7 знаков 0..20Мгц шаг 10Гц, время измерения 0.1сек
FreqMeter.rar [27.52 KiB]
Скачиваний: 279
Вернуться наверх
 
Не в сети
 Заголовок сообщения: Re: Частотомер-конструктор F51.12
СообщениеДобавлено: Пт фев 10, 2012 08:05:24 
Прорезались зубы
Аватар пользователя

Зарегистрирован: Пт июл 25, 2008 14:09:04
Сообщений: 201
Откуда: Зауралье
Рейтинг сообщения: 0
Спасибо! :)
Постараюсь переварить...


Вернуться наверх
 
Не в сети
 Заголовок сообщения: Re: Частотомер-конструктор F51.12
СообщениеДобавлено: Пт фев 10, 2012 08:27:53 
Друг Кота
Аватар пользователя

Карма: 96
Рейтинг сообщений: 1494
Зарегистрирован: Вт мар 16, 2010 22:02:27
Сообщений: 15320
Откуда: ДОНЕЦК
Рейтинг сообщения: 0
ежли уж так "экономно", то и на сегменты надо последовательный сдвиговый регистр цеплять... :)
да и вытянет ли ИЕ8 ток 8-ми сегментов на один вывод? (учитывая "форсаж" тока сегмента для обеспечения необходимой яркости для динамической развертки) 8)


Вернуться наверх
 
Не в сети
 Заголовок сообщения: Re: Частотомер-конструктор F51.12
СообщениеДобавлено: Пт фев 10, 2012 20:19:29 
Друг Кота

Карма: 28
Рейтинг сообщений: 568
Зарегистрирован: Чт май 05, 2011 21:26:34
Сообщений: 4550
Откуда: Украина, Славутич
Рейтинг сообщения: 0
Она и не должна вытягивать. Индикатор с кассового аппарата, на нем есть транзисторы - все входы логические. Подаешь "1" - выбирается разряд, подаешь "1" выбирается сегмент. Ну и +5В на индикатор.

7 лет назад у меня не было последовательного регистра. А так конечно можно использовать последовательный.


Вернуться наверх
 
Показать сообщения за:  Сортировать по:  Вернуться наверх
Начать новую тему Ответить на тему  [ Сообщений: 156 ]    , , 3, , , ...  

Часовой пояс: UTC + 3 часа


Кто сейчас на форуме

Сейчас этот форум просматривают: нет зарегистрированных пользователей и гости: 22


Вы не можете начинать темы
Вы не можете отвечать на сообщения
Вы не можете редактировать свои сообщения
Вы не можете удалять свои сообщения
Вы не можете добавлять вложения

Найти:
Перейти:  


Powered by phpBB © 2000, 2002, 2005, 2007 phpBB Group
Русская поддержка phpBB
Extended by Karma MOD © 2007—2012 m157y
Extended by Topic Tags MOD © 2012 m157y