Например TDA7294

Форум РадиоКот • Просмотр темы - паяльная станция T12 на stm32
Форум РадиоКот
Здесь можно немножко помяукать :)

Текущее время: Пн янв 26, 2026 03:52:06

Часовой пояс: UTC + 3 часа


ПРЯМО СЕЙЧАС:



Начать новую тему Ответить на тему  [ Сообщений: 4314 ]     ... , , , 25, , , ...  
Автор Сообщение
Не в сети
 Заголовок сообщения: Re: паяльная станция T12 на stm32
СообщениеДобавлено: Чт янв 17, 2019 21:01:13 
Вымогатель припоя
Аватар пользователя

Карма: 17
Рейтинг сообщений: 381
Зарегистрирован: Пт июн 19, 2009 13:36:54
Сообщений: 556
Рейтинг сообщения: 0
Похоже, только Шоттки диод на фото не видно, может быть встроенный в чип.


Вернуться наверх
 
Не в сети
 Заголовок сообщения: Re: паяльная станция T12 на stm32
СообщениеДобавлено: Чт янв 17, 2019 22:31:55 
Друг Кота
Аватар пользователя

Карма: 18
Рейтинг сообщений: 1121
Зарегистрирован: Пт ноя 27, 2009 18:12:27
Сообщений: 4625
Откуда: Черкассы, UA
Рейтинг сообщения: 0
Есть MP1470 со встроенным синхронным выпрямителем, но у нее входное напряжение 16 В.
В общем, что-то из этой серии

_________________
Изображение

В мире нет вредных веществ, в мире есть вредные количества © Д.И.Менделеев
Когда на форуме переходят на "Вы", в реальной жизни уже давно бьют морду © автор неизвестен.


Вернуться наверх
 
Не в сети
 Заголовок сообщения: Re: паяльная станция T12 на stm32
СообщениеДобавлено: Пт янв 18, 2019 05:05:04 
Встал на лапы

Карма: 4
Рейтинг сообщений: 5
Зарегистрирован: Пн дек 10, 2012 15:25:09
Сообщений: 136
Рейтинг сообщения: 0
Если сделать DC-DC 24 -> 5V, а потом поставить линейный стабилизатор 5V -> 3.3V, то можно пульсации убрать и ничего не нагреется.
на некоторых платах так и сделано, где есть 3.3В стабилизатор
А так сами посчитайте сами http://www.nomad.ee/micros/mc34063a/index.shtml DC-DC 24 -> 3.3V на MC34063A
а почему именно MC34063A?
полно всяких более новых на 300кГц и даже на 1,5мГц
Попробуйте разглядеть, а если схемку накидать, то совсем хорошо было бы.
так ее и самому можно накидать, че у китайцев копипастить )))
Во тут https://mysku.ru/blog/aliexpress/67385.html пробовали
понятно, те же яйца
Есть MP1470 со встроенным синхронным выпрямителем, но у нее входное напряжение 16 В.
В общем, что-то из этой серии
синхронные все низковольтные
Работала, но захотелось "перламутровых пуговиц" :)
тогда такую и закажу себе


Вернуться наверх
 
Не в сети
 Заголовок сообщения: Re: паяльная станция T12 на stm32
СообщениеДобавлено: Сб янв 19, 2019 00:09:19 
Родился

Зарегистрирован: Вс янв 14, 2018 10:59:56
Сообщений: 6
Рейтинг сообщения: 0
А вот мой вариант станции на жалах JBC C245-ой серии:

какой контроллер, блок питания, как подключали?


Вернуться наверх
 
Эиком - электронные компоненты и радиодетали
Не в сети
 Заголовок сообщения: Re: паяльная станция T12 на stm32
СообщениеДобавлено: Сб янв 19, 2019 18:19:31 
Встал на лапы

Карма: 4
Рейтинг сообщений: 5
Зарегистрирован: Пн дек 10, 2012 15:25:09
Сообщений: 136
Рейтинг сообщения: 0
покупала 3.0 (продавец навязался сам), только тушку за 2.146 руб., перепрошила (2.12), всё работает.
активаций не потребовалось?
т.е. только прошивку заменить?


Вернуться наверх
 
Не в сети
 Заголовок сообщения: Re: паяльная станция T12 на stm32
СообщениеДобавлено: Сб янв 19, 2019 20:58:17 
Собутыльник Кота
Аватар пользователя

Карма: 21
Рейтинг сообщений: 252
Зарегистрирован: Ср янв 16, 2008 08:34:04
Сообщений: 2560
Откуда: KMV
Рейтинг сообщения: 0
Ребята, подскажите!
Есть вот такой китайский корпус паяльной станции
Изображение
Хочу в него переделать контроллер по схеме STM32_T12_2.1S, с дисплеем на 1,3"
Есть сомнения, что он туда влезет. Переднюю панель, конечно, надо будет переделать.
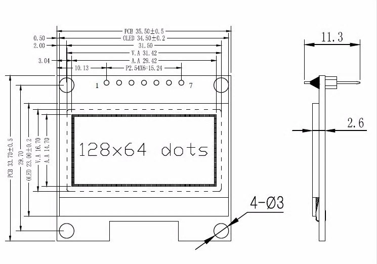
Китайцы дают такие размеры дисплея
Изображение
То есть высота платы с дисплеем 33,5-33,7 мм (на разных чертежах чуть отличается). Я же измерил свободный проём в корпусе, получилось 78х34 мм.
Если кто собирал в таком же корпусе, отпишитесь пожалуйста! А то не хочется зря дисплей покупать.
PS. у меня есть в наличии 0,96", но изображение на нем все же мелковато. Хотелось бы дисплей побольше.

_________________
"Чтобы правильно задать вопрос, нужно знать бо́льшую часть ответа." Ро́берт Ше́кли
Я правильных ответов знаю мало, поэтому не стесняюсь и много спрашиваю.


Вернуться наверх
 
Не в сети
 Заголовок сообщения: Re: паяльная станция T12 на stm32
СообщениеДобавлено: Вс янв 20, 2019 05:01:16 
Первый раз сказал Мяу!
Аватар пользователя

Зарегистрирован: Ср ноя 01, 2017 13:16:47
Сообщений: 20
Откуда: Sverdlovsk
Рейтинг сообщения: 0
активаций не потребовалось?
т.е. только прошивку заменить?


Потребовалась, никаких затруднений не испытала.

Есть сомнения, что он туда влезет.


Влезет 2.1S в этот корпус.

Цитата:
Переднюю панель, конечно, надо будет переделать.


Скорее всего новую придётся сделать, емнип, там по осям GX5 и энкодера ещё размер не тот.

_________________
Детям в интернет нельзя - от детей интернет тупеет © Баш.


Вернуться наверх
 
Не в сети
 Заголовок сообщения: Re: паяльная станция T12 на stm32
СообщениеДобавлено: Вс янв 20, 2019 08:25:19 
Встал на лапы

Карма: 4
Рейтинг сообщений: 5
Зарегистрирован: Пн дек 10, 2012 15:25:09
Сообщений: 136
Рейтинг сообщения: 0
Потребовалась, затруднений не испытала.
т.е. все описанные функции работают?, память на разные типы жал, калибровка? буст?
температуру точно держит?


Вернуться наверх
 
Не в сети
 Заголовок сообщения: Re: паяльная станция T12 на stm32
СообщениеДобавлено: Вс янв 20, 2019 09:34:13 
Первый раз сказал Мяу!
Аватар пользователя

Зарегистрирован: Ср ноя 01, 2017 13:16:47
Сообщений: 20
Откуда: Sverdlovsk
Рейтинг сообщения: 0
Потребовалась, затруднений не испытала.
т.е. все описанные функции работают?, память на разные типы жал, калибровка? буст?
температуру точно держит?


Я сейчас, что, должна всё это показывать, доказывать?..
Продавец мне её навязал, купила, калиброваться - калибровалась, но реальная от выставленной могла отличаться на 30, а то и на 90 градусов, договорились, что я куплю у него 2.1S со значительной скидкой, потом почитала комментарии, прошила "старую 3.0", теперь у меня 2.1S/2.10 и 2.0/2.12 вместо глючной 3.0.
Разницы между прошитой в 2.0 из 3.0 и новой 2.1S не заметила.
Теперь всё работает.

_________________
Детям в интернет нельзя - от детей интернет тупеет © Баш.


Вернуться наверх
 
Не в сети
 Заголовок сообщения: Re: паяльная станция T12 на stm32
СообщениеДобавлено: Вс янв 20, 2019 20:57:00 
Родился

Зарегистрирован: Вс янв 20, 2019 19:26:17
Сообщений: 7
Рейтинг сообщения: 0
Доброго времени суток, уважаемые коты и их друзья.
У меня платка stm32 комбо с двумя оледами по 1.3. Валяется уже давно, все руки не доходят. Время появилось, ручка фена доехала - ура, собираем.
В итоге, паяльник работает нормально, а с феном проблема. Вентилятор крутит, обороты со станции регулируются, при подносе магнита уходит в ожидание, но не греет.
Разборка ручки фена и проверка контактов говорит все ок. Прозвонка цепи силовой платы тоже не выявила проблем, симистор выпаян, проверен - рабочий. Цепь до мк тоже проверена, коротышей и обрывов нет. На экране фена в последней строке выдает "power error" там, где напряжение сети должно быть и частота.
Дайте наводку, куда копать?

P.s. на форуме совсем недавно, потому пожалуйста сильно не пинайте.


Вернуться наверх
 
Не в сети
 Заголовок сообщения: Re: паяльная станция T12 на stm32
СообщениеДобавлено: Вс янв 20, 2019 22:18:24 
Друг Кота
Аватар пользователя

Карма: 18
Рейтинг сообщений: 1121
Зарегистрирован: Пт ноя 27, 2009 18:12:27
Сообщений: 4625
Откуда: Черкассы, UA
Рейтинг сообщения: 0
Ну так на дисплее написано, что ошибка сети. Смотреть цепь, которая контролирует сеть.

_________________
Изображение

В мире нет вредных веществ, в мире есть вредные количества © Д.И.Менделеев
Когда на форуме переходят на "Вы", в реальной жизни уже давно бьют морду © автор неизвестен.


Вернуться наверх
 
Не в сети
 Заголовок сообщения: Re: паяльная станция T12 на stm32
СообщениеДобавлено: Пн янв 21, 2019 01:59:51 
Родился
Аватар пользователя

Зарегистрирован: Пн окт 22, 2018 04:45:01
Сообщений: 18
Рейтинг сообщения: 0
А вот мой вариант станции на жалах JBC C245-ой серии:

какой контроллер, блок питания, как подключали?


вот мой пост на 20-й странице
Вот так сделал
Изображение
Вроде работает, БП нужен не менее 150 честных ватт
При таком подключении можно с легкостью использовать и жала т12 без замыкания перемычки, и опять
размыкания если нужно снова жало JBC. Просто в самом разъеме на пяльной ручке т12 замыкать контакт
идущий на термопару с контактом "плюс" (зеленый и красный на рисунке), таким образом при подключении
ручки т12 перемычка автоматом замыкается, а при подключении jbc разомкнута.


использовал вот такой БП https://ru.aliexpress.com/item/AC-Conve ... 3c00xIAL00
переделанный на 24 вольта заменой одного резистора, БП честно выдает свою мощность.
Разогрев до рабочей температуры на паяльнике около 2.5 - 3.5 секунд. Это именно с момента когда контроллер начинает выдавать импульсы на нагреватель. Если измерять с момента включения контроллера, то добавляется время инициализации прошивки. Если измерять с момента поднятия ручки с подставки (когда станция находится в режиме standby, у меня выставлено 100 градусов для этого режима) то вообще не больше 2-х секунд.
Контроллер использую версии Ve2.1S, https://ru.aliexpress.com/item/2018-STM ... 33edXkkcOn .


Вернуться наверх
 
Не в сети
 Заголовок сообщения: Re: паяльная станция T12 на stm32
СообщениеДобавлено: Пн янв 21, 2019 08:42:36 
Родился

Зарегистрирован: Вс янв 14, 2018 10:59:56
Сообщений: 6
Рейтинг сообщения: 0
alienbody, спасибо


Вернуться наверх
 
Не в сети
 Заголовок сообщения: Re: паяльная станция T12 на stm32
СообщениеДобавлено: Пн янв 21, 2019 09:31:37 
Первый раз сказал Мяу!

Зарегистрирован: Вс янв 12, 2014 03:58:24
Сообщений: 35
Рейтинг сообщения: 0
Доброго времени. Решил таки перейти на Т12 жала...

Подскажите плиз продавца на али, у которого нормальные жала Т12 с нормально-пропаянными выводами. Из-за плохого обжатия без пайки под белым колпачком жала, прыгала температура на индикаторе и на конце жала.. А пропаять ни чем не получалось.
Да и потерялось оно в итоге. Хочу потратится на китайское, но более-менее нормальное жальце.


Вернуться наверх
 
Не в сети
 Заголовок сообщения: Re: паяльная станция T12 на stm32
СообщениеДобавлено: Пн янв 21, 2019 11:25:20 
Первый раз сказал Мяу!
Аватар пользователя

Зарегистрирован: Ср ноя 01, 2017 13:16:47
Сообщений: 20
Откуда: Sverdlovsk
Рейтинг сообщения: 0
А пропаять ни чем не получалось.
Да и потерялось оно в итоге.


На всякий случай, на будущее, с ортофосфорной кислотой очень хорошо паяется.

Покупали на таобао, нормальные оказались.

_________________
Детям в интернет нельзя - от детей интернет тупеет © Баш.


Вернуться наверх
 
Не в сети
 Заголовок сообщения: Re: паяльная станция T12 на stm32
СообщениеДобавлено: Пн янв 21, 2019 11:40:13 
Родился

Зарегистрирован: Вс янв 20, 2019 19:26:17
Сообщений: 7
Рейтинг сообщения: 0
mr_kot, так в том-то и дело, что проверка и силовой платы и платы контроллера проблем не выявила.
Т.е. по схеме от ввода 220 через трансформатор напряжения и дальше по плате контроллера вплоть до ноги PA4 контакт есть :shock:
Печатная плата у меня 1 в 1 с приведенной на 4-й странице ass20:
http://img.radiokot.ru/files/22980/medi ... tm3msy.jpg
http://img.radiokot.ru/files/22980/medi ... tmk4f5.jpg
Схема совпадает с приведенной Arachna на 5-й странице:
https://www.radiokot.ru/forum/download/ ... ?id=310181
https://www.radiokot.ru/forum/download/ ... ?id=310180

Вот что отображается на экранах (верхний - паяльник, нижний - фен):
Изображение Изображение Изображение

Может ли быть прошивка битая, т.е. вариант попробовать перепрошить от комбо прошивкой?
Правда, встает вопрос о генерации кода, с 25 страниц форума я так и не увидел точной информации о том работает ли генератор с комбо.


Вернуться наверх
 
Не в сети
 Заголовок сообщения: Re: паяльная станция T12 на stm32
СообщениеДобавлено: Пн янв 21, 2019 15:34:59 
Друг Кота
Аватар пользователя

Карма: 18
Рейтинг сообщений: 1121
Зарегистрирован: Пт ноя 27, 2009 18:12:27
Сообщений: 4625
Откуда: Черкассы, UA
Рейтинг сообщения: 0
Т.е. по схеме от ввода 220 через трансформатор напряжения и дальше по плате контроллера вплоть до ноги PA4 контакт есть :shock:

Импульсы на PA4 контроллера присутствуют?

Правда, встает вопрос о генерации кода, с 25 страниц форума я так и не увидел точной информации о том работает ли генератор с комбо.

Никаких вопросов нет. Пишем в ЛС пользоателю Nimnul и получаем ключи. Генератор, который в свободном доступе, подходит только к паяльнику.

_________________
Изображение

В мире нет вредных веществ, в мире есть вредные количества © Д.И.Менделеев
Когда на форуме переходят на "Вы", в реальной жизни уже давно бьют морду © автор неизвестен.


Вернуться наверх
 
Не в сети
 Заголовок сообщения: Re: паяльная станция T12 на stm32
СообщениеДобавлено: Пн янв 21, 2019 18:48:54 
Родился

Зарегистрирован: Вт янв 15, 2019 16:59:28
Сообщений: 9
Рейтинг сообщения: 0
В продолжение рассказа https://radiokot.ru/forum/viewtopic.php ... 0#p3535890 о сборке паяльной станции.
Через два месяца ожидания получил ОУ, но вместо заказанных, как в оригинале, SGM8551XN, доблестный Али-продавец прислал OPA336N, что удалось установить по маркировке A36 на корпусе SOT23-5. По характеристикам этот ОУ хуже, в частности по смещению в 5 раз (60 мкВ против 12), а также значительно хуже скоростные характеристики. За неимением альтернативы впаял OPA336N в контроллер, температуру холодного паяльника показывает правильную, подключал один и тот же паяльник поочерёдно к станции KSGER и самодельному контроллеру - разница в показаниях 1 градус.
Надо заказывать SGM8551XN где-то ещё, кто знает где можно купить оригинал, подскажите.

Добавлено after 49 minutes:
А какие операционные усилители можно применить вместо того, что на схеме? (если собирать самому).
MCP6002 или вообще 358 (как в версии с STC контроллером) ?

Тут в ветке кто-то пробовал MCP6002, вроде работает.

Я ставил MCP6002, у них смещение (Input Offset Voltage) по даташиту до 7 миллиВольт, а у SGM8551XN 12 микроВольт!
Из двух собранных контроллеров, в первом попался MCP6002 с небольшим смещением, а во втором хуже, контроллер показывал температуру холодного паяльника около 50 градусов, соответственно сползали все рабочие температуры. Можно конечно откалибровать, но всё равно не здорово.
Во втором контроллере ОУ подбирал, пока не попался с небольшим смещением. Все ОУ из одной ленточки, смещение разное в зависимости от экземпляра.
Надо выбирать ОУ Rail-to-Rail, с однополярным питанием от 2,5...2,7 до 5...7 Вольт, с небольшим смещением.
На Али можно купить недорого, но могут прислать неизвестно что.
В Чип и Дип подбирал, нашел только AD8605 https://www.chipdip.ru/product/ad8605artz , у которого смещение 20 мкВ, быстрый, стоит 50 руб. за штуку. Правда, я был в выборе ограничен корпусом SOT23-5, так как плата уже была изготовлена. Можно поискать ещё что-то.


Заказал у китайца SGM8551XN и похоже в этом же магазине, что и ты заказывал https://ru.aliexpress.com/item/10pcs-Fr ... 33edXRDws7
Хорошо, что китаец еще не успел отправить заказ. Отменил... Буду искать в другом месте. Закупаю рассыпуху для комбо версии


Вернуться наверх
 
Не в сети
 Заголовок сообщения: Re: паяльная станция T12 на stm32
СообщениеДобавлено: Пн янв 21, 2019 19:32:09 
Вымогатель припоя
Аватар пользователя

Карма: 17
Рейтинг сообщений: 381
Зарегистрирован: Пт июн 19, 2009 13:36:54
Сообщений: 556
Рейтинг сообщения: 0
Да, этот тот самый продавец.


Вернуться наверх
 
Не в сети
 Заголовок сообщения: Re: паяльная станция T12 на stm32
СообщениеДобавлено: Пн янв 21, 2019 20:25:11 
Родился

Зарегистрирован: Вс янв 20, 2019 19:26:17
Сообщений: 7
Рейтинг сообщения: 0
mr_kot, спасибо за наводку!
Начал проверять, на Q2 было 1,6 вольт сверху и 1,6 вольт снизу, причем постоянного напряжения, что не должно быть.
Проблема оказалась в шлейфе между силовой и контрольной платами. Один из проводков от трансформатора напряжения не давал контакта при посадке в гнездо (хотя сам шлейф весь прозванивался). Впервые с таким встречаюсь. В общем, продолжаем сборку.


Вернуться наверх
 
Показать сообщения за:  Сортировать по:  Вернуться наверх
Начать новую тему Ответить на тему  [ Сообщений: 4314 ]     ... , , , 25, , , ...  

Часовой пояс: UTC + 3 часа


Кто сейчас на форуме

Сейчас этот форум просматривают: нет зарегистрированных пользователей и гости: 17


Вы не можете начинать темы
Вы не можете отвечать на сообщения
Вы не можете редактировать свои сообщения
Вы не можете удалять свои сообщения
Вы не можете добавлять вложения

Найти:
Перейти:  


Powered by phpBB © 2000, 2002, 2005, 2007 phpBB Group
Русская поддержка phpBB
Extended by Karma MOD © 2007—2012 m157y
Extended by Topic Tags MOD © 2012 m157y