Например TDA7294

Форум РадиоКот • Просмотр темы - Тестер полупроводников+С+ESR»
Форум РадиоКот
Здесь можно немножко помяукать :)

Текущее время: Ср янв 07, 2026 04:29:08

Часовой пояс: UTC + 3 часа


ПРЯМО СЕЙЧАС:



Начать новую тему Ответить на тему  [ Сообщений: 178 ]    , , , 4, , , ...  
Автор Сообщение
Не в сети
 Заголовок сообщения: Re: Тестер полупроводников+С+ESR»
СообщениеДобавлено: Чт апр 03, 2014 15:22:13 
Друг Кота
Аватар пользователя

Карма: 140
Рейтинг сообщений: 4277
Зарегистрирован: Чт сен 01, 2011 12:53:27
Сообщений: 20131
Откуда: ТьмуТаракания. Почетный житель подмостовья
Рейтинг сообщения: 0
в принципе все правильно делаете по калибровке, единственное, полезно ее делать несколько раз подряд. но rcl тоже калибровать иногда надо.
я держу в запасе несколько резисторов и кондеров 0,2 -1% подобранные на приборах типа е7-8 (на нескольких) с высокой точностью повторяемости, и ими проверяю, при необходимости. приборы могут сбиваться со временем. с так надежнее.

_________________
Шекспир сказал: Судить меня -дано лишь Богу, другим я укажу дорогу... https://natribu.org/
Я его полностью поддерживаю.
Программирую на Fuse AtmelAVR.


Вернуться наверх
 
Не в сети
 Заголовок сообщения: Re: Тестер полупроводников+С+ESR»
СообщениеДобавлено: Чт апр 03, 2014 16:11:59 
Потрогал лапой паяльник

Карма: 4
Рейтинг сообщений: 60
Зарегистрирован: Пн сен 10, 2007 14:06:36
Сообщений: 362
Рейтинг сообщения: 0
oleg63m писал(а):
полезно ее делать несколько раз подряд.


Попробую проделать несколько раз подряд. Вдруг и правда помогает :)
Скорее всего это связано с тем, что прибор должен быть прогрет перед калибровкой. Вот таким образом он и прогревается :))
Запоминаются ведь все равно результаты самой последней калибровки.


Вернуться наверх
 
Не в сети
 Заголовок сообщения: Re: Тестер полупроводников+С+ESR»
СообщениеДобавлено: Чт май 08, 2014 02:14:43 
Родился

Зарегистрирован: Чт мар 06, 2014 01:42:14
Сообщений: 1
Рейтинг сообщения: 0
Кто подскажет какой програмой лучше прошить ATmega328P. Из программаторов есть только STK 200 и PonuProg. Пробовал прогу SinaProg все прошивается но не програмируются фюзы...


Вернуться наверх
 
Не в сети
 Заголовок сообщения: Re: Тестер полупроводников+С+ESR»
СообщениеДобавлено: Чт май 08, 2014 08:24:02 
Друг Кота
Аватар пользователя

Карма: 140
Рейтинг сообщений: 4277
Зарегистрирован: Чт сен 01, 2011 12:53:27
Сообщений: 20131
Откуда: ТьмуТаракания. Почетный житель подмостовья
Рейтинг сообщения: 0
Я программировал из АVR Studio 4.17 программатором STK500 проблем небыло.
Дудкою и екстрапиком не виделся камень. почему-не разбирался. может быть надо нагрузочные резисторы на clk и data ставить. может не хватает выходных токов программатора. причем интересно, что сигнатуры считывались и выводились на экран правильно, а дудка выдавала сообщение что сигнатуры не соответствуют :dont_know:
можно еще попробовать обрезать в стк200 выходы стробов от параллельного порта и посадить их на на землю ( идущие от 74ls244). на работе устройства это никак не скажется, зато появится возможность программировать из Понипрога или Унипрофа, предварительно в конфигурации задав соответствующие пины для LPT.

_________________
Шекспир сказал: Судить меня -дано лишь Богу, другим я укажу дорогу... https://natribu.org/
Я его полностью поддерживаю.
Программирую на Fuse AtmelAVR.


Вернуться наверх
 
Эиком - электронные компоненты и радиодетали
Не в сети
 Заголовок сообщения: Re: Тестер полупроводников+С+ESR»
СообщениеДобавлено: Пн июл 14, 2014 15:38:54 
Родился

Зарегистрирован: Пн фев 17, 2014 18:18:59
Сообщений: 3
Рейтинг сообщения: 0
собрал плату, включил 9В, ток 0.3А
дико греется PN2907
у кого то такое было ???

буду признателен если ктото скинет мне такие фото РОБОЧЕГО апарата
:-)


Вложения:
Комментарий к файлу: 1
Фото0938.jpg [137.27 KiB]
Скачиваний: 726
Комментарий к файлу: 2
Фото0937.jpg [175.38 KiB]
Скачиваний: 772
Вернуться наверх
 
Не в сети
 Заголовок сообщения: Re: Тестер полупроводников+С+ESR»
СообщениеДобавлено: Пн июл 14, 2014 16:26:04 
Прорезались зубы
Аватар пользователя

Карма: 8
Рейтинг сообщений: 14
Зарегистрирован: Ср май 19, 2010 11:15:36
Сообщений: 237
Откуда: Украина
Рейтинг сообщения: 0
diglv писал(а):
....
дико греется PN2907


ВЫКЛЮЧИТЕ!!! На следующем этапе у Вас взорвутся танталы! Разберитесь с полярностью танталов, а потом включайте.
1. Танталы запаяны наоборот.
2. Плохой снимок или вместо стабилитрона перемычка?

_________________
Жизнь - цепь, а мелочи в ней звенья. Нельзя звену не придавать значения!


Вернуться наверх
 
Не в сети
 Заголовок сообщения: Re: Тестер полупроводников+С+ESR»
СообщениеДобавлено: Пн июл 14, 2014 19:14:40 
Родился

Зарегистрирован: Пн фев 17, 2014 18:18:59
Сообщений: 3
Рейтинг сообщения: 0
СПАСИБО ДРУЖИЩЕ
да накосячил с полярностью кондюков !!!
нет не перемычка, стабилитрон !


Вернуться наверх
 
Не в сети
 Заголовок сообщения: Re: Тестер полупроводников+С+ESR»
СообщениеДобавлено: Вт июл 15, 2014 21:32:01 
Прорезались зубы
Аватар пользователя

Карма: 8
Рейтинг сообщений: 14
Зарегистрирован: Ср май 19, 2010 11:15:36
Сообщений: 237
Откуда: Украина
Рейтинг сообщения: 0
diglv писал(а):
СПАСИБО ДРУЖИЩЕ...!

Да, особо не за что. Просьба!: Сообщите, пожалуйста, получилось ли запустить? Как тестирование? А то пока не заработает в штатном режиме, как то нет уверенности что Вы все решили и уверенности что все работает как надо.

_________________
Жизнь - цепь, а мелочи в ней звенья. Нельзя звену не придавать значения!


Вернуться наверх
 
Не в сети
 Заголовок сообщения: Re: Тестер полупроводников+С+ESR»
СообщениеДобавлено: Вт июл 22, 2014 11:31:50 
Родился

Зарегистрирован: Пн фев 17, 2014 18:18:59
Сообщений: 3
Рейтинг сообщения: 0
перепаял кондюки правильно, подключил батарею доходягу "крона"
Нажал кнопку...
ток 10 мА.
На стабилизаторе - 4,94В, на диоде возле дросселя - 36В (если не ошибаюсь)
на индикаторе видно квадратики

завтра буду програмировать контроллер !


Вернуться наверх
 
Не в сети
 Заголовок сообщения: Re: Тестер полупроводников+С+ESR»
СообщениеДобавлено: Ср июл 23, 2014 12:29:33 
Друг Кота
Аватар пользователя

Карма: 140
Рейтинг сообщений: 4277
Зарегистрирован: Чт сен 01, 2011 12:53:27
Сообщений: 20131
Откуда: ТьмуТаракания. Почетный житель подмостовья
Рейтинг сообщения: 0
осторожно с фюзами :)). в принцыпе достаточно только внешний кварц податтачить.

_________________
Шекспир сказал: Судить меня -дано лишь Богу, другим я укажу дорогу... https://natribu.org/
Я его полностью поддерживаю.
Программирую на Fuse AtmelAVR.


Вернуться наверх
 
Не в сети
 Заголовок сообщения: Re: Тестер полупроводников+С+ESR»
СообщениеДобавлено: Чт июл 24, 2014 18:31:34 
Встал на лапы
Аватар пользователя

Карма: 1
Рейтинг сообщений: -7
Зарегистрирован: Вт ноя 16, 2010 16:08:12
Сообщений: 148
Откуда: Башкирия, Россия.
Рейтинг сообщения: 0
Всем доброго времени суток!
Ко всем собравшим и эксплуатирующим данный девайс.
Собрал и я.
Вопрос в программировании и калибровки.
Программатор USBasp USBISP 3.3 В / 5 AVR
Брал здесь: http://www.aliexpress.com/snapshot/6135675653.html.
Установил несколько программ, но не разберусь что где и как :(
Одни не видят программатора, другие микроконтроллера, третьи фьюзы :(
Каким-то чудом запрограммировал с помощью Khazama AVR Programmer.
Работает, но медленно (проблема с фьюзами).
Кто как делал - подскажите?
Вопрос о калибровке - если можно пошаговую инструкцию.
Есть несколько инструкций и везде по разному и ничего не получается (Not calibrated!).


Вложения:
Программатор.jpg [137.45 KiB]
Скачиваний: 482
Фото018.jpg [186.5 KiB]
Скачиваний: 498

_________________
73! Alex.
Вернуться наверх
 
Не в сети
 Заголовок сообщения: Re: Тестер полупроводников+С+ESR»
СообщениеДобавлено: Чт июл 24, 2014 21:42:25 
Друг Кота
Аватар пользователя

Карма: 140
Рейтинг сообщений: 4277
Зарегистрирован: Чт сен 01, 2011 12:53:27
Сообщений: 20131
Откуда: ТьмуТаракания. Почетный житель подмостовья
Рейтинг сообщения: 0
ra9wby писал(а):
Работает, но медленно (проблема с фьюзами).

подозреваю, что не снята галочка фюз на делителе на 8.
все ньюансы давно расписаны, и имеются в прилагаемом ПДФ нике, который высылается продавцом на электронный адрес
как программировать фюзы?

Цитата:
Программатор USBasp USBISP 3.3 В / 5 AVR

viewtopic.php?f=51&t=84516&start=380 :)))
тут все в лучшем виде расписано

_________________
Шекспир сказал: Судить меня -дано лишь Богу, другим я укажу дорогу... https://natribu.org/
Я его полностью поддерживаю.
Программирую на Fuse AtmelAVR.


Вернуться наверх
 
Не в сети
 Заголовок сообщения: Re: Тестер полупроводников+С+ESR»
СообщениеДобавлено: Пт июл 25, 2014 06:49:23 
Встал на лапы
Аватар пользователя

Карма: 1
Рейтинг сообщений: -7
Зарегистрирован: Вт ноя 16, 2010 16:08:12
Сообщений: 148
Откуда: Башкирия, Россия.
Рейтинг сообщения: 0
oleg63m писал(а):
подозреваю, что не снята галочка фюз

Спасибо, я об этом знаю, но программа, которая видит программатор не видит фьюзы.
С этими программами экспериментировал:
CodeVision AVR Evaluation V2.05.0 - не видит программатор.
AVR Studio 5.1 - не видит программатор.
Khazama AVR Programmer - не видит фьюзы.
eXtreme Burner AVR - не видит чип.
SinaProg - все видит, но зависает при программировании.

==тут все в лучшем виде расписано==
Это я читал. Что конкретно Вы можете предложить?
Перепрограммировать имеющийся программатор?. Чем? Купить еще один программатор?

_________________
73! Alex.


Вернуться наверх
 
Не в сети
 Заголовок сообщения: Re: Тестер полупроводников+С+ESR»
СообщениеДобавлено: Пт июл 25, 2014 07:35:59 
Друг Кота
Аватар пользователя

Карма: 140
Рейтинг сообщений: 4277
Зарегистрирован: Чт сен 01, 2011 12:53:27
Сообщений: 20131
Откуда: ТьмуТаракания. Почетный житель подмостовья
Рейтинг сообщения: 0
дело серьезное, и его лучше обсуждать не здесь.
у вас сразу 3 темы как минимум затрагиваются.
1 как и чем прграммировать в принцыпе.(+фюзология) Это на http://www.getchip.net
2 чем запрограммировать программатор, чтоб им можно было чтото программировать это тоже туда-же плюс гугль в монитор.
3 как калибровать. Это уже ближе. ответ прост. и в инструкции имется, правда не каждый до этого момента в силах дочитать.
подскажу уже:
зависит, конечно от версии, но в основном надо взять 3 кусочка провода, залудить, запаять вместе с одного конца,
получившуюся метелку вставляем в измерительный сокет (или соединяем клеммы 123) и нажтмаем кнопку пуск. при этом на экране появится запрос запустить тест? нажимаем еще раз кнопку снимаем перемычки и ждем, пока программа прогонит все тесты и попросит подключить кондер более чем 100 нан, все, тест пройден, прибор калиброван. для уверенности можно тест прогнать 2-3 раза.
при использовании заведомо исправных деталей в нужных цепях(продавец комплектует ими набор) погрешность не более 1-2%
улучшение точности значительно удорожает прибор

Цитата:
Khazama AVR Programmer - не видит фьюзы.

Вы это серьезно? станиславский сказал бы "не верю". я тоже. преключатель SLOW применяли? скриншет в студию!!!!

_________________
Шекспир сказал: Судить меня -дано лишь Богу, другим я укажу дорогу... https://natribu.org/
Я его полностью поддерживаю.
Программирую на Fuse AtmelAVR.


Вернуться наверх
 
Не в сети
 Заголовок сообщения: Re: Тестер полупроводников+С+ESR»
СообщениеДобавлено: Пт июл 25, 2014 11:53:09 
Встал на лапы
Аватар пользователя

Карма: 1
Рейтинг сообщений: -7
Зарегистрирован: Вт ноя 16, 2010 16:08:12
Сообщений: 148
Откуда: Башкирия, Россия.
Рейтинг сообщения: 0
==переключатель SLOW применяли?==
А где это?

==скриншот в студию!!!!==
Пожалуйста.


Вложения:
Ф2.jpg [102.52 KiB]
Скачиваний: 698
Ф1.jpg [93.3 KiB]
Скачиваний: 574

_________________
73! Alex.
Вернуться наверх
 
Не в сети
 Заголовок сообщения: Re: Тестер полупроводников+С+ESR»
СообщениеДобавлено: Пт июл 25, 2014 15:15:11 
Друг Кота
Аватар пользователя

Карма: 140
Рейтинг сообщений: 4277
Зарегистрирован: Чт сен 01, 2011 12:53:27
Сообщений: 20131
Откуда: ТьмуТаракания. Почетный житель подмостовья
Рейтинг сообщения: 0
однако....
кнопка slow находится на плате программатора, возможно в виде джампера. надо найти схему AVR910, там посмотреть, какую ножку сажают на землю. кажись 13. у меня в отделе гроза АТС убила, времени искать нет. попробуй сам поискать
а если не подавать питание на приборчик(мк), или оно маловасто, картинка может быть как на скринах :)) .

_________________
Шекспир сказал: Судить меня -дано лишь Богу, другим я укажу дорогу... https://natribu.org/
Я его полностью поддерживаю.
Программирую на Fuse AtmelAVR.


Вернуться наверх
 
Не в сети
 Заголовок сообщения: Re: Тестер полупроводников+С+ESR»
СообщениеДобавлено: Сб июл 26, 2014 10:34:26 
Встал на лапы
Аватар пользователя

Карма: 1
Рейтинг сообщений: -7
Зарегистрирован: Вт ноя 16, 2010 16:08:12
Сообщений: 148
Откуда: Башкирия, Россия.
Рейтинг сообщения: 0
oleg63m писал(а):
кнопка slow находится на плате программатора, ... не подавать питание на приборчик(мк).


У меня на программаторе нет ни кнопок, ни джамперов. Есть два не задействованных пяточка - буду разбираться.
Кстати, для чего эта кнопка?

При программировании на приборчик необходимо подавать питание?

_________________
73! Alex.


Вернуться наверх
 
Не в сети
 Заголовок сообщения: Re: Тестер полупроводников+С+ESR»
СообщениеДобавлено: Сб июл 26, 2014 11:24:34 
Друг Кота
Аватар пользователя

Карма: 140
Рейтинг сообщений: 4277
Зарегистрирован: Чт сен 01, 2011 12:53:27
Сообщений: 20131
Откуда: ТьмуТаракания. Почетный житель подмостовья
Рейтинг сообщения: 0
ra9wby писал(а):
У меня на программаторе нет ни кнопок, ни джамперов.

СпойлерЭта кнопка понижает частоту SCK
я с этим проггером не дружу, но мой друг WEM такой проггер купил, (срочно надо было), поюзал с месяц, и выкинул (отнес пацанам на работу) а себе сделал чтото типа Громова или стк300, уже не помню, и радуется жизни позабыв проблемы.
для дудки можешь скачать AVRDUDESHELL. Очень даже правильная программа. и коды и фюзы все видно. и можно даже дудке доп опции подключать.мне нравится
http://yandex.ua/clck/jsredir?from=yandex.ua%3Byandsearch%3Bweb%3B%3B&text=&etext=397.Gbe0mXeTPmd_fT_ErwiFZvAc4VvsImnEA7KG7CKx8i1rNVciaTugdUMZ1Az3bNs3i6Jk5lAW58ZAI8yNiyBHfOb4IVXNSnbGi1ee1enaqGM.f0dd12cc39adaa2e12462c94b04fbe2f5faab69d&uuid=&state=AiuY0DBWFJ4ePaEse6rgeAjgs2pI3DW99KUdgowt9Xti-b8lArfpY2fz6fP4kJz3523BIyRaKdCDkQNlBTTtWzzPw71sK_v0Bls7IUXnLhqe0NtITdiCPosN9GjJk5DHPU-B3Kb7oisbjNccunARqkdcj5mzZMj1WduPPsjuSdDzi_y_RVOvJlyC6e4vrRLIaQTl7YgC3HJGqeRATEM1otTZeleuM1WlFCrnbgabZ14&data=UlNrNmk5WktYejR0eWJFYk1Ldmtxc0lVcEw1LS1kbUNhbF9qUXdCeGZrMnQzd1N2ejlXcmxLbkFON1pmX25hb0FheEJwQzhsRjJuWER4dTQyam1CdkhGRlhCSXdfWEEtTkNDVjJZcGM2N19BRDJIWEFHSWxLX2FJSnFvSDVoQnRCV1ZBaVo5YWtibXQyZlVqcm9qcDV3&b64e=2&sign=ce049d52f7a34a9293745adfbf7b807a&keyno=0&l10n=ru
если возникнут трудности, вот здесь я уже учил как ею пользоваться и настраивать. программа не моя, сразу оговорюсь. имя автора на сайте по ссылке выше. для авторитета скажу, при создании автора автор консультировался со знаменитым DI Halt. (это не реклама!!!!!)

http://radiokot.ru/forum/viewtopic.php?f=62&t=97460 котоссылка как настроить

вот еще ссылки на шеллы для дудки http://yourdevice.net/forum/viewtopic.php?f=18&t=1367
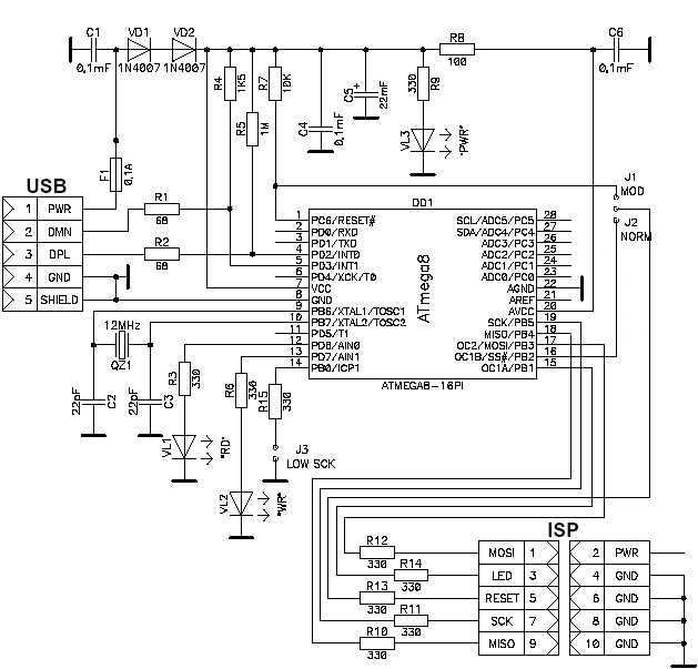
а вот и схема похожего на твоего программатора(наверняка)Изображение
ошибся немного, не 13 а 14 нога идет на кнопку "Slow"
а для перепрограммирования программатора джампер справа mod/norm
а ниже ссылка, так это точно твой огрызок без джамперов
http://forum.aircam.ru/index.php?showtopic=3593


Цитата:
необходимо подавать питание?
если из программатора оно не подается, или его недостаточно по току то нужно.
PS: щас Speedprog на меня проклятие наложит, за то что засираю его тему оффтопными разъяснениями. есть личка и спецтопики по программаторам.


Вложения:
avr910usb_sch.png [10.44 KiB]
Скачиваний: 1917

_________________
Шекспир сказал: Судить меня -дано лишь Богу, другим я укажу дорогу... https://natribu.org/
Я его полностью поддерживаю.
Программирую на Fuse AtmelAVR.
Вернуться наверх
 
Не в сети
 Заголовок сообщения: Re: Тестер полупроводников+С+ESR»
СообщениеДобавлено: Сб июл 26, 2014 12:19:35 
Потрогал лапой паяльник
Аватар пользователя

Карма: 5
Рейтинг сообщений: 12
Зарегистрирован: Чт сен 01, 2011 20:49:33
Сообщений: 380
Откуда: Мать городов Русских
Рейтинг сообщения: 0
oleg63m писал(а):
PS: щас Speedprog на меня проклятие наложит, за то что засираю его тему оффтопными разъяснениями. есть личка и спецтопики по программаторам.


Данная тема специально создана -чтобы не срали в основной теме по печатным платам.

_________________
В связи с постоянно меняющимся курсом нац. валюты -прошу стоимость уточнять в переписке по эл.почте!.
Изображение с 11 до 17ч пнд.-птн. по киевскому времени (Time zone +2:00)
Изображение
Проверено
Изображение


Вернуться наверх
 
Не в сети
 Заголовок сообщения: Re: Тестер полупроводников+С+ESR»
СообщениеДобавлено: Сб июл 26, 2014 13:01:42 
Друг Кота
Аватар пользователя

Карма: 140
Рейтинг сообщений: 4277
Зарегистрирован: Чт сен 01, 2011 12:53:27
Сообщений: 20131
Откуда: ТьмуТаракания. Почетный житель подмостовья
Рейтинг сообщения: 0
speedprog писал(а):
Данная тема специально создана

спасибо за разрешение :))) :beer: :beer: :beer: но я думаю уже достаточно разъяснил чтобы можно было понять

_________________
Шекспир сказал: Судить меня -дано лишь Богу, другим я укажу дорогу... https://natribu.org/
Я его полностью поддерживаю.
Программирую на Fuse AtmelAVR.


Вернуться наверх
 
Показать сообщения за:  Сортировать по:  Вернуться наверх
Начать новую тему Ответить на тему  [ Сообщений: 178 ]    , , , 4, , , ...  

Часовой пояс: UTC + 3 часа


Кто сейчас на форуме

Сейчас этот форум просматривают: нет зарегистрированных пользователей и гости: 31


Вы не можете начинать темы
Вы не можете отвечать на сообщения
Вы не можете редактировать свои сообщения
Вы не можете удалять свои сообщения
Вы не можете добавлять вложения

Найти:
Перейти:  


Powered by phpBB © 2000, 2002, 2005, 2007 phpBB Group
Русская поддержка phpBB
Extended by Karma MOD © 2007—2012 m157y
Extended by Topic Tags MOD © 2012 m157y