Например TDA7294

Форум РадиоКот • Просмотр темы - Делитель на 4013. Кто поможет разобраться в странном баге
Форум РадиоКот
Здесь можно немножко помяукать :)

Текущее время: Вт янв 27, 2026 05:07:09

Часовой пояс: UTC + 3 часа


ПРЯМО СЕЙЧАС:



Начать новую тему Ответить на тему  [ Сообщений: 15 ] 
Автор Сообщение
Не в сети
 Заголовок сообщения: Делитель на 4013. Кто поможет разобраться в странном баге
СообщениеДобавлено: Вт мар 24, 2015 00:00:36 
Первый раз сказал Мяу!

Зарегистрирован: Пн окт 20, 2008 16:10:21
Сообщений: 20
Откуда: москва
Рейтинг сообщения: 0
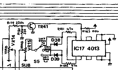
вот простенькая схемка делителя на 4013 , с операционника идет двуполярный сигнал, инвертор на транзисторе исправно формирует импульс запуска, но на выходе первого , вобще ничего невижу, возможно там оч короткие импульсы - у меня подрукой нискочастотный осцил, а со второго идет деленный пополам , однако если вместо 4013 ставлю 561тм2 - все четко работает- оба тригера нормально делят, пробовал разные 4013 (hcf,hc ....) эффект устойчивый.
какойто ужос


Вложения:
baga.jpg [183.91 KiB]
Скачиваний: 905
Вернуться наверх
 
Не в сети
 Заголовок сообщения: Re: Делитель на 4013. Кто поможет разобраться в странном баг
СообщениеДобавлено: Вт мар 24, 2015 00:52:52 
Встал на лапы
Аватар пользователя

Зарегистрирован: Пт мар 20, 2015 00:27:39
Сообщений: 85
Рейтинг сообщения: 0
не хватает скорости нарастания по входу , операционник в принципе не может дать быстрое нарастание и спад, положение не может исправить и предусилитель на транзисторе,
(хотя для ТМ2 скорости уже хватает для работы)
нужно сигнал с операционника подать на триггер Шмидта, либо применить микросхему счётчика делителя,
где входной сигнал поступает на тригер Шмидта

у одновибраторов на входе ставят тригеры шмидта
(но у одних производителей они могут быть на один и тот же чип, а у других нет)

как вариант применить входной транзистор pnp типа включённый эмитером на +питания
база как обычно один резистор на выход ОУ а второй с базы на +питания
(но базовый резисторо подобрать так чтобы транзистор срабатывал в середине входного сигнала от ОУ)

тогда получите в несколько раз более высокую скорость нарастания на входе у триггера
и возможно всё начнёт нормально работать


Вернуться наверх
 
Не в сети
 Заголовок сообщения: Re: Делитель на 4013. Кто поможет разобраться в странном баг
СообщениеДобавлено: Вт мар 24, 2015 07:10:49 
Друг Кота

Карма: 17
Рейтинг сообщений: 166
Зарегистрирован: Пт авг 25, 2006 09:26:19
Сообщений: 5232
Откуда: Москва
Рейтинг сообщения: 0
ata100 писал(а):
вот простенькая схемка делителя на 4013...., однако если вместо 4013 ставлю 561тм2 - все четко работает- оба тригера нормально делят, пробовал разные 4013 (hcf,hc ....) эффект устойчивый.
какойто ужос

Проверь цепи питания триггера. ТМ2 без минуса вполне может работать, а импорт с таким финтом по питанию может и не работать.
И с первого триггера уже должен идти меандр, а не тонкие импульсы. Проверь схему, где то грубый косяк.


Вернуться наверх
 
Не в сети
 Заголовок сообщения: Re: Делитель на 4013. Кто поможет разобраться в странном баг
СообщениеДобавлено: Вт мар 24, 2015 09:01:16 
Первый раз сказал Мяу!

Зарегистрирован: Пн окт 20, 2008 16:10:21
Сообщений: 20
Откуда: москва
Рейтинг сообщения: 0
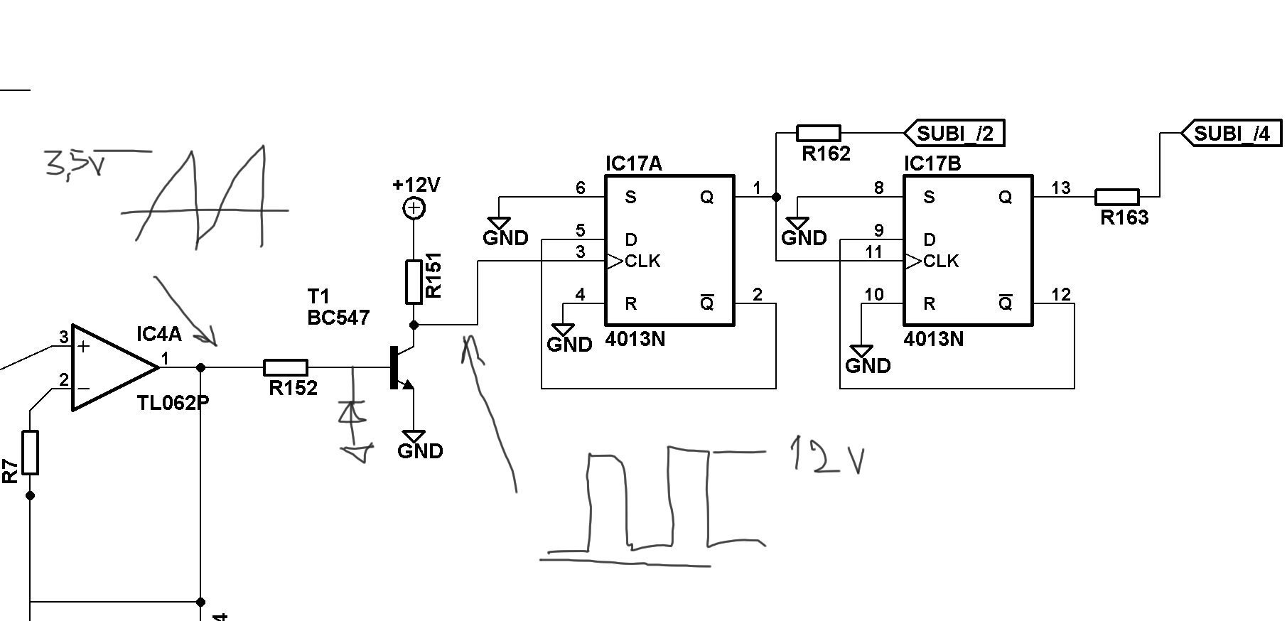
С питанием все ок, специально тригер для формирования клока ставить неохота, Вы не очень поняли условия : операционник дает пилу двуполярную , транзистор за ним разгоняет плюсовую часть до напряжения питания тригера, фронт конечно гавно, но ведь суть цифры кмоп сработать при перехода уровня в уровень, засмотрите часть фирменной схемы roland - тут таже самая тема : пила - транзистор - 4013 ,здесь однако ноги нарисованы как попало - это начало 80х, в натуре- все как в моей схеме


Вложения:
SH101_7.jpg [41.3 KiB]
Скачиваний: 410
Вернуться наверх
 
Эиком - электронные компоненты и радиодетали
Не в сети
 Заголовок сообщения: Re: Делитель на 4013. Кто поможет разобраться в странном баг
СообщениеДобавлено: Вт мар 24, 2015 11:12:23 
Встал на лапы
Аватар пользователя

Зарегистрирован: Пт мар 20, 2015 00:27:39
Сообщений: 85
Рейтинг сообщения: 0
в кмоп триггерах сработка по стробу происходит только когда скорость нарастания превышает некоторую минимальную величину
4013 более быстродействующие чем 561тм2 поэтому и тм2 может работать при более медленном нарастании сигнала строба, а 4013 этой скорости не хватает для сработки.
поднимите скорость нарастания сигнала строба и будет вам счастье,
например заменив npn транзистор на pnp , что увеличит скорость нарастания фронта в несколько раз
(скорость нарастания при включении в несколько раз выше скорости спада при выключении)
при этом pnp транзистор будет формировать фронт при включении,
а npn транзистор формирует фронт при выключении
(из-за этого скорость нарастания фронта в несколько раз меньше)


Вернуться наверх
 
Не в сети
 Заголовок сообщения: Re: Делитель на 4013. Кто поможет разобраться в странном баг
СообщениеДобавлено: Вт мар 24, 2015 11:22:07 
Друг Кота
Аватар пользователя

Карма: 62
Рейтинг сообщений: 889
Зарегистрирован: Вт апр 24, 2007 07:45:40
Сообщений: 6241
Откуда: Minsk
Рейтинг сообщения: 0
ata100 писал(а):
тригер для формирования клока ставить неохота

Крутые фронты тактирующих импульсов - азбучная истина для цифрового схемотехника. А насчет "неохота" - есть любители создавать себе проблему и потом героически ее преодолевать. Помню, в далекой молодости с мультивибратора дергал клок триггера и очень удивлялся, когда такие "гули-гули" шли, что полковник, для организации которого делал дивайс, удивлялся : "Это как у тебя система ЗАС ( закрытой связи ) получилась ? " :shock:
И правда, вместо чистого тона звук сильно напоминал тональную манипуляцию со стохастическим входным сигналом.


Вернуться наверх
 
Не в сети
 Заголовок сообщения: Re: Делитель на 4013. Кто поможет разобраться в странном баг
СообщениеДобавлено: Вт мар 24, 2015 14:08:02 
Сверлит текстолит когтями

Карма: -23
Рейтинг сообщений: 23
Зарегистрирован: Вт мар 18, 2014 13:14:39
Сообщений: 1115
Откуда: южнее Дуная
Рейтинг сообщения: 0
....увеличте резюк на колекторе и/или уменьшите резюк на базе... сделайте филтр по питанию 4013...


Вернуться наверх
 
Не в сети
 Заголовок сообщения: Re: Делитель на 4013. Кто поможет разобраться в странном баг
СообщениеДобавлено: Вт мар 24, 2015 14:35:31 
Первый раз сказал Мяу!

Зарегистрирован: Пн окт 20, 2008 16:10:21
Сообщений: 20
Откуда: москва
Рейтинг сообщения: 0
это я уже пробовал


Вернуться наверх
 
Не в сети
 Заголовок сообщения: Re: Делитель на 4013. Кто поможет разобраться в странном баг
СообщениеДобавлено: Вт мар 24, 2015 17:48:37 
Друг Кота
Аватар пользователя

Карма: 43
Рейтинг сообщений: 167
Зарегистрирован: Вс янв 25, 2009 21:16:04
Сообщений: 35639
Откуда: Москва
Рейтинг сообщения: 0
ata100 Первое: на 4013 (какое иу него питание?) меандр размахом в 12 вольт - это издевательство. Читай даташит. Второе: триггер не любит пологие фронты, для формирования строгого прямоугольного существует триггер Шмитта. (а видимо это и происходит - первый импульс из за пологости превращается в узенький пик, которого ты на осцилле не видишь).
Обычный триггер работает так: импульс нарастает и триггер перекидывается при достижении 2/3 от уровня питания . Если импулььс имеет пологую атаку, то ширина импульса естессно уменьшается, а может триггер и ваще не перекинутся. Какой склон у импульса, триггеру уже пофигу...


Вложения:
Фрма сигнала.png [7.76 KiB]
Скачиваний: 624

_________________
А поболтать?
Вернуться наверх
 
Не в сети
 Заголовок сообщения: Re: Делитель на 4013. Кто поможет разобраться в странном баг
СообщениеДобавлено: Вт мар 24, 2015 18:12:07 
Встал на лапы
Аватар пользователя

Зарегистрирован: Пт мар 20, 2015 00:27:39
Сообщений: 85
Рейтинг сообщения: 0
Толь не мечи бисер, челу лень два резистора и транзистор на макетке перепаять, он эту схему ещё год будет делать


Вернуться наверх
 
Не в сети
 Заголовок сообщения: Re: Делитель на 4013. Кто поможет разобраться в странном баг
СообщениеДобавлено: Вт мар 24, 2015 18:26:43 
Первый раз сказал Мяу!

Зарегистрирован: Пн окт 20, 2008 16:10:21
Сообщений: 20
Откуда: москва
Рейтинг сообщения: 0
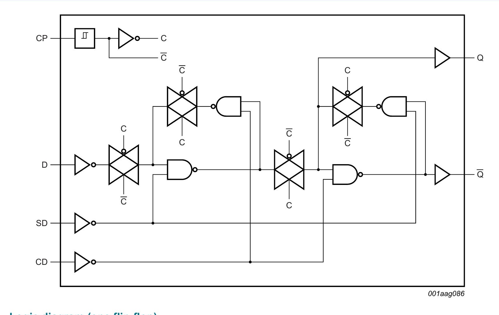
про ТШ уважаемый Brigadir, я в курсе (20лет как я в теме), посмотрите внимательно схему от roland выше в тексте, она работает, работает эта схема и с 561тм2,не понял что вы имеете против 12в,еслиб тригер перекидывался по пику то почему он не латчится, фактически он работает как одновибратор , если вы возьмете себе за труд глянуть на устройство 4013- увидете что у него повходу клока стоит тригер шмитта, такчто с фронтами он должен разбираться сам,
далее вы пишите : Какой склон у импульса, триггеру уже пофигу...

так вот в режиме д тригера, 4013 срабатывает по спаду.

Coach ,промакет я юзал эту схему неоднократно, только были несколько другие условия: пила была 15вольт, а сейчас неглядя перенес все ето на плату 40*20см, чтомне в 10тр в резоните обошлось, так что.....


Вложения:
HEF4013B_002.jpg [122.6 KiB]
Скачиваний: 622
Вернуться наверх
 
Не в сети
 Заголовок сообщения: Re: Делитель на 4013. Кто поможет разобраться в странном баг
СообщениеДобавлено: Вт мар 24, 2015 18:37:37 
Друг Кота

Карма: 68
Рейтинг сообщений: 1408
Зарегистрирован: Сб янв 29, 2011 00:28:48
Сообщений: 7774
Рейтинг сообщения: 0
ata100 писал(а):
20лет как я в теме

тогда тем более не понятно, инженеры подобные вопросы решают сами...)))
Если есть Тг на входе, тогда остаётся емкостью сделать гладкий (хоть и пологий) фронт...
Или какое-то влияние выходных сигналов по питанию...


Вернуться наверх
 
Не в сети
 Заголовок сообщения: Re: Делитель на 4013. Кто поможет разобраться в странном баг
СообщениеДобавлено: Вт мар 24, 2015 18:45:58 
Встал на лапы
Аватар пользователя

Зарегистрирован: Пт мар 20, 2015 00:27:39
Сообщений: 85
Рейтинг сообщения: 0
в 561тм2 тригера шмидта по входу синхронизации нет(в доках нет)
у филипса в 4013B в даташите показан по входу триггер шмидта,
у других производителей не факт что есть
в одних и тех же чипах у разных производителей он как может стоять, так его может и не быть
(в одновибраторах это наблюдается и в D-триггерах тоже)
уточните чей чип сбоит в вашей схеме

кстати у филипса в 4013В сработка синхронизации по фронту и у 561ТМ2 тоже,
у моторолы 4013 также сработка по фронту
чей это чип такой у вас 4013 в котором сработка по спаду?


Вернуться наверх
 
Не в сети
 Заголовок сообщения: Re: Делитель на 4013. Кто поможет разобраться в странном баг
СообщениеДобавлено: Вт мар 24, 2015 21:46:56 
Друг Кота
Аватар пользователя

Карма: 43
Рейтинг сообщений: 167
Зарегистрирован: Вс янв 25, 2009 21:16:04
Сообщений: 35639
Откуда: Москва
Рейтинг сообщения: 0
Я понял одно: Автор как пишет (неграмотно) - так и схемы собирает. Я умываю руки (а ведь хотел помочь...)
Кстати: все триггеры перекидываются по фронту! Все триггеры не любят пологие фронты. Все микросхемы КМОП не любят превышения сигнала по уровню питающего (выходят из строя), исключение: ЛН3.

_________________
А поболтать?


Вернуться наверх
 
Не в сети
 Заголовок сообщения: Re: Делитель на 4013. Кто поможет разобраться в странном баг
СообщениеДобавлено: Ср мар 25, 2015 10:36:30 
Сверлит текстолит когтями

Карма: -23
Рейтинг сообщений: 23
Зарегистрирован: Вт мар 18, 2014 13:14:39
Сообщений: 1115
Откуда: южнее Дуная
Рейтинг сообщения: 0
..... была 15вольт, а сейчас неглядя перенес все ето на плату ...
nokoment........


Вернуться наверх
 
Показать сообщения за:  Сортировать по:  Вернуться наверх
Начать новую тему Ответить на тему  [ Сообщений: 15 ] 

Часовой пояс: UTC + 3 часа


Кто сейчас на форуме

Сейчас этот форум просматривают: нет зарегистрированных пользователей и гости: 23


Вы не можете начинать темы
Вы не можете отвечать на сообщения
Вы не можете редактировать свои сообщения
Вы не можете удалять свои сообщения
Вы не можете добавлять вложения

Найти:
Перейти:  


Powered by phpBB © 2000, 2002, 2005, 2007 phpBB Group
Русская поддержка phpBB
Extended by Karma MOD © 2007—2012 m157y
Extended by Topic Tags MOD © 2012 m157y