Например TDA7294

Форум РадиоКот • Просмотр темы - И ещё раз о ТТЛ
Форум РадиоКот
Здесь можно немножко помяукать :)

Текущее время: Ср янв 28, 2026 02:41:54

Часовой пояс: UTC + 3 часа


ПРЯМО СЕЙЧАС:



Начать новую тему Ответить на тему  [ Сообщений: 3 ] 
Автор Сообщение
Не в сети
 Заголовок сообщения: И ещё раз о ТТЛ
СообщениеДобавлено: Ср фев 04, 2009 23:55:06 
Открыл глаза
Аватар пользователя

Зарегистрирован: Ср дек 03, 2008 20:05:41
Сообщений: 79
Откуда: Гатчина, Ленинградской области
Рейтинг сообщения: 0
Хотел ещё поспрашивать, но модератор тему закрыл, хотя и правильно сделал, слишком уж задвинуло там далеко от вопроса.

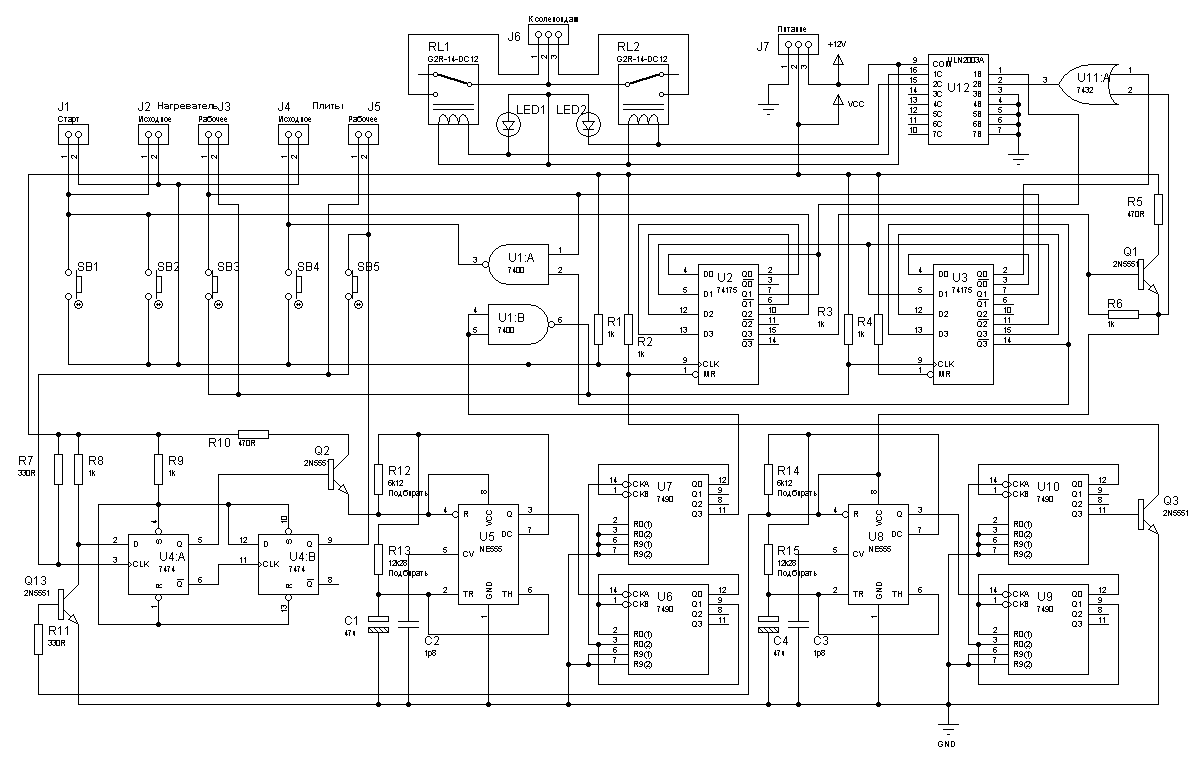
Вот схема, управляется по низкому уровню (кроме счётчиков), защита от дребезга есть, начальство на бесконтактные спонсировать отказалось, от дурака защита тоже есть. Вроде всё предусмотрел, но именно вроде, так как что и знал, а знал не так и много, позабывал видимо очень сильно.

Описывать полностью работу схемы не буду, так, в кратце только. SB1(нормально разомкнута) нажитием включает первый соленоид (на схеме соленоидов нет) замыкается SB2(нормально замкнутый) и через некоторое время (время движения поршня цилиндра) размыкается SB3(нормально замкнутый) включая второй соленоид, замыкается SB4(нормально замкнутый) и опять после отработки цилиндром размыкается SB5(нормально замкнутый), запуская генератор, отсчитывающий задержку до отключения второго соленоида. При отключении соленоида поршень цилиндра возвращается в исходное положение замыкая SB5 и размыкая SB4. SB4 подаёт команду на отключения первого соленоида. Замыкается SB3 и размыкается SB2 подавая команду на включение второго соленоида и запуск второго генератора для выдержки времени. По окончании выдержки второй цилиндр возвращается в исходное состояние. Переключения в это времы SB4 и SB5 учтены.
Запуск второго цикла работы возможен только через снятие питания со схемы (так нужно).

Транзисторы в настоящей схеме будут не 2N5551, а какие-нибудь специализированные под цифру с резистором в базе. Конденсаторы по питанию на модели не ставил, на "железе" будут.

Вобщем нужно чтобы высказали всё, что только тут не так, потому что время ещё есть, а вот если эта штука начнёт глюкать в процессе работы будет хуже.


Вложения:
111.gif [27.85 KiB]
Скачиваний: 515

_________________
Я просыпаюсь, чтобы вновь заснуть, я не спешу мир встретить бодрым взглядом. (Теодор Ротке)
Вернуться наверх
 
Не в сети
 Заголовок сообщения: Re: И ещё раз о ТТЛ
СообщениеДобавлено: Чт фев 05, 2009 09:16:07 
Друг Кота

Карма: 17
Рейтинг сообщений: 166
Зарегистрирован: Пт авг 25, 2006 09:26:19
Сообщений: 5232
Откуда: Москва
Рейтинг сообщения: 0
blackcatgtn писал(а):
....Вобщем нужно чтобы высказали всё, что только тут не так, потому что время ещё есть, а вот если эта штука начнёт глюкать в процессе работы будет хуже.

1.Я бы постарался заменить оба NE555, Q2,Q1,Q13 на один корпус 74ALS124 два управляемых генератора в одном корпусе (схема упростится и уберется куча резисторов).
2. Вместо инвертора на Q3 поставить свободный элемент от 7400.
3.Лучше использовать кнопки на переключение и использовать RS-триггеры, для 100% подавления дребезга. В вашем варианте схема будет переодически глючить от дребезга (даже если вы поставите подавляющие R/C цепочки на кнопки, т.к. нажимать на кнопки поршень будет плавно и нудно их отпускать :))) ). Тем более, что в концевых выключателях всегда используются кнопки на переключение!!!
4. В вашу схему обязательно надо бы добавить узел принудительного установа в 0 при включении питания. Что бы избежать неприятных неожиданностей.
5. На D-триггер 7474 желательно тоже устанавливать в"0" при включении питания.
6. RL1, RL2 зашунтировать диодами
7. светики LED1,LED2 включить через ограничивающие резисторы.


Вернуться наверх
 
Не в сети
 Заголовок сообщения:
СообщениеДобавлено: Чт фев 05, 2009 11:11:17 
Открыл глаза
Аватар пользователя

Зарегистрирован: Ср дек 03, 2008 20:05:41
Сообщений: 79
Откуда: Гатчина, Ленинградской области
Рейтинг сообщения: 0
Rokl, NE555 по тому, что они есть на предприятии, даже и не знаю, откуда, но есть, ну а если есть, то почему не использовать :)) , хотя к мысли о управляемом генераторе тоже склоняюсь. Инвертор на Q3 - это просто забыл поменять, дело-то к ночи было, он остался от предыдущего варианта. Дребез усключён по тому, что сразу, после первого срабатывания на концевом появляется высокий уровень, а где это было не возможно получить, есть там два таких момента, блокируется триггрер. Кстати по поводу плавного нажимания и отпускания - это для пневматики, там с плавностью некоторые проблемы :) . Но можно и на переключение попробовать, тем более, как Вы и пишите, в концевиках именно они и есть. И разве при использовании ULN2003 диоды нужны? Там же вроде в корпусе уже всё есть. А светодиоды - они просто так там, чтобы при моделировании сильно на сининькие и красненькие точки не всматриваться, в железе их не будет.

Про принудительный ноль думал, но вот как его туда ввернуть не знаю.

Ну серьёзно не знаю, куда кондёрчик повесить нужно, на вход CLK или MR?

_________________
Я просыпаюсь, чтобы вновь заснуть, я не спешу мир встретить бодрым взглядом. (Теодор Ротке)


Вернуться наверх
 
Показать сообщения за:  Сортировать по:  Вернуться наверх
Начать новую тему Ответить на тему  [ Сообщений: 3 ] 

Часовой пояс: UTC + 3 часа


Кто сейчас на форуме

Сейчас этот форум просматривают: нет зарегистрированных пользователей и гости: 20


Вы не можете начинать темы
Вы не можете отвечать на сообщения
Вы не можете редактировать свои сообщения
Вы не можете удалять свои сообщения
Вы не можете добавлять вложения

Найти:
Перейти:  


Powered by phpBB © 2000, 2002, 2005, 2007 phpBB Group
Русская поддержка phpBB
Extended by Karma MOD © 2007—2012 m157y
Extended by Topic Tags MOD © 2012 m157y