Например TDA7294

Форум РадиоКот • Просмотр темы - КМП817ПА1 ищу информацию
Форум РадиоКот
Здесь можно немножко помяукать :)

Текущее время: Вс апр 05, 2026 14:26:04

Часовой пояс: UTC + 3 часа


ПРЯМО СЕЙЧАС:



Начать новую тему Ответить на тему  [ Сообщений: 9 ] 
Автор Сообщение
 Заголовок сообщения: КМП817ПА1 ищу информацию
СообщениеДобавлено: Вс дек 28, 2025 21:53:53 
Встал на лапы
Аватар пользователя

Карма: 3
Рейтинг сообщений: 17
Зарегистрирован: Чт апр 28, 2016 22:33:47
Сообщений: 117
Откуда: ARPA Internet
Рейтинг сообщения: 0
По случаю приобретения такого вот советского "гробика" имею желание слепить из него что-то вроде калибратора с выходами по напряжению и току.
Изображение
Да, огрызок из справочника про данную микросборку я уже видел, и схемы включения из него тоже. Только этого мало из приведённых там данных не понятно, какой же в итоге получится диапазон тех самых напряжений и токов на выходе? :dont_know: Может кто из местных имел дело с подобными древностями и знает больше? Поделитесь знаниями? Вроде как, во время оно такие ЦАПы стояли в каких-то станках и плоттерах...

_________________
Хоронили кваку - порвали три Rocket Launcherа.©


Вернуться наверх
 
 Заголовок сообщения: Re: КМП817ПА1 ищу информацию
СообщениеДобавлено: Пн дек 29, 2025 04:05:51 
Сверлит текстолит когтями

Карма: 6
Рейтинг сообщений: 278
Зарегистрирован: Пт авг 21, 2009 03:22:12
Сообщений: 1178
Рейтинг сообщения: 0
Проще и быстрее самому включить и посмотреть, чем искать схемы и спецов 40-летней давности.
Кстати, стабилитроны в схеме Д818Е, а не Д808. В серии Д808-Д813 букв не было, да и не прецизионные они, не для этого применения.

Судя по описанию на http://155la3.ru/gibrid.htm, "...ЦАП-ы и АЦП этой серии собираются из одних и тех же «наборов». Два верхних больших кристалла - такие же, как и в КМП860ПВ1, и номер на них такой же - 352..."
дальше смотрим КМП860ПВ1: "...Элементная база для создания АЦП - бескорпусной вариант ЦАП 594ПА1, ОУ Б140УД6"

На включение 594ПА1 информации достаточно, по аналогии можно включать и КМП817ПА1.

Я сомневаюсь, что КМП817ПА1 имела честные 15 бит, скорее всего, младшие 2-3 бит мертвые. Это у КМП860ПВ1 указаны 13 разрядов, а по факту живых 11.


Вернуться наверх
 
 Заголовок сообщения: Re: КМП817ПА1 ищу информацию
СообщениеДобавлено: Вт дек 30, 2025 15:12:11 
Мудрый кот

Карма: -8
Рейтинг сообщений: 196
Зарегистрирован: Вт авг 15, 2017 10:51:13
Сообщений: 1717
Рейтинг сообщения: 0
Я сомневаюсь, что КМП817ПА1 имела честные 15 бит, скорее всего, младшие 2-3 бит мертвые.
Судя по году выпуска, там уже и их может не остаться. Деградацию компонентов со временем никто не отменял.
Использовать такое старьё кроме как "в качестве брелка" - сомнительная затея...


Вернуться наверх
 
 Заголовок сообщения: Re: КМП817ПА1 ищу информацию
СообщениеДобавлено: Вт дек 30, 2025 21:14:47 
Мучитель микросхем

Карма: 4
Рейтинг сообщений: 42
Зарегистрирован: Вс авг 16, 2015 13:08:53
Сообщений: 443
Рейтинг сообщения: 0
bolek писал(а):
Я сомневаюсь, что КМП817ПА1 имела честные 15 бит, скорее всего, младшие 2-3 бит мертвые.

Вы ничего не путаете? АЦП и ЦАП это как бы разные вещи. Если там указано 15 бит то они будут 15 бит.
Что касается ТС. Есть предположение что регулировка напряжения идет от 0 до 10 вольт, и ток от 0 до 10 ма судя схемы.


Вернуться наверх
 
Эиком - электронные компоненты и радиодетали
 Заголовок сообщения: Re: КМП817ПА1 ищу информацию
СообщениеДобавлено: Ср дек 31, 2025 01:17:22 
Сверлит текстолит когтями

Карма: 6
Рейтинг сообщений: 278
Зарегистрирован: Пт авг 21, 2009 03:22:12
Сообщений: 1178
Рейтинг сообщения: 0
Вы ничего не путаете? АЦП и ЦАП это как бы разные вещи. Если там указано 15 бит то они будут 15 бит..

Вы по ссылке информацию смотрели? АЦП на базе 12-битного ЦАП 594ПА1, параметры его приведены, величина емр соответствует в лучшем случае 11 битному АЦП.
Есть снимки потрохов сборок, в ЦАП, похоже стоят два 594ПА1. Параметры питания таковы, что расширение шкалы преобразования вверх не получится, значит расширили в сторону младших разрядов. И эти младшие разряды будут бесполезными, мертвыми ибо просто шум.
Вообще неважно сколько там бит нарисовано, АЦП и ЦАП начинаются с источника опорного напряжения/тока, с его стабильности и малошумности.

П.С. я с 572 и 594 сериями наигрался в 80-х годах прошлого века, недавно хлам перебирал - выкинул.

Добавлено after 21 minute 53 seconds:
Использовать такое старьё кроме как "в качестве брелка" - сомнительная затея...

Развлечения со старьем - это, похоже, такая фишка ТС, посмотрите его профиль и посты. Почему бы и нет...


Вернуться наверх
 
 Заголовок сообщения: Re: КМП817ПА1 ищу информацию
СообщениеДобавлено: Ср дек 31, 2025 16:06:47 
Встал на лапы
Аватар пользователя

Карма: 3
Рейтинг сообщений: 17
Зарегистрирован: Чт апр 28, 2016 22:33:47
Сообщений: 117
Откуда: ARPA Internet
Рейтинг сообщения: 0
А разве 594ПА1 не в чистом виде монолитно-интегральная схема? :dont_know: Я сам точно не знаю, потому и спрашиваю.
И опять же, может я чего не так понимаю, но видел то самое фото, и те два чипа сверху, как по мне, больше похожи просто на электронные ключи. А основную магию преобразования выполняют матрицы R-2R (или какого-то иного типа?) на керамических подложках. Которые и так подстраивают по месту лазером. Так что не вижу принципиальных проблем чтобы предки их настроили поточнее, адекватно настоящим 15 битам.
В любом случае, попробую микруху раскурить в том виде, как понял сам. :solder: Просто хотелось бы не спалить раритет неправильным включением.

_________________
Хоронили кваку - порвали три Rocket Launcherа.©


Вернуться наверх
 
 Заголовок сообщения: Re: КМП817ПА1 ищу информацию
СообщениеДобавлено: Чт янв 01, 2026 04:05:20 
Сверлит текстолит когтями

Карма: 6
Рейтинг сообщений: 278
Зарегистрирован: Пт авг 21, 2009 03:22:12
Сообщений: 1178
Рейтинг сообщения: 0
ejsanyo, да, 594ПА1 интегральная схема, и, как все интегральные схемы, до корпусирования существует в бескорпусном виде. Если она в таком варианте поставляется потребителям, то её обозначение Б594ПА1.
Эти две бескорпусных ИС и показаны на снимке.
R-2R в 594ПА1 нет, там токовые весовые ключи. Нетрудно посчитать значения весовых токов для шкалы, скажем, 0-10 мА.
В ЦАП помимо разрядности есть другие важные параметры, см. поиск по "Погрешности преобразования ЦАП" И вот они то, вместе с параметрами источника опорного напряжения/тока и определяют настоящую цену заявленной разрядности.

Включить микросборку и получить от неё какой-нибудь результат можно и нужно, хотя бы для удовлетворения своего любопытства.

А вот реально оценить полученный результат можно будет только при наличии точного поверенного вольтметра/амперметра. Хорошо, если есть доступ к такому в лаборатории, дома такой вряд ли есть.
Просто прикидка требований к параметрам вольтметра, при выходном напряжении 10 В:
10(В)/32767=0,0003052(В) - значение ЕМР для 15-разрядного ЦАП с макс. значением выходного напряжения 10 В, или 0,03052% от полной шкалы.
Чем это измерять? Класс точности вольтметров для метрологических лабораторий 0,05-0,1.

P.S. не думаю, что из этой старой микросборки получится сделать несколько упрощенный аналог В1-13. :)


Вернуться наверх
 
 Заголовок сообщения: Re: КМП817ПА1 ищу информацию
СообщениеДобавлено: Ср янв 14, 2026 19:55:20 
Встал на лапы
Аватар пользователя

Карма: 3
Рейтинг сообщений: 17
Зарегистрирован: Чт апр 28, 2016 22:33:47
Сообщений: 117
Откуда: ARPA Internet
Рейтинг сообщения: 5
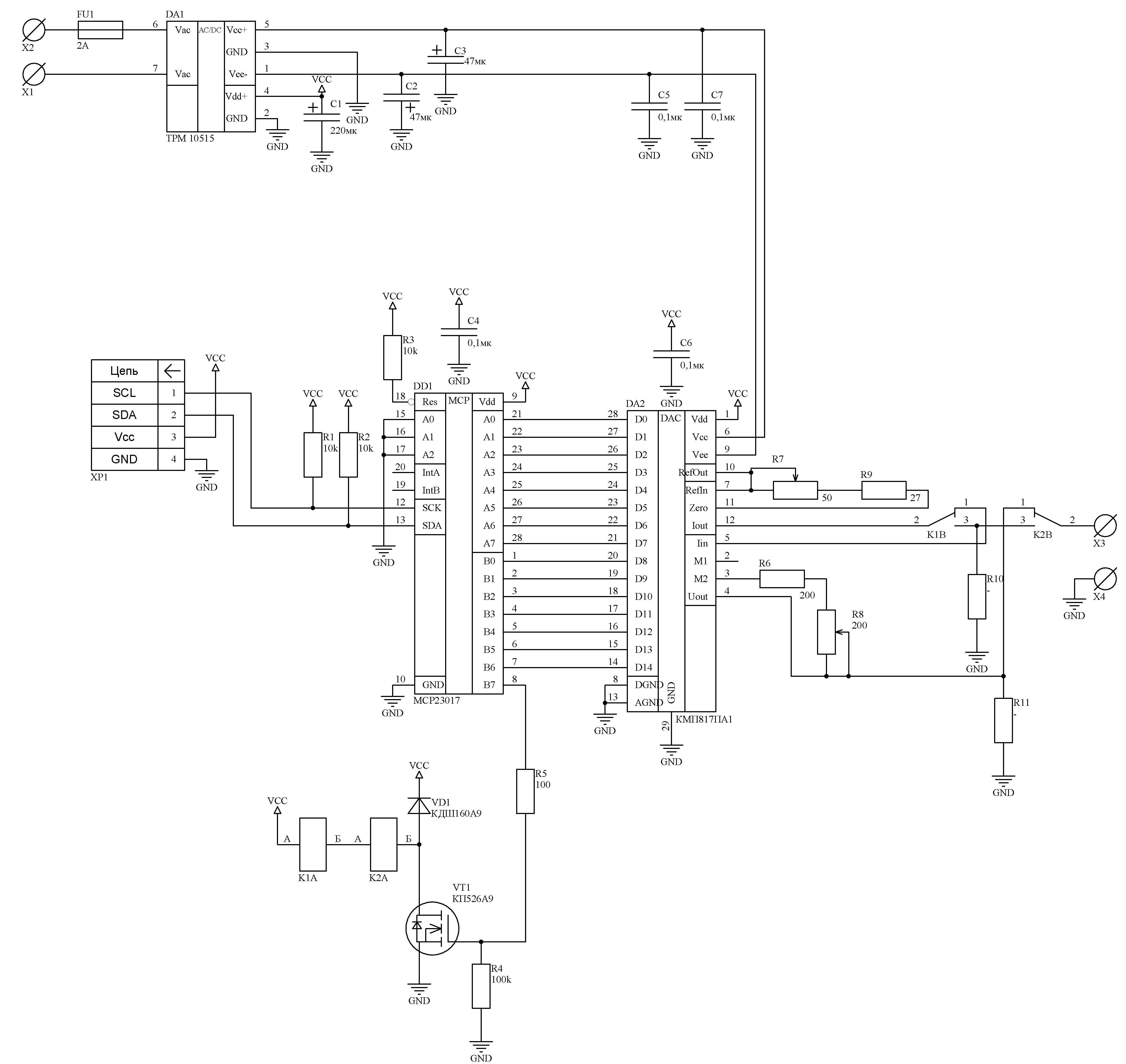
Наконец созрел до собственных тестов. :idea: Короче, по итогу получилась вот такая схема:
Изображение
Как видно, здесь мы имеем саму микросборку, включенную "примерно как нарисовано в том pdf" для "двухполярного режима". Её входы повешены на двухпортовый I2C расширитель MCP23017, дабы ими удобнее было дрыгать с помощью чего-нибудь ардуино-подобного. Поскольку два порта дают нам 16 бит, а ЦАП-ина только на 15 бит, последний выход можно задействовать, чтобы дёргать релюшки, переключающие тип выхода по току или по напряжению. Они здесь РЭС55А с обмотками на 3В, пару таких и стандартные 5В переключают стабильно. Когда обмотки не под током - активен напряженческий выход, а когда переключены - токовый.
И на удивление ничего не сгорело, а даже заработало!
Изображение Изображение
"Кирпич" от Traco выдаёт ±15В и +5В. Не то чтобы такая мощь тут была реально нужна, просто валялся в столе без дела, ещё с "сытых", доковидных времён. Подстроечники - типичные синенькие многооборотные 3296W от фирмы Bourns "TRIMMER". R7 подкручивает ноль, R8 - размах в плюс и минус от нуля. R10, R11 не устанавливал, они там ожидаемо не требуются.

Сначала о плохом:
Токовый выход настроен, по видимому, на максимальный размах ±1 мА. Но как оказалось, на практике он практически бесполезен! Поскольку ток нифига не стабилизирует, ток просаживается от любого маломальски ощутимого сопротивления. По видимому, на ногу 12 сделан выход прямо с резистивной матрицы. А жаль, мне настоящий токовый выход был бы весьма кстати. :cry: Когда нога висит в воздухе, потенциал на ней порядка -5,6В.
Ещё из минусов назвал бы, что корпус при работе прям очень тёплый, можно руки греть! Причём независимо, подключена нагрузка или нет.
А теперь хорошие моменты:
Выход опоры оказался на номинальное напряжение 10В. По факту, пока корпус холодный, получил 10,0073 В, после саморазогрева 10,0106 В. Если что, образцом служил Agilent 34401A, прошедший поверку в прошлом году.
Видимо в микрухе прячется преобразователь ток-напряжение на операционнике, а нога 5 - его вход. По крайней мере, когда на неё подключается нога 12, потенциал в точке становится практически равным нулю. И преобразователь этот весьма стабилен. При максимальном и минимальном выходном сигнале, при изменении сопротивления нагрузки от сопротивления вольтметра, до примерно 500 Ом, напряжение проседает всего на 1,5...2 мВ! После подстройки нуля симметричность минимума-максимума составила примерно такое же значение. По моему, не так уж плохо, особенно для 40-летнего старья? 8) При дальнейшем снижении сопротивления ток выхода резко ограничивается (схемой защиты?), а напряжение пропорционально снижается.
Просто некоторые особенности:
На самом деле DB0 у микрухи - это вход старшего разряда, а DB14 - младшего. Но к этому я был морально готов, поскольку уже сталкивался с таким на ЦАП-ах старых разработок.
При входном коде 0x0000 напряжение на выходе минимальное. Далее зависимость просто линейная: в середине при 0x4000 имеем ноль, при 0x7FFF - максимум.
При указанных номиналах R7, R9 ноль у меня подстраивался в пределах где-то ±30 мВ.
Что неожиданно - даже при R6, R8 = 0 мимимум/максимум оказался шире номинального диапазона - ±10,16В. Вероятно, это сделано специально, чтобы иметь запас по диапазону? Пока поставил R6, R8 по 200 Ом, при этом удаётся чётко настроить ширину диапазона ±10,50В, то бишь с запасом в 5%. Да, увеличение этого сопротивления не уменьшает, а увеличивает размах выходного напряжения.

Какой можно сделать вывод? Наверно такой, что при условии доступа к образцовому оборудованию, с данной микросборкой вполне можно слепить точный источник напряжения для любительских, а может, и не только, целей, класса 0,1, а может и лучше.


Вложения:
Schematic Prints.gif [115.95 KiB]
Скачиваний: 31

_________________
Хоронили кваку - порвали три Rocket Launcherа.©
Вернуться наверх
 
 Заголовок сообщения: Re: КМП817ПА1 ищу информацию
СообщениеДобавлено: Чт янв 15, 2026 04:09:53 
Сверлит текстолит когтями

Карма: 6
Рейтинг сообщений: 278
Зарегистрирован: Пт авг 21, 2009 03:22:12
Сообщений: 1178
Рейтинг сообщения: 0
ejsanyo, :beer:
Интересные эксперименты и первые результаты.
Теперь надо написать (для себя) программу и методику испытаний (ПМ) и провести испытания.
То, что выходное напряжение меняется от кода - это у всех ЦАП так и это не особенно интересно. Гораздо интереснее:
- измерить величину ЕМР в разных точках шкалы
- оценить линейность характеристики преобразования и т.п.
И, потенциально, такая возможность есть: по описанию у Agilent 34401A есть RS-232, подключить его к компу и снять характеристику Uвых_цап(Двоичный код).
По этой характеристике можно будет судить о возможностях использования этого ЦАП. И, если использовать, следует сразу подумать о термостатировании.

P.S. В 70-х годах прошлого века был актуальным вопрос о сохраняемости микросхем в течение времени, уходе их параметров. Статистики то ещё надёжной не было. Цифровые микросхемы 134 серии 50-летней давности до сих пор работают (включал как-то ради любопытства), правда детально параметры (например времена задержек) не измерял - нет такой возможности. Да и транзисторы тех лет тоже работают. Так что, то что, ЦАП работает, это не удивительно.


Вернуться наверх
 
Показать сообщения за:  Сортировать по:  Вернуться наверх
Начать новую тему Ответить на тему  [ Сообщений: 9 ] 

Часовой пояс: UTC + 3 часа


Вы не можете начинать темы
Вы не можете отвечать на сообщения
Вы не можете редактировать свои сообщения
Вы не можете удалять свои сообщения
Вы не можете добавлять вложения

Найти:
Перейти:  


Powered by phpBB © 2000, 2002, 2005, 2007 phpBB Group
Русская поддержка phpBB
Extended by Karma MOD © 2007—2012 m157y
Extended by Topic Tags MOD © 2012 m157y