Например TDA7294

Форум РадиоКот • Просмотр темы - Цифровой термометр от -50 до +300 на термопаре
Форум РадиоКот
Здесь можно немножко помяукать :)

Текущее время: Сб янв 31, 2026 03:02:49

Часовой пояс: UTC + 3 часа


ПРЯМО СЕЙЧАС:



Начать новую тему Ответить на тему  [ Сообщений: 12 ] 
Автор Сообщение
Не в сети
 Заголовок сообщения: Цифровой термометр от -50 до +300 на термопаре
СообщениеДобавлено: Вс окт 18, 2009 19:56:09 
Родился

Зарегистрирован: Ср окт 14, 2009 12:32:58
Сообщений: 11
Рейтинг сообщения: 0
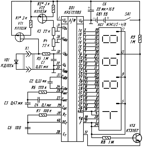
помогите кто-нить реализовать такой термометр , есть схема ацп надо как то подключить к ней термопару что и как надо добавить? помогите плз...


Вложения:
t_kp572.gif [21.08 KiB]
Скачиваний: 1604

_________________
Prof_max
Вернуться наверх
 
Не в сети
 Заголовок сообщения:
СообщениеДобавлено: Пн окт 19, 2009 13:19:33 
Поставщик валерьянки для Кота

Карма: 16
Рейтинг сообщений: 329
Зарегистрирован: Вт ноя 27, 2007 11:32:06
Сообщений: 2222
Откуда: Tashkent
Рейтинг сообщения: 0
Первым делом скажу что выход термопары нелинейный, у вас это простой АЦП(вольтметр) с выходом на индикатор. Поэтому надо будет еще сделать линеаризацию передаточной функции. Проще всего проблема решается на МК куда забивается таблица коэффициентов для пересчета. Потом для реализации данной затеи обязательно надо знать тип термопары т.к. у разных типов разные рабочие температуры, разная точность и что самое главное разные зависимости выхода от температуры(т.е. разные функции). Подключение тоже зависит от термопары, пошуршите в гугле на тему подключения и использования термопары. Когда почитаете то сразу отпадет большая часть вопросов. Еще про подключение. У Analog Devices (analog.com) в даташитах и аппонутах на прецизионные ОУ есть много примеров включения разных термопар.


Вернуться наверх
 
Не в сети
 Заголовок сообщения:
СообщениеДобавлено: Вт окт 20, 2009 12:23:31 
Собутыльник Кота
Аватар пользователя

Карма: 11
Рейтинг сообщений: 47
Зарегистрирован: Пн апр 06, 2009 19:33:29
Сообщений: 2512
Откуда: Молдова, Кишинев
Рейтинг сообщения: 0
Медали: 1
Получил миской по аватаре (1)
Ну насчет термопары тут выбор невелик. Если нужно мерять отрицательную температуру это Т или СС класс. А это медь-константан, или медь-медьникель. Ну и температуру холодного конца мерять надо чем нибудь типа DS1820.


Вернуться наверх
 
Не в сети
 Заголовок сообщения:
СообщениеДобавлено: Ср окт 21, 2009 20:10:53 
Родился

Зарегистрирован: Ср окт 14, 2009 12:32:58
Сообщений: 11
Рейтинг сообщения: 0
Мужики помогите плз реализовать , ну можно же и не терморезисторе, просто очень надо , или натолкните спаять то я все смогу было бы что.

_________________
Prof_max


Вернуться наверх
 
Эиком - электронные компоненты и радиодетали
Не в сети
 Заголовок сообщения:
СообщениеДобавлено: Ср окт 21, 2009 20:58:23 
Опытный кот
Аватар пользователя

Карма: 9
Рейтинг сообщений: 61
Зарегистрирован: Пт ноя 16, 2007 11:21:37
Сообщений: 830
Рейтинг сообщения: 0
Блин!!! ты в гугл то пробовал свой вопрос вбить и не поленится полистать результаты поиска????????


Вернуться наверх
 
Не в сети
 Заголовок сообщения:
СообщениеДобавлено: Ср окт 21, 2009 22:06:35 
Родился

Зарегистрирован: Ср окт 14, 2009 12:32:58
Сообщений: 11
Рейтинг сообщения: 0
конечно пробовал !!! вот ткните меня в ссылку которая действительно мне поможет ....?

_________________
Prof_max


Вернуться наверх
 
Не в сети
 Заголовок сообщения:
СообщениеДобавлено: Ср окт 21, 2009 22:25:46 
Модератор
Аватар пользователя

Карма: 120
Рейтинг сообщений: 1088
Зарегистрирован: Пн дек 08, 2008 19:28:04
Сообщений: 22874
Откуда: 10км от Москвы на Север
Рейтинг сообщения: 0
Можно воспользоваться схемой из обычного китайского тестера, там даже термокомпенсация на диоде имеется... . :)


Вернуться наверх
 
Не в сети
 Заголовок сообщения:
СообщениеДобавлено: Чт окт 22, 2009 00:01:55 
Родился

Зарегистрирован: Ср окт 14, 2009 12:32:58
Сообщений: 11
Рейтинг сообщения: 0
подключать хочу вот Эту термопару от мультиметра....все должно быть как то проще....
Термопара ETP-02.
Диапазон измеряемых температур -50...+400°C.


Вложения:
161009_5.jpg [3.38 KiB]
Скачиваний: 1321

_________________
Prof_max
Вернуться наверх
 
Не в сети
 Заголовок сообщения:
СообщениеДобавлено: Чт окт 22, 2009 00:10:13 
Родился

Зарегистрирован: Ср окт 14, 2009 12:32:58
Сообщений: 11
Рейтинг сообщения: 0
и еще хочу добавить: так как датчик температуры(термопара) идет для мультиметра то я думаю вот эта схема подойдет? только настроить регулировку бы как то .


Вложения:
вольтметр с диапазоном измерения -199.9 ... +199.9 мВ.rar [226.24 KiB]
Скачиваний: 659

_________________
Prof_max
Вернуться наверх
 
Не в сети
 Заголовок сообщения:
СообщениеДобавлено: Чт окт 22, 2009 09:45:53 
Модератор
Аватар пользователя

Карма: 120
Рейтинг сообщений: 1088
Зарегистрирован: Пн дек 08, 2008 19:28:04
Сообщений: 22874
Откуда: 10км от Москвы на Север
Рейтинг сообщения: 0
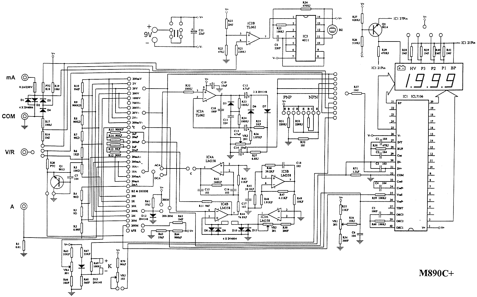
Схема подключения термопары к ПВ выложена в какой -то из книжек по современным мультиметрам... .


Вложения:
m890c+.gif [68.65 KiB]
Скачиваний: 1067
izm_tem1.gif [11.19 KiB]
Скачиваний: 1081
Вернуться наверх
 
Не в сети
 Заголовок сообщения:
СообщениеДобавлено: Чт окт 22, 2009 13:14:55 
Родился

Зарегистрирован: Ср окт 14, 2009 12:32:58
Сообщений: 11
Рейтинг сообщения: 0
Borodach дай плз ссылку на первоисточник, про измерение температуры можно подробней (2 рисунок) , у термопары же есть полюса вот как там подключать?вот схема мультиметра под термопару , что надо лишнее выкинуть что-то полно всего


Вложения:
izmer69-3.gif [54.81 KiB]
Скачиваний: 857

_________________
Prof_max
Вернуться наверх
 
Не в сети
 Заголовок сообщения:
СообщениеДобавлено: Чт окт 22, 2009 15:00:01 
Модератор
Аватар пользователя

Карма: 46
Рейтинг сообщений: 236
Зарегистрирован: Чт окт 27, 2005 18:50:07
Сообщений: 11169
Откуда: из мест не столь отдалённых
Рейтинг сообщения: 0
Медали: 2
Получил миской по аватаре (1) Мявтор 3-й степени (1)
Упс! Не забывайте, что получившийся термометр надо клибровать. А вообще-то у нас есть схема http://radiokot.ru/circuit/analog/home/02/ термостата, имеритель для которого сделан на http://radiokot.ru/circuit/analog/home/02/.
Полярность термопары определите по факту- при нагреве показания должны увеличиваться; если уменьшаются- смените полярность включения. При эксплуатации термометра в ограниченном температурном диапазоне, например +15..+25 градусов, можно не заморачиваться с температурной компенсацией..


Вернуться наверх
 
Показать сообщения за:  Сортировать по:  Вернуться наверх
Начать новую тему Ответить на тему  [ Сообщений: 12 ] 

Часовой пояс: UTC + 3 часа


Кто сейчас на форуме

Сейчас этот форум просматривают: нет зарегистрированных пользователей и гости: 62


Вы не можете начинать темы
Вы не можете отвечать на сообщения
Вы не можете редактировать свои сообщения
Вы не можете удалять свои сообщения
Вы не можете добавлять вложения

Найти:
Перейти:  


Powered by phpBB © 2000, 2002, 2005, 2007 phpBB Group
Русская поддержка phpBB
Extended by Karma MOD © 2007—2012 m157y
Extended by Topic Tags MOD © 2012 m157y