Например TDA7294

Форум РадиоКот • Просмотр темы - Часы на микросхемах к176
Форум РадиоКот
Здесь можно немножко помяукать :)

Текущее время: Вт ноя 25, 2025 18:34:13

Часовой пояс: UTC + 3 часа


ПРЯМО СЕЙЧАС:



Начать новую тему Ответить на тему  [ Сообщений: 24 ]  1,  
Автор Сообщение
Не в сети
 Заголовок сообщения: Часы на микросхемах к176
СообщениеДобавлено: Вс янв 28, 2024 22:19:10 
Первый раз сказал Мяу!

Зарегистрирован: Пн июн 19, 2023 14:41:48
Сообщений: 30
Рейтинг сообщения: 0
Давно хотел собрать схему электронных часов на микросхемах 176 серии. Нашел очень распространенную схему:
Изображение
Поискав детали у себя, понял что подойдет такая схема, найденная в интернете
Изображение
Для нее есть все детали, но есть много вопросов.
1) Напряжение питания?
2) Тип 7-мисегментных индикаторов?
3) Необходимость в каких деталях отпадает, если не нужен будильник?
4) Какой переключатель отвечает за настройку времени?
Буду очень благодарен, если обладающий опытом сборки такой схемы человек, подскажет ответы на вопросы. :)


Вернуться наверх
 
Не в сети
 Заголовок сообщения: Re: Часы на микросхемах к176
СообщениеДобавлено: Пн янв 29, 2024 07:24:36 
Друг Кота
Аватар пользователя

Карма: 197
Рейтинг сообщений: 8575
Зарегистрирован: Пн ноя 30, 2009 03:00:01
Сообщений: 42991
Откуда: Нерезиновая
Рейтинг сообщения: 0
Эти схемы 100500 раз обсосаны, в том числе и на этом форуме.
Питание микросхем 176 логики 9 вольт.

В этих схемах- светодиодный семисегментный индикатор с "общим анодом", его можно набрать из четырёх одноразрядных индикаторов, или из двух двухразрядных, или взять один четырёхразрядный, но тут может быть проблема- не у каждого четырёхразрядного индикатора есть работающее "двоеточие", и оно должно быть полностью отдельным от всех остальных разрядов/сегментов. Конкретный тип индикатора зависит от ваших "хотелок" относительно цвета и размера индикаторов. Применить очень большие индикаторы не всегда возможно..
Вот в этой схеме:
СпойлерИзображение

первая микросхема- 176ИЕ18
А в этой схеме:
СпойлерИзображение

первая микросхема 176ИЕ12.
А вообще- это "стандартный набор" часы- будильник на 176 серии,

Чтобы убрать будильник, в схеме на 176ИЕ12 убирается та часть схемы, что идёт после SW5, и кнопку SW3

Чтобы убрать будильник, в схеме на 176ИЕ18 убирается D2, D3, кнопка "установка будильника", зуммер BZ1 и выключатель "сигнал вкл/выкл"

И да, я из этих схем выбрасываю конденсатор, который идёт от вывода 11 176ИЕ13 на "землю".. Ну, или уменьшить его ёмкость раза в 3~5.

И ещё- к микросхеме 176ИЕ18 можно напрямую подключать вакуумно- люминесцентный индикатор, при замене 176ИЕ2 на 176ИЕ3, а лля схемы на 176ИЕ12 + 176ИД2 требуются дополнительные ключи.

зы.. Я этих часиков насобирал в самых разных вариантах.. :facepalm:
Изображение Изображение Изображение Изображение Изображение Изображение

зызы.. А у вас есть эти микросхемы? А вы уверены, что сможете их приобрести?


Вернуться наверх
 
Не в сети
 Заголовок сообщения: Re: Часы на микросхемах к176
СообщениеДобавлено: Пн янв 29, 2024 08:17:37 
Модератор
Аватар пользователя

Карма: 162
Рейтинг сообщений: 2421
Зарегистрирован: Пн июл 07, 2008 10:46:09
Сообщений: 10735
Откуда: Россия
Рейтинг сообщения: 0
...есть много вопросов.

В библиотеке есть несколько книжечек, в которых есть ответы на все ваши вопросы, например:
https://sunduk.radiokot.ru/view/?id=1287666239
https://sunduk.radiokot.ru/view/?id=1287561665
Кстати, часовая серия может питаться от 3В до 15 В. Это можно использовать, например, для организации дежурного питания, при котором часы не будут отключаться (будут работать без индикации времени) при пропадании питания от сети.
Если в схему добавить К176ИЕ17, то можно организовать индикацию даты...

_________________
Если хотите, чтобы жизнь улыбалась вам, подарите ей своё хорошее настроение


Вернуться наверх
 
Не в сети
 Заголовок сообщения: Re: Часы на микросхемах к176
СообщениеДобавлено: Пн фев 19, 2024 23:03:12 
Открыл глаза
Аватар пользователя

Зарегистрирован: Вт фев 26, 2019 14:44:04
Сообщений: 55
Откуда: Ставрополь
Рейтинг сообщения: 0
Несколько лет назад собрал аналогичные часики из подножного корма. Дополнил дистанционным корректором - из убитых китайских машинок с радиоуправлением выдрал передатчик и приёмник. Дома уж лет пятнадцать стоит сервер на Расбери Пи, так вот малинка в полночь "нажимает у себя кнопочку", через ДУ оно передаётся на часики и корректируется время. При замене дежурной батарейки (раз в три-четыре года ;)) достаточно выставить время плюс/минус десять минут, и ночью всё устаканится.
Ну и регулятор яркости индикаторов - божественная вещь, я вам скажу.
http://rw6hrm.qrz.ru/clock.htm если что. Схемы ДУ ещё не выкладывал.


Вернуться наверх
 
Эиком - электронные компоненты и радиодетали
Не в сети
 Заголовок сообщения: Re: Часы на микросхемах к176
СообщениеДобавлено: Пт апр 05, 2024 14:15:51 
Друг Кота

Карма: 17
Рейтинг сообщений: 166
Зарегистрирован: Пт авг 25, 2006 09:26:19
Сообщений: 5232
Откуда: Москва
Рейтинг сообщения: 0
Давно хотел собрать схему электронных часов на микросхемах 176 серии. Нашел очень распространенную схему:
Изображение
Поискав детали у себя, понял что подойдет такая схема, найденная в интернете
Изображение
Для нее есть все детали, но есть много вопросов.
1) Напряжение питания?
2) Тип 7-мисегментных индикаторов?
3) Необходимость в каких деталях отпадает, если не нужен будильник?
4) Какой переключатель отвечает за настройку времени?
Буду очень благодарен, если обладающий опытом сборки такой схемы человек, подскажет ответы на вопросы. :)

Если использовать в часах две м/с К176ИЕ13 и одну К176ИЕ12, то можно забацать часики с часами, минутами и секундами. Питаются, кстати, ИЕ12,ИЕ13, ИД2,ИД3 от 12в(штатный режим) так что используя с ними 561 серию, можно не заморачиваться на 9в, а использовать 12в источник питания.


Вернуться наверх
 
Не в сети
 Заголовок сообщения: Re: Часы на микросхемах к176
СообщениеДобавлено: Сб мар 08, 2025 04:29:40 
Друг Кота

Карма: -8
Рейтинг сообщений: 15
Зарегистрирован: Вс июл 24, 2011 11:38:09
Сообщений: 7568
Рейтинг сообщения: 0
Как можно реализовать термометр по типу Электроники 7-06 чтоб иногда появлялся?
Но с учётом статической индикации.
Допустим 6х ULN2003 42 сигнала. Если как комутатор брать ЛА7 то это 11 корпусов, и тогда термометр второй платой сверху.
6+11+6 счётчиков времени и +1 задающий, можно сказать 25 корпусов, дофига получается, это впритык по размеру индикатора.

Колхозить комутаторы статики в динамику, или просто отказаться от такой авантюры с выводом на такой индикатор ? Там 1 сетка.
А то думаю купить индикатор и утилизировать в этих часах кучку ИЕ3ИЕ4 и ULN2003


Вернуться наверх
 
Не в сети
 Заголовок сообщения: Re: Часы на микросхемах к176
СообщениеДобавлено: Сб мар 08, 2025 14:42:28 
Открыл глаза

Зарегистрирован: Сб ноя 04, 2017 19:21:12
Сообщений: 77
Рейтинг сообщения: 0
Мне кажется, это большое усложнение схемы. Вообще, мне думается, пора уже закопать 176 серию и использовать более современные средства для построения высокоточных часов. Это и технически проще, и дешевле.


Вернуться наверх
 
Не в сети
 Заголовок сообщения: Re: Часы на микросхемах к176
СообщениеДобавлено: Сб мар 08, 2025 20:52:25 
Друг Кота

Карма: -8
Рейтинг сообщений: 15
Зарегистрирован: Вс июл 24, 2011 11:38:09
Сообщений: 7568
Рейтинг сообщения: 0
Чисто экономически ИЕ3,ИЕ4 за 15р ещё можно найти, а вот ИЕ12-ИЕ18 ценник по 60р бывает, что в комплекте переваливает за 200р которые может стоить МК. Сгодятся они только под ремонт антикавариата.
А вот младшие микросхемы даже на лом ничего не стоят, по 5-10р можно поигратся.

Что если К561ПУ4 подключить на ВЛИ, может чтото получился ? Вот статейка говорит об токах 50ма и более.
Цитата:
Ток короткого замыкания выхода, мА:

При питании, В: 3 5 7.5 9 12 15
Логической 1ы: 1.3 7.2 18 25 40 54
Логического 0я: 7.5 30 70 93 130 165
Помнится профессор у которого покупал, говорил что вроде бы их даже так применяли.
Думаю может их применить вместо USL2003 они тоже без дела лежат и их побольше.
Подключение только не прямые 7, а последовательные 6, в общем по разводке даже не близко.

Про К176ИД3 вроде бы говорится ток нагрузки 9ма, хотя тоже не очень внятно написано, про ПУ4 вообще пишут 2ма.
Но ставилось всё в маленькие часы без ключей и при малом напряжении, наверно яркость никакая была.
Так что для динамики в любом случае ключи надо.
Вот еслиб была микросхема где побольше линий, хотя бы 20, чтоб корпусов поменьше


Вернуться наверх
 
Не в сети
 Заголовок сообщения: Re: Часы на микросхемах к176
СообщениеДобавлено: Сб мар 08, 2025 23:15:15 
Друг Кота
Аватар пользователя

Карма: 197
Рейтинг сообщений: 8575
Зарегистрирован: Пн ноя 30, 2009 03:00:01
Сообщений: 42991
Откуда: Нерезиновая
Рейтинг сообщения: 0
74LS00 писал(а):
Что если К561ПУ4 подключить на ВЛИ, может чтото получился ? Вот статейка говорит об токах 50ма и более.

ВЛИ потребляют мало, так, что- токи не так важны. Вопрос в том, что, у микросхем есть выход-
"двухтактный" типа:
СпойлерИзображение

https://avatars.dzeninfra.ru/get-zen_do ... scale_1200
или
СпойлерИзображение

https://dianaivanskaya.ucoz.ru/_si/1/13386319.png
То, ни о каком "прямом" управлении ВЛИ не может быть и речи,
"непосредственно управлять" могут только элементы с открытым коллектором, или с открытым стоком или истоком

Из серии 176, под управление ВЛИ непосредственно, сделаны 176ИЕ18 и 176ИД3


Вернуться наверх
 
Не в сети
 Заголовок сообщения: Re: Часы на микросхемах к176
СообщениеДобавлено: Вс мар 09, 2025 00:30:39 
Друг Кота

Карма: -8
Рейтинг сообщений: 15
Зарегистрирован: Вс июл 24, 2011 11:38:09
Сообщений: 7568
Рейтинг сообщения: 0
СпойлерИзображение

по правой схеме сегменты подтянуты всегда, ключ только замыкает их на минус, тогда какая разница как их замыкать.
Так же работает схема в ULN2003 которую постоянно не нахожу, хотя такие часы были и многие их собирали.

С ПУ4 поставить диод чтоб высокое напряжение с лампы не текло в микросхему, а она только минус комутировала.
Если тока мало то вторым этажом запаять они же ненужные.

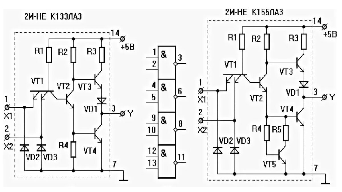
Вовремя вы с ЛА3, там ведь тоже есть транзистор комутирующий на минус, так может и её в такой роли запречь. Но тут вопрос к пробивному напряжению транзистора, если он будет протекать то будет засветка.
Питание ЛА3 подключить через резистор кудато чтоб ток уменьшить.


Вернуться наверх
 
Не в сети
 Заголовок сообщения: Re: Часы на микросхемах к176
СообщениеДобавлено: Вс мар 09, 2025 02:14:13 
Друг Кота
Аватар пользователя

Карма: 197
Рейтинг сообщений: 8575
Зарегистрирован: Пн ноя 30, 2009 03:00:01
Сообщений: 42991
Откуда: Нерезиновая
Рейтинг сообщения: 0
74LS00 писал(а):
Так же работает схема в ULN2003 которую постоянно не нахожу, хотя такие часы были и многие их собирали.

И не только часы-
Изображение Изображение Изображение Изображение Изображение


Вернуться наверх
 
Не в сети
 Заголовок сообщения: Re: Часы на микросхемах к176
СообщениеДобавлено: Вс мар 09, 2025 06:39:51 
Друг Кота
Аватар пользователя

Карма: 50
Рейтинг сообщений: 1398
Зарегистрирован: Пт авг 28, 2009 21:34:30
Сообщений: 7316
Откуда: 845-й км.
Рейтинг сообщения: 0
Медали: 1
Получил миской по аватаре (1)
Вовремя вы с ЛА3,
ЛН3 - открытый коллектор и... до 30 вольт!


Вернуться наверх
 
Не в сети
 Заголовок сообщения: Re: Часы на микросхемах к176
СообщениеДобавлено: Вс мар 09, 2025 07:40:15 
Друг Кота
Аватар пользователя

Карма: 197
Рейтинг сообщений: 8575
Зарегистрирован: Пн ноя 30, 2009 03:00:01
Сообщений: 42991
Откуда: Нерезиновая
Рейтинг сообщения: 0
Вовремя вы с ЛА3,
ЛН3 -

Вы перепутали-
Цитата:
Микросхемы К155ЛН3, КМ155ЛН3 (7406) представляют собой шесть буферных инвенторов НЕ с повышенным коллекторным напряжением.

А тут речь идёт о КМОП логике 176 или 561 серии.


Вернуться наверх
 
Не в сети
 Заголовок сообщения: Re: Часы на микросхемах к176
СообщениеДобавлено: Вс мар 09, 2025 08:16:26 
Прорезались зубы
Аватар пользователя

Карма: 5
Рейтинг сообщений: 25
Зарегистрирован: Ср сен 11, 2024 10:18:53
Сообщений: 220
Рейтинг сообщения: 0
...Так же работает схема в ULN2003 которую постоянно не нахожу...

А что мешает поставить нашу К1109КТ22 ?


Вложения:
K1109KT22.pdf [270.32 KiB]
Скачиваний: 49

_________________
Audiatur et altera pars !
Вернуться наверх
 
Не в сети
 Заголовок сообщения: Re: Часы на микросхемах к176
СообщениеДобавлено: Вс мар 09, 2025 13:37:15 
Друг Кота
Аватар пользователя

Карма: 182
Рейтинг сообщений: 8321
Зарегистрирован: Пт фев 04, 2011 17:57:51
Сообщений: 19973
Откуда: Рыбинск
Рейтинг сообщения: 0
Медали: 1
Лучший человек Форума 2017 (1)
Он схему постоянно не находит, а не микросхему :sleep:


Вернуться наверх
 
Не в сети
 Заголовок сообщения: Re: Часы на микросхемах к176
СообщениеДобавлено: Вс мар 09, 2025 15:06:58 
Прорезались зубы
Аватар пользователя

Карма: 5
Рейтинг сообщений: 25
Зарегистрирован: Ср сен 11, 2024 10:18:53
Сообщений: 220
Рейтинг сообщения: 0
Он схему постоянно не находит, а не микросхему :sleep:

Ах вот оно что :)

_________________
Audiatur et altera pars !


Вернуться наверх
 
Не в сети
 Заголовок сообщения: Re: Часы на микросхемах к176
СообщениеДобавлено: Вс мар 09, 2025 15:11:04 
Друг Кота
Аватар пользователя

Карма: 197
Рейтинг сообщений: 8575
Зарегистрирован: Пн ноя 30, 2009 03:00:01
Сообщений: 42991
Откуда: Нерезиновая
Рейтинг сообщения: 0
zAries писал(а):
поставить нашу К1109КТ22 ?
А чем 1109КТ22 отличается от ULN2003, кроме расстояния между выводами? (2,5 или 2,54 мм)


Вернуться наверх
 
Не в сети
 Заголовок сообщения: Re: Часы на микросхемах к176
СообщениеДобавлено: Вс мар 09, 2025 15:56:13 
Прорезались зубы
Аватар пользователя

Карма: 5
Рейтинг сообщений: 25
Зарегистрирован: Ср сен 11, 2024 10:18:53
Сообщений: 220
Рейтинг сообщения: 0
А чем 1109КТ22 отличается от ULN2003, кроме расстояния между выводами? (2,5 или 2,54 мм)

Да ничем, разве что ценой в ЧД :)

_________________
Audiatur et altera pars !


Вернуться наверх
 
Не в сети
 Заголовок сообщения: Re: Часы на микросхемах к176
СообщениеДобавлено: Вс мар 09, 2025 23:58:08 
Друг Кота

Карма: -8
Рейтинг сообщений: 15
Зарегистрирован: Вс июл 24, 2011 11:38:09
Сообщений: 7568
Рейтинг сообщения: 0
Нашу надо покупать, а стоят они дороже китайских, даже если брать на барахолке стопкой то выходит в 2 дороже.
Поэтому из наших только по старым смотрю какие есть.
Для меня серии где больше 3 цифр не вызывают антикварности, поэтому заворачиваться с их поиском не буду. А вот еслиб они были рублей по 5, тогда может быть, китайское стоит по 10.

Я думаю потратить 176 и заодно какие то ненужные микросхемы для ключей.

За ИЕ13-18 просят денег. Старая на ИЕ3 для статики.
Первые микросхемы были простой логикой ИЕ2 и собиралось с них как со 155, вот они дешёвые, но у меня их не так много чтоб хватило на часы.

155 это быстрая логика, использовать по назначению слишком жирно, если работать на пониженом питании значит и надо в таком режиме использовать. 155ИД1 на 3в работает поэкономнее. Может получится и ЛА3 запустить в роли ключа.
Хотя ещё от партии зависит, были старые 1ЛБ553 которые перекорпусировка как экономные 133, но помню они работали медленнее, возможно с ними подругому получится.

Нашёл ещё 176ПУ1 но тут видимо они вообще никуда.

TD62783 для 50в как раз комутирует анод, но даже в китае штука 20р так что не выгодно.

У индикатора 5мм шаг ног, поэтому выгоды там от smd не будет. Если только с одной стороны ставить ключи, а с другой счётчик чтоб место экономить, но тогда и счётчики надо 564 вместо 176.


Вернуться наверх
 
Не в сети
 Заголовок сообщения: Re: Часы на микросхемах к176
СообщениеДобавлено: Чт мар 13, 2025 23:38:25 
Друг Кота
Аватар пользователя

Карма: 50
Рейтинг сообщений: 759
Зарегистрирован: Чт дек 29, 2005 00:18:30
Сообщений: 6568
Откуда: Москва
Рейтинг сообщения: 0
155 это быстрая логика, использовать по назначению слишком жирно, если работать на пониженом питании значит и надо в таком режиме использовать. 155ИД1 на 3в работает поэкономнее. Может получится и ЛА3 запустить в роли ключа.
Хотя ещё от партии зависит, были старые 1ЛБ553 которые перекорпусировка как экономные 133, но помню они работали медленнее, возможно с ними подругому получится.


133 серия была по экономичности один в один с 155, только корпус другой. Экономичная была 134 серия, но сомневаюсь чтобы её в 155 ставили, она несколько другая по нагрузочной способности и другим параметрам.

_________________
Ничто так не укрепляет взаимное доверие, как 100% предоплата! Дмитрий, ex-RK3AOR.


Вернуться наверх
 
Показать сообщения за:  Сортировать по:  Вернуться наверх
Начать новую тему Ответить на тему  [ Сообщений: 24 ]  1,  

Часовой пояс: UTC + 3 часа


Кто сейчас на форуме

Сейчас этот форум просматривают: нет зарегистрированных пользователей и гости: 24


Вы не можете начинать темы
Вы не можете отвечать на сообщения
Вы не можете редактировать свои сообщения
Вы не можете удалять свои сообщения
Вы не можете добавлять вложения

Найти:
Перейти:  


Powered by phpBB © 2000, 2002, 2005, 2007 phpBB Group
Русская поддержка phpBB
Extended by Karma MOD © 2007—2012 m157y
Extended by Topic Tags MOD © 2012 m157y