Например TDA7294

Форум РадиоКот • Просмотр темы - Светомузыка Детка 001
Форум РадиоКот
Здесь можно немножко помяукать :)

Текущее время: Ср янв 14, 2026 19:50:55

Часовой пояс: UTC + 3 часа


ПРЯМО СЕЙЧАС:



Форум закрыт Эта тема закрыта, Вы не можете редактировать и оставлять сообщения в ней.  [ Сообщений: 20 ] 
Автор Сообщение
Не в сети
 Заголовок сообщения: Светомузыка Детка 001
СообщениеДобавлено: Пт мар 11, 2011 21:19:40 
Опытный кот

Зарегистрирован: Вс май 02, 2010 11:08:47
Сообщений: 731
Откуда: Los Angeles
Рейтинг сообщения: 0
Всем добрый вечер! собрал сие устройство а оно не работает! помогите разобраться со фьюзами! http://bascom.at.ua/publ/cvetomuzyka_qu ... t/1-1-0-20


Вернуться наверх
 
Не в сети
 Заголовок сообщения: Re: Светомузыка Детка 001
СообщениеДобавлено: Пт мар 11, 2011 21:21:54 
Опытный кот

Зарегистрирован: Вс май 02, 2010 11:08:47
Сообщений: 731
Откуда: Los Angeles
Рейтинг сообщения: 0
Вот что у меня стоит


Вложения:
Snap_2011.03.11_21h20m53s_003.png [13.47 KiB]
Скачиваний: 570
Вернуться наверх
 
Не в сети
 Заголовок сообщения: Re: Светомузыка Детка 001
СообщениеДобавлено: Сб мар 12, 2011 09:54:48 
Встал на лапы

Зарегистрирован: Пт июл 09, 2010 17:44:34
Сообщений: 81
Откуда: Татарстан, г. Казань
Рейтинг сообщения: 0
должно стоять так:
Изображение
там все подробно написано, читайте внимательней.


Вернуться наверх
 
Не в сети
 Заголовок сообщения: Re: Светомузыка Детка 001
СообщениеДобавлено: Сб мар 12, 2011 11:43:54 
Опытный кот

Зарегистрирован: Вс май 02, 2010 11:08:47
Сообщений: 731
Откуда: Los Angeles
Рейтинг сообщения: 0
да что то все равно не запускается! ((( сигнал с микрофона доходит до меги! с меги до тиньки сигнал есть но он есть если даже микрофон молчит! подвешивал светодиод им смотрел! у меня в обвязке кварца меги стоят кондеры по 27 пик! 33 нет((( может в этом дело?


Вернуться наверх
 
Эиком - электронные компоненты и радиодетали
Не в сети
 Заголовок сообщения: Re: Светомузыка Детка 001
СообщениеДобавлено: Сб мар 12, 2011 12:29:14 
Родился

Зарегистрирован: Ср ноя 26, 2008 12:41:36
Сообщений: 11
Откуда: Ñàðàíñê
Рейтинг сообщения: 0
У меня заработало сразу. Фьюзы выставлял по рекомендации автора.

А вообще проверяй кварцы. Желательно ставить "низкие" кварцы. Несколько раз попадал на ситуацию, когда кварцы с нужной частотой, а схема не работает. И для 2313 кварц должен быть именно с той частотой которая указана.


Вернуться наверх
 
Не в сети
 Заголовок сообщения: Re: Светомузыка Детка 001
СообщениеДобавлено: Сб мар 12, 2011 18:19:16 
Опытный кот

Зарегистрирован: Вс май 02, 2010 11:08:47
Сообщений: 731
Откуда: Los Angeles
Рейтинг сообщения: 0
на тиньке стоит точно такой! если замыкаю кварц то даже если касаюсь 1 ножки то светики не моргают! а мот с меги сигнал какойто идет даже при замкнутом кварце
посмотри у тебя с мегии что выходит?


Вернуться наверх
 
Не в сети
 Заголовок сообщения: Re: Светомузыка Детка 001
СообщениеДобавлено: Пн мар 14, 2011 08:03:47 
Опытный кот

Зарегистрирован: Вс май 02, 2010 11:08:47
Сообщений: 731
Откуда: Los Angeles
Рейтинг сообщения: 0
??


Вернуться наверх
 
Не в сети
 Заголовок сообщения: Re: Светомузыка Детка 001
СообщениеДобавлено: Пн мар 14, 2011 22:44:27 
Родился

Зарегистрирован: Ср ноя 26, 2008 12:41:36
Сообщений: 11
Откуда: Ñàðàíñê
Рейтинг сообщения: 0
Посмотрю только завтра.
Прошу прощения. Раньше зайти не получалось.


Вернуться наверх
 
Не в сети
 Заголовок сообщения: Re: Светомузыка Детка 001
СообщениеДобавлено: Пн мар 14, 2011 22:46:20 
Родился

Зарегистрирован: Ср ноя 26, 2008 12:41:36
Сообщений: 11
Откуда: Ñàðàíñê
Рейтинг сообщения: 0
А чем программировал Мегу?


Вернуться наверх
 
Не в сети
 Заголовок сообщения: Re: Светомузыка Детка 001
СообщениеДобавлено: Вт мар 15, 2011 18:22:37 
Опытный кот

Зарегистрирован: Вс май 02, 2010 11:08:47
Сообщений: 731
Откуда: Los Angeles
Рейтинг сообщения: 0
програматором тритон)) Есть еще avr910 )))


Вернуться наверх
 
Не в сети
 Заголовок сообщения: Re: Светомузыка Детка 001
СообщениеДобавлено: Вт мар 15, 2011 20:11:22 
Опытный кот

Зарегистрирован: Вс май 02, 2010 11:08:47
Сообщений: 731
Откуда: Los Angeles
Рейтинг сообщения: 0
Я у меги не выставлял фьюзы! какие надо поставить? я не понимаю по той таблицы на сайте


Вернуться наверх
 
Не в сети
 Заголовок сообщения: Re: Светомузыка Детка 001
СообщениеДобавлено: Ср мар 16, 2011 00:41:07 
Опытный кот

Зарегистрирован: Вс май 02, 2010 11:08:47
Сообщений: 731
Откуда: Los Angeles
Рейтинг сообщения: 0
DARKMAVR писал(а):
должно стоять так:
Изображение
там все подробно написано, читайте внимательней.




все запустил))) ckdiv8 не надо))


Вернуться наверх
 
Не в сети
 Заголовок сообщения: Re: Светомузыка Детка 001
СообщениеДобавлено: Вт мар 22, 2011 00:30:42 
Открыл глаза

Зарегистрирован: Вс май 30, 2010 19:09:30
Сообщений: 58
Рейтинг сообщения: 0
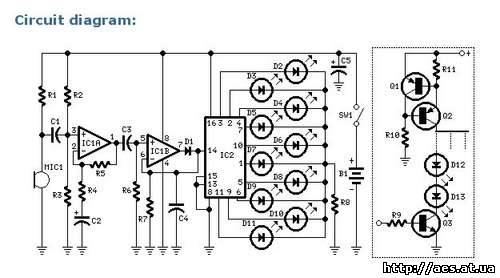
Привет Всем!!!вот нашол типа музыки http://www.youtube.com/watch?v=XQqhgUXs ... r_embedded
и схема !!
Вопрос будет она работать ????собирал кто????


Вложения:
03244035.jpg [26.12 KiB]
Скачиваний: 690
13359992.jpg [25.91 KiB]
Скачиваний: 386
Вернуться наверх
 
Не в сети
 Заголовок сообщения: Re: Светомузыка Детка 001
СообщениеДобавлено: Вт апр 05, 2011 12:05:11 
Встал на лапы
Аватар пользователя

Зарегистрирован: Ср мар 09, 2011 21:10:17
Сообщений: 90
Рейтинг сообщения: 0
Киньте какие нужны фьюзы . Как выставить в CodeVision или авр студии !!
А то не открывает картинки на форуме !!а на сайте автора не понятно.


Вернуться наверх
 
Не в сети
 Заголовок сообщения: Re: Светомузыка Детка 001
СообщениеДобавлено: Ср апр 06, 2011 19:22:06 
Встал на лапы
Аватар пользователя

Зарегистрирован: Ср мар 09, 2011 21:10:17
Сообщений: 90
Рейтинг сообщения: 0
ЧТО ЗА КОНДЕР!!????? :shock: И КАК ВЫСТАВИТЬ ФЬЮЗЫ В АВР СТУДИИ ??


Вложения:
SFDFSG.lay [107.71 KiB]
Скачиваний: 288
Вернуться наверх
 
Не в сети
 Заголовок сообщения: Re: Светомузыка Детка 001
СообщениеДобавлено: Ср апр 06, 2011 20:51:19 
Мучитель микросхем

Карма: 7
Рейтинг сообщений: 44
Зарегистрирован: Ср июн 21, 2006 08:24:32
Сообщений: 465
Откуда: Лисичанск
Рейтинг сообщения: 0
MaSu писал(а):
ЧТО ЗА КОНДЕР!!????? :shock:

Кондёр - 0,1 мкф керамика


Вернуться наверх
 
Не в сети
 Заголовок сообщения: Re: Светомузыка Детка 001
СообщениеДобавлено: Ср апр 06, 2011 22:20:54 
Встал на лапы
Аватар пользователя

Зарегистрирован: Ср мар 09, 2011 21:10:17
Сообщений: 90
Рейтинг сообщения: 0
Скажите подойдет микроконтроллер attiny2313v-10pu??


Вернуться наверх
 
Не в сети
 Заголовок сообщения: Re: Светомузыка Детка 001
СообщениеДобавлено: Пт апр 08, 2011 13:55:39 
Опытный кот

Зарегистрирован: Вс май 02, 2010 11:08:47
Сообщений: 731
Откуда: Los Angeles
Рейтинг сообщения: 0
да подойдет!


Вернуться наверх
 
Не в сети
 Заголовок сообщения: Re: Светомузыка Детка 001
СообщениеДобавлено: Вт апр 12, 2011 19:42:29 
Встал на лапы
Аватар пользователя

Зарегистрирован: Ср мар 09, 2011 21:10:17
Сообщений: 90
Рейтинг сообщения: 0
Скажите пожалуйста у меня как то бистро мигают светики и как то не затухают.
Как у автора под музику !!http://www.youtube.com/watch?v=gHbPcEbt7rM&feature=player_embedded


Вернуться наверх
 
Не в сети
 Заголовок сообщения: Re: Светомузыка Детка 001
СообщениеДобавлено: Ср апр 13, 2011 22:00:47 
Опытный кот

Зарегистрирован: Вс май 02, 2010 11:08:47
Сообщений: 731
Откуда: Los Angeles
Рейтинг сообщения: 0
Может дело в компрессоре?


Вернуться наверх
 
Показать сообщения за:  Сортировать по:  Вернуться наверх
Форум закрыт Эта тема закрыта, Вы не можете редактировать и оставлять сообщения в ней.  [ Сообщений: 20 ] 

Часовой пояс: UTC + 3 часа


Кто сейчас на форуме

Сейчас этот форум просматривают: нет зарегистрированных пользователей и гости: 10


Вы не можете начинать темы
Вы не можете отвечать на сообщения
Вы не можете редактировать свои сообщения
Вы не можете удалять свои сообщения
Вы не можете добавлять вложения

Найти:
Перейти:  


Powered by phpBB © 2000, 2002, 2005, 2007 phpBB Group
Русская поддержка phpBB
Extended by Karma MOD © 2007—2012 m157y
Extended by Topic Tags MOD © 2012 m157y